| Passwort vergessen?
Sie sind nicht angemeldet. |  Anmelden

Sprache auswählen:

Wumpus Gollum Forum von
Wumpus Welt der (alten) Radios
Sie sind nicht angemeldet.
 Anmelden

Meine Analogis
  •  
 1 .. 4 5 6 7 8 .. 15 .. 21
 1 .. 4 5 6 7 8 .. 15 .. 21
31.08.12 23:20
nobbyrad58 

500 und mehr Punkte

31.08.12 23:20
nobbyrad58 

500 und mehr Punkte

Re: Meine Analogis

Hallo Joe!

Ich glaube das geht so bis 20 - 30 µA runter. Für noch kleinere Ströme gibt es Lichtmarkengalvanometer. Manchmal sind die in der Bucht, aber nicht als 1 € Job. Aber wie ich immer betone, auch die alte Fachliteratur immer zu Rate ziehen. Es geht noch weiter runter mit einem Spiegelgalvanometer, aber das reine Laborgeräte. Eine Tabelle von 1950 gibt Aufschluss.

MFG Nobby

Zuletzt bearbeitet am 31.08.12 23:23

Datei-Anhänge
Messwerke Anwendung.jpg Messwerke Anwendung.jpg (469x)

Mime-Type: image/jpeg, 217 kB

!
!!! Fotos, Grafiken nur über die Upload-Option des Forums, KEINE FREMD-LINKS auf externe Fotos.    

!!! Keine Komplett-Schaltbilder, keine Fotos, keine Grafiken, auf denen Urheberrechte Anderer (auch WEB-Seiten oder Foren) liegen!
Solche Uploads werden wegen der Rechtslage kommentarlos gelöscht!

Keine Fotos, auf denen Personen erkennbar sind, ohne deren schriftliche Zustimmung.

Den Beitrag-Betreff bei Antworten auf Threads nicht verändern!
01.09.12 14:52
klaus65555 

500 und mehr Punkte

01.09.12 14:52
klaus65555 

500 und mehr Punkte

Re: Meine Analogis

Moin,
doch es geht auch zeigermäßig noch weit nach unten.
Siehe mein Beitrag über das Marek HG12 unter Meß-und Prüfgeräte Bildergalerie.
Es ist kein "Herumtragegerät", hat den kleinsten Spannungsmeßbereich von 3mV Vollausschlag und einen kleinsten Strommeßbereich von 0,6µA.
Ich glaube, diese Werte sind bisher nicht von einem anderen mechanischen Zeigermeßwerk unterboten worden.

Gruß
Klaus

01.09.12 15:04
nobbyrad58 

500 und mehr Punkte

01.09.12 15:04
nobbyrad58 

500 und mehr Punkte

Re: Meine Analogis

Hallo Klaus!

Richtig! Die obere Tabelle geht bei Drehspulwerken bis 1 µA runter. Hab ich auch gesehen, aber ich hab die Frage so verstanden das nach tragbaren und nicht zu empfindlichen Messwerken gesucht wurde. Bei Empfindlich meine ich nicht die elektrische, siehe das Goerz Messwerk. Also ich meine das so bei 20 - 30 µA eine praktikable Grenze für Herumtrage Geräte ist. Die müssen auch mal einen kleinen Stoß vertragen können.

MFG Nobby

01.09.12 15:11
klaus65555 

500 und mehr Punkte

01.09.12 15:11
klaus65555 

500 und mehr Punkte

Re: Meine Analogis

Ja Nobby,
hast recht.
Die sinnvolle Grenze für ein "rumtragbares" dürfte etwa das µA-Multizet von Siemens mit 50 kOhm/V bzw. 20µA kleinstem Strommeßbereich gewesen sein.

Gruß
Klaus

01.09.12 15:21
joeberesf 

500 und mehr Punkte

01.09.12 15:21
joeberesf 

500 und mehr Punkte

Re: Meine Analogis

Hallo zusammen,

nobbyrad58:
Richtig! Die obere Tabelle geht bei Drehspulwerken bis 1 µA runter. Hab ich auch gesehen, aber ich hab die Frage so verstanden das nach tragbaren und nicht zu empfindlichen Messwerken gesucht wurde.

ja genau, das Messwerk soll in einem Detektorgerät zum Einsatz kommen.
Höchstmögliche Empfindlichkeit auf der einen- und ausreichende Stabilität auf der anderen Seite, wäre dabei wichtig.

Gruß

Joe

01.09.12 15:59
nobbyrad58 

500 und mehr Punkte

01.09.12 15:59
nobbyrad58 

500 und mehr Punkte

Re: Meine Analogis

Hallo Joe!

Dann wäre ein Lichtmarken oder Zeigergalvanometer richtig. Das Funktionsprinzip eines Lichtmarkengalvos wieder als kleine Zeichnung. Leider kosten die mehr als ein 1 € im Fischteich.

MFG Nobby

Datei-Anhänge
Spiegel Galvanometer Prinzip.jpg Spiegel Galvanometer Prinzip.jpg (463x)

Mime-Type: image/jpeg, 71 kB

01.09.12 16:21
joeberesf 

500 und mehr Punkte

01.09.12 16:21
joeberesf 

500 und mehr Punkte

Re: Meine Analogis

Hallo Nobby,

danke für das Funktionsprinzip des Spiegel- Galvanometer...aber ein Detektor und eine
Glühlampe ? Das verträgt sich nicht.

Gruß

Joe

01.09.12 16:39
nobbyrad58 

500 und mehr Punkte

01.09.12 16:39
nobbyrad58 

500 und mehr Punkte

Re: Meine Analogis

Halo Joe!

Ich will mal hoffe das die Glühlampe nicht vom Messtrom mitversorgt werden muss. Beim Detektor bleibt es dann dunkel, außer bei Langdrahtantenne in unmittelbarer Sendernähe.

MFG Nobby

02.09.12 00:25
joeberesf 

500 und mehr Punkte

02.09.12 00:25
joeberesf 

500 und mehr Punkte

Re: Meine Analogis

Hallo Nobby,

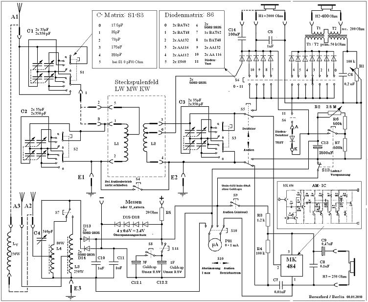
genau das ist das Wesentliche an meinen Detektoraufbauten. Da kommt doch keine Batterie rein.
In meinem erheblich erweiterten Experimentierdetektor, habe ich eine Vorspannung für Siliziumdioden,
schon vor längerer Zeit eingebaut.
Die Spannung dafür kommt aus einem bekannten Ortssender. Für die Glühlampe bin ich mit 15km und bei
250KW, doch noch zu weit weg. Das reicht nicht mal für eine Leuchtdiode.

Ist natürlich auch möglich extern 1,5V einzuspeisen. Bisschen schummeln wenn es schnell gehen soll
ist doch erlaubt...oder ?
Ein Batteriefach gibt es nicht, aber ein Analogi mit 1000uA !!



500uA hätten hier dicke gereicht, da im Betrieb eines zuschaltbaren TA7642 nur bis knapp über 300uA fließen.

Im Winter liegt die gleichzeitig umschaltbare max. Stromstärke, beim Ortssenderempfang, bei bis zu 300uA.
Es ist eine indirekte Feldstärkeanzeige, die auf einer demodulierten NF im Kurzschlussfall beruht. Also keine
wirkliche qualitative Messung, sondern ein Tendenzmesser. Der Innenwiderstand des Instruments ist gleichzeitig
der Lastwiderstand. (siehe Anhang experiment)

Ein geeignetes Messwerk zur Spannungsmessung im uV- Bereich suche ich für diese Anwendung.



Beste Grüße

Joe

Zuletzt bearbeitet am 02.09.12 01:55

Datei-Anhänge
analog_exp_detek.JPG analog_exp_detek.JPG (350x)

Mime-Type: image/pjpeg, 34 kB

experiment_ detektor.JPG experiment_ detektor.JPG (427x)

Mime-Type: image/pjpeg, 103 kB

Spannungsmessung.JPG Spannungsmessung.JPG (398x)

Mime-Type: image/pjpeg, 23 kB

02.09.12 01:24
nobbyrad58 

500 und mehr Punkte

02.09.12 01:24
nobbyrad58 

500 und mehr Punkte

Re: Meine Analogis

Hallo Joe!

Es gibt auch noch Zeigergalvanometer. Aber das sind auch fette Teile, viel mehr Volumen als ein kleines Drehspul µA. So bis 30 µA sind öfters Drehsspulen zu sehen. Und von der Fa. Peaktech gibt es ein neues großes 50 µA ab September, für Schulungszwecke zum Preis um die 30 €. Auf jeden Fall ist da noch was zum Experimentieren zu bekommen, als rein passives Messwerk.

MFG Nobby

 1 .. 4 5 6 7 8 .. 15 .. 21
 1 .. 4 5 6 7 8 .. 15 .. 21
Transistor-Koffer-Heizbatterie   Analogis   bearbeitet   Wechselspannungs-Millivoltmeter   Größer-Gleich-Kleiner-Vergleich   Messmittel-Innenwiderstand   Ohmmeter   Funktionszuverlässigkeit   natürlich   Zusammen   Messwerk   Isolationswiderstandsmessgerät   Grüße   Gleichspannungsmessgeräten   Zuletzt   Messgerät   richtig   Trägerfrequenz-Meßbrücke   Batterie   Gleichspannungs-Millivoltmeter