| Passwort vergessen?
Sie sind nicht angemeldet. |  Anmelden

Sprache auswählen:

Wumpus Gollum Forum von
Wumpus Welt der (alten) Radios
Sie sind nicht angemeldet.
 Anmelden

Konverter IWF nach MFV
  •  
 1 2
 1 2
20.09.19 05:29
Foghunter

nicht registriert

20.09.19 05:29
Foghunter

nicht registriert

Konverter IWF nach MFV

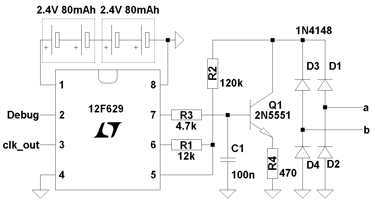
Hallo Forum,

die Eingliederung historischer Telefone in moderne Router-Anlagen macht manchmal Probleme. Zwar klingeln die alten Dinger meist noch einwandfrei. Aber mit dem Wählen hapert es oft.

Die Ursache: das historische Telefon wählt per Impulswahlverfahren, mit dem manche Router nichts mehr anfangen können. Sie verlangen die Wahl mit Tönen (Mehrfrequenzverfahren).

Zur Umsetzung benötigt man einen Konverter. Diese gibts wie Sand am Meer. Entweder sind sie als kleine Nebenstellenanlagen konstruiert oder sie werden als Elektronikmodul direkt im wertvollen Telefon eingebaut.

Derartige Lösungen haben mich nicht angesprochen. Ich wollte einen Konverter konstruieren, der mit lediglich zwei Drähten "transparent" parallel zur ab-Leitung des Telefons geschaltet wird. Wo sich dann genau der winzige Konverter befindet, ist völlig egal. Vorteilhaft ist z.B. die Unterbringung in der Telefondose oder am Router.

Das Wirkprinzip ist einfach. Der Konverter "lauert" auf Wählimpulse und speichert sie. Nach Beendigung der für den Router unverständlichen Ziffernwahl schaltet sich der Konverter kurz parallel zum Telefon und sendet die gewünschte Telefonnummer als Tonwahl. Gleich danach legt sich der Konverter schlafen (versorgt durch einen kleinen Akku) und wartet auf das Auflegen des Telefonapparats, um von da ab wieder in den "Lauer"-Modus zu wechseln.





Anlagen:
Kurzanleitung.pdf
Sourcen (zwei Header und 'C'-Source als TXT-Dateien)


Noch ein kleiner zeitgemäßer Komfort: wenn man nur die Nummer "1" wählt und sonst nichts, dann wird die letzte Telefonnummernwahl wiederholt. Eine große Erleichterung bei besetzter Empfängernummer.

Die Konverter arbeiten seit fünf Jahren ohne jede Störung.


Viele Grüße

Wolfgang

Zuletzt bearbeitet am 21.09.19 14:05

Datei-Anhänge
iwv_mfv2sw.png iwv_mfv2sw.png (519x)

Mime-Type: image/png, 15 kB

Kurzanleitung.pdf Kurzanleitung.pdf (653x)

Mime-Type: application/pdf, 9 kB

ALLPIC_.H.txt ALLPIC_.H.txt (654x)

Mime-Type: text/plain, 1 kB

iwv2mfv.txt iwv2mfv.txt (538x)

Mime-Type: text/plain, 8 kB

TIMELOOP_H.txt TIMELOOP_H.txt (493x)

Mime-Type: text/plain, 1 kB

100_0023.JPG 100_0023.JPG (553x)

Mime-Type: image/jpeg, 56 kB

RWA, wumpus, apollo, Volker, WalterBar und Martin.M gefällt der Beitrag.
!
!!! Fotos, Grafiken nur über die Upload-Option des Forums, KEINE FREMD-LINKS auf externe Fotos.    

!!! Keine Komplett-Schaltbilder, keine Fotos, keine Grafiken, auf denen Urheberrechte Anderer (auch WEB-Seiten oder Foren) liegen!
Solche Uploads werden wegen der Rechtslage kommentarlos gelöscht!

Keine Fotos, auf denen Personen erkennbar sind, ohne deren schriftliche Zustimmung.

Den Beitrag-Betreff bei Antworten auf Threads nicht verändern!
21.09.19 09:36
Volker 

500 und mehr Punkte

21.09.19 09:36
Volker 

500 und mehr Punkte

Re: Konverter IWF nach MFV

Hallo Wolfgang,

einfach genial und vielen Dank! Die Software lässt sich sicherlich für schwedische Wählscheiben anpassen. Wenn ich das richtig verstehe, funktioniert der Konverter nicht an solchen Routern, die noch die Impulswahl verarbeiten können?

Viele Grüße Volker

"Das Radio hat keine Zukunft." (Lord Kelvin, Mathematiker und Physiker (1824-1907))

Zuletzt bearbeitet am 21.09.19 09:46

21.09.19 10:10
Foghunter

nicht registriert

21.09.19 10:10
Foghunter

nicht registriert

Re: Konverter IWF nach MFV

Hallo Volker,

Danke! Sehr charmant. Aber "genial" geht sicher anders.... ..


An schwedische Wählscheiben sollte die Software problemlos anpassbar sein. Vielleicht anderes Timing? Müsste man sich mal die schwedischen Normen genauer ansehen. Da ist jede Millisekunde genau festgelegt.

Wenn Dein Router sowieso Pulswahl versteht, dann hört der Angerufene im Extremfall seine Nummer noch mal als Tonfolge. Ansonsten sollte es keine Störungen geben, denn bis auf das Aussenden der Tonfolge auf einer gehaltenen Leitung tut das Gerät ja nichts. Und da der Konverter zwei Sekunden nach der letzten Ziffer wartet, bevor er losdudelt, sollte der Router das Wettrennen locker gewinnen.

Aber getestet hab ich das nie...

Viele Grüße

Wolfgang

21.09.19 12:54
WalterBar 

500 und mehr Punkte

21.09.19 12:54
WalterBar 

500 und mehr Punkte

Re: Konverter IWF nach MFV

Hallo Wolfgang,

dein Programm wurde offenbar nicht im Microchip MP-LAB erstellt und muss dort von mir noch angepasst werden. Wenn ich einen Rappel kriege, werde ich das Dingen beizeiten in ein W48 einbauen, der dann an die zweite TAE-Buchse meiner Repeater-Fritzbox eingesteckt wird.


Gruss
Walter

Nachtrag: CC5X in der freien Version hat inzwischen die Version 3.7c, die aber auch funktioniert:





Verbindungen ICSP zum 12F629: Pin 1 (Pfeil) zu 4, 2 zu 1, 3 zu 8, 4 zu 7, 5 zu 6

Nachtrag 2: Der Ruhestrom liegt bei 1nA (!), bei einer Taktfrequenz von max. 1 MHz darf die Versorgungsspannung 3V betragen.

Zuletzt bearbeitet am 23.09.19 13:51

Datei-Anhänge
iwv2mfv.jpg iwv2mfv.jpg (471x)

Mime-Type: image/jpeg, 87 kB

Programmierung ICSP mit PicKit2.jpg Programmierung ICSP mit PicKit2.jpg (477x)

Mime-Type: image/jpeg, 292 kB

21.09.19 13:00
Foghunter

nicht registriert

21.09.19 13:00
Foghunter

nicht registriert

Re: Konverter IWF nach MFV

Hallo Walter,

richtig. Ich benutze den kostenfreien

CC5X Version 3.5, Copyright (c) B Knudsen Data, Norway 1992-2014
--> FREE edition, 8-16 bit int, 24 bit float, 32k code, reduced optim.
Warning : Main file extension should be '.c'
iwv2mfv.cp:
Chip = 12F629
RAM: 00h : -------- -------- -------- --------
RAM: 20h : ======== ======== ======== ========
RAM: 40h : ======== ======== ======== =====.**
RAM usage: 62 bytes (61 local), 2 bytes free
Optimizing - removed 19 instructions (-3 %)
File 'iwv2mfv.pic'
File 'iwv2mfv.lst'
Origin statement skips 490 words in codepage 0
File 'iwv2mfv.hex'
Total of 530 code words (51 %)

Viele Grüße

Wolfgang

23.09.19 14:01
Foghunter

nicht registriert

23.09.19 14:01
Foghunter

nicht registriert

Re: Konverter IWF nach MFV

WalterBar:
Nachtrag: CC5X in der freien Version hat inzwischen die Version 3.7c, die aber auch funktioniert:

Nachtrag 2: Der Ruhestrom liegt bei 1nA (!), bei einer Taktfrequenz von max. 1 MHz darf die Versorgungsspannung 3V betragen.

Hallo Walter,

hab Deinen Nachtrag eben erst entdeckt. Sorry.

Schön, dass es der neue Compiler auch packt.

Die Versorgungsspannung beträgt 4.8V. Das Ding wird intern mit 4 MHz getaktet und per CLKOUT auf 1Mhz an dem Pin abgeglichen. Der Abgleich ist ein wenig unbequem aber so ersparte ich mir einen Quarz.

Tatsächlich braucht der Pic wenig Strom. Aber SO wenig nun auch nicht. Da stimmt irgendwas mit den CONFIG-Bits nicht. Ich frag mich, ob Dein PICKIT die überhaupt alle erreichen kann.

Ich brenne mit Galep4.

Soll ich mal mit meinem PICKIT3 probieren?

--------------

Ich hab gerade mal in MPLAB nachgelesen. Kann gut sein, dass Du die CONFIG-Bits von Hand einstellen musst. Sie stehen ganz am Anfang der Source in Bitkodierung. Nur verständlich mit Datenblatt.

Die Bedeutung:

Oscillator=101 (IntRC, Osc1=Port, Osc2=ClkOut)
PWRT=0 (enabled)
BODEN=0 (BO reset disabled)
WDTEN=1 (WDog enabled)
MCLRE=0 (MCLR disabled, Port enabled)

Code- und Dataprotection nach Geschmack


Aber der PICKit scheint die CONFIG-Bits zumindest erreichen zu können.

Viele Grüße

Wolfgang

Zuletzt bearbeitet am 23.09.19 14:25

23.09.19 14:37
Foghunter

nicht registriert

23.09.19 14:37
Foghunter

nicht registriert

Re: Konverter IWF nach MFV

Hallo Walter,

noch ein Nachtrag...

wenn Du irgendeinen Stress mit dem Frequenzabgleich haben solltest, dann kannst Du jederzeit zwischen Pin 2 und Pin3 auch einen 4MHz-Quarz anschließen und musst dann nur die Oscillator-CONFIG-Bits entsprechend umschalten.

Ich war nur zu geizig, um da kostbare Quarze zu montieren..

Viele Grüße

Wolfgang

23.09.19 16:26
WalterBar 

500 und mehr Punkte

23.09.19 16:26
WalterBar 

500 und mehr Punkte

Re: Konverter IWF nach MFV

Hallo Wolfgang,

danke für die Zusatzinfos. Die Chips kommen erst im Laufe der Woche, und ich muss auch noch eine kurze Reise machen. Deswegen werde ich meine Erfahrungen erst in ca. 2 Wochen berichten. Es kann sein, dass mein W48 am Router funktioniert, wenn ich den Fliehkraftregler neu einstelle. Ich habe das vor ewigen Zeiten zwar mal gelernt, aber mit anderen Messgeräten als heute. Selbst, wenn ich für den W48 auf den IWV-MWF-Wandler verzichten kann, werde ich ihn aufbauen und austesten.

Einen 4 MHz Quarz müsste ich haben. Im Netz gibt es ein Acrobat-Reader Dokument aus der Modell-Bahn-Szene, in dem der PicKit2 für den 12F629 verwendet wurde. In meiner "Device-List", die man allerdings "updaten" kann, fehlt der Mikroprozessor momentan. Der PicKit3, den ich nicht habe, wird die Programmierung aus dem Stand heraus können. Mein alter Galep-3 wäre noch eine Option - hier ist der 12F629 aufgeführt. Mit den Angaben zum Statusbyte (0x2007, Änderung in XT Oszillator, Datenblatt-Seite 52) wird das früher oder später funktionieren. Nach meiner Meinung müssen alle Microchip-Programmiergeräte das Statusbyte mit den Konfigurierungsbits auf Adresse 0x2007 erreichen können, wenn auch nur während des Programmierprozesses.

Das nA für den Schlafmodus habe ich im Datenblatt gelesen und nicht gemessen. Da wäre ja auch schwierig - meine Messmöglichkeiten enden bei 1 ... 2µA.


Gruss
Walter

Zuletzt bearbeitet am 23.09.19 19:38

23.09.19 16:54
Foghunter

nicht registriert

23.09.19 16:54
Foghunter

nicht registriert

Re: Konverter IWF nach MFV

WalterBar:
Da wäre ja auch schwierig - meine Messmöglichkeiten enden bei 1 ... 2µA.

Hallo Walter,

das glaub ich Dir nicht. Nimm Dein billigstes 3-stelliges DVM (10 Megohm Eingangswiderstand).

Stell es auf 200mV DCV.

I = U / R = 0.2V / 10 Meg = 20nA Vollausschlag. Also 100pA Nachweisgrenze.


Viele Grüße

Wolfgang

23.09.19 17:09
WalterBar 

500 und mehr Punkte

23.09.19 17:09
WalterBar 

500 und mehr Punkte

Re: Konverter IWF nach MFV

Hallo Wolfgang,

und dann mit dem irre hohen Ri den Strom messen? Auf so eine Idee bin ich noch nicht gekommen. Ich verlass mich lieber auf die Strom-Messbereiche.

Gruss
Walter

Nachtrag: Mein DT-9205A hat 200mV und 2mA als kleinsten Messbereich, Ri irgendwo bei 10...20MOhm, danke für den Hinweis kleinste Ströme im Spannungsmessbereich zu "messen"

Zuletzt bearbeitet am 23.09.19 19:44

 1 2
 1 2
Einstellmöglichkeit   Oscillator-CONFIG-Bits   Wolfgang   Versorgungsspannung   Registerbank-Switching   Spannungsmessbereich   ========   bearbeitet   wumpus-gollum-forum   Eingangswiderstand   Konverter   200mV-DCV-Messbereich   C-Programmvorschlag   Impulswahlverfahren   Programmierprozesses   Schaltungsvorschlag   100mV-DCV-Messbereich   Mehrfrequenzverfahren   Microchip-Programmiergeräte   Programmierwerkzeuge