| Passwort vergessen?
Sie sind nicht angemeldet. |  Anmelden

Sprache auswählen:

Wumpus Gollum Forum von
Wumpus Welt der (alten) Radios
Sie sind nicht angemeldet.
 Anmelden

Mal wieder eine Schaltbildbetrachtung: Bus-Radio HEA ASMB51
  •  
 1
 1
01.12.22 15:16
wumpus 

Administrator

01.12.22 15:16
wumpus 

Administrator

Mal wieder eine Schaltbildbetrachtung: Bus-Radio HEA ASMB51

Hallo zusammen,

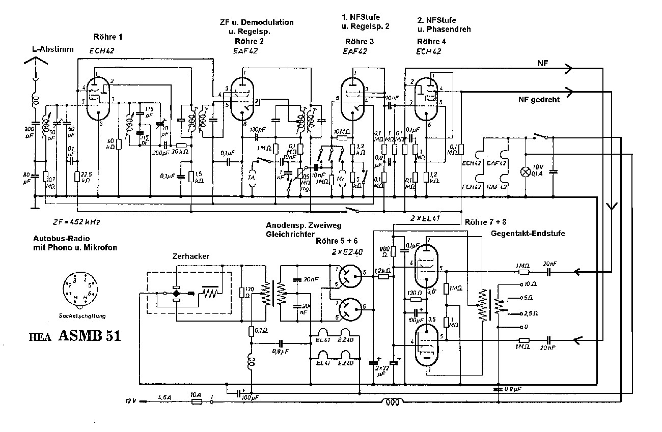
für die Freunde an der Schaltbild-Analyse diesmal ein Autobus-Radio von ca. 1950/51 mit Zerhacker, Gegentakt-Endstufe, Phono -u. Mikro-Anschluß.

Bitte mal den Blick auch auf die Art der Regelspannungserzeugung mittels zweier Stufen und die Art der NF-Aufbereitung mit Phasenumkehr lenken.

Dabei sind die Dioden der beiden EAF42 (eine davon schon nur noch für NF zuständig) betreff Regelspannung beachtenswert.

Ebenso die 2. NF-Röhre ECH42, deren Anoden und Gitter-Durchreichung zur Phasenumkehr.


für bessere Betrachtung Thumbnail-Foto unter dem Beitrag anklicken.

p.s. hat Lange das eigentlich richtig gezeichnet?

Grüße von Haus zu Haus
Rainer, DC7BJ (Forumbetreiber)

Welt der alten Radios:
http://www.welt-der-alten-radios.de

Wumpus-Gollum-Forum:
http://www.wumpus-gollum-forum.de/forum

Virtuelle Voxhaus-Gedenktafel:
http://www.voxhaus-gedenktafel.de

Wumpus bei youtube:
https://www.youtube.com/user/MyWumpus

Zuletzt bearbeitet am 01.12.22 15:19

Datei-Anhänge
ASMB51.jpg ASMB51.jpg (232x)

Mime-Type: image/jpeg, 190 kB

WoHo, Roehren-Lutz, RWA und HB9 gefällt der Beitrag.
!
!!! Fotos, Grafiken nur über die Upload-Option des Forums, KEINE FREMD-LINKS auf externe Fotos.    

!!! Keine Komplett-Schaltbilder, keine Fotos, keine Grafiken, auf denen Urheberrechte Anderer (auch WEB-Seiten oder Foren) liegen!
Solche Uploads werden wegen der Rechtslage kommentarlos gelöscht!

Keine Fotos, auf denen Personen erkennbar sind, ohne deren schriftliche Zustimmung.

Den Beitrag-Betreff bei Antworten auf Threads nicht verändern!
01.12.22 16:39
WoHo 

500 und mehr Punkte

01.12.22 16:39
WoHo 

500 und mehr Punkte

Re: Mal wieder eine Schaltbildbetrachtung: Bus-Radio HEA ASMB51

Hallo Rainer

- Das Radio empfängt nur die MW und wird induktiv abgestimmt.

- Bei der 1. EAF42 (Rö2) wird auch dem Bremsgitter die Regelspannung zugeführt!

- Die 2. EAF42 (Rö3) als NF Verstärker in Triodenschaltung

- Deren Diodestrecke wird als negative Spannungsquelle (durch den Anlaufstrom erzeugt) benutzt und ist der Regelspannung parallel geschaltet.
Ist erforderlich, weil die Misch-und ZF-Stufe keine Katodenwiderstände haben.

- Rö 4, ECH42: Triode als NF-Stufe, Hexode als Triode für die Phasenumkehr gebraucht, hier ist g2 und g4 die Anode!

Gruß aus NL, Wolfgang

Zuletzt bearbeitet am 01.12.22 16:46

02.12.22 08:20
HB9 

500 und mehr Punkte

02.12.22 08:20
HB9 

500 und mehr Punkte

Re: Mal wieder eine Schaltbildbetrachtung: Bus-Radio HEA ASMB51

Hallo zusammen,

der NF-Pfad ist reichlich kreativ. Offenbar will man viel Verstärkung, daher der zweistufige NF-Vorverstärker mit der EAF42 und der Triode der ECH42. Dem widerspricht aber die Tatsache, dass die EAF42 als Triode geschaltet ist, als Pentode hätte sie viel mehr Verstärkung, zudem wird die Röhre durch die nicht überbrückten Kathodenwiderstände gegengekoppelt. Auch die Erzeugung der Gittervorspannung ist unüblich. Einerseits gibt es die nicht überbrückten Kathodenwiderstände, andererseits wird aber der Gitteranlaufstrom für die Erzeugung der Gittervorspannung verwendet (der 10MOhm-Gitterableitwiderstand führt zur Kathode und nich nach Masse).

Statt der ECH42 für die 2. NF-Vorstufe und Phasendreher hätte man besser eine ECC40 verwendet, diese ist ja für diesen Zweck gebaut worden und wäre vermutlich auch billiger gewesen als eine ECH42.
Eventuell wurden diese Röhren gewählt, damit man von allen Typen zwei Röhren hatte, deren Heizungen man für 12V in Serie schalten kann. Allerdings geht es auch mit unterschiedlichen Röhrentypen, wenn man die Mittelpunkte der seriegeschalteten Heizungen (also dort, wo dann 6.3V liegen) miteinander verbindet und die Röhrenheizungen so platziert, dass dieser Punkt möglichst genau 6.3V hat, also die parallelgeschalteten 'unteren' Röhrenheizungen gleich viel Strom brauchen wie die 'oberen'. Eine zu grosse Differenz kann dann mit einem Parallelwiderstand noch ausgeglichen werden, falls nötig. So jedenfalls hat es die Konkurrenz gemacht.

Beim Zerhacker wurde ebenfalls gespart. Für einen kontaktschonenden und störungsarmen Betrieb wurden statt des Dämpfungswiderstands primärseitig Kondensatoren parallel zu den Wicklungen geschaltet, welche einen Schwingkreis bilden. Auf diese Art gibt es keine Schaltfunken, weil beim Ausschalten der Strom durch den Kondensator weiterfliesst und so die Spannung über dem sich öffnenden Kontakt langsam ansteigt, so dass sich kein Lichtbogen bilden kann. Weiter sorgt der Schwingkreis dafür, dass die Spannung langsam umschwingt, während beide Kontakte offen sind, so dass dann beim Schliessen des anderen Kontakts die Spannung mehr oder weniger auf Null abgesunken ist. Dadurch gibt es auch beim Einschalten keinen Funken oder Stromstoss. Eventuell dienen die sekundärseitigen Kondensatoren diesem Zweck, dazu muss die Streuinduktivität des Trafos ausreichend klein sein.

Gruss HB9

02.12.22 10:11
wumpus 

Administrator

02.12.22 10:11
wumpus 

Administrator

Re: Mal wieder eine Schaltbildbetrachtung: Bus-Radio HEA ASMB51

Hallo zusammen,


auch die Art der Phasenumkehr für die folgenden Endstufen-Steuergitter finde ich etwas "verwirrend". Warum?

Weil ja das angelieferte NF-Signal von Röhre 3 kommend dem Gitter 1 (+) im Trioden-Teil der Röhre 4 verstärkt und dessen Anode phasengedreht (-) und so zu Gitter 1 der unteren Endstufenröhre geleitet.

Die Phasendrehstufe mit der Hexode von Röhre 4 bekommt das noch umgedrehte (+) an das Gitter 2 (Mischgitter) und müsste eigentlich an der Hexoden-Anode phasengedreht (-) bereit stehen, allerdings würden als Folge am Steuergitter der oberen Endstufenröhre ebenfalls (-) anliegen. Beide Endstufen hätte gleiche Phase, Gegentakt ade.

Oder ist es so, dass der Signalweg über den 0,1 uF und 1 Meg-Ohm vom Bereich Steuergitter 1 der Triode von Röhre 4 zum Steuergitter 1 der Hexode der wesentliche ist und somit an der Hexode-Anode eben doch (+) Phase wirksam ist und somit die beiden Endstufenröhren EL41 das gewünschte gegenphasige Signal erhalten?

Will sagen: Wie signifikant ist die röhreninterne Verbindung von G1 Triode zu Gitter 3 der Hexode?

Grüße von Haus zu Haus
Rainer, DC7BJ (Forumbetreiber)

Welt der alten Radios:
http://www.welt-der-alten-radios.de

Wumpus-Gollum-Forum:
http://www.wumpus-gollum-forum.de/forum

Virtuelle Voxhaus-Gedenktafel:
http://www.voxhaus-gedenktafel.de

Wumpus bei youtube:
https://www.youtube.com/user/MyWumpus

Zuletzt bearbeitet am 02.12.22 10:14

02.12.22 10:35
HB9 

500 und mehr Punkte

02.12.22 10:35
HB9 

500 und mehr Punkte

Re: Mal wieder eine Schaltbildbetrachtung: Bus-Radio HEA ASMB51

Hallo zusammen,

das zweite Steuergitter g3 der Hexode für die Phasenumkehr (also das Gitter, das mit g1 der Triode intern verbunden ist), hat hier keine Wirkung, die Hexode wirkt als Triode, wie das Wolfgang schon geschrieben hat, die 'Anode' sind die beiden Schirmgitter g2+g4 der Hexode (die Anode ist mit der Kathode verbunden und somit gegenüber g4 stark negativ, so dass keine Elektronen von der Anode abfliessen können).

Der Strom von g4 wird dabei natürlich durch das 2. Steuergitter (g3) beeinflusst, was aber keine Rolle für den Gesamtstrom von g2+g4 spielt: Da über die Anode kein Strom abfliessen kann (die Anode ist negativ gegenüber g4) muss der gesamte Elektronenstrom, der g1 passiert hat, über g2 oder g4 abfliessen (g3 ist ebenfalls negativ gegenüber g2 und g4, daher kann auch hier kein Strom abfliessen). Da diese beiden Gitter zusammengeschaltet sind, spielt es von aussen betrachtet keine Rolle, wie die Stromverteilung ist und somit hat die Spannung an g3, welche nur die Stromverteilung steuert, nach aussen keine Wirkung. Die Hexode wird also zur Triode. Durch den Spannungsteiler 1MOhm/0.1MOhm vor dem Steuergitter g1 der Hexode wird die Verstärkung kompensiert, so dass sie -1 wird und damit eine reine Phasendrehung stattfindet. Die beiden Endröhren werden also gegenphasig angesteuert, so wie es sein muss.

Gruss HB9

03.12.22 11:17
wumpus 

Administrator

03.12.22 11:17
wumpus 

Administrator

Re: Mal wieder eine Schaltbildbetrachtung: Bus-Radio HEA ASMB51

Hallo zusammen,

ja, aus heutiger Sicht ein Radio "nur" mit Mittelwelle ist schon bedenkenswert. Da aber das Gerät aus Österreich stammt, einem Alpenland, wird deutlich , dass um 1951 Mittelwellenempfang für die zum Teil engen Tälern das Mittel der Wahl waren. UKW begann in diesen Jahren gerade erst und war in den Alpen vom Prinzip der Wellenausbreitung noch nicht optimal aufgestellt.

Immerhin ein MW Sechs-Kreiser mit der bei Autoradios gar nicht so seltenen induktiven Abstimmung.

Die merkwürdige Röhrenbestückung insbesondere in den NF-Vorstufen wurde ja schon angesprochen.

Nochmal zu UKW und Autoradio: Sogar noch 1960 als ich mit meiner Mutter bei einer Reise nach Leutasch in Österreich eine Tagestour mit einem Reisebus-Unternehmer mit VW-Bus nach Kaprun machte, nutzte der Busfahrer zur Unterhaltung nur den Mittelwellenbereich, das ging in den Alpentälern eigentlich ganz gut.


Grüße von Haus zu Haus
Rainer, DC7BJ (Forumbetreiber)

Welt der alten Radios:
http://www.welt-der-alten-radios.de

Wumpus-Gollum-Forum:
http://www.wumpus-gollum-forum.de/forum

Virtuelle Voxhaus-Gedenktafel:
http://www.voxhaus-gedenktafel.de

Wumpus bei youtube:
https://www.youtube.com/user/MyWumpus

05.12.22 11:24
wumpus 

Administrator

05.12.22 11:24
wumpus 

Administrator

Re: Mal wieder eine Schaltbildbetrachtung: Bus-Radio HEA ASMB51

Zitat:
Und wer die Zeit noch kennt, wo man auf MW über einige 100 kM den Deutschlandfunk
hören konnte (mit seinen Landesweiten Autobahn-Staumeldungen), ohne ständig lokale
UKW-Sender von Hand suchen zu müssen:
Der vermisst bisweilen die MW beim Autofahren.

Zitatende


Hallo zusammen,

das geht mir auch so: 2012 - Eine Fahrt mit dem PKW von Göttingen nach Berlin. Eingestellter Mittelwellensender Deutschlandfunk auf 756 kHz. Auf der gesamten Strecke via A5 und A7 war der Empfang gut und stabil, auch am Tag. Der MW-Sender stand bei Cremlingen (Schandelah) zwischen Braunschweig und Königs-Luther. Verwendet wurde die Aktivantenne des PKW. Somit hatte der Sender eine Tagesreichweite von mehr als 160 km.

Grüße von Haus zu Haus
Rainer, DC7BJ (Forumbetreiber)

Welt der alten Radios:
http://www.welt-der-alten-radios.de

Wumpus-Gollum-Forum:
http://www.wumpus-gollum-forum.de/forum

Virtuelle Voxhaus-Gedenktafel:
http://www.voxhaus-gedenktafel.de

Wumpus bei youtube:
https://www.youtube.com/user/MyWumpus

 1
 1
Dämpfungswiderstands   Parallelwiderstand   Reisebus-Unternehmer   Mittelwellenbereich   Schaltbild-Analyse   welt-der-alten-radios   Schaltbildbetrachtung   10MOhm-Gitterableitwiderstand   Kathodenwiderstände   Wumpus-Gollum-Forum   Voxhaus-Gedenktafel   parallelgeschalteten   Gitter-Durchreichung   Regelspannungserzeugung   Streuinduktivität   Mittelwellenempfang   Endstufen-Steuergitter   Katodenwiderstände   Mittelwellensender   Autobahn-Staumeldungen