| Passwort vergessen?
Sie sind nicht angemeldet. |  Anmelden

Sprache auswählen:

Wumpus Gollum Forum von
Wumpus Welt der (alten) Radios
Sie sind nicht angemeldet.
 Anmelden

Blaupunkt 5W646 Schaltbildbetrachtungen
  •  
 1
 1
11.09.22 11:03
wumpus 

Administrator

11.09.22 11:03
wumpus 

Administrator

Blaupunkt 5W646 Schaltbildbetrachtungen

Hallo zusammen,

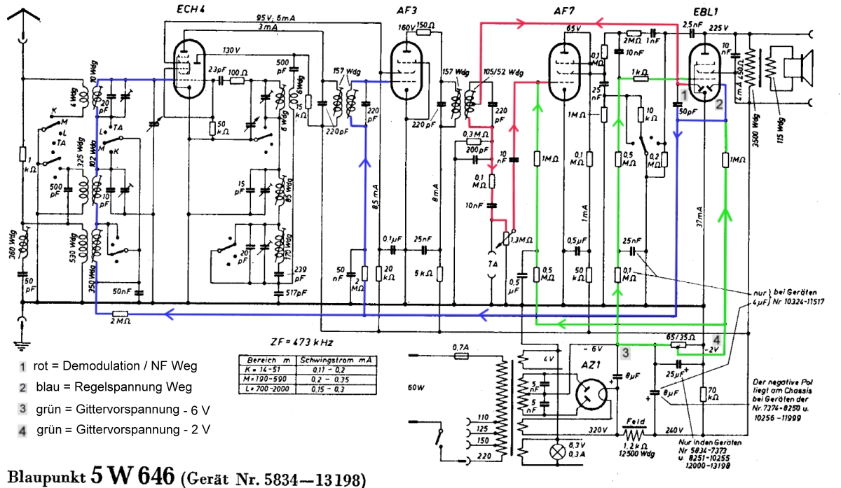
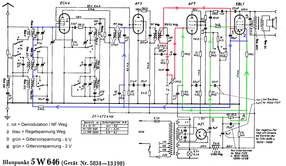
manche Radios hatten so ihre kleinen Besonderheiten. Heute geht es um das Modell Blaupunkt 5W646. Ein typisches Durchschnittsradio, allerdings wird in der NF-Endstufe eine EBL1 verwendet, eine Endpenthode mit zwei zusätzlichen Dioden zur ZF-Demodulation (1) und zur Regelspannungserzeugung (2). Mit der Regelspannung werden die Röhren ECH4 und EF3 gesteuert. Die Regelspannung erhält über 1 M Ohm von Punkt 4 eine Grundvoespannung.

Die NF-Endstufe (3) und die NF-Vorstufe (4) erhalten ihre Gitterspannungen aus dem Netzteil über den Widerstand 65 / 35 Ohm.

Die EBL1 wurde eher wenig verwendet, ihre beiden Dioden sind schon eine gewisse Besonderheit.





Grüße von Haus zu Haus
Rainer, DC7BJ (Forumbetreiber)

Welt der alten Radios:
http://www.welt-der-alten-radios.de

Wumpus-Gollum-Forum:
http://www.wumpus-gollum-forum.de/forum

Virtuelle Voxhaus-Gedenktafel:
http://www.voxhaus-gedenktafel.de

Wumpus bei youtube:
https://www.youtube.com/user/MyWumpus

Zuletzt bearbeitet am 11.09.22 11:03

Datei-Anhänge
blaupunkt-5w646-schalt.jpg blaupunkt-5w646-schalt.jpg (182x)

Mime-Type: image/jpeg, 331 kB

regency gefällt der Beitrag.
!
!!! Fotos, Grafiken nur über die Upload-Option des Forums, KEINE FREMD-LINKS auf externe Fotos.    

!!! Keine Komplett-Schaltbilder, keine Fotos, keine Grafiken, auf denen Urheberrechte Anderer (auch WEB-Seiten oder Foren) liegen!
Solche Uploads werden wegen der Rechtslage kommentarlos gelöscht!

Keine Fotos, auf denen Personen erkennbar sind, ohne deren schriftliche Zustimmung.

Den Beitrag-Betreff bei Antworten auf Threads nicht verändern!
11.09.22 11:49
Reflex-Kalle 

500 und mehr Punkte

11.09.22 11:49
Reflex-Kalle 

500 und mehr Punkte

Re: Blaupunkt 5W646 Schaltbildbetrachtungen

Nicht ganz so ungewöhnlich wie die frühe EBL1 wurde dann später die EBL21/71 in Superhets verwendet. Meist in Kombination mit zwei ECH21/71, eine für die Mischerstufe mit Oszillator und eine als ZF-Verstärker sowie NF-Vorstufe. Hab hier so einen Schaub-Lorenz Regina, der bereits für UKW vorbereitet war, mit nachgerüstetem UKW-Pendler.

Gruß

(Reflex-)Kalle

Zuletzt bearbeitet am 11.09.22 11:54

11.09.22 13:11
HB9 

500 und mehr Punkte

11.09.22 13:11
HB9 

500 und mehr Punkte

Re: Blaupunkt 5W646 Schaltbildbetrachtungen

Hallo zusammen,

im Albis 494 (Spitzensuper) wurden ebenfalls zwei EBL21 in Gegentakt verbaut. Von den 4 Dioden wird eine für die NF-Demodulation genutzt, die anderen 3 haben keine Funktion. Für die Regelspannungserzeugung wurde eine Diode in der Triode für die Phasenumkehr benutzt, die zweite in dieser Röhre hat ebenfalls keine Funktion. Eine ziemlich exotische Lösung, auch aufbautechnisch nicht unbedingt optimal, da die Endröhre wegen der Demodulator-Diode beim ZF-Filter sein muss. Weiter wird durch diese Schaltung die Erzeugung der negativen Gittervorspannung für die Endröhre erschwert. Die saubere Lösung, nämlich durch einen Kathodenwiderstand, bedingt, dass der ZF-Kreis statt auf Masse auf Kathodenpotential der Endröhre liegt, was zusätzliche HF-führende Verdrahtung bedingt, und für die Regelspannungserzeugung geht das nicht, weil die ja so ohne Signal positiv gegenüber Masse wird. Die Erzeugung der Gittervorspannung über eine Hilfsspannung oder gar mit einem Widerstand im Minuszweig des Netzteils hat den Nachteil, dass die Toleranzen der Endröhre nicht ausgeglichen werden und somit der Anodenstrom recht hohe Streuung hat.
Eigentlich hatte die EBL1 und EBL21 als Nachfolger nur eine Berechtigung für die röhrensparenden Superhets, welche daneben nur zwei Misch-Heptoden (ECH21) benötigten. Die eine dient dabei normal als Mischer mit Oszillator, während von der anderen die Heptode als ZF-Verstärker und die Triode als NF-Verstärker verwendet wird. Das geht natürlich nur, wenn das Triodengitter separat herausgeführt und nicht schon in der Röhre mit dem 2. Steuergitter der Heptode verbunden ist.

Gruss HB9

12.09.22 07:43
ingodergute 

Moderator

12.09.22 07:43
ingodergute 

Moderator

Re: Blaupunkt 5W646 Schaltbildbetrachtungen

Hallo,

ein wenig neben dem Thema fällt mir dabei ein Schaltungsdetail ein, daß ich schon gelegentlich in einigen Geräten sah: Eine Diode einer *BF ODER *BC - Röhre wird genutzt zur feldstärkeabhängigen NF-Bandbreitenregelung.
Dazu wird der Anode dieser Diode (Katode natürlich an Masse) hochohmig vom Katodenelko der Endstufenröhre eine positive Vorspannung zugeführt, die die Diode in Durchlaßrichtung ansteuert. Die Anode der Diode ist mit einem Kondensator mit dem NF-Signal nach dem Demodulator verbunden. Die zunächst niederohmige Diode dämpft mit diesem Kondensator hohe Frequenzen und verringert somit Rauschen. Über einen weiteren Widerstand wird der Anode dieser Diode auch die negative Richtspannung des HF-Gleichrichters zugeführt, so daß bei steigender Feldstärke die Diode zunehmend hochohmiger wird und die resultierende NF-Bandbreite steigt. Starke, rauscharme Signale werden unverfälscht und schwache, rauschende höhenbegrenzt wiedergegeben. Momentan habe ich dazu keinen Gerätenamen parat, aber die Lösung finde ich sehr kreativ.

Viele Grüße

Ingo.


_____________
Analog bleiben!

12.09.22 08:01
Reflex-Kalle 

500 und mehr Punkte

12.09.22 08:01
Reflex-Kalle 

500 und mehr Punkte

Re: Blaupunkt 5W646 Schaltbildbetrachtungen

Angeblich soll es auch ein „Radio Roma“, ein Superhet in Reflex-Schaltung, mit ECH4, EBL1 und AZ1 gegeben haben (von Philips?):

bertibenis.it/Radio%20Roma%20E.htm

Gruß

(Reflex-)Kalle

 1
 1
NF-Bandbreitenregelung   Radio%20Roma%20E   Reflex-Schaltung   Kathodenwiderstand   Gittervorspannung   Kathodenpotential   welt-der-alten-radios   Gitterspannungen   Regelspannungserzeugung   Durchlaßrichtung   röhrensparenden   Schaltungsdetail   feldstärkeabhängigen   Demodulator-Diode   Durchschnittsradio   Wumpus-Gollum-Forum   HF-Gleichrichters   Schaltbildbetrachtungen   Grundvoespannung   Voxhaus-Gedenktafel