| Passwort vergessen?
Sie sind nicht angemeldet. |  Anmelden

Sprache auswählen:

Wumpus Gollum Forum von
Wumpus Welt der (alten) Radios
Sie sind nicht angemeldet.
 Anmelden

Ein Hybrid-Kofferradio: Akkord Trifels
  •  
 1
 1
15.09.18 09:59
wumpus 

Administrator

15.09.18 09:59
wumpus 

Administrator

Ein Hybrid-Kofferradio: Akkord Trifels

Hallo zusammen,

im Wumpus-Online-Museum überarbeitet: Akkord Trifels.

http://www.welt-der-alten-radios.de/auss...-detail-84.html

Ein schon erwähnenswertes Kofferradio, da es zur Übergangs-Generation vom Röhrenradio zum Transistorradio gehört. Kam um 1958 heraus und hatte einen Transistor-Spannungswandler, also keinen Verhacker oder Anodenbatterie mehr.

Mein Vater hatte das Gerät um 1959 in Gebrauch mit einer Fahrzeughalterung im Mercedes 180D. Ich als Kind fand das Radio damals häßlich mit seiner grauen Hammerschlaglackierung. Aber die Empfangsleistung war recht gut. Ich erinnere mich noch gern an einen Urlaub mit meinem Vater (Wohnwagen auf dem Campingplatz) in Dahme an der Ostsee. Da wurde abends und nachts fleißig RIAS aus Berlin empfangen. Auch UKW (NDR) ging ganz gut.




Grüße von Haus zu Haus
Rainer, DC7BJ (Forumbetreiber)
Ein Leben ohne Facebook ist möglich und sinnvoll.

Welt der alten Radios:
http://www.welt-der-alten-radios.de

Wumpus-Gollum-Forum:
http://www.wumpus-gollum-forum.de/forum

Virtuelle Voxhaus-Gedenktafel:
http://www.voxhaus-gedenktafel.de

Wumpus bei youtube:
https://www.youtube.com/user/MyWumpus

Zuletzt bearbeitet am 15.09.18 12:19

Datei-Anhänge
akkord-trifels-1.jpg akkord-trifels-1.jpg (369x)

Mime-Type: image/jpeg, 29 kB

regency gefällt der Beitrag.
!
!!! Fotos, Grafiken nur über die Upload-Option des Forums, KEINE FREMD-LINKS auf externe Fotos.    

!!! Keine Komplett-Schaltbilder, keine Fotos, keine Grafiken, auf denen Urheberrechte Anderer (auch WEB-Seiten oder Foren) liegen!
Solche Uploads werden wegen der Rechtslage kommentarlos gelöscht!

Keine Fotos, auf denen Personen erkennbar sind, ohne deren schriftliche Zustimmung.

Den Beitrag-Betreff bei Antworten auf Threads nicht verändern!
15.09.18 11:15
Antennow

nicht registriert

15.09.18 11:15
Antennow

nicht registriert

Re: Ein Hybrid-Kofferradio: Akkord Trifels

Oh Gott! die FM-Mischstufe!!! Nicht nur der Hammerschlaglack, aber das war die Technokratenzeit..

Antennow

ich denke, es wird langsam Zeit, seinen eigenen Sender zu betreiben...........

Zuletzt bearbeitet am 15.09.18 11:17

15.09.18 11:41
regency 

500 und mehr Punkte

15.09.18 11:41
regency 

500 und mehr Punkte

Re: Ein Hybrid-Kofferradio: Akkord Trifels

...im Gegenteil, der FM Misch Teil war für den Beginn des UKW ziemlich ausgefuchst. Musste nur sorgfältigst abgeglichen werden, damit keine HF über die Antenne abgestrahlt wurde. Der Eingangsteil erinnert mich an die ersten Vorläufer der Nogoton Einbau-Empfänger, und die gehörten zu den besten, später mit vorangestellten HF Stufen.

Ein sehr ausgefallenes Fundstück, finde ich. UKW war da mit Transistoren noch nicht möglich, oder die waren zu teuer. Der transistorisierte NF Teil hat ja in der Schaltungsvariante auch noch bis die ICs aufkamen seinen Dienst gemacht.

VG Jan

Zuletzt bearbeitet am 15.09.18 12:01

15.09.18 12:06
wumpus 

Administrator

15.09.18 12:06
wumpus 

Administrator

Re: Ein Hybrid-Kofferradio: Akkord Trifels

Hallo zusammen,

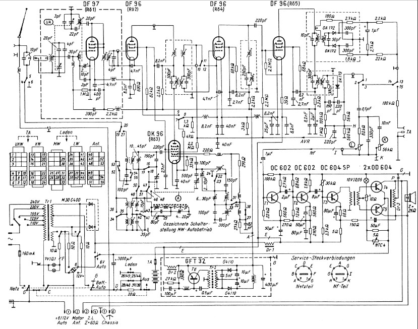
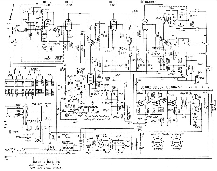
die Schaltung des Trifels hat sowieso ihre Eigenheiten. Der UKW Misch/Oszillator-Stufe mit der DF97 folgt eine eigene Nur-UKW-ZF-Stufe mit der DF96, die also nicht mit für die AM-ZF verwendet wird.

Auch die Zusammenführung der UKW-ZF und der AM-ZF auf die erste gemeinsame ZF-Stufe ist etwas gewöhnungsbedürftig.

Weiter kommen die UKW-ZF-Kreise ohne zusätzliche Kapazitäten aus oder es sind nur UKW-Drosseln und man verliess sich nur auf den einzigen ZF-Kreis an der ersten DF96 und den Demodulator-Kreis .....

In den Gerätebeschreibungen wird aber von 9 Kreisen gesprochen, also sind das wohl schon Schwingkreise (mit Bauteilekapazität).





Grüße von Haus zu Haus
Rainer, DC7BJ (Forumbetreiber)
Ein Leben ohne Facebook ist möglich und sinnvoll.

Welt der alten Radios:
http://www.welt-der-alten-radios.de

Wumpus-Gollum-Forum:
http://www.wumpus-gollum-forum.de/forum

Virtuelle Voxhaus-Gedenktafel:
http://www.voxhaus-gedenktafel.de

Wumpus bei youtube:
https://www.youtube.com/user/MyWumpus

Zuletzt bearbeitet am 15.09.18 13:53

Datei-Anhänge
akkord-trifels-4.jpg akkord-trifels-4.jpg (400x)

Mime-Type: image/jpeg, 179 kB

15.09.18 20:19
Antennow

nicht registriert

15.09.18 20:19
Antennow

nicht registriert

Re: Ein Hybrid-Kofferradio: Akkord Trifels

Naja, schon sehr originell. Seht euch mal die Heizkreise genau an. Umschaltung zwischen FM und AM über die Röhrenheizung! Solcher Pragmatismus hieß bei uns "Russentechnik", was nicht unbedingt abwertend gemeint war.

Gruß ans Forum,

Antennow

ich denke, es wird langsam Zeit, seinen eigenen Sender zu betreiben...........

Zuletzt bearbeitet am 15.09.18 20:20

17.09.18 09:28
HB9 

500 und mehr Punkte

17.09.18 09:28
HB9 

500 und mehr Punkte

Re: Ein Hybrid-Kofferradio: Akkord Trifels

Hallo zusammen,

ein sehr interessantes Gerät. Ferritantenne und Gleichspannungswandler vertragen sich normalerweise sehr schlecht, da war die Konstruktion eine EMV-Herausforderung, wenn man LW- und MW-Sender und nicht nur die Oberwellen des Spannungswandlers empfangen wollte.

Die Heizung der nicht benötigten Röhren abschalten macht bei einem Batteriegerät durchaus Sinn, zumal die direktgeheizten Batterieröhren praktisch sofort nach Einschalten der Heizung betriebsbereit sind. Für die FM-ZF-Filter wurde die Schaltungskapazität genutzt, was durchaus sinnvolle Werte ergibt.

Insbesondere für KW wäre es noch schön gewesen, wenn die erste DF96 (nur FM-ZF) für AM als HF-Stufe genutzt würde, auch die Kopplung zwischen der 2. und der 3. DF96 ist mit den Einfachkreisen etwas sparsam, ein Bandfilter wäre deutlich besser. Die UKW-Empfindlichkeit ist wohl nicht gerade überwältigend ohne HF-Vorstufe. Statt der DF96 als ZF-Stufe hätte sich nach meiner Meinung eine HF-Vorstufe leisten sollen. Die Oktode hätte man ja auch als FM-ZF-Stufe nutzen können, so wie das mit den Misch-Hexoden auch gemacht wurde.

Der NF-Teil hat auffallend viele Transistoren, offenbar wurde da stark gegengekoppelt.

Gruss HB9

17.09.18 11:18
Antennow

nicht registriert

17.09.18 11:18
Antennow

nicht registriert

Re: Ein Hybrid-Kofferradio: Akkord Trifels

Moin Forum,

wenn ich mir den Anodenspannungskonverter ansehe, handelt es sich um einen harmonischen Oszillator mit Spannungsverdopplung.
Die NF-Drossel DR2 in der Speiseleitung und die Schwingkreiskapazität weisen auf Schwingfrequenz im Ultraschallbereich hin. Üblich war der Bereich um 50 kHz. Üblicherweise waren solche Konverter total in ein Blechgehäuse eingelötet, kapazitiv verblockt und verdrosselt, also HF-dicht. EMV => gut beherrschbar.
Das Schaltbild ist fehlerhaft, siehe Ausschnitt. Zwar war es üblich, die Schaltung so auszulegen, daß die Betriebsspannung zur Ausgangsspannung addiert wird, doch hier wird die Ausgangsspannung mit der Betriebsspannung kurzgeschlossen.

[img][/img]

Naja, damals wurde eben auch schon mit heißer Nadel gestrickt.

Die Stabilisierung des Arbeitspunktes der Endstufe ist auch sehr originell. Kaltleiter (Glühlampe) gegen Heißleiter. War die Glühlampe gleichzeitig Skalenbeleuchtung? Was passiert mit der Endstufe, wenn die Glühlampe durchbrennt?


Grüße ans Forum,

Antennow


ich denke, es wird langsam Zeit, seinen eigenen Sender zu betreiben...........

Zuletzt bearbeitet am 17.09.18 11:23

Datei-Anhänge
Konverter.jpg Konverter.jpg (381x)

Mime-Type: image/jpeg, 30 kB

17.09.18 11:40
HB9 

500 und mehr Punkte

17.09.18 11:40
HB9 

500 und mehr Punkte

Re: Ein Hybrid-Kofferradio: Akkord Trifels

Hallo zusammen,

wenn die Glühlampe durchbrennt, ist der Ruhestrom der Endstufe weg, somit gibt es viel Übernahmeverzerrungen, aber sonst unkritisch. Auffallend ist auch das Fehlen von Emitterwiderständen, dadurch wird die Symmetrie der Endstufe, insbesondere der Ruheströme, Glückssache. Die Glühlampe soll vermutlich als Konstantstromquelle dienen, damit der Ruhestrom nicht so stark von der Betriebsspannung abhängt, ähnlich den Eisen-Wasserstoff-Widerständen in Heizkreisen. Der NTC ist normal für die Temperaturkompensation der Ruheströme und sollte mit den Endtransistoren thermisch gekoppelt sein.

Wegen EMV: elektrisch hat man das durch Abschirmen gut im Griff, aber die Ferritantenne empfängt das Magnetfeld des Trafos, und das ist wesentlich schwerer abzuschirmen. Hier hilft aber eine günstige Platzierung, so dass der Trafo im Empfindlichkeits-Minimum der Ferritantenne liegt. Durch Resonanz-Betrieb des Trafos reduziert sich die Stärke der Oberwellen, so dass der Störpegel sinkt, gleichzeitig steigt der Wirkungsgrad, wenn man es richtig macht.

Gruss HB9

17.09.18 22:00
Antennow

nicht registriert

17.09.18 22:00
Antennow

nicht registriert

Re: Ein Hybrid-Kofferradio: Akkord Trifels

Hast schon guten Durchblick, HB9. Doch magnetisch würde der Transvertertrafo kaum in die Ferritantenne einkoppeln, da damals in solchen Schaltungen Topfkerne, speziell sogar für den niederen Frequenzbereich (hohe Permeabilität) verwendet wurden, die nur ein sehr geringes magnetisches Streufeld verursachten. Und wie gesagt, es wurde Wert darauf gelegt, dass der Transverter harmonisch betrieben wurde, selbst die starke dritte Oberwelle hätte die Langwelle noch nicht gestört.
Die alten Ingenieure/Techniker haben das damals noch eher empirisch statt theoretisch gelöst. Ich kannte noch einige aus dieser Generation.
Die haben was nach ihren Vorstellungen gebaut, gemessen, korrigiert, produziert :-)

Grüße, Antennow


ich denke, es wird langsam Zeit, seinen eigenen Sender zu betreiben...........

Zuletzt bearbeitet am 17.09.18 22:06

 1
 1
Hybrid-Kofferradio   Wumpus-Gollum-Forum   Gerätebeschreibungen   Emitterwiderständen   welt-der-alten-radios   Transistor-Spannungswandler   gewöhnungsbedürftig   Hammerschlaglackierung   Wumpus-Online-Museum   Schwingkreiskapazität   Temperaturkompensation   Voxhaus-Gedenktafel   Gleichspannungswandler   Eisen-Wasserstoff-Widerständen   Anodenspannungskonverter   Spannungsverdopplung   Übernahmeverzerrungen   Übergangs-Generation   Schaltungskapazität   Empfindlichkeits-Minimum