| Passwort vergessen?
Sie sind nicht angemeldet. |  Anmelden

Sprache auswählen:

Wumpus Gollum Forum von
Wumpus Welt der (alten) Radios
Sie sind nicht angemeldet.
 Anmelden

Telefunkon III/1926 A
  •  
 1 2 3 4
 1 2 3 4
11.09.18 19:43
WalterBar 

500 und mehr Punkte

11.09.18 19:43
WalterBar 

500 und mehr Punkte

Re: Telefunkon III/1926 A

wumpus:

Ein Schaltbild würde weiterhelfen.


Hallo zusammen,

Freed-Eisemann dürfte den Apparat haben und könnte über Erfahrungen berichten.

http://wumpus-gollum-forum.de/forum/thre...2&thread=10

Gruss
Walter

Nachtrag: Ja Reinhard, bitte im Dateinamen ein "A" hinzufügen, tut nicht weh!

Zuletzt bearbeitet am 12.09.18 16:26

Datei-Anhänge
Telefunkon III1926.jpg Telefunkon III1926.jpg (423x)

Mime-Type: image/jpeg, 124 kB

!
!!! Fotos, Grafiken nur über die Upload-Option des Forums, KEINE FREMD-LINKS auf externe Fotos.    

!!! Keine Komplett-Schaltbilder, keine Fotos, keine Grafiken, auf denen Urheberrechte Anderer (auch WEB-Seiten oder Foren) liegen!
Solche Uploads werden wegen der Rechtslage kommentarlos gelöscht!

Keine Fotos, auf denen Personen erkennbar sind, ohne deren schriftliche Zustimmung.

Den Beitrag-Betreff bei Antworten auf Threads nicht verändern!
11.09.18 21:15
reinhard 

500 und mehr Punkte

11.09.18 21:15
reinhard 

500 und mehr Punkte

Re: Telefunkon III/1926 A

WalterBar:
wumpus:

Ein Schaltbild würde weiterhelfen.


Naja, hier ist es doch zum Download, es fehlt halt nur das "a"im Dateinamen. Sowas verwirrt natürlich.
"Ordnung ist das halbe Leben".

Reinhard

11.09.18 22:33
WoHo 

500 und mehr Punkte

11.09.18 22:33
WoHo 

500 und mehr Punkte

Re: Telefunkon III/1926 A

Guten Abend zusammen

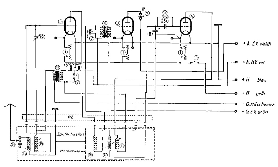
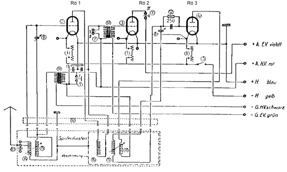
Habe mal das eingestellte Schaltbild durchgenommen:

Es ist ein Zweikreiser mit Rückkopplung, sowie auch ein Reflexempfänger!

Signalverlauf:

Von Antennenspule 14 nach Vorkreis 15, verstärkt durch Rö2. In deren Anodenkreis ist Spule 16, diese koppelt nach Spule 17 mit 2. Drehko und über die Gitterkombination auf Audionröhre 4. Im Anodenkreis die Rückkopplungsspule 18, koppelt induktiv auf Spule 17.

Die NF wird über Trafo 11 als Reflex ebenfalls auf das Gitter Rö. 2 gegeben. Im Anodenkreis liegt ein weiterer NF-Trafo 10. Die Sekundärseite ist mit dem Steuergitter der Endröhre 3 verbunden. In deren Anodenkreis kann man einen Kopfhörer oder Lautsprecher einschleifen.

Gruß aus NL, Wolfgang

Zuletzt bearbeitet am 11.09.18 22:36

12.09.18 09:32
reinhard 

500 und mehr Punkte

12.09.18 09:32
reinhard 

500 und mehr Punkte

Re: Telefunkon III/1926 A

WoHo:
Guten Abend zusammen

Habe mal das eingestellte Schaltbild durchgenommen:

Es ist ein Zweikreiser mit Rückkopplung, sowie auch ein Reflexempfänger!



Das war schon was Feines!
1925 brachte Telefunken das Radio Telefunkon 3/26 auf den Markt. "Das 3/26 ist ein Dreiröhren-Reflex-Empfänger mit Hoch- und Niederfrequenzverstärkung, der durch eine besondere Schaltung die Leistung eines besonders guten Vierröhrenempfängers besitzt. Der Apparat ist als Sekundärempfänger gebaut und besitzt eine für den deutschen Rundfunk mit seinen zahlreichen nahe beieinander liegenden Sendewellenlängen nötige hohe Abstimmschärfe (Selektivität)." (Telefunken Rundschau, Nr.12/ 1925)
Ein Jahr später erschien der überarbeitete, technisch verbesserte 3/26a, jetzt auch mit den neuen Telefunken-Röhren mit Europasockel.
Zitat vom Hersteller.
Und Werbung war auch damals schon spannend und interessant... Nein, der Ortssender musste natürlich nicht (elektrisch) ausgeschaltet werden, Zitat "Fernempfang bei Ausschaltung des Ortssenders". Ja, was meint das eigentlich?:
war ein üblicher Spruch in der Werbung der 1920er Jahre. Bezog sich natürlich auf die hervoragende Trennschärfe des Empfängers.
73
Reinhard

12.09.18 09:51
wumpus 

Administrator

12.09.18 09:51
wumpus 

Administrator

Re: Telefunkon III/1926 A

Hallo zusammen,

vielen Dank für das Schaltbild!

Ich glaube einen anderen Signalweg erkannt zu haben oder ich deute den von Wolfgang falsch. Bin gerade dabei für den Eintrag im Wumpus-Online-Museum das Schaltbild mit Signalwegen zu erstellen, Wenn es fertig ist, setze ich hier einen Link.


Grüße von Haus zu Haus
Rainer, DC7BJ (Forumbetreiber)
Ein Leben ohne Facebook ist möglich und sinnvoll.

Welt der alten Radios:
http://www.welt-der-alten-radios.de

Wumpus-Gollum-Forum:
http://www.wumpus-gollum-forum.de/forum

Virtuelle Voxhaus-Gedenktafel:
http://www.voxhaus-gedenktafel.de

Wumpus bei youtube:
https://www.youtube.com/user/MyWumpus

12.09.18 10:33
wumpus 

Administrator

12.09.18 10:33
wumpus 

Administrator

Re: Telefunkon III/1926 A

Hallo zusammen,

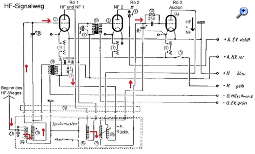
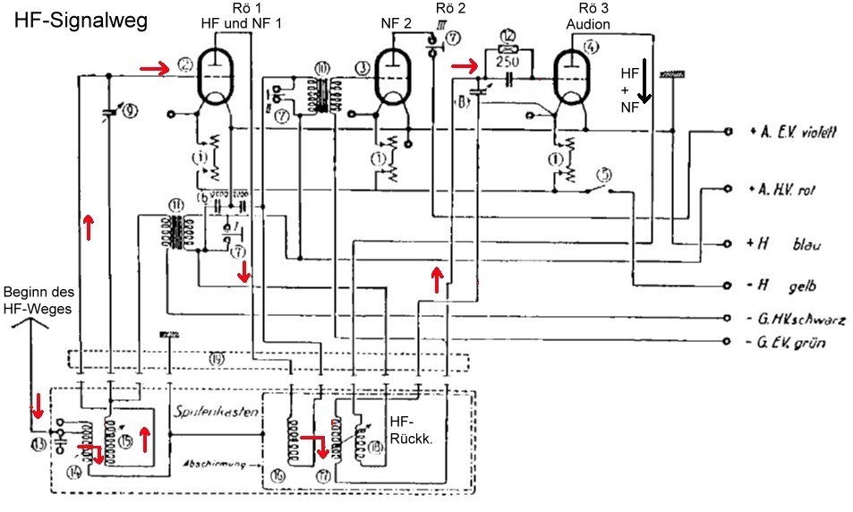
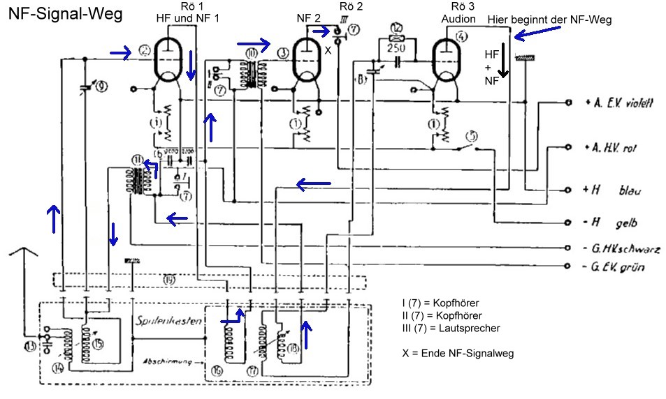
so ich habe mal die (aus meiner Sicht) Signalwege für HF und NF erstellt und ins Online-Museum übertragen:


http://www.welt-der-alten-radios.de/auss...85_details2.pdf


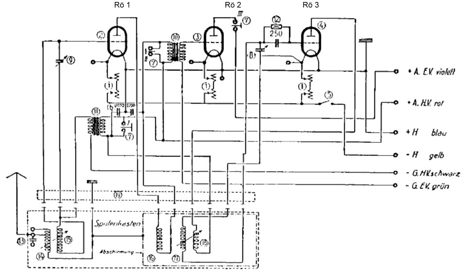
Danach geht der HF-Weg vom Vorkreis über Rö 1 (links, Reflexröhre) und dem Kreis 2 zur Audionröhre Rö 3 (rechts).

Der NF-Weg beginnt an der Anode der Rö 3 (rechts) und führt über die Rückkopplungsspule zum NF-Trafo unter Rö 1 (links), wird in der Reflex-Röhre verstärkt und führt über den NF-Trafo links von der Röhre 2 (Mitte) zur NF-Endröhre Rö 2 (Mitte) und zum Lautsprecher (III 7).

Hier die Signalwege:







Der NF-Signalweg endet an Punkt III 7 am Lautsprecher-Anschluss



Grüße von Haus zu Haus
Rainer, DC7BJ (Forumbetreiber)
Ein Leben ohne Facebook ist möglich und sinnvoll.

Welt der alten Radios:
http://www.welt-der-alten-radios.de

Wumpus-Gollum-Forum:
http://www.wumpus-gollum-forum.de/forum

Virtuelle Voxhaus-Gedenktafel:
http://www.voxhaus-gedenktafel.de

Wumpus bei youtube:
https://www.youtube.com/user/MyWumpus

Zuletzt bearbeitet am 13.09.18 10:05

Datei-Anhänge
telefunkon-3-1926a-schalt.jpg telefunkon-3-1926a-schalt.jpg (383x)

Mime-Type: image/jpeg, 78 kB

telefunkon-3-1926a-schalt-hf.jpg telefunkon-3-1926a-schalt-hf.jpg (377x)

Mime-Type: image/jpeg, 88 kB

telefunkon-3-1926a-schalt-nf.jpg telefunkon-3-1926a-schalt-nf.jpg (375x)

Mime-Type: image/jpeg, 97 kB

12.09.18 10:57
WoHo 

500 und mehr Punkte

12.09.18 10:57
WoHo 

500 und mehr Punkte

Re: Telefunkon III/1926 A

OK Rainer,

ich sehe keinen Unterschied in den Beschreibungen, außer, dass ich die Röhren- und Bauteilebezeichnungen so übernommen habe, wie angegeben. Danach gab es keine Rö.1. Ist natürlich Blödsinn...
Noch besser wäre die Nummerierung folgerichtig: Endröhre = Rö. 3. Für jedermann verständlicher wäre eine Neuzeichnung, wobei dann die Endröhre -wie gewohnt- ganz rechts zu sehen ist. Wäre...wäre...wäre...

Kleiner Flüchtigkeitsfehler bei Dir:
Die heiße Leitung von Spule 17 geht zur Gitterkombination und sollte den roten Pfeil haben. Jetzt steht dieser rechts an der kalten Leitung, welche am linken Fadenende liegt.

EDIT: Das rechte Fadenende liegt an Masse!

Gruß aus NL, Wolfgang

Zuletzt bearbeitet am 12.09.18 12:10

12.09.18 11:31
Antennow

nicht registriert

12.09.18 11:31
Antennow

nicht registriert

Re: Telefunkon III/1926 A

Hallo Forum,

Liest man den Schaltplan, muß man sich als erstes zwischen allen Batterieanschlüssen Kapazitäten nach Masse denken, damit man überhaupt die Fußpunkte der einzelnen Stufen findet.
Auch vermißt man erstmal den HF-Fußpunkt der HF-Stufe. Am "kalten Ende" des HF-Eingangskreises habe ich deshalb hilfsweise den roten Kondensator nach Masse eingezeichnet. In der Praxis wird der wahrscheinlich durch die Kapazität nach Masse des NF-Übertragers realisiert.

Somit sehe ich folgenden Signalweg:

1. Röhre 2 verstärkt nach induktiv variabler Einkopplung und Vorselektion die Antennenspannung
2. Einkopplung in Audionkreis mit induktiv regelbarer Rückkopplung
3. Röhre 4 arbeitet als Audion mit Demodulation und NF-Verstärkung und Auskopplung auf NF-Übertrager und Telefonhörer
4. Übertragene NF wird über HF-Kreis in Röhre 2 verstärkt, Auskopplung über zweiten NF-Übertrager zur Endverstärkung in Röhre 3

1926 hing da sicher ein Trichterlautsprecher dran, dessen System noch vom Telefonhörer abgeleitet war.



Die Signalwege habe ich farbig in den Schaltplan eingezeichnet.

Wie seht ihr das?

Antennow

ps. während ich noch gezeichnet habe, hat Rainer schon mal mit gleichem Ergebnis "vorgearbeitet" :-)

Zuletzt bearbeitet am 12.09.18 21:50

Datei-Anhänge
Telefunkon III1926 Signalweg.jpg Telefunkon III1926 Signalweg.jpg (368x)

Mime-Type: image/jpeg, 149 kB

12.09.18 11:35
wumpus 

Administrator

12.09.18 11:35
wumpus 

Administrator

Re: Telefunkon III/1926 A

Hallo Wolfgang,


richtig, besser wäre der Pfeil daneben gewesen, habe das korrigiert. Auf dem Schaltbild ist der Massepunkt über den Röhrenheizfaden an dem kalten Ende des Drehkos auch nur rudimentär zu sehen...

Hatte ja scho erwähnt, dass ich die Beschreibung von Dir wahrscheinlich fehlgedeutet habe...

Wie dem auch sein ist und bleibt der Telefunkon III in seinen Bau-Varianten schon ein Schmuckstück. Ich überlege gerade, ob ich andere Radios kenne, die den Frequenzwechsel ebenfalls mittels Schubladen gemacht haben ???

Grüße von Haus zu Haus
Rainer, DC7BJ (Forumbetreiber)
Ein Leben ohne Facebook ist möglich und sinnvoll.

Welt der alten Radios:
http://www.welt-der-alten-radios.de

Wumpus-Gollum-Forum:
http://www.wumpus-gollum-forum.de/forum

Virtuelle Voxhaus-Gedenktafel:
http://www.voxhaus-gedenktafel.de

Wumpus bei youtube:
https://www.youtube.com/user/MyWumpus

12.09.18 11:42
Antennow

nicht registriert

12.09.18 11:42
Antennow

nicht registriert

Re: Telefunkon III/1926 A

Rainer, die "modernen" Schubladen waren die Spulenrevolver.

Antennow

 1 2 3 4
 1 2 3 4
bearbeitet   youtube   Lautsprecher-Anschluss   Eingangsschwingkreises   Telefunken-Sportempfänger   Niederfrequenzverstärkung   Originalbedienungsanleitung   „Einknopfabstimmung   Vierröhrenempfängers   Forumbetreiber   Dreiröhren-Reflex-Empfänger   Voxhaus-Gedenktafel   welt-der-alten-radios   Schaltbild   Telefunkon   Textmengenbegrenzung   Wumpus-Online-Museum   Hochfrequenz-Verstärkerröhre   Rundfunksendestationen   Wumpus-Gollum-Forum