| Passwort vergessen?
Sie sind nicht angemeldet. |  Anmelden

Sprache auswählen:

Wumpus Gollum Forum von
Wumpus Welt der (alten) Radios
Sie sind nicht angemeldet.
 Anmelden

Lumophon
  •  
 1 2 3 4 5
 1 2 3 4 5
06.09.09 09:01
Franz 

0-49 Punkte

06.09.09 09:01
Franz 

0-49 Punkte

Re: Lumophon

Hallo Florian.
ich habe gerade in meinen Unterlagen eine Schaltung gefunden, die mit sehr grosser Wahrscheinlichkeit der originalen entspricht. Es sind alle von Dir genannten Elemente darin vorhanden. Aufgrund der Begrenzung kann sie hier noch schlecht dargestellt werden. Wenn Du mir per PN Deine postalische Addresse nennst, schicke ich sie Dir zu.
Grüsse Franz

!
!!! Fotos, Grafiken nur über die Upload-Option des Forums, KEINE FREMD-LINKS auf externe Fotos.    

!!! Keine Komplett-Schaltbilder, keine Fotos, keine Grafiken, auf denen Urheberrechte Anderer (auch WEB-Seiten oder Foren) liegen!
Solche Uploads werden wegen der Rechtslage kommentarlos gelöscht!

Keine Fotos, auf denen Personen erkennbar sind, ohne deren schriftliche Zustimmung.

Den Beitrag-Betreff bei Antworten auf Threads nicht verändern!
06.09.09 09:21
Franz 

0-49 Punkte

06.09.09 09:21
Franz 

0-49 Punkte

Re: Lumophon

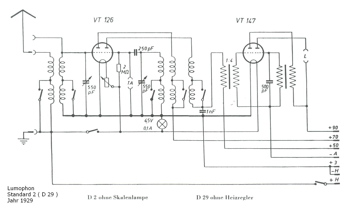
hallo Florian,
noch ein Lumophon-Schaltbild zur Orientierung. Grüsse Franz

Datei-Anhänge
standard_2_d29.jpg standard_2_d29.jpg (418x)

Mime-Type: image/pjpeg, 89 kB

06.09.09 12:54
Pendler2007 

500 und mehr Punkte

06.09.09 12:54
Pendler2007 

500 und mehr Punkte

Re: Lumophon

Hallo Franz.

Vielen Dank für Deine Bemühungen.So ähnlich könnte die Originalschaltung durchaus ausgesehen habe.Danke.
Nun wird es mir langsam unheimlich,das Projekt wird doch aufwändiger als gedacht.Aber das reizt
mich auch irgendwie.
Schick mir doch bitte per PN deine Anschrift etc...dann würde ich Dein Angebot des Übertragers gerne
annehmen.
Mal schauen ob ich mit Jürgens Hilfe zu den entsprechenden Spulen komme,dann kann es losgehen.

Allen noch viel Spaß hier und ein schönes Wochenende.

PS: Hier gilt wirklich das Motto: Da werden Sie geholfen.Find ich echt klasse.

MfG,

Florian



06.09.09 14:23
roehrenfreak

nicht registriert

06.09.09 14:23
roehrenfreak

nicht registriert

Re: Lumophon

Hi Florian,

die Schaltung vom Franz ist im Prinzip die gleiche, welche auch ich hier vorliegen habe, nur etwas anders. Bei meinem Plan hat man nämlich die Koppelspule im Anodenzweig der HF-Vorstufe an einer falschen Stelle gezeichnet. Das war der Grund, warum ich mich mit dem Einstellen der Schaltung hier zurück gehalten habe. Damit sie brauchbar wird, hätte ich sie erst umzeichnen müssen. Im Großen und Ganzen könnte sie - von der Bandumschaltung einmal abgesehen, welche bei Deinem Gerät ja mit Steckspulen passiert - sehr gut hinkommen. Das Problem wird die Beschaffung der Doppeltrioden sein. Auf den nächsten Radiobörsen sollten wir mit geschärftem Blick danach Ausschau halten, das wäre vielleicht eine Möglichkeit.

Die Spulen sind keine große Herausforderung für mich. Die kannst Du aus alter Freundschaft als individuelle Sonderanfertigung bei mir selbst wickeln lassen. Vorher solltest Du mit den bei mir bereits existierenden Exemplaren Empfangsversuche durchführen, um die Windungszahlen möglichst genau zu ermitteln. Und zu guter Letzt: Eine Hand voll Stecksockel mit einer Einfaßbreite von 13,8mm müßtest Du noch organisieren (siehe Bild). Die sonstigen Grundmaße lauten L=35mm, B=16mm, H=20mm, Stärke des Bodens 5mm. So etwas kann man aus Pertinax-Vollmaterial herstellen (ausfräsen, richtige Sauerei) oder aus Platinen(resten) zusammen kleben. Die Steckstifte stammen von normalen Bananensteckern.

Freundliche Grüsse,
Jürgen rf

Noli turbare circulos meos (Störe meine KREISE nicht! - Archimedes)

Datei-Anhänge
wabesockel01.jpg wabesockel01.jpg (398x)

Mime-Type: image/jpeg, 88 kB

06.09.09 14:28
Pendler2007 

500 und mehr Punkte

06.09.09 14:28
Pendler2007 

500 und mehr Punkte

Re: Lumophon

Hallo nochmal

Ich habe nun mal in meinem Röhrenfundus gestöbert.
Ich denke ich werde folgende Röhren für den groben Aufbau verwenden,da die Originalröhren wirklich
nicht zu finden sind.

1. RE 144 als Audion

2. Re 074 als NF Vorstufe

3. Re 134 als NF Endstufe.

Spricht etwas gegen diese Kombination?
Da ich nur 3 Fassungen zur Verfügung habe,muss ich mich entscheiden.Entweder HF Vorstufe
oder NF Endstufe weglassen?

Vielen Dank für eventuelle Hinweise oder Alternativen.

MfG,

Florian


06.09.09 14:49
roehrenfreak

nicht registriert

06.09.09 14:49
roehrenfreak

nicht registriert

Re: Lumophon

Hi Florian,

eine RE134 als NF-Verstärker sollte in Verbindung mit einem hochohmigen LS bereits ausreichende Lautstärken liefern. Der Bau eines Vorstufen/Audion-Empfängers wäre für meine Begriffe die reizvollere Altenative und Herausforderung. Damit kämen auch alle noch vorhandenen Bedienelemente wieder zum Einsatz. Mein Staßfurt L4 ist ja ähnlich aufgebaut. Und er funzt so ganz prächtig! Aber das mußt letzten Endes Du entscheiden.

Freundliche Grüsse,
Jürgen rf

Noli turbare circulos meos (Störe meine KREISE nicht! - Archimedes)

06.09.09 15:07
Pendler2007 

500 und mehr Punkte

06.09.09 15:07
Pendler2007 

500 und mehr Punkte

Re: Lumophon

Hallo Jürgen.

Danke für den Hinweis,dass ich keine NF Vorstufe benötige,da war ich mir unsicher.
Gut,dann wird die zusätzliche Fassung mit einer HF Vorstufe bestückt,falls ich noch eine Europafassung
bekomme.
Ich werde mir wohl mit einem Stück Pertinacht und Buchsen eine selbst fertigen müssen.

Die Stecker für die Spulen sind in Arbeit.Ich versuche gerade einen halbwegs schmucken Sockel um die Stecker
mit Silikonmasse zu gießen.Mal schauen wie das Ergebnis aussieht wenn das eklige Zeugs fest geworden ist.

MfG,

Florian

06.09.09 18:01
Franz 

0-49 Punkte

06.09.09 18:01
Franz 

0-49 Punkte

Re: Lumophon

Hallo Florian, die Schaltung ist per pn an Dich abgeschickt. Eine RE084 kann ich auch noch beisteuern. Dann sind die 4 dafür benötigten Trioden ja zusammen. Gruss Franz

06.09.09 18:11
roehrenfreak

nicht registriert

06.09.09 18:11
roehrenfreak

nicht registriert

Re: Lumophon

Hi Florian,

sollte wider Erwarten die Verstärkung nicht ausreichen, kann noch ein "Artefact" mit einer "getarnten" ECC83 nachhelfen. Dazu wird ein 5poliger Europa-Sockel und der heile, aber ausgeweidete Glaskolben z.B. einer geschrotteten RES164 benötigt. Die Schaltung läßt sich komplett an einer Noval-Fassung aufbauen und im Euopa-Sockel versenken. Schaltung zum Experimentieren im Bildanhang. Erwarte keine Brülllautstärke aber dafür Verstärkung kleinster Signale auf einen ordentlichen Pegel.

Freundliche Grüsse,
Jürgen rf

Noli turbare circulos meos (Störe meine KREISE nicht! - Archimedes)

Datei-Anhänge
ecc83amp01.jpg ecc83amp01.jpg (377x)

Mime-Type: image/jpeg, 97 kB

06.09.09 18:50
Pendler2007 

500 und mehr Punkte

06.09.09 18:50
Pendler2007 

500 und mehr Punkte

Re: Lumophon

Hallo Franz,hallo Jürgen.

Der Schaltplan ist angekomen,danke.
Die Schaltung lässt sich denke ich gut umsetzen.
Die Doppeltrioden werde ich durch jeweils zwei RE.. "simulieren".Werde versuchen mir einen
Adaptersockel zu basteln,den ich mit den beiden Trioden dann einfach in jeweils eine Fassung stecken kann.
Mal schauen o ich das hinbekomme.

MfG,

Florian

 1 2 3 4 5
 1 2 3 4 5
Aufwärtstransformation   schwingungsgedämpfte   Lautsprecherempfang   Niederfrequenz-Verstärker   Freundliche   Archimedes   Wahrscheinlichkeit   Lumophon   Übertrager   Gitterableitwiderstandes   Gittervorspannungserzeugung   Florian   Übertragungsverhältnis   Frequenzvorwahlschalter   Koppeltrafo-Blechpakete   Niederfrequenz-Übertrager   Gitterableitwiderstand   circulos   Pertinax-Vollmaterial   Schaltung