| Passwort vergessen?
Sie sind nicht angemeldet. |  Anmelden

Sprache auswählen:

Wumpus Gollum Forum von
Wumpus Welt der (alten) Radios
Sie sind nicht angemeldet.
 Anmelden

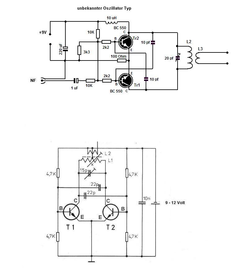
unbekannter Oszillator Typ
  •  
 1
 1
28.05.18 19:08
technikfreund 

500 und mehr Punkte

28.05.18 19:08
technikfreund 

500 und mehr Punkte

unbekannter Oszillator Typ

Hallo Zusammen,

ich habe mal eine Frage zu einem Oszillator.

Auf den ersten Blick sieht die Schaltung aus wie ein Gegentaktoszillator,
der aber zu den gewohnten Schaltungen einige Änderungen aufweist.

U.a ist die Spannungszuführung nicht wie gewohnt in der Spulenmitte sondern
"seitlich" geführt.

Ich habe aus Interesse diesen Oszillator mal aus ein paar ausgelöteten Bauteilen
aufgebaut, er schwingt Problemlos an,
zeigt allerdings im Spektrumanalyzer ein merkwürdiges Verhalten, es sieht fast so aus
als hätte der Oszillator zwei Träger, sehr dich beieinander.

Kann mir jemand mit technischen Informationen zu diesem Oszillator Typ weiterhelfen,
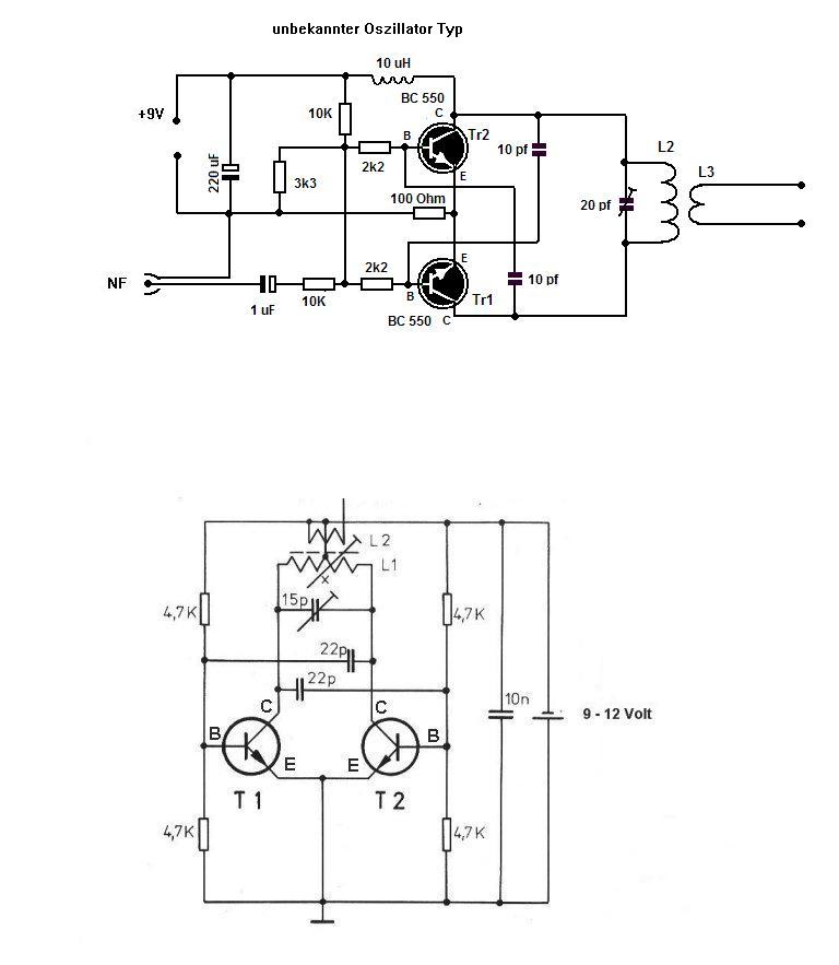
ich habe mal den Schaltplan beigefügt. Dazu noch das sicherlich bekanntere Schaltbild eines
Gegentaktoszillators.

Mich würde interessieren ob dieser Oszillator Typ von der Schaltung her irgendwelche Vorteile gegenüber
dem "normalen" Gegentaktoszillator aufweist.

Und woher vielleicht dieses Verhalten mit den zwei Trägern kommen könnte.



Viele Grüße Technikfreund.

Admin: Da in diesen Thread das Wort "Leistung" auftaucht, also tatsächlich von Senderschaltungen (und nicht Oszillator-Schaltungen) gesprochen wird, verschiebe ich den Thread nach "Amateurfunk", weil nur dort legal über das Thema im WGF diskutiert werden kann und setze UKW mit 144-146 MHz gleich.

Datei-Anhänge
Unbenannter Oszillator.JPG Unbenannter Oszillator.JPG (365x)

Mime-Type: image/jpeg, 48 kB

Noch gefällt der Beitrag keinem Nutzer.
!
!!! Fotos, Grafiken nur über die Upload-Option des Forums, KEINE FREMD-LINKS auf externe Fotos.    

!!! Keine Komplett-Schaltbilder, keine Fotos, keine Grafiken, auf denen Urheberrechte Anderer (auch WEB-Seiten oder Foren) liegen!
Solche Uploads werden wegen der Rechtslage kommentarlos gelöscht!

Keine Fotos, auf denen Personen erkennbar sind, ohne deren schriftliche Zustimmung.

Den Beitrag-Betreff bei Antworten auf Threads nicht verändern!
03.06.18 11:53
Martin.M 

500 und mehr Punkte

03.06.18 11:53
Martin.M 

500 und mehr Punkte

Re: unbekannter Oszillator Typ

hallöchen,
dein Lieblingsthema hält dich ja richtig in Schwung

Der obere ist auch ein Gegentakter, ob man dem die Spannung am Mittelabgriff oder verdrosselt von der Seite zuführt ist bei den 5 Windungen für UKW theoretisch unwichtig.
Als weiteren Unterschied findest du den 100 Ohm unten der die Stromaufnahme erheblich begrenzt und so auch für deutlich stabilere Verhältnisse sorgt, die Schaltung aus dem Topp-Heftchen ist ein Leistungsoszillator und noch instabiler in der Ausgangsfrequenz. Zudem haben beide eine "Modulation" die sowohl AM als auch FM liefert.

Der Weg zu einem richtig netten UKW Senderchen ist steinig, das sind alles nur Kompromisse die keine wahre Freude machen. Das "Problem" scheint zu sein daß du ein Quarz nicht einfach frequenzmodulieren kannst. Ich mach mir nun mal die Mühe und schreib dir dazu ein par Sachen hin.

Ein so richtig feines Senderchen (Prüfgenerator..) , mit schöner sauberer FM.

1.) Als erstes baust du dir eine hochstabile Versorgung für den Oszillatorteil, das ist wichtig.
2.) Bau die nun einen stabilen Oszillator mit 2-3 MHz, abstimmbar, und frequenzmodulierbar mit 2 Kapdioden.
3.) Schließ den an die hochstabile Versorgung an.

du hast nun eine FM mit 2-3MHz Grundfrequenz.

Nun baust du dir einen Quarzoszillator für 50MHz und schließt den ebenfalls an die stabile Versorgung an.
Nun mix die beiden mit einem Dual Gate mosfet, BF 961 oder sowas, auf 52-53MHz hoch.

Nun baust du dir eine Treiberstufe und setzt der einen Parallelkreis für die erste Harmonische, deine UKW-Frequenz (~ 104MHz)
Fütter mit der Auskoppelwicklung davon den 2N3553, geb dem oben eine UKW Drossel und löte ein Pi Filter dahinter um Nebenwellen zu unterdrücken und korrekt an die Buchse anzupassen. Der Leistungstransistor ist vor der Stabilisierung anzuklemmen, dem genügt ungeregelte Gleichspannung.

Also nochmal in Kurzform.

FM Oszillaor mit 2-3MHz + Quarzoszillator 50MHz -> mischen auf 52-53MHz -> Verdoppler/Treiber 104MHz -> Endstüfchen -> L-C-L-C Ausgangsfilter -> 50Ohm Buchse.

Funktion. Die 2-3MHz steht relativ stabil und ist sauber frequenzmodulierbar. Die 50MHz kommen von einem Quarz. Das mischprodukt erfüllt also nun schon gewisse Ansprüche. Es läßt sich mit einem Kreis ordentlich verdoppeln und schon ist das Gewünschte STABIL verfügbar.

Der Rest ist Pegel anheben und Tiefpass / Impedanzkorrektur.
Von selbstschwingenden Leistungsoszillatoren verabschiede dich bitte, die taugen nur für Versorgungszwecke.

Viel Spaß
lG Martin

So sollte das klappen

Zuletzt bearbeitet am 03.06.18 12:08

03.06.18 16:30
technikfreund 

500 und mehr Punkte

03.06.18 16:30
technikfreund 

500 und mehr Punkte

Re: unbekannter Oszillator Typ

Hi Martin,

danke schonmal für deine Antwort.

Ja, die lieben Leistungsoszillatoren und sogenannten "Prüfsenderchen" mit der Antenne direkt an der Oszillatorspule taugen in der Tat nichts.

Gegentaktstufen kenne ich eigentlich auch eher mit Röhren (z.b. ECC85 im Gegentakt), die ist da recht stabil.

Für UKW habe ich einen anderen Oszillatortyp weiterentwickelt, der recht stabil ist, allerdings immernoch ohne PLL arbeitet.

Ich habe zwar eine PLL nachgebaut, die will aber noch nicht so recht die Spannung nachregeln, bin da noch nicht mit weiter...

Ganz nebenbei, natürlich könnte ich mir alles fertig mit PLL in der Bucht kaufen, das wäre aber langweilig, weil mein Hobby heißt basteln, ausprobieren mit Erfolg und Misserfolg.

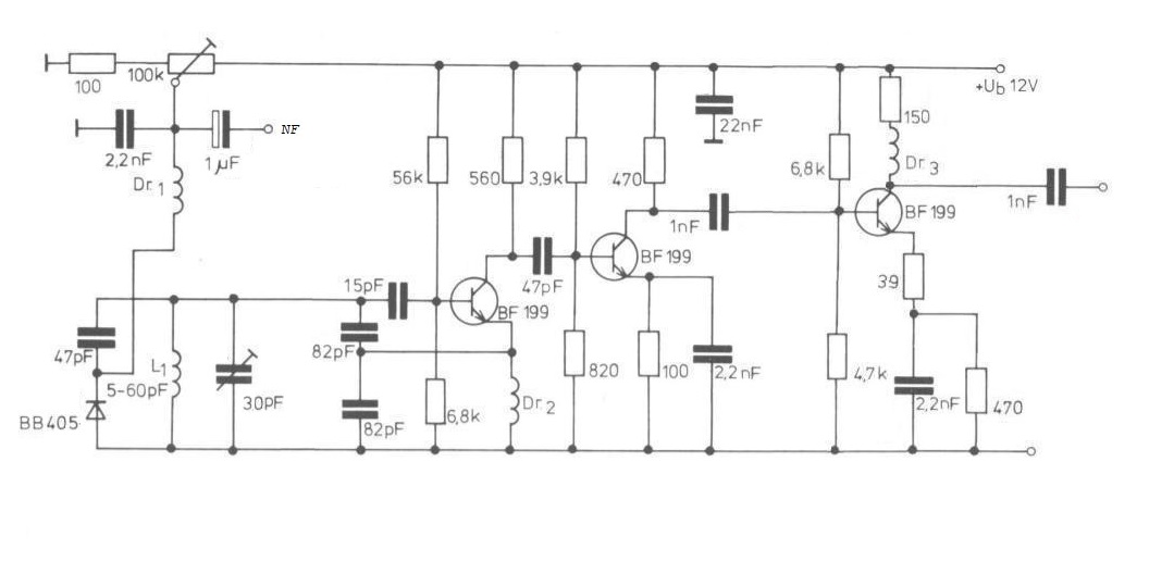
Anbei mal ein Bild von meinem Oszillator.



Ich bin mir nicht mehr sicher, ist das jetzt ein Colpitts oder Clapp Oszillator?

Viele Grüße Technikfreund.

Datei-Anhänge
Oszillator.jpg Oszillator.jpg (364x)

Mime-Type: image/jpeg, 74 kB

03.06.18 21:00
Martin.M 

500 und mehr Punkte

03.06.18 21:00
Martin.M 

500 und mehr Punkte

Re: unbekannter Oszillator Typ

technikfreund:
Ja, die lieben Leistungsoszillatoren und sogenannten "Prüfsenderchen" mit der Antenne direkt an der Oszillatorspule taugen in der Tat nichts.

Ich bin heilfroh daß du das endlich eingesehen hast
Deswegen stell ich gleich noch dahinter: man koppelt NIE direkt am letzten Transistor aus. Das kann man mal bei einer Fernbedienung für die Garage machen, die stört nur 2 Sekunden lang die anderen. Ansonsten setze Tiefpass mit f mitte < 1. harmonische von der Sendefrequenz und pass das gleich sauber an den Ausgang an. Das ist Fummelei, ja ! Aber es gehört sich so und man freut sich später dass man es so gemacht hat.

Der vorgeschlagene Verdoppler hat übrigends einen nicht direkt sichtbaren Vorteil: Da es um FM geht, selbstverständlich verdoppelt sich hier auch der Modulationshub mit, man muß also den eigentlichen Oszillator nicht so arg aussteuern.


lG Martin

 1
 1
Quarzoszillator   Senderschaltungen   Leistungsoszillatoren   Oszillator   Spannungszuführung   selbstverständlich   Gegentaktoszillators   Spektrumanalyzer   weiterentwickelt   Leistungstransistor   Auskoppelwicklung   Ausgangsfrequenz   frequenzmodulieren   selbstschwingenden   frequenzmodulierbar   Gegentaktoszillator   Leistungsoszillator   Oszillator-Schaltungen   Impedanzkorrektur   Versorgungszwecke