| Passwort vergessen?
Sie sind nicht angemeldet. |  Anmelden

Sprache auswählen:

Wumpus Gollum Forum von
Wumpus Welt der (alten) Radios
Sie sind nicht angemeldet.
 Anmelden

Langdrahtsendeantenne für das 40m-Band
  •  
 1 2
 1 2
07.05.17 20:37
technikfreund 

500 und mehr Punkte

07.05.17 20:37
technikfreund 

500 und mehr Punkte

Langdrahtsendeantenne für das 40m-Band

Hallo Zusammen!

Ich versuche gerade eine Langdrahtsendeantenne für das 40m Band aufzubauen.

Einen Antennentuner habe ich schon aufgebaut, die Antenne selbst besteht aus einem Draht Cu 1,5mm²
von ca. 20-25 m Länge, er geht aus dem Zimmerfenster zu einem Baum (ca. 2m Hoch) und verläuft von dort
aus zu einer Laterne im Garten, dort ist der Draht an einem 50cm langen Nylonseil an der Antenne befestigt.

Ich habe versucht die Antenne anzupassen, bisher war ich nicht so erfolgreich. Ich vermute, dass die Grundgegebenheiten
nicht passen, weshalb die Antenne nicht gut abstrahlen kann.

Vorallem die geringe Höhe über Grund macht mir ein bisschen Kummer. Habe aber keinen höheren Punkt als den Baum, um die Antenne Richtung Laterne zu führen.

Anbei mal die Zeichnung des Antennentuners und die Konstellation der Antenne.

Ich freue mich über eure Antworten.

Viele Grüße

Technikfreund.







Admin: In Deutschland ist das Senden auf dem 40-Meter Kurzwellenband gesetzlichen Normen unterworfen. So dürfen dort z.b. nur Funkamateure nach ablegen einer Prüfung aktiv werden.

Datei-Anhänge
Antennentuner neu.JPG Antennentuner neu.JPG (368x)

Mime-Type: image/jpeg, 63 kB

Antenne Aufbau.JPG Antenne Aufbau.JPG (363x)

Mime-Type: image/jpeg, 17 kB

Noch gefällt der Beitrag keinem Nutzer.
!
!!! Fotos, Grafiken nur über die Upload-Option des Forums, KEINE FREMD-LINKS auf externe Fotos.    

!!! Keine Komplett-Schaltbilder, keine Fotos, keine Grafiken, auf denen Urheberrechte Anderer (auch WEB-Seiten oder Foren) liegen!
Solche Uploads werden wegen der Rechtslage kommentarlos gelöscht!

Keine Fotos, auf denen Personen erkennbar sind, ohne deren schriftliche Zustimmung.

Den Beitrag-Betreff bei Antworten auf Threads nicht verändern!
07.05.17 21:33
Martin.M 

500 und mehr Punkte

07.05.17 21:33
Martin.M 

500 und mehr Punkte

Re: Langdrahtsendeantenne für das 40m

versuch die mal so anzupassen: 500pF Drehko in Serie mit dem Draht.
Falls der Draht blank ist kommt vor dem Drehko noch ein Gaslämpchen gegen Masse, zum knacksfreien abfackeln statischer Aufladung.
Der Tip gilt nur für Empfänger, nicht für TRX ! Es gibt Radios die haben den schon dafür eingebaut, zB Collins.

lG Martin

Zuletzt bearbeitet am 07.05.17 21:37

08.05.17 08:02
wumpus 

Administrator

08.05.17 08:02
wumpus 

Administrator

Re: Langdrahtsendeantenne für das 40m

Hallo Technikfreund,

welche Ausgangsimpedanz hat der AFU-Sender? 52 Ohm?
Ist dort ein unsymmetrischer niederohmiger Ausgang vorhanden?

Für einen niederohmigen (52 Ohm) unsymmetrischen Ausgang nutzt man zur Ankopplung einer zu kurzen Drahtantenne am besten ein Pi-Filter. Im www findest Du einige gute Bauanleitungen. Durch dieses Filter sieht der Sender immer 52 Ohm, auch wenn die antenne andere Werte hat. So erreicht man für den Sender ein scheinbar gutes Stehwellenverhältnis. Richtige Werte mit Stehwellenmessbrücke direkt am Senderausgang noch vor dem Pi-Filter für die jeweilige Frequenz prüfen.

Beachte die Notwendigkeit, für die Pi-Filter Drehkos große Plattenabstände zu wählen.

Schon die Amateurfunkprüfung bestanden?

Beachte bitte auch die EMV-Bestimmungen:
https://de.m.wikipedia.org/wiki/Elektrom...%C3%A4glichkeit


Grüße von Haus zu Haus
Rainer (Forumbetreiber)

Welt der alten Radios:
http://www.welt-der-alten-radios.de

Wumpus-Gollum-Forum:
http://www.wumpus-gollum-forum.de/forum

Rettet unsere Radios:
http://www.welt-der-alten-radios.de/home...radios-467.html

Virtuelle Voxhaus-Gedenktafel:
http://www.voxhaus-gedenktafel.de

Zuletzt bearbeitet am 08.05.17 08:34

08.05.17 08:26
HB9 

500 und mehr Punkte

08.05.17 08:26
HB9 

500 und mehr Punkte

Re: Langdrahtsendeantenne für das 40m

Hallo Technikfreund,

der Drehko ist für diesen Fall der Anpassung auf der falschen Seite der Spule. Die angegebene Drahtlänge von 20..25m ergibt im 40m-Band mehr oder weniger eine Halbwellenantenne, und die ist hochohmig, somit braucht es eine Hochtransformation der Impedanz vom Sender zur Antenne. Das L-Glied hat aber die hohe Impedanz auf der Seite des Kondensators. Ein Pi-Glied kann in beide Richtungen transformieren und ist daher universeller. Wie Rainer schon angedeutet hat, braucht der Kondensator auf der Antennenseite für Sendebetrieb grössere Plattenabstände, da hier die HF-Spannung recht gross werden kann (mehrere 100V).

Gruss HB9

08.05.17 08:55
WalterBar 

500 und mehr Punkte

08.05.17 08:55
WalterBar 

500 und mehr Punkte

Re: Langdrahtsendeantenne für das 40m

Hallo Technikfreund,

spannungsgespeiste Langdrähte wie hier lassen sich hervorragend als Sendeantenne verwenden, wie ich früher selbst erfahren konnte. Allerdings wird die nötige Kapazität zur Anpassung mitunter sehr klein und durch die schädlichen Kapazitäten z.B. durch die Fensterdurchführung überlagert, wenn der aufgehängte Draht ein oder ein Vielfaches der halben Wellenlänge lang ist. Ich habe daher immer eine resonante Länge der Antenne vermieden, damit für einen Abgleich auf SWR 1:1 Kapazität verbleibt. Oft war es so, dass ich nur die Spule brauchte und das SWR nicht unter 1:2 abstimmbar war. Das gilt für den antennenseitigen Kondensator der Pi-Schaltung. Der auf der niederohmigen Seite zum Sender liegende Kondensator kann auch grössere Werte benötigen (z.B. 160m 3-4nF).
Wie HB9 erwähnte, sind die Spannungen erheblich und mit einem normalen Rundfunkdreho wirst Du nicht weit kommen. Wir wissen auch nicht, wie hoch die Senderleistung ist. Seinerzeit gab es nur ein Limit der Anodenverlustleistung in der höchsten Lizenzklasse. Da waren 1,5 kW mit 5x PL509 kein Problem. Auf 80m (bei 40m Antennenlänge) konnte man da 3cm Funken mit dem Lötkolben in der Hand ziehen. Auch musste ich aufpassen, dass es keine Überschläge zum Zinkblech des Dachfensters gab. Unsymmetrische Antennen dieser Art neigen aber zu Störungsproblemen in der Nachbarschaft. Das sollte man auch bedenken.

Gruss
Walter

Zuletzt bearbeitet am 08.05.17 09:26

09.05.17 05:55
technikfreund 

500 und mehr Punkte

09.05.17 05:55
technikfreund 

500 und mehr Punkte

Re: Langdrahtsendeantenne für das 40m

Hallo Zusammen!

Ich werde den Antennentuner so umbauen, das ich den Drehkondensator vor - oder hinter die Spule schalten kann,
dann ist der Antennentuner universell einsetzbar.

Die Ausgangsleistung der Endstufe beträgt ungefähr 1 Watt,
der Ausgang der Endstufe ist schon recht hochohmig angepasst mittels Spulen und Festkondensatoren.

Vielen Dank schonmal für eure Antworten.

Grüße Technikfreund.

Zuletzt bearbeitet am 09.05.17 05:58

09.05.17 09:06
wumpus 

Administrator

09.05.17 09:06
wumpus 

Administrator

Re: Langdrahtsendeantenne für das 40m

Hallo Technikfreund,

eine Variante des Pi / Collins-Filter als Antrennentuner:

https://www.darc-coburg.de/modules/wiwim...p?page=kw-tuner


Grüße von Haus zu Haus
Rainer (Forumbetreiber)

Welt der alten Radios:
http://www.welt-der-alten-radios.de

Wumpus-Gollum-Forum:
http://www.wumpus-gollum-forum.de/forum

Rettet unsere Radios:
http://www.welt-der-alten-radios.de/home...radios-467.html

Virtuelle Voxhaus-Gedenktafel:
http://www.voxhaus-gedenktafel.de

09.05.17 10:08
WalterBar 

500 und mehr Punkte

09.05.17 10:08
WalterBar 

500 und mehr Punkte

Re: Langdrahtsendeantenne für das 40m

Hallo Rainer,

genau so sah meine Anpasskiste 1970 aus, den antennenseitigen Kondensator habe ich soeben auf einem alten Foto entdecken können. Leider nicht die Kupferrohrspule, die auf jeder Windung eine aufgelötete Telefonbuchse hatte. Bei 1,5kW war ein Schalter nicht so zweckmässig.

Hätte ich nur 1W zur Verfügung, würde ich eine Schaltung bevorzugen, die schaltbar in eine Widerstandsbrücke eingebunden ist. Das hat den Vorteil, dass der Sender während des Abstimmens immer einen sauberen mit SWR1:<=2 Abschluss sieht, selbst wenn die Antennenimpedanz zwischen Leerlauf und Kurzschluss liegt, was in diesem Extrem nicht vorkommt. Bei minimalem Brückenstrom im Anzeigeinstrument ist nach dem Umschalten auch zuverlässig das SWR 1:1 vorhanden. Leider habe ich keine Schaltung hierzu griffbereit. Das ZM4 arbeitet nach dem Prinzip, die Anpasschaltung ist aber anders und es werden Leuchtdioden als Anzeige verwendet. So etwas ist zu grob und erleichtert den Abgleich nicht unbedingt. Besser ist ein Poti und Drehspulinstrument.



Gruss
Walter

Datei-Anhänge
150pF Drehko 1970.jpg 150pF Drehko 1970.jpg (349x)

Mime-Type: image/jpeg, 124 kB

09.05.17 17:05
WalterBar 

500 und mehr Punkte

09.05.17 17:05
WalterBar 

500 und mehr Punkte

Re: Langdrahtsendeantenne für das 40m

Hallo zusammen,

ein einfaches LC-Anpassgerät mit Abgleichbrücke könnte so aussehen. Das Gerätchen ist - wie ich - auch längst in Rente.

Gruss
Walter

Datei-Anhänge
LC-Anpassgerät von vorne.JPG LC-Anpassgerät von vorne.JPG (372x)

Mime-Type: image/jpeg, 68 kB

LC-Anpassgerät von hinten.jpg LC-Anpassgerät von hinten.jpg (381x)

Mime-Type: image/jpeg, 107 kB

12.05.17 07:24
technikfreund 

500 und mehr Punkte

12.05.17 07:24
technikfreund 

500 und mehr Punkte

Re: Langdrahtsendeantenne für das 40m

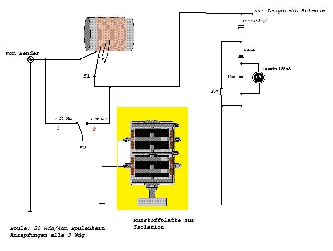
Hallo Zusammen!

So sähe der angepasste Schaltplan vom Antennentuner aus.
Der Ausgang meiner Endstufe ist recht hochohmig, so müsste der Schalter S2 bei mir in Schaltstellung "2" stehen,
um den hochohmigen Ausgang an meine Langdrahtantenne anzupassen.

Wenn heute noch meine Stufenschalter kommen werde ich den Tuner fertig bauen.


Viele Grüße Technikfreund.

Datei-Anhänge
Antennentuner.jpg Antennentuner.jpg (470x)

Mime-Type: image/jpeg, 105 kB

 1 2
 1 2
Wanderwellenleitung   welt-der-alten-radios   Oberwellenfilterung   Wumpus-Gollum-Forum   spannungsgekoppelte   Langdrahtsendeantenne   Stehwellenverhältnis   Amateurfunkprüfung   Halbwellenantennen   Technikfreund   Anodenverlustleistung   Breitbandübertragern   Resonanztransformation   Langdrahtantenne   Fensterdurchführung   Transistorendstufen   Stehwellenmessbrücke   Hochtransformation   Voxhaus-Gedenktafel   Amateurfunkbereich