| Passwort vergessen?
Sie sind nicht angemeldet. |  Anmelden

Sprache auswählen:

Wumpus Gollum Forum von
Wumpus Welt der (alten) Radios
Sie sind nicht angemeldet.
 Anmelden

Senderversorgter Detektorempfänger mit NF-Verstärker
  •  
 1 2
 1 2
05.06.11 21:54
uwe_thomas 

250-499 Punkte

05.06.11 21:54
uwe_thomas 

250-499 Punkte

Senderversorgter Detektorempfänger mit NF-Verstärker

Hallo alle zusammen

Hier mein neuestes Bauprojekt:

3-Wellen Detektorempfänger mit 3stufigem NF-Verstärker, versorgt durch den stärksten MW-Ortssender .
Bei mir hier in Berlin-Lichtenberg ist das der DLR-Kultur auf 990kHz.

Empfangsbereiche: MW, KW und UKW
KW: 49m bis 13m


Ich betreibe den Detektor mit einer Art Trichterlautsprecher. Die erzielbare Lautstärke ist gar nicht mal so gering, klingt nur ein wenig nach Blech.


Im Fuß des Lautsprechers versteckt sich ein Mitteltontreiber (500Hz -15kHz), der über ein Papprohr auf den Trichter arbeitet.

Nun zum eigentlichen Empfänger.

Hier der Stromlaufplan:


Den Schwingkreis zur Senderversorgung bildet ein Variometer in Verbindung mit einer Antenne.
Bei mir sind das 4m 1,5er Litze. Damit ergibt sich bei ca 70% der maximalen Induktivität des Variometers (800µH) der Empfang auf 990kHz.

Die Gleichrichtung, ein Kapitel für sich:

Bei der Gleichrichtung nutze ich beide Halbwellen des Signals aus.
Die positive Halbwelle speist die beiden Vorstufen; die negative die Endstufe. Deshalb sind in den Vorstufen npn-Transistoren und in der Endstufe ein pnp-Transistor verbaut.
Der Kondensator C4 an der Anzapfung des Variometers erhöhte die nutzbare Spannung um 0,2V. Warum, weiss ich nicht.
Es ergeben sich nach Gleichrichtung Spannungen von ca +1,25V (Vorstufen) und -0,95V (Endstufe). Damit kann man was anfangen.
Ich habe auch versucht, nur mit einer (positiven) Spannung auszukommen; es ergaben sich dann nicht mehr als 0,8V.
Andere Dioden (AA112/113/119 oder BAT 41/43/48) brachten höchstens 80% der Spannung, die sich bei Verwendung der BAT15 ergibt.
Auch der Anschluss der Dioden an den vollen Schwingkreis brachte weniger Spannung.


NF-Verstärkung:

Eigentlich nichts besonderes, ausser das die Lautstärke 2mal (vor der 1. und vor der 2. Stufe) geregelt wird.
Warum? Der 3stufige Verstärker rauscht nicht wenig (trotz Verwendung der BC550C). Regle ich vor der 2. Stufe, regle ich zwar das Rauschen mit runter, allerdings übersteuert ein starker Sender schon die erste Stufe. Deshalb regle ich 2mal.
Die Lautstärke des Ortssenders war nur so vernünftig einzustellen.

Detektor:

Jeder Wellenbereich hat seine eigene Diode



Der UKW-Kreis besteht aus 2,5mm versilbertem Draht und hat an sich keine Besonderheiten. Allerdings ist gerade im UKW-Bereich die BAT15 den meisten anderen Dioden (die ich kenne, und auch probiert habe) haushoch überlegen.

Der KW-Kreis besteht ebenfalls aus 2,5mm versilbertem Draht und ist relativ groß. Dieser Kreis und die Anzapfung für die Diode (hier AA112) an der Hälfte des Kreises sowie die Hochohmigkeit des nachfolgenden NF-Einganges bedämpft diesen Kreis nur gering, so dass sich eine für ein KW-Gerät ohne Rückkopplung erstaunliche Trennschärfe und Empfindlichkeit ergibt. Es lassen sich gerade auf den höheren Bändern am Tage auch ohne angeschlossene Antenne mehrere Sender empfangen. Abends ist dann mit angeschlossener Antenne kurz nach Sonnenuntergang echt der Teufel los. Macht richtig Spass.
Der Kondensator C14 (15pF) verhindert unerwünschten Empfang von UKW-Stationen. Deshalb konnte ich an dieser Stelle die BAT15 nicht verwenden (die Störungen durch UKW waren nicht beherrschbar).

Der MW-Teil ist ein Zweikreiser, bestehend aus zwei RM6-Kernen M33/AL100 (auf dem Photo sieht man nur einen davon).


Die frequenzunabhängige Kopplung der beiden Kerne machte mir einige Probleme. Ich habs dann so gelöst, indem der erste Schwingkreis über eine einzige Windung auf den 2. Kern eingekoppelt wird. Funktioniert ganz gut.
Abgestimmt werden beide Kreise gemeinsam. Der Gleichlauf wird dadurch hergestellt, dass die wirksame Kapazität der Antenne, die auf den ersten Kreis wirkt, mittels eines Trimmers am zweiten Kreis simuliert wird. Deshalb ist nach dem Antenneneingang der Antennentrimmer vorhanden, der bei vorhandener Antenne nur einmal eingestellt werden muss.
So sind an beiden Schwingkreisen jeweils gleiche Zusatzkapazitäten zum Drehko vorhanden.
Allerdings ist die Einzelabstimmung beider Schwingkreise mit variabler Antennenkopplung an den ersten Kreis besser (wollte ich aber nicht so bauen).
Auch hier ist die BAT15 jeder anderen (von mir getesteten) Diode überlegen. Gerade in Bezug auf die Trennschärfe des zweiten Kreises, da die BAT15 an einer höheren Anzapfung des Kreises liegt (was auch der Empfindlichkeit des gesamten MW-Teils zugute kommt.
Empfang:
UKW: 7 Stationen, davon 4 richtig laut
MW: abends jede Menge, am Tag 3 Stationen
KW: nach Sonnenuntergang auf allen Bändern viele Stationen

Klang/Lautstärke: am ehesten einem Grammofon entsprechend

Vielleicht kann ich hiermit die Diskussion um dieses Thema wieder etwas anfeuern.

Vielen Dank für Euer Interesse
Uwe Thomas

Zuletzt bearbeitet am 05.06.11 22:10

Datei-Anhänge
Vorderansicht.jpg Vorderansicht.jpg (463x)

Mime-Type: image/jpeg, 143 kB

Lautsprecher.jpg Lautsprecher.jpg (424x)

Mime-Type: image/jpeg, 218 kB

Innenansicht aufgeklappt.jpg Innenansicht aufgeklappt.jpg (428x)

Mime-Type: image/jpeg, 261 kB

Platine.jpg Platine.jpg (404x)

Mime-Type: image/jpeg, 289 kB

Innenansicht.jpg Innenansicht.jpg (433x)

Mime-Type: image/jpeg, 260 kB

aktivdetektor.jpg aktivdetektor.jpg (472x)

Mime-Type: image/jpeg, 73 kB

Aktivdetektor.jpg Aktivdetektor.jpg (521x)

Mime-Type: image/jpeg, 182 kB

Wolle, Roeki59, wumpus und joeberesf gefällt der Beitrag.
!
!!! Fotos, Grafiken nur über die Upload-Option des Forums, KEINE FREMD-LINKS auf externe Fotos.    

!!! Keine Komplett-Schaltbilder, keine Fotos, keine Grafiken, auf denen Urheberrechte Anderer (auch WEB-Seiten oder Foren) liegen!
Solche Uploads werden wegen der Rechtslage kommentarlos gelöscht!

Keine Fotos, auf denen Personen erkennbar sind, ohne deren schriftliche Zustimmung.

Den Beitrag-Betreff bei Antworten auf Threads nicht verändern!
05.06.11 22:56
Roeki59 

250-499 Punkte

05.06.11 22:56
Roeki59 

250-499 Punkte

Re: Senderversorgter Detektorempfänger mit NF-Verstärker

Hallo!

Alle Achtung für das interessante Projekt mit der guten Beschreibung. In einer gut versorgten Region sicher als Nachbau oder für eine Anregung bestens geeignet. Bei mir (Inntal zu Österreich) geht auf LW/MW ohne MK 484 oder ZN414 (TAxxxx) gar nichts.

MfG Volkmar

Alle Stufen schwingen, nur der Oszillator nicht !

06.06.11 06:04
wumpus 

Administrator

06.06.11 06:04
wumpus 

Administrator

Re: Senderversorgter Detektorempfänger mit NF-Verstärker

Hallo Uwe,

ein feines Projekt. Auch der selbst gebaute Lautsprecher gefällt mir. Die Sache mit dem C4 deute ich auf eine so besser erreichbare Resonanzspannung. Vielleicht ist Dein System Variometer / Antenne noch nicht voll resonant? Aber Du sagst ja, bei ca. 70 % L ist für 990 kHz Maximal-Spannung erreicht....

Hast Du mal Versuche gemacht, den Langwellen-Sender in Zehlendorf "anzuzapfen"? Ich frage deshalb, weil u.U. bei zwei zwar getrennten (aber nahen) Antennen, die auf gleicher Frequenz arbeiten, die Kreise sich gegenseitig Energie wegnehmen können.

Gruß von Haus zu Haus Rainer (Forum-Betreiber)

Rettet den analogen deutschen AM / FM - Rundfunk!:
www.rettet-unsere-radios.de

Zuletzt bearbeitet am 06.06.11 06:07

06.06.11 22:09
joeberesf 

500 und mehr Punkte

06.06.11 22:09
joeberesf 

500 und mehr Punkte

Re: Senderversorgter Detektorempfänger mit NF-Verstärker

Hallo Uwe,

ich bin völlig begeistert von Deinem Projekt. Du hast eine tolle Schaltung entwickelt und die
Ausführung ist Dir richtig professionell gelungen. Ich habe mit diesen Schaltungen sehr lange
experimentiert und finde es fantastisch, dass es Dir gelungen ist, sogar einen Trichterlautsprecher
zu betreiben.

Rainers Anmerkungen sind richtig, obwohl auch ich die meiste Energie, nur aus der MW ziehen konnte.
Ich habe das damals noch nicht richtig verstanden, denn hier im Norden von Berlin bietet die besagte
Langwelle mit 200KW, ganz optimale Voraussetzungen. Aber die letztendlich generierte Leistung, an meiner
Spannungsverdopplung, reichte noch nicht aus. Das Problem ist ja nicht nur die Spannung, sondern die zur
Verstärkung benötigte Leistung...also UxI. Beim DLR-Kultur auf LW, kann ich zwar einen Lautsprecher über einen
Übertrager direkt leise betreiben...aber zum senderversorgten Detektor hat es nicht gereicht. (15km)
Ich habe den Eindruck, dass der hohe ohmsche Widerstand/Induktivität der LW- Spule, mit dafür verantwortlich ist
und ein rel. großer Spannungsabfall dort hängen bleibt.

Aus Zehlendorf sendet aber auch auf MW ... die Stimme Russlands, mit einer Leistung von 250KW. Im Winter kann ich ca. 90-130uA bei
ca. 0.8-1,1V generieren. Unbelastet schlägt die Spannungsverdopplung dann bis über 10V aus. Da geht natürlich ne´
ganze Menge.

Nun zurück zu Deinem tollen Radio. Ich habe mal ein paar Fragen zur Schaltung.

Beim UKW- Teil hast Du ja keine UKW- Drossel verwendet. (Hinter der Diode D5 in Reihe)
Hast Du den Empfänger auch mal mit Drossel probiert?

Welche Entfernung hast Du zum Sendemast ? Lichtenberg-Britz ? 10km?

Wie hoch ist die Stromaufnahme (uA) aus der Gleichrichtung ? (Vorstufe+Endstufe)

Wie stark sind die Einsprechungen des Ortssenders auf die Radiobänder MW,KW,UKW?

Welche Aufgabe hat der Widerstand R5 mit 1,8k im UKW- Kreis?

Leidet die Trennschärfe bei KW und UKW nicht durch die direkte Erdverbindung? ( Sind meine Erfahrungen beim Detektorbasteln).

Eine Antennenlänge von nur 4m finde ich erstaunlich. Wohnst Du in einem Hochhaus ?

Beste Grüße

Joe

Zuletzt bearbeitet am 06.06.11 22:32

07.06.11 13:30
uwe_thomas 

250-499 Punkte

07.06.11 13:30
uwe_thomas 

250-499 Punkte

Re: Senderversorgter Detektorempfänger mit NF-Verstärker

Hallo Joe, Hallo Rainer

Vielen Dank für Euer Interesse an meinem Detektor.

An die LW hab ich auch gedacht, es auch getestet.
Allerdings kommt der Sender bei mir nur sehr schwach rein (reicht auf keinen Fall für einen senderversorgten Detektor).
Die 990kHz bringen bei mir die höchste Spannung (an der 4m-Antenne, im Wohnzimmer gespannt).
Ich erreiche nach Einweggleichrichtung ca 1,1V/70µA (an15k).
Ich wohne in einem Altbau BJ 1928 3.OG (ganz oben). Wohnzimmer Richtung Süd.
Entfernung Britz- Wohnort sind tatsächlich ca 10km.

Drossel im UKW-Teil: ist mir nicht eingefallen, werde ich aber testen.
Stromaufnahme: Entstufe ca 40µA, Vorstufen ca 6µA (alles sehr hochohmig).

Übersprechen des Ortssenders findet praktisch nur im KW-Bereich statt (5 leise Empfangsstellen über den gesamten Bereich verteilt).

Da die Antenne am selben Drehschalter wie der Verstärkereingang hängt, ergab sich bei UKW ein lautes Brummen.
Mit dem R5 war es verschwunden. Auf die HF hat er kaum Einfluss.

Die Trennschärfe ist auf MW und UKW wahrscheinlich deswegen noch sehr gut, weil ich die Antenne jeweils an eine Windung (vom kalten Ende aus gesehen) angeschlossen habe. Und UKW noch über den 1,5pF.
Empfang ist auf diesen Bereichen teilweise auch ohne Antenne möglich.

Übrigens habe ich auch eine Schaltung mit GE probiert (AF106,AC122,GC118)
AC122 und GC118 funktionierten gar nicht, AF106 irgendwie ein wenig (Verstärkung ca 3x).

Habe ich dann gelassen.

Allerdings muss es gestern in der Nähe meines Wohnortes ein Gewitter gegeben haben.
Als ich abends nach Hause kam, funktionierte der Detektor nicht.
Eine der beiden BAT15 in der Gleichrichtung wies einen Durchlaßwiderstand von 1,2k auf (die Flussspannung von 260mV war normal messbar?). Sieht nach Hochspannung aus.
Nach Einbau einer Neuen (der letzten) geht er wieder.

Ist schon seltsam. Die Antenne ist innerhalb der Wohnung.

Viele Grüße

Uwe Thomas

07.06.11 22:42
joeberesf 

500 und mehr Punkte

07.06.11 22:42
joeberesf 

500 und mehr Punkte

Re: Senderversorgter Detektorempfänger mit NF-Verstärker

Hallo Uwe,

danke für die Rückantwort. Ja ,..die 4m Antenne, kann bei der Höhe die Du erreichst, schon eine ganze Menge Energie
einfangen. DLR- Kultur sendet mit 100KW. Ich sitze an der nördlichen Stadtgrenze und empfange den Sender gut hörbar,
aber so richtig kräftig ist er bei mir nicht mehr. Die Antennenanlänge, Ausrichtung und Höhe über Erde, ist da entscheident.
Die Sendestelle in Zehlendorf bei Oranienburg ist ca. 15 km entfernt und ich muss auf MW einen Sperrkreis für die Frequenzen
um 700Khz benutzen, ansonsten tönt einem die Stimme Russlands zwischen 600-750kHz dazwischen.

Schottky- Dioden sind auch aus meiner Sicht die bessere Wahl. Die Kennlinie hat eine starke Steilheit und sieht eher der
einer Siliziumdiode ähnlich. Ich benutze eigentlich überhaupt keine Germaniumdioden mehr.
Meine Favoriten sind:

5082-2835 / Bat46 / BAT48 und nur bei KW zusätzlich BAT62. Auch die Parallelschaltung von bis zu 4 Dioden bringt
auch noch etwas.

Ich habe jetzt ein paar alte Germaniumtransistoren bekommen. Dein Beitrag hat mich auf die Idee gebracht, einen
senderversorgten UKW- Detektor mit Verstärkung zu bauen. Ich hatte auf MW immer starke Übersprechungen im
MW- Kreis. Ich denke bei UKW, könnte das gut funktionieren.

Hier noch ein paar Tipps zum UKW Detektor von den Gollum Seiten:
http://www.oldradioworld.de/gollum/sloped.htm


Hast Du eigentlich schon mal daran gedacht die Antenne auf eine größere Länge zu bringen? Die Radioamateure in
den goldenen Zwanzigern, haben im Zimmer im Abstand von 50-80cm den Antennendraht gespannt. Damit die Frau
nicht meckert, wurde weißer seidenumsponnender Draht benutzt. 20-30m kann man so gut im Zimmer unterbringen.

Schöner Bauvorschlag und berichte vom Versuch mit der Drossel. Vielleicht brauchst Du den Widerstand dann nicht mehr.

Beste Grüße

Joe

P.S Welche ist am Tag die dritte Station auf MW? Oldiestar hat doch auf 603kHz die Sendungen eingestellt.

Zuletzt bearbeitet am 08.06.11 07:55

08.06.11 09:14
uwe_thomas 

250-499 Punkte

08.06.11 09:14
uwe_thomas 

250-499 Punkte

Re: Senderversorgter Detektorempfänger mit NF-Verstärker

Hallo Joe,

Die 3. Station ist die Rauschquelle auf 855kHz.

Übrigens, zu den Übersprechungen des Ortssenders auf MW:

Ich hatte vor einigen Jahren schon mal so ein ähnliches Gerät gebaut.
Damals hatte ich auch diese Übersprechungen.
Das lag an zu großer Nähe der von mir damals verwendeten Flachspulen zum Variometer.

Mit den Schalenkernen beim jetzigen Gerät tritt dieser Effekt nicht mehr auf.
Die Empfangsstellen auf KW werden auch geringer,
wenn ich die Platine mit der KW-Spule aus dem Gehäuse nehme.

Viele Grüße

Uwe Thomas

08.06.11 11:52
joeberesf 

500 und mehr Punkte

08.06.11 11:52
joeberesf 

500 und mehr Punkte

Re: Senderversorgter Detektorempfänger mit NF-Verstärker

Hallo Uwe,

achso... Du meinst den DLF auf 855kHz in DRM. Ja leider nur noch digitales Rauschen.
Es gibt noch eine vierte ( zweite DRM ) Station in Berlin auf 1485kHz. Die steht am gesprengten Richtfunkmast in Berlin- Frohnau.
Ich glaube mit 5KW Leistung. Hier wurden schon verschiedene Versuchsprogramme abgestrahlt. Weitere dazugehörge Sendestellen
in DRM- Gleichwellenfunk, sind Rüdersdorf und Berlin Schäferberg auf 1485kHz. Ob diese noch in Betrieb sind, kann
ich nicht sagen. Frohnau ist seit etwa einem Monat wieder auf Sendung und nervt ab 1300kHz. (1,5km !!) Nur mit einem
Zweikreiser und Sperrkreis kommt man an die umliegenden schwachen Stationen ran. Ich denke in Lichtenberg
wirst Du entweder Rüdersdorf oder Frohnau empfangen können.

Ich benutze für das senderversorgte Netzteil eine Spule mit Ferritkern (AL40 50x8mm). Die Schwingkreise sind
mit Topfkernen M33 aufgebaut. Vielleicht sollte ich auch mal einen Topfkern für das HF- Netzteil nehmen.
Gute Idee...denn die induktive Kopplung ist bei den geschlossenen Kernen sehr gering.

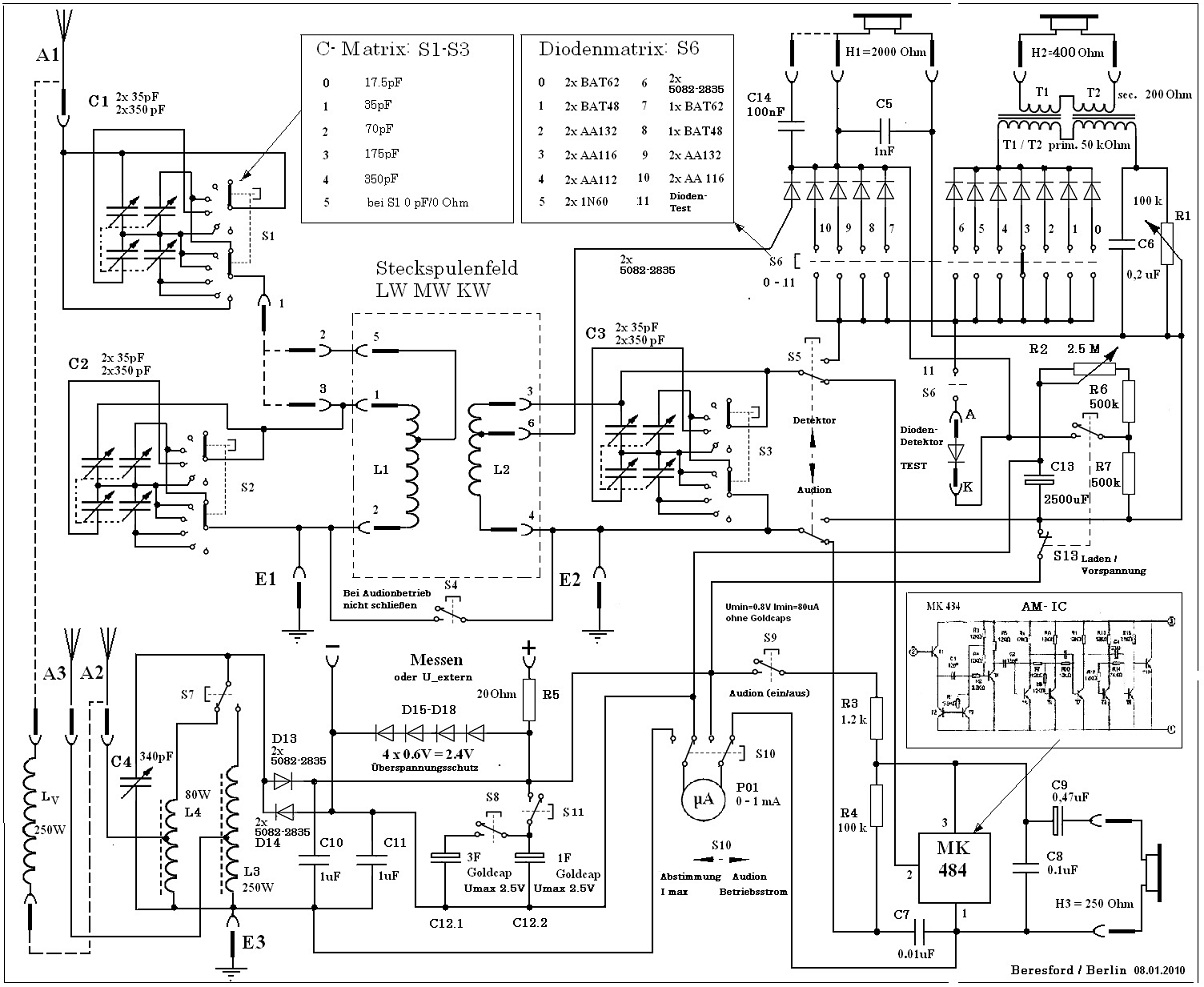
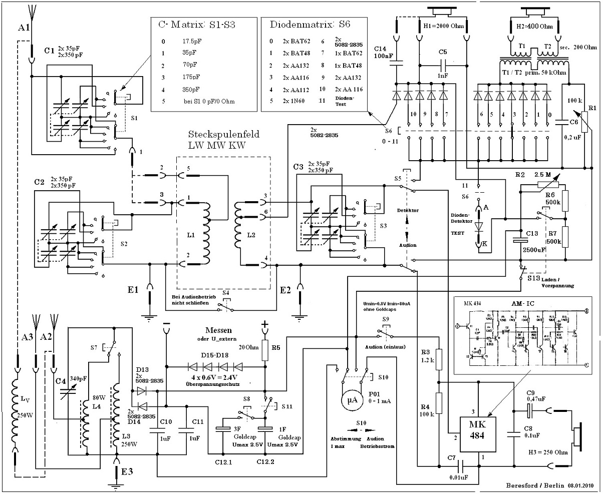
Hier mal der Plan meines All -IN -ONE Versuchsdetektors. Mit den 1F Goldcaps kann ich die Energie speichern
und dann dem MK484/TA7642 zuführen. Im Winter geht es bei 0,8-1,1V und 90-130uA auch ohne Speicher.




Beste Grüße

Joe

Datei-Anhänge
detek1.JPG detek1.JPG (584x)

Mime-Type: image/jpeg, 320 kB

11.06.12 18:57
A.K. 

0-49 Punkte

11.06.12 18:57
A.K. 

0-49 Punkte

Re: Senderversorgter Detektorempfänger mit NF-Verstärker

sehr interessantes Projekt.
Welche Lautstärken könnten erreichbar sein, wenn man als Lautsprecher eine Mittel-Hochtoneinheit mit 118db/1W/1m von BMSpro einsetzt mit einem verlustarmen Übertrager (eigentlich für die Beschallung gedacht) ?

Hier die Datenblätter und das passende Horn
Mittelhochton Koax-Kompressionstreiber 118db/1W/1m
http://bmsspeakers.com/fileadmin/bms-dat...sion_driver.pdf
http://bmsspeakers.com/fileadmin/bms-dat...2236_t.data.pdf

Rechnerisch würde man bei 1mW Ausgangsleistung immerhin noch über 70db erzielen in einem Meter Abstand (empfunden als 1/16 der Lautstärke von 118 db) - das wäre für einen Detektorempfänger ein sensationeller Wert.

Existieren hierüber Erfahrungswerte?

Zuletzt bearbeitet am 11.06.12 19:01

11.06.12 19:53
joeberesf 

500 und mehr Punkte

11.06.12 19:53
joeberesf 

500 und mehr Punkte

Re: Senderversorgter Detektorempfänger mit NF-Verstärker

Hallo A.K.,

es kann gut sein das sich der Lautsprecher für solch ein Projekt lohnt. Aber bedenke, dass
Wichtigste dabei ist ein richtig starker Ortssender. Bei meinen Versuchen ging mit Lautsprecher
überhaupt nichts. mehr als 130W konnte ich nicht gewinnen. Mit meinen TA7642 Aufbau
funktioniert dann gerade mal bescheidener Kopfhörerbetrieb.

Bei Uwes Schaltung sieht es besser aus. Es ist ein ganz feines Gerät
was er da gebastelt hat. Aber mehr als 1,1V bei 70A schafft er auch nicht.
Damit kommt er aus...grandios .

Versuche herauszufinden welche Spannung Du generieren kannst. Dann mal eine 15k Last
anschließen. Die Spannung bricht stark zusammen. Da liegt der Knackpunkt.

Viel Spaß

Joe

 1 2
 1 2
Gleichrichtung   NF-Verstärker   Detektorempfänger   Einweggleichrichtung   Spanunngsdetektierung   Berlin-Lichtenberg   Trichterlautsprecher   senderversorgten   Spannungsverdopplung   Mittel-Hochtoneinheit   rettet-unsere-radios   frequenzunabhängige   Antenne   Durchlaßwiderstand   Germaniumtransistoren   Lautsprecher   seidenumsponnender   Senderversorgter   Koax-Kompressionstreiber   Lautstärkesteigerung