| Passwort vergessen?
Sie sind nicht angemeldet. |  Anmelden

Sprache auswählen:

Wumpus Gollum Forum von
Wumpus Welt der (alten) Radios
Sie sind nicht angemeldet.
 Anmelden

Wo finde ich mehr Einzelheiten zu diesem Bauprojekt ?
  •  
 1
 1
28.04.18 10:29
WoHo 

500 und mehr Punkte

28.04.18 10:29
WoHo 

500 und mehr Punkte

Wo finde ich mehr Einzelheiten zu diesem Bauprojekt ?

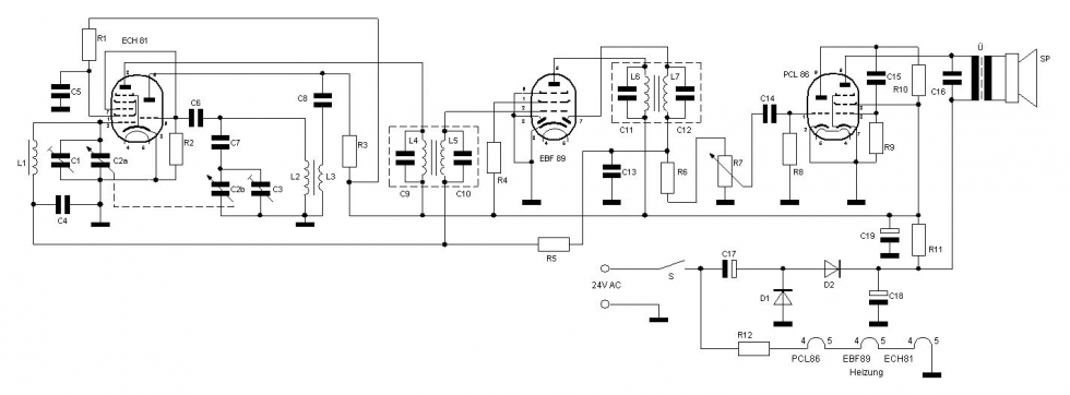
Zur Zeit wird im NL-Forum über alte Radios diese Schaltung, welche hier mal veröffentlicht wurde, diskutiert:



So zu sehen wird mit ungefährlichen Spannungen gearbeitet. Wer kann mir den Link geben, wo ich die Werte der Kondenstoren und Widerstände ersehen kann?

EDIT: Schaltung eingefügt. SORRY

Vielen Dank im Voraus!

Gruß aus NL, Wolfgang

Zuletzt bearbeitet am 28.04.18 12:34

Datei-Anhänge
Wumpus Radio.jpg Wumpus Radio.jpg (328x)

Mime-Type: image/jpeg, 154 kB

Noch gefällt der Beitrag keinem Nutzer.
!
!!! Fotos, Grafiken nur über die Upload-Option des Forums, KEINE FREMD-LINKS auf externe Fotos.    

!!! Keine Komplett-Schaltbilder, keine Fotos, keine Grafiken, auf denen Urheberrechte Anderer (auch WEB-Seiten oder Foren) liegen!
Solche Uploads werden wegen der Rechtslage kommentarlos gelöscht!

Keine Fotos, auf denen Personen erkennbar sind, ohne deren schriftliche Zustimmung.

Den Beitrag-Betreff bei Antworten auf Threads nicht verändern!
28.04.18 11:43
wumpus 

Administrator

28.04.18 11:43
wumpus 

Administrator

Re: Wo finde ich mehr Einzelheiten zu diesem Bauprojekt ?

Hallo Wolfgang,

der Link ist nicht anklickbar. Am besten das Kette (Linksymbol) des Eingabefenster benutzen.


Grüße von Haus zu Haus
Rainer, DC7BJ (Forumbetreiber)
Ein Leben ohne Facebook ist möglich, aber(und) sinnvoll.

Welt der alten Radios:
http://www.welt-der-alten-radios.de

Wumpus-Gollum-Forum:
http://www.wumpus-gollum-forum.de/forum

Virtuelle Voxhaus-Gedenktafel:
http://www.voxhaus-gedenktafel.de

28.04.18 11:56
WoHo 

500 und mehr Punkte

28.04.18 11:56
WoHo 

500 und mehr Punkte

Re: Wo finde ich mehr Einzelheiten zu diesem Bauprojekt ?

Zur Information:

Ich habe keinen Link gesetzt, sondern erwünsche von einem Mitglied hier einen Link, wo ich den ursprünglichen Thread aufrufen kann.

Um ganz ehrlich zu sein, ist mir zu viel Arbeit um alle Bauprojekte in der Vergangenheit zu durchforsten. Das erwarte ich auch nicht von anderen!
Hätte ja sein können, dass jemand anhand der Schaltung (mit einer Versorgungsspannung von nur 24V ~) mich sofort auf die richtige Spur bringen kann. Evtl. der Bedenker der Schaltung selbst....


Gruß aus NL

28.04.18 11:59
technikfreund 

500 und mehr Punkte

28.04.18 11:59
technikfreund 

500 und mehr Punkte

Re: Wo finde ich mehr Einzelheiten zu diesem Bauprojekt ?

Hallo Wolfgang,

Du schreibst das im NL Forum zur Zeit die Schaltung diskutiert wird,
kannst du einen Link zum Thread im NL Forum angeben?

Grüße Technikfreund.

28.04.18 12:09
WoHo 

500 und mehr Punkte

28.04.18 12:09
WoHo 

500 und mehr Punkte

Re: Wo finde ich mehr Einzelheiten zu diesem Bauprojekt ?

Ja Technikfreund, das kann ich:

https://www.nfor.nl/index.php?id=252344

Muss dazu sagen, dass Joop220 noch nicht so viel Erfahrung mit der Materie hat, sich aber Mühe gibt....
Wenn ich das richtig verstanden habe, hat er anstatt der Anodenspannung von nur 60...70V jetzt eine höhere via ein Radio angeschlossen.
Das bedeutet aber, dass dann auch die Widerstandswerte angepasst werden müssen. Daher meine Frage: was war da original vorgesehen?

Gruß aus NL

28.04.18 12:33
technikfreund 

500 und mehr Punkte

28.04.18 12:33
technikfreund 

500 und mehr Punkte

Re: Wo finde ich mehr Einzelheiten zu diesem Bauprojekt ?

Hallo Wolfgang,

Hier der Link im WGF.

http://www.wumpus-gollum-forum.de/forum/...d=63&page=5

Ich hoffe es ist der richtige Thread.

Gerne verrate ich auch wie ich den Thread innerhalb von 10 Sekunden gefunden habe, ich wusste dank deinem Hinweis, dass der Plan 1. irgendwann einmal im WGF veröffentlicht /besprochen wurde. 2. wusste ich dank dem Link zum NL Forum welche Röhren im Schaltplan verwendet werden.

Also habe ich auf Verdacht mal bei Google Bildersuche "wumpus gollum ech81" eingegeben und das Bild mit dem Schaltplan gefunden.

Grüße Technikfreund.

Zuletzt bearbeitet am 28.04.18 12:40

28.04.18 12:50
WoHo 

500 und mehr Punkte

28.04.18 12:50
WoHo 

500 und mehr Punkte

Re: Wo finde ich mehr Einzelheiten zu diesem Bauprojekt ?

Danke Technikfreund,
das hast Du gut recherchiert!

Zu dumm, erst jetzt habe ich erkannt, dass ich die erwähnte Schaltung nicht eingefügt hatte. Das wurde von mir nachgeholt...

Gruß aus NL

 1
 1
Bauprojekt   Voxhaus-Gedenktafel   durchforsten   angeschlossen   recherchiert   veröffentlicht   ungefährlichen   Eingabefenster   Versorgungsspannung   welt-der-alten-radios   Technikfreund   Widerstandswerte   Anodenspannung   ursprünglichen   Widerstände   Vergangenheit   Schaltung   Forumbetreiber   Wumpus-Gollum-Forum   Einzelheiten