| Passwort vergessen?
Sie sind nicht angemeldet. |  Anmelden

Sprache auswählen:

Wumpus Gollum Forum von
Wumpus Welt der (alten) Radios
Sie sind nicht angemeldet.
 Anmelden

Frequenzzähler nach DL4HYF
  •  
 1 2
 1 2
11.04.18 19:47
Bernhard45

nicht registriert

11.04.18 19:47
Bernhard45

nicht registriert

Frequenzzähler nach DL4HYF

Hallo zusammen,

aktuell kann man für kleines Geld (zirka 11 Euro, inklusive kostenlosem Versand aus Deutschland) beim Onlinebuchladen einen Bausatz für einen Frequenzzähler nach dem Aufbau von DL4HYF bekommen. Versanddauer 2 Tage. Die Seite zum Prototypen lautet: http://dl4yhf.darc.de/freq_counter/freq_counter.html
Ich glaube der Zähler wurde hier noch nicht gezeigt, obwohl schon mehrere China-Bausätze von Frequenzzählern vorgestellt wurden.

Der Zähler zählt mindestens bis 50 MHz (laut Angebot bis 78 MHz möglich) hat Autorange und einen Eingangsvorverstärker mit JFET.
Empfindlichkeit: 20 mV bis 100 kHz, 35mV bis 20 MHz, 75mV bis 50 MHz und 150 mV bis 78 MHz.
Im Bausatz sind alle Teile, also Platinen, Kleinteile, programmierter PIC-Microcontroller vorhanden. Hier ein Bild vom Bausatz:



Das Display wird normalerweise per Leistenstecker und Platinenabstandshalter (alles im Bausatz enthalten) direkt auf die Hauptplatine gesetzt. Ich habe es rechtwinklig abgesetzt, der Zähler soll in ein Tischgehäuse eingebaut werden. Als Spannungsversorgung wird 7-9 V bei ca. 50 mA benötigt. Für den Dauerbetrieb ist ein 9V Block also ungeeignet, besser wäre ein Netzteil oder ein Akku.



Zusätzlich kann ein ZF-Offset im Zähler programmiert werden. Dazu wird einfach mit einem Frequenzgenerator der Betrag des Offsets auf den Zähler gegeben, dann wird der Programmiertaster betätigt. Hier das Schaltschema:




Morgen werde ich den Zähler mal in der Praxis testen. Ich denke für 11 Euro inklusive Premium-Versand kann man nicht viel verkehrt machen.

Datei-Anhänge
bausatz.jpg bausatz.jpg (378x)

Mime-Type: image/jpeg, 22 kB

IMG-0062.JPG IMG-0062.JPG (416x)

Mime-Type: image/jpeg, 39 kB

IMG-0064.JPG IMG-0064.JPG (365x)

Mime-Type: image/jpeg, 36 kB

IMG-0065.JPG IMG-0065.JPG (324x)

Mime-Type: image/jpeg, 43 kB

IMG-0066.JPG IMG-0066.JPG (398x)

Mime-Type: image/jpeg, 45 kB

IMG-0067.JPG IMG-0067.JPG (339x)

Mime-Type: image/jpeg, 45 kB

RWA gefällt der Beitrag.
!
!!! Fotos, Grafiken nur über die Upload-Option des Forums, KEINE FREMD-LINKS auf externe Fotos.    

!!! Keine Komplett-Schaltbilder, keine Fotos, keine Grafiken, auf denen Urheberrechte Anderer (auch WEB-Seiten oder Foren) liegen!
Solche Uploads werden wegen der Rechtslage kommentarlos gelöscht!

Keine Fotos, auf denen Personen erkennbar sind, ohne deren schriftliche Zustimmung.

Den Beitrag-Betreff bei Antworten auf Threads nicht verändern!
12.04.18 15:23
Bernhard45

nicht registriert

12.04.18 15:23
Bernhard45

nicht registriert

Re: Frequenzzähler nach DL4HYF

Habe den Zähler nun mal in Betrieb genommen und kann die oben genannten Empfindlichkeiten bestätigen, zum Teil werden sie von meinem Muster übertroffen, sprich es wird eine korrekte Frequenz auch bei niedrigeren Amplituden angezeigt. Auch die Programmierung der ZF funktioniert so einfach wie oben im Schaltschema angegeben. Neben einer "krummen" ZF per Signalgenerator, sind auch vorgegebene Standardwerte (10.7,455,und einige andere) direkt einprogrammiert und können -ohne anliegenden Signalgenerator- "durchgetastet" werden.

Zuletzt bearbeitet am 12.04.18 15:26

13.04.18 11:10
Bernhard45

nicht registriert

13.04.18 11:10
Bernhard45

nicht registriert

Re: Frequenzzähler nach DL4HYF

Nach weiteren Tests lässt sich der Zähler auch noch deutlich oberhalb der angegebenen Grenze (50 MHz) benutzen, so ist zum Beispiel die Arbeit an einem UKW-Tuner kein Problem. Die nötigen minimalen Eingangsamplituden bei der jeweiligen Messfrequenz habe ich für mein Musteraufbau mal dargestellt.


Datei-Anhänge
Empfindlichkeit.jpg Empfindlichkeit.jpg (339x)

Mime-Type: image/jpeg, 47 kB

IMG-0076.JPG IMG-0076.JPG (336x)

Mime-Type: image/jpeg, 38 kB

13.04.18 16:24
RWA 

50-99 Punkte

13.04.18 16:24
RWA 

50-99 Punkte

Re: Frequenzzähler nach DL4HYF

Hallo Bernhard und alle daran Interessierten,
beim selben Versender gibt es diesen schönen Zähler für 14 Euro fertig aufgebaut in professioneller Lötung.
MfG
Roland

Zuletzt bearbeitet am 13.04.18 16:26

13.04.18 20:59
Bernhard45

nicht registriert

13.04.18 20:59
Bernhard45

nicht registriert

Re: Frequenzzähler nach DL4HYF

Stimmt Roland, hatte ich übersehen. Im gleichen Angebot des Versenders gibt es eine Option, das Gerät für 3 Euro Aufpreis bereits aufgebaut zu bekommen. Der Bausatz an sich ist aber auch in 30 Minuten aufgebaut, kein großes Ding, nur es gibt ein Bauteil was vom SMD-Typ ist und selbst eingelötet werden muss. Das ist der Spannungsregler, 4 Pins, aber groß genug das man auf die Lupenbrille verzichten kann, ein heller Arbeitsbereich sollte es aber dennoch sein.

Schade das es nicht auch die Zusatzoption für ein passendes Gehäuse gibt. Wahrscheinlich wäre das dann aber wohl nur ein ausgedrucktes Kunststoffgehäuse wie bei anderen Bausätzen. Für HF-Anwendungen sicher nicht die beste Wahl, aber man kann ja mit relativ einfachen und günstigen Mitteln (Leiterplatten) selbst ein Gehäuse für den Zähler bauen.

Zuletzt bearbeitet am 13.04.18 21:08

13.04.18 22:19
NorbertWerner 

500 und mehr Punkte

13.04.18 22:19
NorbertWerner 

500 und mehr Punkte

Re: Frequenzzähler nach DL4HYF

Hallo Bernhard,

diese China-Produkte sind echt preiswert. Welcher Prozessor wird bei Deinem Zähler verwendet?
Ich bin immer noch auf der Suche nach einem billigen 'Impuls-Zähler'(zeitlich unregelmässige Pulse), der in einer vorgegebenen Zeit einen Zählwert ausgibt. Kann das zufällig Dein Zähler? Ich bräuchte das um die Pulse eines Photomultipliers, UVtrons oder GM-Zählrohrs zu zählen. Mit einem Arduino Nano ist leider bei ca. 10Megacounts das Ende erreicht.

Ich habe hier auch einen billigen Zähler aus einer China-Produktion. Er funktioniert recht gut, aber leider kann er auch keine Impulse zählen.
Hier ist das Datenblatt --> _https://www.zl2pd.com/files/PLJ-8LED_Manual_Translation_EN.pdf

Gruss
Norbert

Datei-Anhänge
Zaehler1.jpg Zaehler1.jpg (498x)

Mime-Type: image/jpeg, 146 kB

Zaehler2.jpg Zaehler2.jpg (365x)

Mime-Type: image/jpeg, 153 kB

14.04.18 01:20
Bernhard45

nicht registriert

14.04.18 01:20
Bernhard45

nicht registriert

Re: Frequenzzähler nach DL4HYF

Hallo Norbert,

der Zähler nutzt einen PIC16F-Typ, deshalb auch die viel höhere Eingangsfrequenz als bei den ATmegas, die im Arduino Nano verbaut sind.
Die Zählimpulse können wie bei den meisten Zählern dieser Machart unregelmäßig eintreffen. Alle Impulse (Ereignisse) innerhalb einer bestimmten Torzeit ergeben dann das Ergebnis, es wird also nicht die Zeit zwischen zwei Impulsen gemessen und daraus der Frequenzwert gebildet, das bleibt den "besseren" Zählern vorbehalten.

Viele Grüße
Bernhard

14.04.18 15:51
NorbertWerner 

500 und mehr Punkte

14.04.18 15:51
NorbertWerner 

500 und mehr Punkte

Re: Frequenzzähler nach DL4HYF

Hallo Bernhard,

ja, ein PIC ist eine gute Lösung.
Wie ist das mit der Torzeit? Ist die fix, oder kann man sie vorgeben?
Wenn die Schaltung keinen automatischen Reset macht könnte man ja auch eine Gate-Schaltung vor den Eingang setzen.
Das Teil interessiert mich langsam.

Gruss
Norbert

14.04.18 19:22
Bernhard45

nicht registriert

14.04.18 19:22
Bernhard45

nicht registriert

Re: Frequenzzähler nach DL4HYF

Hallo Norbert,

in dem Quellcode den ich für den Zähler habe, sind für das Autoranging drei Torzeiten vorgegeben, 1/4; 1/2 und 1 sec. Das kann man im Programm natürlich beliebig abändern. Ich denke mit einem kleinen Trick (der Pic ist ja voll belegt) könnte man auch einen externen Impuls zum Triggern des Gates nehmen. Den Prozessor müsste man zum Umprogrammieren aus der Schaltung nehmen, denn der Zähler hat leider keinen Programmeranschluß. Das ist aber nicht das Problem, denn der Prozessor wird im Bausatz gesockelt eingebaut!

Gruß
Bernhard

Zuletzt bearbeitet am 14.04.18 21:15

15.04.18 15:40
NorbertWerner 

500 und mehr Punkte

15.04.18 15:40
NorbertWerner 

500 und mehr Punkte

Re: Frequenzzähler nach DL4HYF

Hallo Bernhard,

war mal auf der Seite vom DL4HYF und habe mir die PIC-Firmware heruntergeladen. In der Beschreibung bin ich dann auf die Auflösung von 64Hz gestossen. Jetzt ist mir klar, warum man mit einer 'kleinen' Taktfrequenz eine so hohe Auflösung vo 50 MHz bekommt. Hier wird ein Prescaler (Teiler 64) verwendet.
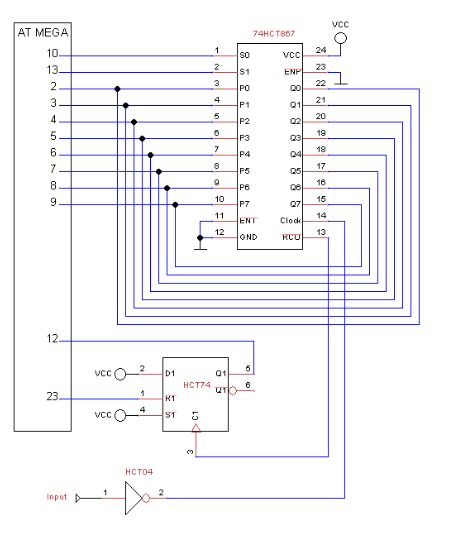
Ich verwendete für einen Zähler einen AT_Nano, aber mit der Zusatzschaltung (im Anhang) kam ich nur bis 10 Megacounts, deshalb versuche ich es mal jetzt mit einem AT_Mega, oder AT_Due.

Gruss
Norbert

Zuletzt bearbeitet am 15.04.18 15:41

Datei-Anhänge
Counter Layout.jpg Counter Layout.jpg (487x)

Mime-Type: image/jpeg, 32 kB

 1 2
 1 2
PIC-Microcontroller   Platinenabstandshalter   Photomultipliers   Programmiertaster   China-Produktion   Eingangsfrequenz   Kunststoffgehäuse   Empfindlichkeiten   Frequenzzählern   Programmeranschluß   Wholesale-Wareho   Zähler   Signalgenerator-   Signalgenerator   Eingangsvorverstärker   Eingangsamplituden   Spannungsversorgung   Frequenzzähler   Frequenzgenerator   Empfindlichkeit