| Passwort vergessen?
Sie sind nicht angemeldet. |  Anmelden

Sprache auswählen:

Wumpus Gollum Forum von
Wumpus Welt der (alten) Radios
Sie sind nicht angemeldet.
 Anmelden

1sh24b Batterieröhren Mittelwellen Modulator
  •  
 1
 1
22.10.16 17:48
Stefan02 

100-249 Punkte

22.10.16 17:48
Stefan02 

100-249 Punkte

1sh24b Batterieröhren Mittelwellen Modulator

Hallo,

mir war danach, mal einen Modulator mit der Batterieröhre 1sh24b zu bauen. Der Vorteil der Röhre ist nicht nur die geringe Betriebsspannung (60V max. Spannung) sondern auch die Drähte, die es ermöglichen, die Röhre in ein Steckboard zu stecken, oder sie in eine Platine einfach einzulöten. Ein weiterer Vorteil ist die gute Verfügbarkeit dieser Röhre...

Da ich eher aus "der Transistor und IC Technik komme" ist dies eines meiner Anfänger Röhrenprojekte, ich habe zwar schon ein paar Versuche gemacht, mit Röhren, doch ein Transistor verhält sich schon anders (Gitter ist nicht umbedingt Basis, da am Gitter ja Spannung rauskomt...).

Aber nun zur Schaltung

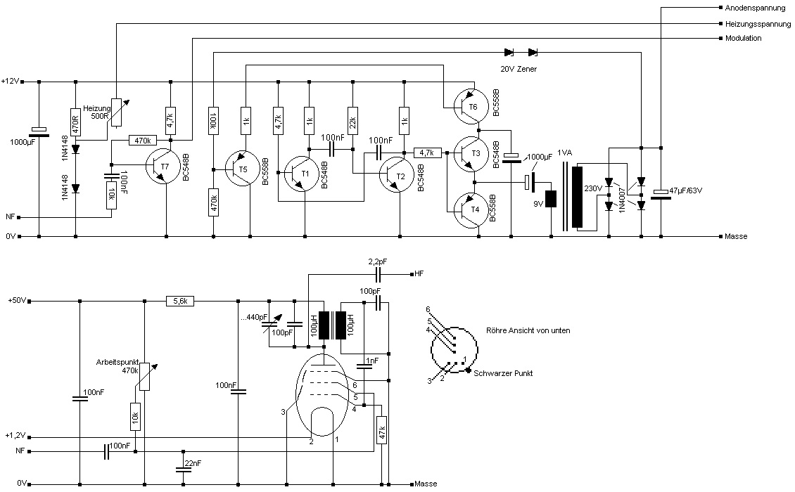
Der Spannungswandler / Röhrentreiber:

Die Schaltung mit insgesamt 7 Transistoren erzeugt aus einer Batterie / einem Akku / Stecknetzteil Spannung von 12V die für die Röhrenschaltung benötigte Anodenspannung, Heizspannung, NF Aufbereitung.

Der Spannungswandler besteht aus einem Oszillator (Astabile Kippstufe T1, T2) welcher eine Frequenz generiert. Diese wird von der AB Endstufe T3 T4 verstärkt, und in einen Transformator eingespeißt, welcher "verkehrtrum" betrieben wird, und die Spannung hinaufsetzt. Erreicht die Spannung am 47µF Kondensator die Flusspannung der 2x 20V Z Dioden + die sich addierenden Flusspannungen der Transistor - Dioden T5 T6 wird der Transistor(T6), der vor die AB Endstufe geschalten ist weniger leitend, was zur Folge hat, das die Ausgangsspannung recht stabiel ist. Ändert sich die Last oder auch die Betriebsspannung (in Grenzen versteht sich) bleibt die Ausgangsspannung stabiel. Mir war bei dem Wandler wichtig, als ich ihn entwickelt habe, das er auf einer recht niedrigen Frequenz arbeitet, sodass er keine Störungen im MW Band erzeugt, und das er leicht nachbaubar ist. Die Transistoren können durch andere Universaltypen ersetzt werden, sie sollten dem BC548 / 558 nur in etwa ähneln. Auch bei den Trafos kann man viele verschiedene verwenden. Ein 9V 1VA Printtrafo ist nur ein Vorschlag, ich probierte es mit mehreren Printtrafos (auch z.B: 15V 230V 6VA) und die Regelung funktionierte immer prima. Ohne die Z Dioden erreicht die Schaltung Spannungen über 100V am 47µF (verwendete einen 350V Typ beim experimentieren). T7 verstärkt noch das NF Signal von der Tonquelle, da an G2 eine recht hohe NF Wechselspannung nötig ist, für gute Modulation, und Batteriebetriebene Audioquellen oftmals zu wenig Spannung liefern würden - für einen Direktanschluss. Ich habe gemessen, mit 2 20V Dioden (also 40v) liefert der Wandler ca 55V. Ich kann mir das noch nicht so ganz erklären, die Regelung geht (verschiedene Trafos immer gleiche Spannung + sofortiger "Regeleffekt" beim Einbau der Dioden). Mhm, kann aber auch sein, das mein Bilig Analog Multimeter einfach zu viel Spannung angezeigt hat.

Die beiden Dioden 1N4148 stabilisieren die Spannung auf ca 1,4V, doch die Röhre benötigt nur 1,2V. Dafür kann man mit dem 500R Poti die Spannung auf genau 1,2V einstellen. Der 500R war mir wichtig, weil ich wo gelesen habe, wenn man mehr als 1,2V anschließt, würde die Röhre schnell zerstört werden.

Der Röhrenmodulator:

Eine Standard Meissner Oszillator Schaltung. Als Spulen werden 2 Festinduktivitäten verwendet, mit 100µH, die physikalisch parallel geschalten sind. So muss man keinen Trafo selber wickeln, und es sind Standardteile (Diese Spulen bekommt man bei den meisten Elektronik Händlern, SMCC 100 oder MICC 100 sind die Bezeichnungen oftmals). Schwingt der Oszillator nicht an, einfach eine der beiden Spulen umpolen. Mit dem 470k Poti wird der Arbeitspunkt bestimmt, und so eingestellt, das beste Modulation ermöglicht wird. Am Anfang sollte das Poti so eingestellt sein, das der Schleiferkontakt zu 3/4 auf "+" schaut, das der Oszillator sicher anschwingt. Erst dann Modulation einstellen.
Durch hinzuschalten eines Drehkondensators kann die Frequenz um ca 600Khz gezogen werden (ich probierte nur fest C´s). Am 2,2pF kann das HF Signal abgegriffen werden, und in einen Röhrenradio eingespeißt werden. Natürlich sind die Gefahren bei der Verwendung eines Allstromgerätes zu beachten. Ansonsten sendet der Modulator rein induktiv in etwa 30cm weit brauchbar (mit ganz kleinen MICC Spulen), die
Oberwellen sind brauchbar unterdrückt für diese geringe Leistung. Der 22nF schließt die HF die eventuell noch an G2 auftreten könnte nach Masse kurz. Gleichzeitig reduziert er (bei Verwendung meiner Treiberschaltung) höhere Frequenzen, sodass das Mittelwellenband nicht "dicht gemacht wird", wenn man ein 20Khz Signal vom CD Spieler einspeißt. Durch verringern / vergrößern des 22nF kann das Klangbild beeinflusst werden, verringern ermöglicht mehr höhen, vergrößern unterdrückt hohe Frequenzen.

Wie bereits gesagt, ich bin noch kein erfahrener Röhrenbastler, ob die Pin Belegung so stimmt, weis ich nicht, ich habe es so abgezeichnet, wie ich die Schaltung aufgebaut habe.




Admin: Antennenanschluß: Deutsche Gesetze beachten!

Datei-Anhänge
roehren.gif roehren.gif (574x)

Mime-Type: image/gif, 19 kB

Axel, Volker und MIRAG gefällt der Beitrag.
!
!!! Fotos, Grafiken nur über die Upload-Option des Forums, KEINE FREMD-LINKS auf externe Fotos.    

!!! Keine Komplett-Schaltbilder, keine Fotos, keine Grafiken, auf denen Urheberrechte Anderer (auch WEB-Seiten oder Foren) liegen!
Solche Uploads werden wegen der Rechtslage kommentarlos gelöscht!

Keine Fotos, auf denen Personen erkennbar sind, ohne deren schriftliche Zustimmung.

Den Beitrag-Betreff bei Antworten auf Threads nicht verändern!
23.10.16 10:15
Axel 

500 und mehr Punkte

23.10.16 10:15
Axel 

500 und mehr Punkte

Re: 1sh24b Batterieröhren Mittelwellen Modulator

Hallo Stefan,

Unter "c22(Punkt)de/roehren-tabelle-russland(punkt)pdf" findest du die Daten und Sockelschaltbilder vieler russischer Röhren.

Ich habe auch schon viel mit den 1SH*** und und 2SH27L gebastelt. Meist Audione und kleine NF-Verstärker.
Auch in meinen russischen Empfängern und Funkgeräten sind diese Röhren verbaut.

Falls ich im Winter noch die Zeit finde, plane ich noch den Bau eines etwas kräftigeren Stereo-NF-Verstärkers mit 2 x 1P24B Gegentaktendstufe.
Wahnsinn, was diese kleine Röhre leisten kann.


Viele Grüße,

Axel

 1
 1
Spannung   Stereo-NF-Verstärkers   Schleiferkontakt   Antennenanschlu߿Röhrenschaltung   Treiberschaltung   Festinduktivitäten   roehren-tabelle-russland   Allstromgerätes   Spannungswandler   Gegentaktendstufe   Batteriebetriebene   Mittelwellenband   Ausgangsspannung   experimentieren   Drehkondensators   Betriebsspannung   Sockelschaltbilder   Batterieröhren   Röhrenmodulator