| Passwort vergessen?
Sie sind nicht angemeldet. |  Anmelden

Sprache auswählen:

Wumpus Gollum Forum von
Wumpus Welt der (alten) Radios
Sie sind nicht angemeldet.
 Anmelden

Transistor Selbsthaltung - Flip Flop Schaltung gesucht
  •  
 1 2
 1 2
08.07.12 13:44
technikfreund 

500 und mehr Punkte

08.07.12 13:44
technikfreund 

500 und mehr Punkte

Transistor Selbsthaltung - Flip Flop Schaltung gesucht

Hallo Zusammen!

Ich brauche eine Selbsthaltung mit Transistoren.

Diese Schaltung habe ich gefunden, allerdings funktioniert
sie nicht richtig.

www.thomas.schalch.net/?article=91[/url][/url]

Die Lampe leuchtet zwar auf, wenn der Taster gedrückt wird,
bzw. im Probeaufbau die beiden Litzen aneinander gehalten
werden, sobald diese aber losgelassen werden geht die Lampe
aus.

Wenn die beiden Litzen für den Aus-Taster verbunden werden,
geht die Lampe auch aus.

Betriebsspannung 12 Volt.

Lampe 12 Volt - 0,1 A

BC 547 Transistoren

R1 33K

R3 470 OHM !!!, mit 470K ging gar nichts.


Mit dem Eintaster soll später über eine Kippstufe die Lampe blinken, ein Schmitt - Trigger schaltet dann als S2 die
Masse auf die Basis und die Blinklampe geht aus.
Viele Grüße Technikfreund.

Zuletzt bearbeitet am 08.07.12 13:49

Noch gefällt der Beitrag keinem Nutzer.
!
!!! Fotos, Grafiken nur über die Upload-Option des Forums, KEINE FREMD-LINKS auf externe Fotos.    

!!! Keine Komplett-Schaltbilder, keine Fotos, keine Grafiken, auf denen Urheberrechte Anderer (auch WEB-Seiten oder Foren) liegen!
Solche Uploads werden wegen der Rechtslage kommentarlos gelöscht!

Keine Fotos, auf denen Personen erkennbar sind, ohne deren schriftliche Zustimmung.

Den Beitrag-Betreff bei Antworten auf Threads nicht verändern!
08.07.12 14:15
technikfreund 

500 und mehr Punkte

08.07.12 14:15
technikfreund 

500 und mehr Punkte

Re: Transistor Selbsthaltung - Flip Flop Schaltung gesucht

Hallo Zusammen!

Etwas schlauer bin ich nun, R3 hat nun 10 K
und R2 220 Ohm.

Die Lampe wird selbstgehalten und leuchtet gaaanz schwach.

Wenn R2 erhöht wird (320 Ohm) leuchtet die Lampe gar nicht
mehr, wird er niedriger gemacht (139 Ohm) leuchtet die
Lampe etwas mehr, wird aber nicht mehr selbstgehalten.

Eine Erhöhung der Betriebsspannung auf ca. 15 Volt brachte
die Lampe etwas mehr zum leuchten, (R2 220 Ohm).

Mehr als 15 Volt wären auch nicht drin. (Netzteil).

Würde eine Veränderung von R1 (33K) etwas bringen?

Viele Grüße Technikfreund.

Zuletzt bearbeitet am 08.07.12 14:17

08.07.12 17:11
joeberesf 

500 und mehr Punkte

08.07.12 17:11
joeberesf 

500 und mehr Punkte

Re: Transistor Selbsthaltung - Flip Flop Schaltung gesucht

Hallo Technikfreund,

aus meiner Sicht ist die Schaltung für eine LED ausgelegt. Dein Lämpchen braucht aber
viel mehr Strom um richtig hell zu leuchten. 100mA ist schon ganz ordentlich.
100mA könnte aber für den Transistor zu viel sein, dann müsstest Du mit Leistungstransistoren
arbeiten. Schau mal im Datenblatt nach, wieviel der Transistor überhaupt verträgt.
Der Autor hat die Schaltung für max. 20mA ausgelegt. (R2)

Gruß

Joe

Zuletzt bearbeitet am 08.07.12 17:22

08.07.12 18:50
Holzradio 

500 und mehr Punkte

08.07.12 18:50
Holzradio 

500 und mehr Punkte

Re: Transistor Selbsthaltung - Flip Flop Schaltung gesucht

Hallo Technikfreund,

technikfreund:
Würde eine Veränderung von R1 (33K) etwas bringen?

Ja, verkleinern auf ca. 3,3 oder 4,7k und R2 auf 33 Ohm (0,3W) verringern, so dass deine 12V/100mA-Lampe nur 12V bekommt (bei Ub 15V). Bei Ub 12V (oder kleiner) kann R2 ganz wegfallen.

Wie Joe schon angedeutet hat, sollte der Transi an der Lampe kurzzeitig ruhig etwas mehr vertragen als die 100mA, denn der Einschaltstrom ist bei Glühlampen mehrfach höher als im Betrieb.

Wenn du mit der Schaltung später nicht nur direkt eine Glühlampe schallten willst (Dauerlicht), sondern vielmehr eine Blinkschaltung mit den 2 Tastern steuern, bzw. ein- und ausschalten, könnte eine andere Dimensionierung wieder günstiger sein.

Was willst du da eigentlich schalten außer der Lampe? Soll da noch ein Relais oder anderes mit dran?

VG Björn

08.07.12 21:37
technikfreund 

500 und mehr Punkte

08.07.12 21:37
technikfreund 

500 und mehr Punkte

Re: Transistor Selbsthaltung - Flip Flop Schaltung gesucht

Hi Joe & Björn!

Werde es gleich mal probieren.

Die Schaltung soll eine Astabile Kippstufe ansteuern, aber um erstmal die Selbsthaltung allgm. zu
testen hatte ich diese vorerst weggelassen.

Die Transistoren werden später mal SF 128, die können 500 mA schalten.

Für den Versuchsaufbau hatte ich BC 547 genommen, weil ich davon ganz viele
habe, die SF 128 sind gerade Mangelware.

Später soll nur die Lampe, ggf. noch eine weitere Lampe, die an der gleichen Kippstufe
hängt, blinken.
Ein Taster schaltet die Schaltung ein, er ist über dem Flachbahnregler eingebaut.

Der Flachbahnregler ist Logarithmisch und in Stereo, d.h. über den einen Stereo Kanal
geht das Mikrofon Signal, über dem anderen eine Spannung von 15 Volt, die dann auf einen
Schmitt - Trigger geht.

Wird der Regler hochgezogen, kippt der Schmitt - Trigger, dem Flip Flop wird die Masse zugeschaltet (Taster S2),
die Blinklampe geht aus. Gleichzeitig bekommt die Rotlicht Lampe die Masse zugeschaltet und geht an.

Des weiteren wird ein PNP Transistor mit Masse versorgt, er schaltet eine Spannung durch und steuert so ein Relais an,
welches die Lautsprecher Leitung abschaltet, damit es keine Rückkopplung gibt.

Der Schmitt - Trigger funktioniert soweit, fehlt für die Lampensteuerung nur noch die Flip - Flop Schaltung.

Viele Grüße Technikfreund.

08.07.12 22:51
Holzradio 

500 und mehr Punkte

08.07.12 22:51
Holzradio 

500 und mehr Punkte

Re: Transistor Selbsthaltung - Flip Flop Schaltung gesucht

Hallo nochmal,
du hast oben geschrieben, dass du R3 470kOhm gegen 470Ohm getauscht hast. Das ist arg wenig und könnte je nach Typ den Q2 gefährden. (ca. 25mA Basisstrom bei 12 V!) Da wären 4,7k bis 47k gut geeignet. Der Autor der ursprünglichen LED-Schaltung wollte mit dem hohen Wert von 470k vermutlich erreichen, dass die LED nicht auch bei "aus" noch schwach leuchtet. 470kOhm setzen aber eine gute Stromverstärkung von Q2 voraus.

VG Björn

Es strahlen die Sender Bild, Ton und Wort elektromagnetisch an jeden Ort
-Kraftwerk-


Zuletzt bearbeitet am 08.07.12 23:01

08.07.12 23:30
technikfreund 

500 und mehr Punkte

08.07.12 23:30
technikfreund 

500 und mehr Punkte

Re: Transistor Selbsthaltung - Flip Flop Schaltung gesucht

Hi Björn!

R3 hat nun 10K Ohm.

Hatte erst mit versch. Werten experimentiert.

Also, folgende Werte könnte ich einbauen:

R1 4,7K

R2 39 Ohm (15 Volt Ub)

R3 10K

Wäre das passend, um eine Astabile Kippstufe anzusteuern?

Viele Grüße Technikfreund.

Zuletzt bearbeitet am 08.07.12 23:31

09.07.12 07:12
Martin.M 

500 und mehr Punkte

09.07.12 07:12
Martin.M 

500 und mehr Punkte

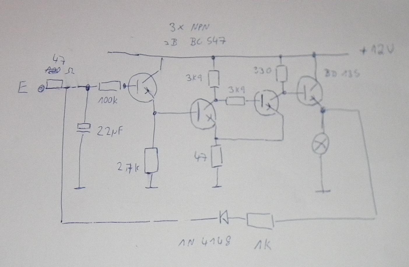
Re: Transistor Selbsthaltung - Flip Flop Schaltung gesucht

hallo tf,

ich hab mir das mal überlegt.
So ist die Schaltung:

1.) für 12V
2.) für eine Lampe ausreichend
3.) prellfrei
4.) hat sie immer den gleichen Anfangszustand



Funktion:

verbindest du E mit Plus macht sie AN
verbindest du E mit Masse, macht sie AUS

nette Grüße
Martin


Der letzte Transistor sollte daher ein Kleinleistungstyp sein, wie zB der BD135

Das FlipFlop hat übrigends keinen definierten Einschaltzustand, es sei denn du legst es unsymmetrisch aus. Die von mir entworfene Schaltung ist ein Monoflop mit löschbarem Selbsthalter. Alle Teile sind unkritisch.
Vom Aufbau her ein Impedanzwandler in C Schaltung, = T1, gefolgt von einem Schmid-Trigger und einem Treiber für etwas Leistung. Der 1k bildet zusammen mit der Diode den Selbsthalter.
Verbindest du E mit + wird der Elko geladen, das Ding schaltet durch, nun wird der Elko über die Diode weiter mit Plus versorgt, es hält somit fest. Wird der Elko entladen, fällt das ganze wieder ab und begibt sich in den AUS-Zustand wo es bleibt.



nette Grüße
Martin

Zuletzt bearbeitet am 09.07.12 12:05

Datei-Anhänge
tf 002.JPG tf 002.JPG (433x)

Mime-Type: image/jpeg, 147 kB

09.07.12 14:31
technikfreund 

500 und mehr Punkte

09.07.12 14:31
technikfreund 

500 und mehr Punkte

Re: Transistor Selbsthaltung - Flip Flop Schaltung gesucht

Hi Martin!

Danke für deine Schaltung.

Ich hätte allerdings noch ein paar Fragen:

1.
Wenn am Flip Flop der Ein Taster gedrückt wird,
geht die Schaltung an, wird der zweite Taster Aus gedrückt,
geht die Schaltung aus.

Warum würde das denn nicht funktionieren - wie ist das mit dem
Einschaltzustand gemeint.

2.

Du schreibst bei deiner Schaltung:

verbindest du E mit Plus macht sie AN
verbindest du E mit Masse, macht sie AUS

Was ist wenn der Flachbahnregler hochgezogen ist (mein Schmitt-Trigger
hat die Masse auf E geschaltet, die Blinklampe ist aus) und jemand den Taster
drückt, um die Lampe zum blinken zu bringen. (Plus wird auf E geschaltet)

Dann müsste es doch einen Kurzschluss geben??


Viele Grüße Technikfreund.

09.07.12 21:10
Martin.M 

500 und mehr Punkte

09.07.12 21:10
Martin.M 

500 und mehr Punkte

Re: Transistor Selbsthaltung - Flip Flop Schaltung gesucht

da hast du Recht. Das läßt sich mit einem 100 Ohm Widerstand vermeiden, über den arbeitet das Ding genauso sauber.

nette Grüße
Martin

 1 2
 1 2
Schmitt-Trigger   gegenüberliegende   Technikfreund   Kleinleistungstyp   elektromagnetisch   Monoflopgeschichte   Kollektorwiderständen   gesucht   Transistor   Flachbahnregler   Leistungstransistoren   bearbeitet   Betriebsspannung   Einschaltzustand   Schaltung   Anfangsschaltzustand   Selbsthaltung   Stromverstärkung   Grüße   fortgerschritten