| Passwort vergessen?
Sie sind nicht angemeldet. |  Anmelden

Sprache auswählen:

Wumpus Gollum Forum von
Wumpus Welt der (alten) Radios
Sie sind nicht angemeldet.
 Anmelden

Phasenschieberoszillator
  •  
 1
 1
29.04.12 21:00
technikfreund 

500 und mehr Punkte

29.04.12 21:00
technikfreund 

500 und mehr Punkte

Phasenschieberoszillator

Hallo Zusammen!

Wenn ich in einem Gerät einen Fehler finden möchte,
ist ein Vielfachmessgerät unerlässlich.
Wenn es noch mehr Technik sein soll, kommen Wobbelgenerator
& Geräuschspannungsmesser zum Einsatz.

Jedoch sind Wobbelgenerator & Geräuschspannungsmesser sehr
schwer und daher eigentlich für den festen Verbleib am Basteltisch
bestimmt.

Deshalb möchte ich mir einen Mobilen Signalverfolger bauen, um neben
dem Multimeter ein weiteres Messgerät zur Verfügung zu haben.

Als "Wobbelgenerator" soll ein Phasenschieberoszillator zum Einsatz kommen.
Er soll einen Ton von 1 Khz erzeugen können.

Als Geräuschspannngsmesser dient ein Signalverfolger Bausatz, der einen Lautsprecher
zur Tonausgabe besitzt.

Des weiteren wird ein VU-Meter integriert, damit man Signalunterschiede auch optisch
anzeigen kann.

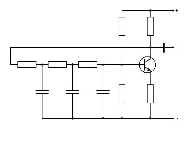
Nun habe ich einen Schaltplan eines Phasenschieberoszillators gefunden, allerdings ohne Angaben von Bauteilwerten.

Könntet ihr mir helfen, Werte für die Bauteile zu berechnen, das die Schaltung einen Ton von ca. 1 Khz erzeugt?

Die Formel ist Frequenz = 6 geteilt durch 2 x x R x C

Man muss in Ohm und Farad rechnen. Ich bin in solchen Sachen leider nicht sehr fit.

Die Widerstände um den Transistor herum sind ja Teile einer Emitterschaltung.

Das Endgerät soll mit einer 9 Volt Batterie betrieben werden und nicht größer als ein normales Vielfachmessgerät werden,
da es für den Mobilen Einsatz gedacht ist.

Viele Grüße Technikfreund.



Zuletzt bearbeitet am 29.04.12 21:03

Datei-Anhänge
Phasenschieberoszillator.JPG Phasenschieberoszillator.JPG (375x)

Mime-Type: image/jpeg, 17 kB

Martin.M gefällt der Beitrag.
!
!!! Fotos, Grafiken nur über die Upload-Option des Forums, KEINE FREMD-LINKS auf externe Fotos.    

!!! Keine Komplett-Schaltbilder, keine Fotos, keine Grafiken, auf denen Urheberrechte Anderer (auch WEB-Seiten oder Foren) liegen!
Solche Uploads werden wegen der Rechtslage kommentarlos gelöscht!

Keine Fotos, auf denen Personen erkennbar sind, ohne deren schriftliche Zustimmung.

Den Beitrag-Betreff bei Antworten auf Threads nicht verändern!
29.04.12 21:16
Klaus 

500 und mehr Punkte

29.04.12 21:16
Klaus 

500 und mehr Punkte

Re: Phasenschieberoszillator

Hallo Technikfreund,

Phasenschiebegeneratoren finden sich viele im Netz, z.B. hier:

http:// www .hobby-bastelecke.de/projekte/signalgenerator_phasenschieber.htm

Noch einfacher wird es - falls die Sinus-Kurvenform nicht relevant sein sollte - mit einem einfachen bistabilen Multivibrator. Den realisierst du mit 2 Transistoren oder ganz simpel einem alten TTL-Schaltkreis, SN 7400. Dann hast du noch das entsprechende Oberwellenspektrum und kannst sogar begrenzt HF-Stufen prüfen.
Allerdings eignet sich der Phasenschiebergenerator aufgrund seines reinen Sinus' meist besser für NF-Untersuchungen, auch wenn die Rechteckschwingung des Multivibrators ebenfalls Anwendung findet (Einschwingvorgänge, Frequenzgang u.s.w.).

Viele Grüße,
Klaus

29.04.12 21:30
Martin.M 

500 und mehr Punkte

29.04.12 21:30
Martin.M 

500 und mehr Punkte

Re: Phasenschieberoszillator

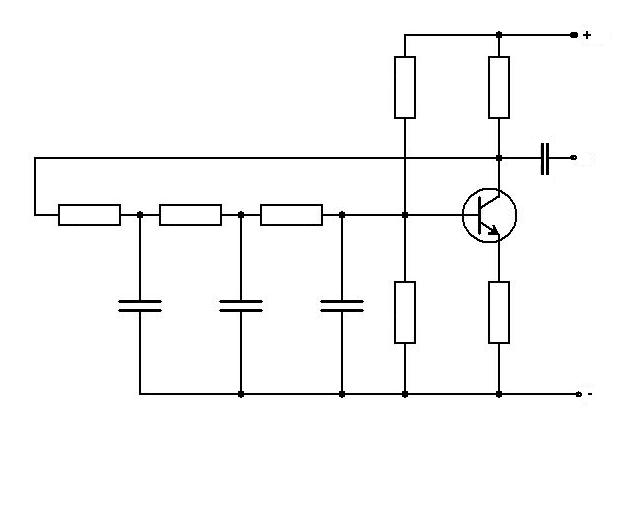
hallo 'TF,

ich finde die "andere Variante" davon besser, also da wo die Kondensatoren hintereinander liegen.
Begründung: Der Arbeitspunkt des Transistors ist dann einfacher nachvollziehbar, weil er nur vom Basisspannungsteiler bestimmt wird und nicht noch zusätzlich über die Gegenkopplung und die Reihe der Widerstände.

Basisspannungsteiler,

- oben: Trimmpoti 220k, in Serie ein 10k oder 27k als Strombegrenzer,
- unten: 10k

Kolektorwiderstand: 4,7k
Emitterwiderstand: 1k parallel kleiner Elko, 10 uF oder so,

Phasenschieber: alle R = 10k, lle C = 10nF ( 0,01µF)
Auskoppel-C: 0,1 µF

Deine Bezeichnung Wobbelgenerator ist falsch. Ein solchen hat keine feste FRequenz sondern einen Bereich in dem er hoch- und runterfährt, genau diesen Vorgang bezeichnet man als Wobbeln.

Der Transistor darf ein beliebiger kleiner NPN sein, BC 107/108/109/147/148/149/237/238/239/547/548/549
Als Folgebuchstabe ideal ist B, noch besser C.

Als Verfolger eignet sich ein kleines IC LM386, beschalten gemäß seinem Datenblatt, und Minilautsprecher dazu.

nette Grüße
Martin

Zuletzt bearbeitet am 29.04.12 21:34

29.04.12 21:34
technikfreund 

500 und mehr Punkte

29.04.12 21:34
technikfreund 

500 und mehr Punkte

Re: Phasenschieberoszillator

Hi Klaus & Martin!

Das hört sich sehr gut an, Martin.

Das der Wobbelgenerator mir den Frequenbereich "durchpfeift" weiß ich, deshalb hatte ich das Wort "Wobbelgenerator" auch in Anführungszeichen gesetzt. Das Gerät soll halt lediglich bei der mobilen Fehlersuche helfen und da reicht eine gut hörbare Festfrequenz aus.


Viele Grüße Technikfreund.

Zuletzt bearbeitet am 06.05.12 15:04

06.05.12 15:01
technikfreund 

500 und mehr Punkte

06.05.12 15:01
technikfreund 

500 und mehr Punkte

Re: Phasenschieberoszillator

Hallo Zusammen!

Das Gerät ist nun fertig.

Alles ist in einem kleinen Gehäuse eingebaut, damit man ihn
schnell in die Tasche packen kann.
Betrieb erfolgt über eine 9 Volt Block Batterie.

Von links nach rechts:

Batterie, 2 Stufiger NF-Verstärker, Lautsprecher, VU-Meter Gleichrichtung, Oszillator

Halbleiter: 3 Transistoren BC 547B, 1 im Oszillator, 2 im NF Verstärker,
2 Dioden & ein LM 358 in der VU-Meter Gleichrichtung.

Das Verfolgte Signal kann akustisch & optisch angezeigt werden. In das noch offene
Loch kommt eine Buchse für Kopfhörer Anschluss.





Viele Grüße Technikfreund.

Datei-Anhänge
Signalverfolger.jpg Signalverfolger.jpg (425x)

Mime-Type: image/jpeg, 73 kB

Signalverfolger Innen.jpg Signalverfolger Innen.jpg (381x)

Mime-Type: image/jpeg, 133 kB

 1
 1
Einschwingvorgänge   Oberwellenspektrum   Basisspannungsteiler   Emitterwiderstand   Phasenschiebergenerator   Phasenschieberoszillators   Phasenschieberoszillator   Kolektorwiderstand   Emitterschaltung   Rechteckschwingung   Technikfreund   NF-Untersuchungen   Phasenschiebegeneratoren   Geräuschspannngsmesser   Geräuschspannungsmesser   hobby-bastelecke   Signalunterschiede   Vielfachmessgerät   Anführungszeichen   Wobbelgenerator