| Passwort vergessen?
Sie sind nicht angemeldet. |  Anmelden

Sprache auswählen:

Wumpus Gollum Forum von
Wumpus Welt der (alten) Radios
Sie sind nicht angemeldet.
 Anmelden

Theremin-Projekt, Teil 4
  •  
 1 .. 3 4 5 6 7
 1 .. 3 4 5 6 7
28.02.15 18:44
joeberesf 

500 und mehr Punkte

28.02.15 18:44
joeberesf 

500 und mehr Punkte

Re: Theremin-Projekt, Teil 4

Hallo Arno, hallo zusammen,

ich habe hier im WGF auch schon Spicesimulationen gezeigt. Eine Hardcopy von Schaltbild und Simulation
zu schießen und als .jpg zu zeigen ist kein Problem. (Wumpus Vorschlag)
Bei Interesse an den Simulationen kann ja per e-mail schnell ausgetauscht werden.
Häufig sind bei Spice die Bauteilbibliotheken der einzelnen User unterschiedlich und der Compiler bringt
dann natürlich die entsprechende Fehlermeldung. Die zusätzlich zur Standardbibliothek verwendeten Modelle
sollten somit dann auch ausgetauscht werden.

Achtung bei Updates von Spice. Die mühselig eingegebenen Modeldaten, z.B. Spiceparameter aus Daten-
blättern, werden dann übergebügelt. Wichtig also eine Datensicherung vor dem Update.

Gruß

joerg

Hier zwei Beispiele aus dem WGF.



oder mit eingeblendetem Verlauf:



Nachtrag: Falls der Messpunkt zur Simulation dargestellt werden soll, ist eine Beschreibung dazu notwendig.
Die Probe (Messspitze) wird merkwürdigerweise bei der Hardcopy nicht mit aufgenommen. Komisch finde ich
das. Vielleicht ist das ja nur bei mir so.

Zuletzt bearbeitet am 01.03.15 12:37

Datei-Anhänge
Frittersimulation.png Frittersimulation.png (358x)

Mime-Type: image/png, 19 kB

aktuelle Schaltung.png aktuelle Schaltung.png (330x)

Mime-Type: image/png, 107 kB

!
!!! Fotos, Grafiken nur über die Upload-Option des Forums, KEINE FREMD-LINKS auf externe Fotos.    

!!! Keine Komplett-Schaltbilder, keine Fotos, keine Grafiken, auf denen Urheberrechte Anderer (auch WEB-Seiten oder Foren) liegen!
Solche Uploads werden wegen der Rechtslage kommentarlos gelöscht!

Keine Fotos, auf denen Personen erkennbar sind, ohne deren schriftliche Zustimmung.

Den Beitrag-Betreff bei Antworten auf Threads nicht verändern!
01.03.15 19:59
Arno_Jeff 

250-499 Punkte

01.03.15 19:59
Arno_Jeff 

250-499 Punkte

Re: Theremin-Projekt, Teil 4

Hallo joeberesf und alle anderen Interessierten,

genauso werde ich es auch machen, nur daß ich meine Schaltbilder im gif-Format schicke, weil diese klarer und besser lesbar sind als die jpg-Versionen.

Da ich eine ganze Menge Oszillatortypen untersucht habe, möchte ich meinen Beitrag in mehrere Abschnitte gliedern, damit nicht so ein Overkill entsteht.

Als ich mich entschlossen hatte, mein eigenes Theremin zu entwickeln, brauchte ich erstmal eine vernünftige Oszillatorschaltung. Ich gebe zu: Die Hochfrequenz war mir bis dahin immer etwas unheimlich gewesen wegen der vielen schwer vorhersehbaren Begleiterscheinungen. Und ohne ein leistungsfähiges Oszi ist man total blind.

Ein gutes Oszilloskop hatte ich glücklicherweise schon seit längerer Zeit und brauchte es auch, um meinen HiFi-Verstärker nach Elektor abzugleichen.

Im Internet fand ich zunächst den Hartley- und den Colpitts-Oszillator. Der Hartley lag mir eher, weil man "nur" eine mittig angezapfte Spule und einen Drehko braucht, während der Colpitts zwei Kondensatoren und eine Spule braucht. Laut Literatur sollte beim Colpitts die eine Kapazität "wesentlich größer" sein als die andere. Daß damit ein Verhältnis von ca. 1 : 3 oder 1 : 4 gemeint war, ging mir dann später auf.

Als ich meine ersten Oszillatoren baute, hatte ich noch kein LTspice, sondern die Demoversion eines überaus leistungsfähigen Simulationsprogramms, das mich aber, hätte ich es gekauft, über 600 Euro gekostet hätte.

Von meinem ersten Hartley habe ich also kein Originalschaltbild, sondern nur ein vergleichbares Bild aus dem Lehrfundus von LTspice, siehe Bild 01. Nur die 3. Spule hatte ich nicht drin, denn ich wollte es möglichst einfach halten.



Mein erster Versuchsaufbau auf Veroboard ist auf Bild 02 zu sehen:



Man sieht recht gut ganz links die Antennenspule, den Schwingkreis-Drehko und die beiden Schwingkreisspulen von je 100 Mikrohenry. Deren Kopplung war sehr problematisch; schon wenige Millimeter Verschiebung änderten die Amplitude und das Schwingungsbild drastisch. Der Transistor in der Mitte ist übrigens ein 2N2222, der sich für HF-Anwendungen sehr gut eignet.

Später habe ich noch einen Ferritstab dazwischen geklemmt, um die Kopplung variieren zu können.

Im Internet fand ich ein von der Universität Glasgow entwickeltes Theremin, dessen Colpitts-Oszillator ich in LTspice übernahm, um damit experimentieren zu können, siehe Bild 03. Die Schaltung habe ich etwas optimiert, doch ganz zufrieden war ich nicht mit ihrem Verhalten.



Meine Verbesserung bestand vor allem in der Hinzufügung einer negativen Fußpunktspannung für den Impedanzwandler-FET, weil sonst die unteren Bögen der Wechselspannung abgeschnitten worden wären.

Doch dann baute ich meinen ersten wirklich weitaus besser funktionierenden Oszillator: Den Twin-Oszillator mit obenliegendem Schwingkreis. Ich hatte nämlich herausgefunden, daß die Empfindlichkeit auf die Handkapazität weit besser ist, als wenn der Schwingkreis unten an Masse liegt.



Damit die HF-Spannung auch belastbar wird, ohne in der Mischerstufe zusammenzubrechen, setzte ich statt des FET-Impedanzwandlers eine Gegentakt-Endstufe ein, wie ich sie von der HiFi-Technik her kenne. Die Dioden zwischen den Basen verringern die Übernahmeverzerrungen im Nulldurchgangsbereich. Der Gegentakt-AB-Betrieb bietet beste Stabilität auch bei höherer Belastung und spart Strom.

Die Endtransistoren sind nur wegen LTspice so gewählt, weil das Programm das Paar BC141/BC161 nicht kennt.

Mit dieser Endstufentechnik bin ich seitdem immer bestens gefahren. Die FET-Impedanzwandlung hatte ich in einem Versuchsaufbau angewandt, doch ab und zu brannte ein BF245A durch, obwohl das nicht hätte passieren dürfen.

Mit der Schaltung nach Bild 04 hatte ich dann meine erste funktionierende Theremin-Platine bestückt.

Fortsetzung folgt!

Viele Grüße

Arno_Jeff

Datei-Anhänge
Bild01_HartleyLTC.gif Bild01_HartleyLTC.gif (322x)

Mime-Type: image/gif, 19 kB

Bild02_Hartley_Osc05.jpg Bild02_Hartley_Osc05.jpg (347x)

Mime-Type: image/jpeg, 73 kB

Bild03_Colpitts_1M_1.gif Bild03_Colpitts_1M_1.gif (408x)

Mime-Type: image/gif, 24 kB

Bild04_Osc5Twin_Gegentakt_530.gif Bild04_Osc5Twin_Gegentakt_530.gif (404x)

Mime-Type: image/gif, 30 kB

03.03.15 22:19
Arno_Jeff 

250-499 Punkte

03.03.15 22:19
Arno_Jeff 

250-499 Punkte

Re: Theremin-Projekt, Teil 4

Hallo, liebe Forenmitglieder, hier kommt mein nächster Beitrag:

Der Twin-Oszillator in Bild 04 war für 530 kHz mit einem Schwingkreis-Berechnungsprogramm berechnet worden. Doch LTspice rechnet noch präziser, denn es berücksichtigt alle Einflüsse der den eigentlichen Schwingkreis umgebenden Bauteilewerte. Deshalb kamen bei dieser Schaltung nur 516, 75 kHz heraus.

Mit der Fast-Fourier-Transform-Option (FFT) in LTspice kann man sich das komplette Frequenzspektrum anzeigen lassen.

Der Kondensator C10 repräsentiert die Handkapazität des Thereminspielers. Bei maximaler Hand-Entfernung von der Pitch-Antenne habe ich 0,001 pF angenommen. Bei maximal angenäherter Hand (ohne die Antenne zu berühren) ist es etwa 1 pF. Die Empfindlichkeit wird in kHz/pF gemessen.

Wenn man für C10 jetzt 1 pF annimmt, sinkt die Frequenz nicht, wie sie eigentlich sollte, sondern steigt sogar leicht an. Das liegt an der schlechten Abstimmung des Antennen-Schwingkreises.



In Bild 05, derselben Schaltung wie im vorigen Bild, wurde der Antennenkreis optimiert.

Dem in Colmar im Elsaß lebenden »Theremingenieur« Thierry Frenkel, mit dem ich seit etlichen Jahren in Verbindung stehe, verdanke ich den entscheidenden Hinweis, daß die Antennen-Induktivität mindestens das 150-fache der Schwingkreis-Induktivität betragen sollte.

Lev Termen hatte ein weiteres Geheimnis, das erst vor wenigen Jahren entschlüsselt werden konnte: Er teilte die Induktivität in eine sehr große und eine sehr kleine auf und koppelte diese beiden Spulen mit einem kleinen abstimmbaren Kondensator.

Die Eigenfrequenz des Antennenkreises sollte nur wenige kHz unterhalb der tiefsten Frequenz des Theremin-Oszillators liegen. Da der Oszillator mit ca. 516 kHz schwingt, habe ich die Eigen- oder Resonanzfrequenz des Serien-Antennenkreises auf 510 kHz dimensioniert. Die winzige Kapazität des Koppelkondensators kann man durch einen SMD-Trimmer auf dem Stirnring der Spule realisieren.

Der solcherart verbesserte Oszillator zeigt jetzt 3,35 kHz/pF, das sind gut 7 Oktaven. Somit ist diese Schaltung als variabler Oszillator für ein Theremin geeignet.

Der Vermerk »K1 L2 L3 1« ist ein LTspice-Steuerbefehl, der für die beiden Spulen den Koppelfaktor 1 vorgibt.

Nur mit einem optimal abgestimmten Antennen-Serienschwingkreis ist ein Oszillator wirklich theremintauglich. Wenn alle Werte gut aufeinander abgestimmt sind, geschieht plötzlich ein kleines Wunder: Der Tonbereich wird schön weit, und er wird hervorragend linear.

Nur ein über mehrere Oktaven lineares Theremin ist überhaupt als Musikinstrument brauchbar. Die physikalischen Gesetzmäßigkeiten bewirken nämlich die totale Nichtlinearität: Im Mittelbereich kann man gerade mal eine oder anderthalb Oktaven spielen und hat bis zur Antenne nur noch wenige Zentimeter übrig, die den ganzen Frequenzbereich bis über 4 kHz beinhalten, und unterhalb des Spielbereichs bräuchte man schon Pratzen wie King Kong oder Godzilla, um mit einer Handspanne noch eine Oktave zu spielen.
Damit das Theremin überhaupt über einen weiten Bereich linear spielbar wird, braucht man die oben besprochene Serienschwingkreisschaltung zwischen Antenne und Oszillator.

Die meisten Konstrukteure legen den Schwingkreis an Masse, und die Halbleiterschaltung versorgt ihn »von oben« mit Energie.
Ich ging genau den anderen Weg: Die Transistorschaltung liegt an Masse, und der Schwingkreis (auch Tankkreis genannt) liegt zwischen Kollektor (bzw. Drain beim FET) und dem Pluspol der Schaltung. Das verbessert die Empfindlichkeit entscheidend.
Jedenfalls habe ich das festgestellt und fand es immer wieder bestätigt.

Der Twin-Oszillator benötigt auf der Platine ziemlich viel Platz und hat auch einige Nachteile, die sich erst in der Betriebspraxis herausstellten. Als ich mein Prototyp-Exemplar der Volume-Platine mit dem Twin-Oszillator im Probebetrieb hart herannahm, indem ich längere Zeit mit Staccato spielte, zeigten sich die Schwächen: Einer der Schwingkreistransistoren gab plötzlich den Geist auf, weil mit dem Staccato auftretende HF-Bursts für ihn zuviel waren. Ich konnte es auf dem Oszi-Schirm direkt beobachten.

Deshalb probierte ich auch den Armstrong-Oszillator aus mit FET anstatt der Röhre. Die Schaltung ist in Bild 06 zu sehen:



Die Empfindlichkeit auf die Handkapazität stellte mich nicht zufrieden. Diese Version habe ich nur auf dem Steckbrett ausprobiert.

Fast zeitgleich mit dem Armstrong-Oszillator erfand Meißner seine Oszillatorschaltung, die sich bei mir als weitaus variabler und praktikabler erwies.



Den werde ich im nächsten Beitrag besprechen.

Grüße

Arno_Jeff

Datei-Anhänge
Bild05_Osc5Twin_Gegentakt_517_imprv.gif Bild05_Osc5Twin_Gegentakt_517_imprv.gif (336x)

Mime-Type: image/gif, 30 kB

Bild06_Osc_Armstrong_Gegentakt_542.gif Bild06_Osc_Armstrong_Gegentakt_542.gif (369x)

Mime-Type: image/gif, 27 kB

Bild07_Osc_Meissner_FET_Varac.gif Bild07_Osc_Meissner_FET_Varac.gif (358x)

Mime-Type: image/gif, 28 kB

03.03.15 23:14
Arno_Jeff 

250-499 Punkte

03.03.15 23:14
Arno_Jeff 

250-499 Punkte

Re: Theremin-Projekt, Teil 4

Hallo zusammen,

seit ich den Meißner-Oszillator zum ersten Mal auf einem Steckbrett in der Realität ausprobiert hatte, blieb ich bei diesem Konzept.

Er ist sehr flexibel und schwingt auch mit ausgefallenen L/C-Verhältnissen zuverlässig an, und der aktive Bauteil kann außer der Röhre auch ein FET oder ein bipolarer Transistor sein.

Der Oszillator nach Bild 7 diente als lokaler (fester) Oszillator, deshalb ist auch keine Antenne eingezeichnet.

Das Blockschaltbild für mein Theremin findet sich in meinem Beitrag vom 18. April 2013. Dort sind auch der lokale und der variable Oszillator verzeichnet.

Der Einfachheit der Schaltung wegen hatte ich als Impedanzwandler einen FET eingesetzt statt meiner Gegentakt-Endstufe.

Um den Pitch präzise auf Null abzugleichen, was an jedem Spielort immer wieder erforderlich ist, hatte ich den Feinabgleich mit einer Kapazitätsdiode realisiert, was technisch auch gut funktionierte.

Doch von Thierry kam die Warnung, von dem "Teufelszeug" der Kapazitätsdiode die Finger zu lassen. Denn wenn die Amplitude mehr als einige 100 mV groß ist, schwankt die Kapazität der Diode im Rhythmus der Oszillatorfrequenz, und das kann zu furchtbarem Phasenrauschen führen.

Von dieser Schaltung also hieß es Abstand nehmen.

Wie ich es dann gemacht habe, ohne Phasenrauschen zu erzeugen, werde ich später offenbaren.

In der Zwischenzeit probierte ich auch den Clapp-Oszillator aus. Doch da ich die Antennenkreis-Abstimmung nicht perfekt hinbekam, ließ ich ihn wieder fallen.

Erst vor wenigen Tagen machte ich mich daran, mit den inzwischen gewonnenen Erkenntnissen den Antennenkreis zu optimieren und bekam eine hervorragende Handempfindlichkeit heraus, siehe Bild 08.



Die Schaltung ist zugegebenermaßen anspruchsvoll, erfordert sie doch einen Ausgangsübertrager, damit die Spannung vor der Gegentaktschaltung nicht zusammenbricht, und der FET-Fußpunkt muß mit 3,9 mH gegen Masse entkoppelt sein. Zudem erfordert sie eine Extra-Speisespannung, weil die Schwingungen über 9 V aussetzen - doch wer diese Mühen nicht scheut, wird mit über 5 kHz/pF belohnt.

Ich scheute diese Mühen und baute stattdessen für die Volume-Schaltung den in Bild 09 gezeigten Meißner-Oszillator, der mich in jeder Richtung zufriedenstellte.



Die Schleifenantenne ermöglicht eine höhere Handkapazität, die ich auf ca. 1,8 pF schätzte. Die Schaltung verträgt auch 2 pF, ohne instabil zu werden. Der Antennenkreis darf einfacher sein als bei der Pitch-Schaltung.

Bei bestimmten Handkapazitäten von C1 zeigt LTspice an der Antenne manch seltsames Phänomen, das am Ausgang gar nicht bemerkbar ist. Hier ein Beispiel für 2 pF, also Hand dicht über der Schleifenantenne, Ausgang stumm.



Ob das wirklich stimmt, kann ich nicht sagen, jedenfalls habe ich noch bei keiner meiner Thereminschaltungen einen Schlag bekommen.

In Bild 11 zeige ich meine real aufgebaute Volume-Schaltung mit gut abgestimmtem Antennenkreis, Meißner-Oszillator und zweistufigem steilflankigem Filter.



C10 ist die Handkapazität, C2 ist der abstimmbare Schwingkreiskondensator. In dieser Schaltung müssen alle Parameter über 3 Stufen hinweg exakt aufeinander abgestimmt sein, um maximale Empfindlichkeit zu erzielen.

Bei C10 minimal muß die Ausgangsspannung ein Maximum werden, bei C10 = 1,8 pF muß sie möglichst klein werden. Man bewegt sich auf der Filterkurve vom Maximalwert abwärts in Richtung sinkender Frequenzen.

Um den Optimalwert zu erreichen, habe ich unter LTspice die Option "step param" eingesetzt, bei der der Schwingkreis-Drehko C2 in Cx umbenannt und dann schrittweise erhöht wird, bis man den idealen Resonanzpunkt findet.

Diese Schaltung ist fertig aufgebaut für mein 2. Exemplar und wartet auf die Fertigstellung, die nach unserem Umzug nach Dortmund hoffentlich weitergehen wird, wenn ich in der neuen Wohnung alle Löcher gebohrt haben werde, die zur Aufhängung von Lampen, Wandregalen usw. notwendig sind.

Im nächsten Beitrag werde ich meine neueste, ebenfalls mit Erfolg realisierte Pitch-Schaltung vorstellen, mit der mein Theremin Nr. 2 arbeiten wird.

Bis dahin mit vielen Grüßen

Arno_Jeff

Datei-Anhänge
Bild08_Clapp08_Trafo_800k.gif Bild08_Clapp08_Trafo_800k.gif (394x)

Mime-Type: image/gif, 31 kB

Bild09_Osc_Meissner_FET_Gegentakt_Vol.gif Bild09_Osc_Meissner_FET_Gegentakt_Vol.gif (346x)

Mime-Type: image/gif, 26 kB

Bild10_Meissner_FET_Gegent_Antenne.gif Bild10_Meissner_FET_Gegent_Antenne.gif (335x)

Mime-Type: image/gif, 41 kB

Bild11_Osc_Meissner_FET_Gegentakt_VolYP.gif Bild11_Osc_Meissner_FET_Gegentakt_VolYP.gif (425x)

Mime-Type: image/gif, 34 kB

14.03.15 22:51
Arno_Jeff 

250-499 Punkte

14.03.15 22:51
Arno_Jeff 

250-499 Punkte

Re: Theremin-Projekt, Teil 4

Hallo zusammen,

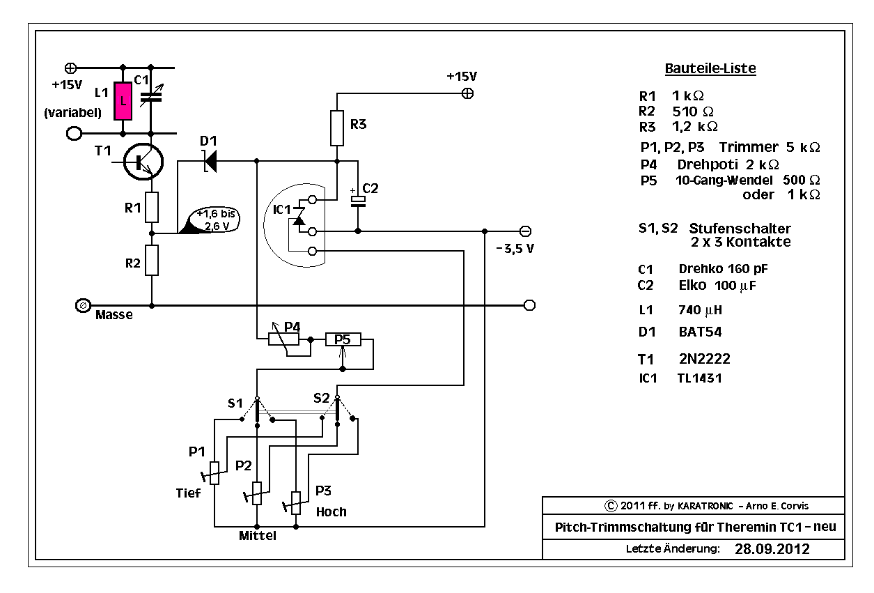
hier kommt jetzt die neueste Variante der Pitch-Oszillatorschaltung für mein Theremin Nr. 2, die bereits fertig aufgebaut ist und bestens funktioniert.

Im Schaltbild ist C10 die Kapazität der Spielerhand, die von 0,001 bis 1 pF variieren kann. L3/L4 bilden, zusammen mit dem SMD-Trimmer C6, den Antennen-Serienschwingkreis. L3 und L4 müssen lose gekoppelt sein, deshalb setzte ich den Koppelfaktor nicht gleich 1, sondern nur 0,25. Denn die beiden Spulen stecken nur ineinander und haben keinen Ferritkern.

Die Teleskop-Antenne wird stramm passend in ein Messingrohr in der Luftspule eingesetzt. Als ich versuchsweise einen Ferritstab in dieses Messingrohr schob, wurde die Induktivität kleiner statt größer - so wirkt sich Messing aus.

Um beste Resultate zu erzielen, sollte die Antennenkreis-Induktivität mindestens das 150-fache der Induktivität des Haupt-Schwingkreises betragen. Die Antennenkreis-Eigenfrequenz muß möglichst dicht unterhalb der Hauptfrequenz liegen, darf sich aber keinesfalls mit ihr überlappen.



In meiner Schaltung liegt die Resonanzfrequenz des Antennenkreises bei 567 kHz, und der Pitch-Schwingkreis arbeitet mit 638 kHz. Das liegt weit genug auseinander.

Der Trimmer sollte rechnerisch 88,093 pF haben, doch LTspice wollte ihn auf 80 pF haben, damit die Wunschfrequenz herauskam. Das ist kein Fehler des Programms, sondern eine Folge der Rechenpräzision von LTspice: Es berücksichtigt nämlich auch noch sämtliche anderen Kapazitäten ringsherum einschließlich der Sperrschichtkapazität der Halbleiter und so weiter.

Da LTspice den BF245A nicht kennt, mußte ich den 2N5486 in die Simulation einsetzen. In den Datenblättern sind die beiden FET-Typen ganz identisch.

Die Rückkopplungsspule ist mit 340 Mikrohenry ziemlich groß dimensioniert. Thierry riet mir dazu, um den Transistor schön kräftig auszusteuern, wodurch er williger anschwingt.

Den Widerstand R3 könnte man weglassen, doch dann werden die oberen Sinusbögen geclippt, das sieht nicht schön aus, schadet aber auch nichts.

Selbst wenn man den zur NF-Erzeugung verwendeten Ringmodulator mit Rechtecksignalen füttern würde, käme am Ausgang ein schöner Sinus heraus.

Der Kondensator C3 dient zur Unterdrückung der ersten Oberwelle mit der doppelten Frequenz. In der Praxis ist er nicht leicht korrekt einzustellen, da er auch auf die Oszillatorfrequenz etwas zurückwirkt.

Die Gegentaktschaltung macht die Ausgangsspannung niederohmig und ziemlich hoch belastbar, weil ja die 3 verschiedenen Stimmen dranhängen. Ein zu hochohmiges Signal könnte leicht zusammenbrechen.

Das ist also der variable Pitch-Oszillator (zur Erinnerung: Pitch bedeutet die Tonhöhe).

Nun kommt der konstante oder im englischen Sprachgebrauch lokal genannte Oszillator dran. Seine Frequenz muß sich trimmen lassen, um an jedem Spielort den Nullpunkt neu einzustellen.

Die Kapazitätsdiode war tabu wegen der hohen Amplitude. Doch ich fand eine Lösung: Der Meißner-Oszillator bekam einen BC550C, mit dem er hervorragend stabil schwingt. Auf die Temperaturkonstanz werde ich später noch eingehen.



Ich fand folgendes heraus: Wenn man den Emitterwiderstand von 1,5 Kiloohm drittelt und im unteren Drittelpunkt eine variable Gleichspannung einspeist, kann man die Frequenz um einige kHz verändern. Es gilt: Je mehr Volt, desto mehr kHz, aber weniger Amplitude. Die Trimmspannung darf 2,5 V nicht wesentlich überschreiten, da sonst die Schwingungen aussetzen.

Die Schottkydiode schützt die Zenerschaltung vor Hochfrequenz-Einflüssen, die ihre Funktion beeinträchtigen könnten.

Die mit der TL1431 stabilisierte Gleichspannung wird durch ein Grob- und ein Feinpoti (10-Gang Wendel mit Digitalskala) im Bereich von ca. 1,5 bis maximal 2,6 V dem besagten Punkt des Oszillators zugeführt.

Die Pitch-Einstellung bei Moog-Etherwave-Thereminen und auch anderen Fabrikaten fand ich viel zu grob und unsensibel: Nur 1 bis 2 Winkelgrade am Einstellknopf, und schon eine halbe Oktave höher oder tiefer, das war nicht mein Fall. Deshalb fand ich diese Lösung, mit der ich den Pitch-Nullpunkt wirklich ganz fein und exakt einstellen kann.

Die Schaltung dazu gibt es hier im Bild, ausnahmsweise nicht als LTspice-Schaltbild:



Von Anfang an legte ich größten Wert auf Temperaturstabilität. Die "normalen" Ferritstäbe lassen die Induktivität stark schwanken und kamen nicht in Frage. Auch die auf Pappröllchen gewickelten Luftspulen eines Versuchsmodells stellten mich wegen der schlechten Reproduzierbarkeit nicht zufrieden.

Sehr gute Erfahrungen habe ich mit Ferrit-Topfkernen gemacht. Diese Ferritmischungen behalten ihre AL-Werte auch bei stark schwankenden Temperaturen.

Alle meine Kondensatoren (bis auf die Trimmer) sind Glimmertypen. Dadurch bleibt mein Theremin über Monate stabil.

Fortsetzung folgt.

Datei-Anhänge
Bild12_Osc_Meissner_FET_Gegentakt_PitchVar.gif Bild12_Osc_Meissner_FET_Gegentakt_PitchVar.gif (324x)

Mime-Type: image/gif, 31 kB

Bild13_Osc_Meissner_Gegentakt_Trim1.gif Bild13_Osc_Meissner_Gegentakt_Trim1.gif (349x)

Mime-Type: image/gif, 30 kB

Pitch-Trimm3.gif Pitch-Trimm3.gif (342x)

Mime-Type: image/gif, 23 kB

14.03.15 23:23
Arno_Jeff 

250-499 Punkte

14.03.15 23:23
Arno_Jeff 

250-499 Punkte

Re: Theremin-Projekt, Teil 4

Hallo zusammen,

hier kommt jetzt das letzte Kapitel meines Beitrages mit abschließenden Betrachtungen.

Meine Oszillatorschaltungen im Theremin Nr. 1 haben sich nun schon seit 2 Jahren als so stabil erwiesen, daß ich die Ferritspulen oder die Drehkos nie nachzustellen brauchte.

Den Pitch kann ich auf 3 Arten einstellen: Ganz grob über die Länge der Teleskop-Antenne, dann mit dem Grob-Einstellpoti und ganz fein (Halbtöne oder weniger) mit dem 1-Gang-Wendelpoti.

Einer Diskussion auf der "Theremin World"-Seite entnahm ich, daß lange, dünne Antennen bessere Linearität haben als kurze, dicke. Da liege ich mit meiner nach oben immer dünner werdenden Teleskop-Antenne genau richtig.

Zur Pitch-Trimmung noch folgendes: Während bei Moog-Thereminen das Pitchfeld durch Linksdrehen länger wird und durch Rechtsdrehen kürzer, ist es bei mir umgekehrt: Rechtsdrehung des Potis erhöht die Trimmspannung und damit auch die Frequenz des lokalen Oszillators. Da der variable Oszillator nie höher gehen darf als der lokale, sondern nur niedriger, steigt beim Rechtsdrehen auch die Differenz- oder Schwebungsfrequenz: Der Ton wird höher, das Pitchfeld also länger. Die optimale Länge entspricht nach der Schule von Carolina Eyck einer Armspannweite vom höchsten Ton bis zum Schwebungsnull.

Im Internet lernte ich auch den für seine Stabilität berühmten Vackar-Oszillator kennen. Für Interessierte bringe ich hier sein LTspice-Bild:



Für Theremin-Zwecke eignet er sich nicht, denn ich fand keinen Punkt, an dem ich mit einer Antenne eingreifen könnte, um seine Frequenz zu erniedrigen. Auch als lokaler Oszillator ist er nicht gut brauchbar, weil er keine eingespeiste Trimmspannung verträgt.

Außerdem schwingt er nicht gerne freiwillig an. Damit er unter LTspice überhaupt startet, braucht er einige Impulszacken, dafür dient die zusätzliche Generatorschaltung.

Ein Problem ist auch die Versorgungsspannung, die 8,5 V nicht überschreiten darf, weil dann nichts mehr schwingt.

Das legendäre Tvox-Tour, das der Russe Georg Pawlow entwickelt hat, wurde von einem russischen Elektroniker inzwischen "geknackt". Sein Oszillator ist die Lambda-Diode aus einem FET-Komplementärpaar.

Ich habe es in LTspice "nachgebaut" und wieder den Tankkreis nach oben gelegt, weil dann die Empfindlichkeit am höchsten ist.

Bemerkenswert ist an dieser Schaltung, daß die Antenne direkt gekoppelt ist ohne einen Serienschwingkreis. Als ich versuchsweise so einen Serienkreis einfügte, ging die Hand-Empfindlichkeit völlig verloren.

Die Speisespannung darf nur recht niedrig sein, weil bei über 5 V die Schwingungen aussetzen. Auch die Stabilisierung durch meine Gegentaktschaltung ist verboten: Die Amplitude ist wunderschön stabil, aber es gibt dann keine Antennen-Empfindlichkeit mehr!

Hier zeige ich mein LTspice-Schaltbild nach der im Internet vorgefundenen Schaltung. Da dem Russen, der sich Ilya nennt, keine Urheberrechtsverletzungen vorgeworfen wurden, glaube ich, diese Schaltung vorstellen zu dürfen, zumal ich sie ja auch etwas abgeändert habe.



Damit bin ich jetzt am Ende meiner Ausführungen angekommen und danke Euch allen für Eure Aufmerksamkeit.

Für Fragen, Anregungen und Diskussionsbeiträge stehe ich jederzeit gerne zur Verfügung.

Mit den besten Grüßen

Arno_Jeff

Datei-Anhänge
Bild14_Osc_Vackar00X.gif Bild14_Osc_Vackar00X.gif (308x)

Mime-Type: image/gif, 22 kB

Bild15_lambda_diode_osc_Tank_oben.gif Bild15_lambda_diode_osc_Tank_oben.gif (401x)

Mime-Type: image/gif, 27 kB

15.03.15 10:00
MB-RADIO 

500 und mehr Punkte

15.03.15 10:00
MB-RADIO 

500 und mehr Punkte

Re: Theremin-Projekt, Teil 4

Hallo Arno,

vielen Dank, äußerst interessant, wie Du zum Ziel gekommen bist.

Das schwierigste ist wohl die Stabilität des Oszillators mit der Handkapazitiven empfindlichkeit zu vereinen.
Ich könnte mir vorstellen, daß das bei jeder Konstruktion etwas anders ist und daduch nicht Jeder , so er es überhaupt kann, auf jedem Gerät spielen kann - sich halt an das Gerät gewöhnen muß.
Oder sehe ich das falsch.

Klasse finde ich auch, wie Du bastlerisch herangegangen bist , wenn auch ich Einiges anders gelöst hätte - es führen eben viele Wege nach Rom - bei zehn Entwicklern kommen eben zehn verschiedene Varianten heraus.
Klasse finde ich auch, wie Du mit dem Simulationsprogramm optimierst - da habe ich mich noch nicht herangetraut.

Wie hast Du eigentlich die größe Der Handkapazität herausgefunden, denn direktes Messen geht da irgendwie schlecht. Gut man kann vergleichsweise anstatt der Hand Kondensatoren anlöten, welche die gleiche Frequenz ergeben , aber das ist recht umständlich.

Viele Grüße
Bernd
der sich für sämtliche Kuriositäten der Elektronik interessiert.

15.03.15 16:37
Arno_Jeff 

250-499 Punkte

15.03.15 16:37
Arno_Jeff 

250-499 Punkte

Re: Theremin-Projekt, Teil 4

Hallo Bernd,

danke für Deine Anfrage.

Die Handkapazität kann ich natürlich auch nicht genau messen, sondern sie ist ein ungefährer Schätzwert. Zwischen der Hand und der Antenne können nach praktischen Erwägungen nicht mehr als 1 bis 2 pF entstehen. Mit der Hand ganz dicht an der Pitch-Antenne kommt mein Theremin auf ca. 4 kHz.

Nach der Empfindlichkeitsberechnung kommen da etwa maximal 2 pF hin.

Bei der Schleifenantenne ist es etwas mehr, eben weil sie bogenförmig ist, so daß mehr Kapazität zwischen Hand und Antenne entstehen kann.

Nach der Filterkurve der Volume-Schaltung ist die Oszillatorfrequenz bei 1,8 pF Handkapazität um ca. 16 kHz erniedrigt. Mit der linken Hand direkt über der Schleife sinkt die Frequenz um maximal 20 bis 25 kHz. Das müssen dann etwa 2 bis 2,5 pF sein. Entsprechend niedriger ist dann die Kapazität bei der rechten Hand.

Die Abstimmung des Antennenkreises mit der Oszillatorschaltung ist wirklich ein Balanceakt und wenn sie gelingt, eine künstlerische Leistung. Mit einem winzigen Dreh am SMD-Trimmer zwischen den Antennenspulen kann man entweder alles verderben - oder ein kleines Wunder erleben, wenn plötzlich die Frequenz bei Annäherung der Hand um bis zu 5 kHz heruntergeht. Im praktischen Betrieb bleiben dann immer noch etwa 4 kHz übrig.

Zu Deiner Frage nach der Gewöhnung an ein neues Instrument: Das ist Übungssache, und ein erfahrener Thereminist kann sich ziemlich schnell auf jedes Instrument einstellen. Dafür ist ja auch die Pitch-Trimmung da. An meinem Theremin kann man auch den mit der linken Hand überstreichbaren maximalen Lautstärkebereich einstellen.

In Colmar bei der Theremin-Akademie 2013 war auch Lydia Kavina anwesend, und ich ließ sie mein Instrument anspielen. Sie kam spontan damit zurecht und befand, daß es einen wunderschönen Klang hätte. Unter ihren Meisterhänden entfaltete sich ein noch viel reicherer und lebendigerer Klang als bei mir.

Manche Thereministen wollen gar keine perfekte Linearität haben, z. B. Peter Pringle. In den hohen Lagen lehnt er sich mit dem ganzen Körper nach vorne und erweitert dadurch das Pitch-Feld so, wie er es braucht. Auch Lydia Kavina beugt sich etwas vor oder zurück, denn ihr Tvox-Tour ist auch nicht besonders linear.

Carolina Eyck sitzt beim Vorspiel auf einem Spezialhocker, bewegt also nur ihre Hand und die Finger. Sie braucht es äußerst linear. In den höheren Lagen, wo die Oktaven enger werden, winkelt sie die rechte Hand immer steiler nach oben an.

So hat jeder Thereminist seinen Spielstil. Ich bevorzuge die bestmögliche Linearität.

Zu LTspice: Wenn Du damit arbeitest, hast Du dann schon mal Frequenzkurven von Filterschaltungen ausprobiert? Da gibt es im Menüpunkt "Edit Simulation Cmd" die Unterpunkte "Tran" und "AC Analysis" und noch einige andere. Mit AC Analysis kannst Du die untere und obere Grenze des gewünschten Frequenzbereichs einstellen. Mit Tran für Transienten bekommst Du die aktuelle Wellenform.

Meine Filterschaltung nach dem Volume-Oszillator erreicht ca. 35 dB.

LTspice hat aber noch viele andere Fähigkeiten, die ich noch gar nicht ausgelotet habe.

Viele Grüße

Arno_Jeff

15.03.15 21:41
regency 

500 und mehr Punkte

15.03.15 21:41
regency 

500 und mehr Punkte

Re: Theremin-Projekt, Teil 4

Hallo Arno_Jeff,
auch ich finde die gesamte Entwicklung, die deine Theremine genommen haben, sehr interessant. Danke für die Ausführlichkeit und vielen Erläuterungen. Besonders die FET Varianten decken sich zum Teil mit meinen Versuchen, einen guten Pitchoszillator hinzubekommen. Im kleinen Spannungsbereich sind zudem Sperrschicht-FET in den Kennlinien den Trioden so ähnlich, dass es nahe liegt, sie zu nutzen.

Vielleicht kriegen wir ja doch auch für weitere Projekte eine kleine Thereminecke hier im Forum "genehmigt", denn da gibt es viele radiotechnische und audiotechnische Grundlagen und Erkenntnisse, aber auch radiohistorisch spannende Dinge....

Grüße von Jan

16.03.15 09:37
Wolle 

500 und mehr Punkte

16.03.15 09:37
Wolle 

500 und mehr Punkte

Re: Theremin-Projekt, Teil 4

Hallo Arno.

Vielen Dank für die detailierte Vorstellung deiner Arbeiten. Ich habe nur ein Problem mit dem Lesen der Schaltpläne. Ich weiß nicht, wie es den anderen geht. Vielleicht läßt sich hier noch etwas verbessern.

Mit lieben Grüßen.
Wolle

 1 .. 3 4 5 6 7
 1 .. 3 4 5 6 7
Schwingkreis-Berechnungsprogramm   Serienschwingkreisschaltung   Fast-Fourier-Transform-Option   Theremin   Laser-Werkstoffbearbeitungsfirma   Oszillator   LTspice   Instrument   speicherplatz-intensiveren   Antennenkreis-Induktivität   Moog-Etherwave-Thereminen   Empfindlichkeitsberechnung   Antennenkreis-Eigenfrequenz   Vierquadrantenmultiplikator   Kollektor-Emitter-Spannung   Theremin-Projekt   Schaltung   Schwingkreis-Induktivität   Grüße   Antennen-Serienschwingkreis