| Passwort vergessen?
Sie sind nicht angemeldet. |  Anmelden

Sprache auswählen:

Wumpus Gollum Forum von
Wumpus Welt der (alten) Radios
Sie sind nicht angemeldet.
 Anmelden

Superhet
  •  
 1 2 3 4 5 .. 12 .. 19
 1 2 3 4 5 .. 12 .. 19
23.01.11 12:29
Martin.M 

500 und mehr Punkte

23.01.11 12:29
Martin.M 

500 und mehr Punkte

Re: Superhet

hallo Thomas,

feines Gerätchen gebaut, Glückwunsch.

nette Grüße
Martin

!
!!! Fotos, Grafiken nur über die Upload-Option des Forums, KEINE FREMD-LINKS auf externe Fotos.    

!!! Keine Komplett-Schaltbilder, keine Fotos, keine Grafiken, auf denen Urheberrechte Anderer (auch WEB-Seiten oder Foren) liegen!
Solche Uploads werden wegen der Rechtslage kommentarlos gelöscht!

Keine Fotos, auf denen Personen erkennbar sind, ohne deren schriftliche Zustimmung.

Den Beitrag-Betreff bei Antworten auf Threads nicht verändern!
23.01.11 13:24
joeberesf 

500 und mehr Punkte

23.01.11 13:24
joeberesf 

500 und mehr Punkte

Re: Superhet

Hallo Thomas,

das Gerät ist Dir sehr gelungen. Ich finde diese offene Bauweise auch faszinierend.
Man kann im Betrieb alle Bauteile in Funktion sehen und bei Dir kommt auch noch
die mechanische Komponente dazu. (Skala und Luftdrehko). Im abgedunkelten
Zimmer bestimmt eine Augenweide.

Das geht bei einem Röhrenradio natürlich nur, wenn man sich für ungefährliche Kleinspannungen
entscheidet. Ich mache ja auch diese Versuche mit Spannungen um 50VDC. Ich bin jetzt schon
gespannt auf den Schaltplan, da ich auch immer Anregungen suche, um meine Bastelein zu erweitern und zu
verbessern.
Ohne das WGF wäre ich auch noch nicht so weit gekommen. Das Radiowissen wächst ständig, auch
wenn man mal Rückschläge erleiden muss. Aber so ein Gerät ist schon wirklich ein absolutes
Erfolgserlebnis und bestätigt weiter zu machen.

Tolle Bilder.

Gruß

Joe

30.01.11 16:55
omthomas 

250-499 Punkte

30.01.11 16:55
omthomas 

250-499 Punkte

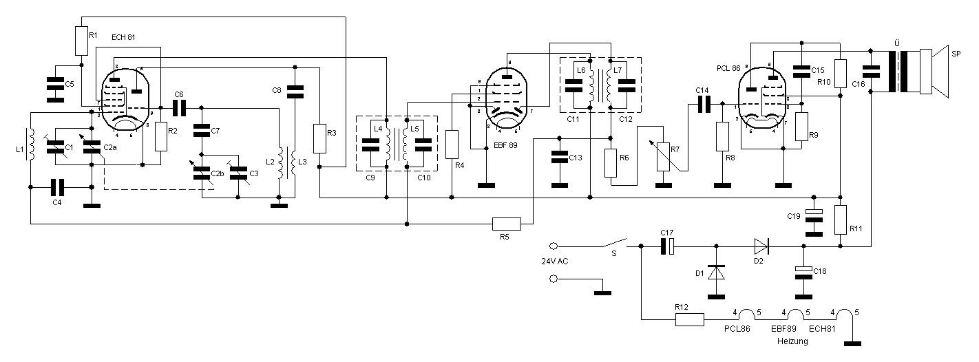
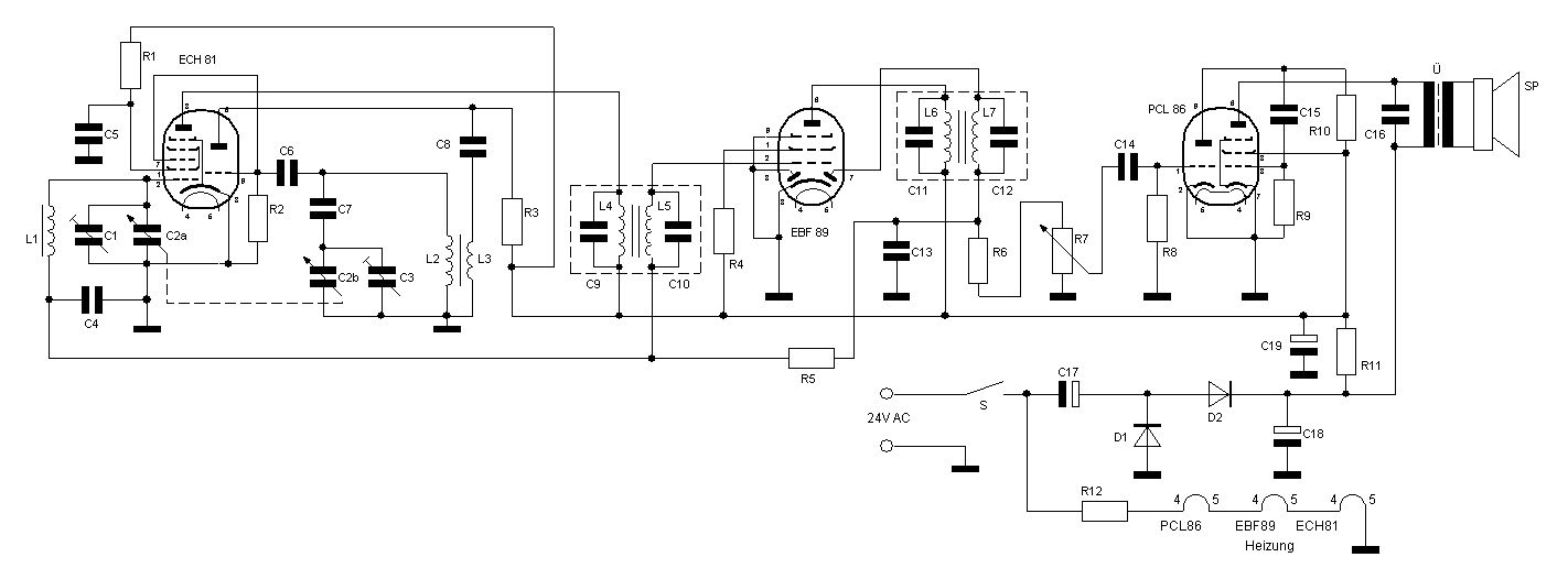
Re: Superhet Schaltung

Hallo,

hier zunächst das Schaltbild des Radios.
Noch ohne Bauteilwerte.
Da das Radio modulartig aufgebaut ist, werde ich die einzelnen Baugruppe nacheinander vorstellen.



Gruß
Thomas

Zuletzt bearbeitet am 30.01.11 17:01

Datei-Anhänge
Schaltung V1.jpg Schaltung V1.jpg (699x)

Mime-Type: image/pjpeg, 81 kB

30.01.11 18:35
omthomas 

250-499 Punkte

30.01.11 18:35
omthomas 

250-499 Punkte

Re: Superhet - Spannungsversorgung

Hallo,

hier die Spannungsversorgung des Superhets.



Es ist eine ganz normale Spannungsverdopplerschaltung.
Die Anodenspannung der Endröhre beträgt ca. 70 V.
R11 und C19 sieben die Versorgungsspannung der anderen Röhren.
Da alle verwendeten Röhren einen Heizstrom von 0,3 A ziehen, habe ich sie in Reihe geschaltet.
Die Heizspannung der PCL86 beträgt 13 V, die der anderen beiden Röhren je 6,3V; das macht zusammen 25,6 V.
Da das Netzteil ca. 27 V liefert und ich die Röhren nicht überheizen wollte (was hier natürlich kein Problem ist), habe ich noch R12 eingebaut, über dem auch noch mal 1,5 V abfallen. Fertig ist die Spannungsversorgung.



Zuletzt bearbeitet am 30.01.11 18:37

Datei-Anhänge
Spannungsversorgung.jpg Spannungsversorgung.jpg (591x)

Mime-Type: image/pjpeg, 72 kB

Spannungsversorgung 0.JPG Spannungsversorgung 0.JPG (480x)

Mime-Type: image/pjpeg, 133 kB

30.01.11 19:19
omthomas 

250-499 Punkte

30.01.11 19:19
omthomas 

250-499 Punkte

Re: Superhet - Modulbauweise

Hallo,

das Radio besteht aus drei weiteren Modulen:

1. Endstufe
2. ZF-Verstärker
3. Mischer/Oszillator

Jedes Modul ist so aufgebaut:



Der Röhrensockel ist mit Distanzrollen auf ein 3cm x 8cm Stück einer Experimentierplatine befestigt.
Man kann jetzt Schaltungen schnell aufbauen und experimentieren.

Die Platine hatte Europaformat und diente als Experimentierfeld für IC.



Gruß
Thomas

Datei-Anhänge
modul1.jpg modul1.jpg (464x)

Mime-Type: image/pjpeg, 89 kB

modul2.jpg modul2.jpg (436x)

Mime-Type: image/pjpeg, 65 kB

31.01.11 20:45
omthomas 

250-499 Punkte

31.01.11 20:45
omthomas 

250-499 Punkte

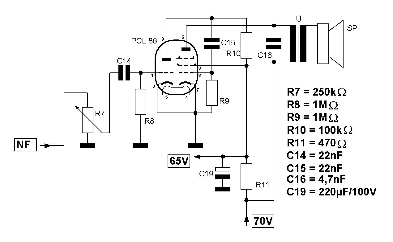
Re: Superhet - Endstufe

Hallo,

hier kommt jetzt die Schaltung der Endstufe. Die PCL 86 ist sehr gut geeignet für kleine Anodenspannungen.



Und hier der Aufbau:



Die Leitungen zum Lautstärkepoti sind geschirmt ausgeführt.

Wenn kein Ausgangsübertrager zur Verfügung steht, dann kann auch ein Netztransformator 230V : 6V mit min. 4,5VA eingesetzt werden.
Das geht schon.

So, jetzt haben wir schon einen kompletten Verstärker; wenn man einen CD-Player anschließt, kann man Musik hören!

Gruß
Thomas

Zuletzt bearbeitet am 31.01.11 22:14

Datei-Anhänge
Verstärker.jpg Verstärker.jpg (1255x)

Mime-Type: image/pjpeg, 65 kB

Verstärker2.jpg Verstärker2.jpg (441x)

Mime-Type: image/pjpeg, 146 kB

31.01.11 21:46
joeberesf 

500 und mehr Punkte

31.01.11 21:46
joeberesf 

500 und mehr Punkte

Re: Superhet

Hallo Thomas,

wirklich großartig diese Modulbauweise und Deine detaillierte Dokumentation dazu.
Ein sehr professioneller und ansprechender Bauvorschlag. Ich bin total begeistert
und freue mich schon auf die anderen Module.

Gruß

Joe

01.02.11 16:04
omthomas 

250-499 Punkte

01.02.11 16:04
omthomas 

250-499 Punkte

Re: Superhet -ZF-Filter

Hallo,

jetzt werden zunächst die beiden benötigten ZF-Filter hergestellt.

Jedes Filter besteht aus zwei Spulenkörper:



Jeder Spule besitzt 250 Windungen 0,1 mm Cu-Draht; alle haben die gleiche Wicklungsrichtung.
Man kommt so auf eine Induktivität von 0,49mH.
Der Parallelkondensator (C9, C10, C11, C12) beträgt 120pF.
Der Abstand der Spulen kann aus diesem Bild entnommen werden:



So hat sich der Abstand als am besten herausgestellt.
Aus kupferkaschierten Leiterplatten ist die Abschirmung hergestellt.
Kondensatoren und Spulen verstecken sich unter der Abschirmung.



Um die Filter abzustimmen, sind auf dem dach des Filters zwei löcher gebohrt.



Gruß
Thomas

Zuletzt bearbeitet am 01.02.11 16:26

Datei-Anhänge
filter1.JPG filter1.JPG (489x)

Mime-Type: image/pjpeg, 28 kB

filter2.JPG filter2.JPG (440x)

Mime-Type: image/pjpeg, 69 kB

filter3.JPG filter3.JPG (436x)

Mime-Type: image/pjpeg, 60 kB

filter4.JPG filter4.JPG (431x)

Mime-Type: image/pjpeg, 51 kB

01.02.11 16:22
omthomas 

250-499 Punkte

01.02.11 16:22
omthomas 

250-499 Punkte

Re: Superhet - ZF-Filter

Hallo,

hier die Filter im Einsatz:



Gruß
Thomas

Datei-Anhänge
filter5.JPG filter5.JPG (474x)

Mime-Type: image/pjpeg, 135 kB

01.02.11 16:59
omthomas 

250-499 Punkte

01.02.11 16:59
omthomas 

250-499 Punkte

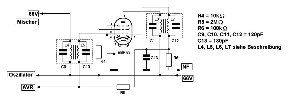
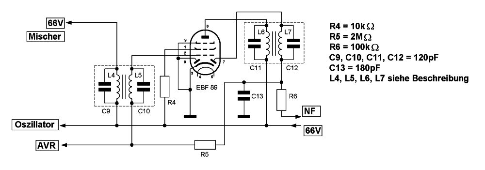
Re: Superhet - ZF-Verstärker

Hallo,

hier die Schaltung des ZF-Verstärkers.



L4 bis L7: 250 Windungen 0,1 mm Cu-Draht (siehe oben).

Gruß
Thomas

Datei-Anhänge
ZF1.jpg ZF1.jpg (604x)

Mime-Type: image/pjpeg, 38 kB

 1 2 3 4 5 .. 12 .. 19
 1 2 3 4 5 .. 12 .. 19
Jürgen   vergessen   Grüße   bearbeitet   Röhren   Mittelwellen-Subminiaturröhren-Superhet   Norbert   Programm   Zuletzt   zusammen   Superhet   rettet-unsere-radios   Spannungs-Vervierfacher-Schaltung   interessanter   Rückkopplungs-Zweikreiser-Audion   Grüsse   Rückwand   Freundliche   Schaltung   Mattscheibe