| Passwort vergessen?
Sie sind nicht angemeldet. |  Anmelden

Sprache auswählen:

Wumpus Gollum Forum von
Wumpus Welt der (alten) Radios
Sie sind nicht angemeldet.
 Anmelden

SRM-Funkentelegrafie
  •  
 1 2 3 4
 1 2 3 4
24.08.15 10:31
wumpus 

Administrator

24.08.15 10:31
wumpus 

Administrator

Re: SRM-Funkentelegrafie

Hallo Mark,

immerhin wurde der Thread über 240 mal aufgerufen, es gibt zwei "likes" und 5 Sterne. Ist eher ein Beleg für Interesse der WGF-ler.



Gruß von Haus zu Haus
Rainer (Forumbetreiber)

"Vom Mund zum Ohr auf dem Strahle der elektrischen Kraft!"
Als MP3-Datei: http://www.welt-der-alten-radios.de/files/auf-dem-strahl.mp3

!
!!! Fotos, Grafiken nur über die Upload-Option des Forums, KEINE FREMD-LINKS auf externe Fotos.    

!!! Keine Komplett-Schaltbilder, keine Fotos, keine Grafiken, auf denen Urheberrechte Anderer (auch WEB-Seiten oder Foren) liegen!
Solche Uploads werden wegen der Rechtslage kommentarlos gelöscht!

Keine Fotos, auf denen Personen erkennbar sind, ohne deren schriftliche Zustimmung.

Den Beitrag-Betreff bei Antworten auf Threads nicht verändern!
24.08.15 14:45
MIRAG 

500 und mehr Punkte

24.08.15 14:45
MIRAG 

500 und mehr Punkte

Re: SRM-Funkentelegrafie

Hallo Joerg, hallo ihr anderen,
ja, mal sehen, danke für den Tipp! Entwender 10Ah oder 15.

Entschuldigt, war anders gemeint, als es angekommen ist. Ich meinte nur, dass rein von den Erfahrungen und den aktiven Beiträgen her, nur die beiden da sind, weil sie ja schon seit vielen Monaten in der Materie drin stecken. Natürlich sind auch Beiträge von anderen (Nobby, alter Bücherwurm ) herzlich willkommen. Das mit den Views hab ich schon gelesen.

24.08.15 16:16
NorbertWerner 

500 und mehr Punkte

24.08.15 16:16
NorbertWerner 

500 und mehr Punkte

Re: SRM-Funkentelegrafie

Hallo Mark,

da muss ich Rainer zustimmen, das Interesse an Deinem Thema besteht ja, auch wenn nicht jeder antwortet. In meinem Fall ist es so, dass mir einfach die Zeit für diese Basteleien fehlt.
Auch der 'Fritter' von Joerg und der 'Gewitterwarner' von Dir sind Themen, die mich sogar aus aktuellem Grund sehr interessieren. Beruflich habe ich gerade mit einem Entwickler zu tun, der Funken an Oberleitungen von E-Loks detektieren und vermessen will. Dies soll allerdings auf optischen Wege geschehen. Hier ist ein Gewitter und auch die erzeugten HF-Störungen bei der Funkenbildung am Draht ganz schön störend.

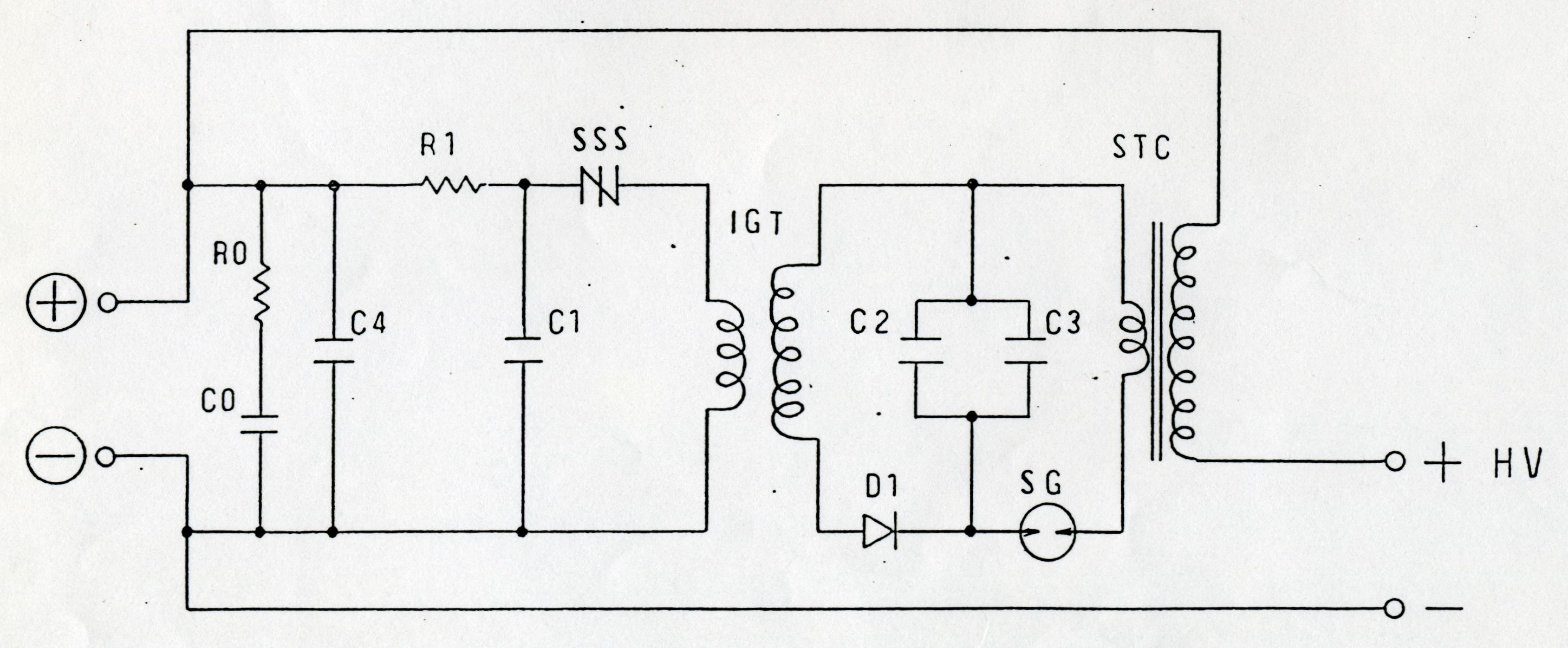
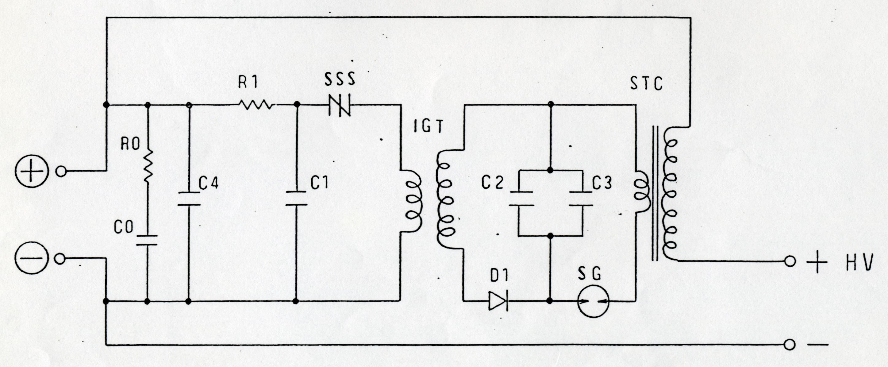
Übrigens, zur Erzeugung von Frequenz-Lärm eignet sich auch ein Sidac (Silicon Diode for Alternating Current). In der angehängten Teil-Schaltung ist er mit SSS bezeichnet. Er arbeitet hier als eine Art 'Zerhacker' zur Erzeugung von Pulsen die eine Hochdrucklampe zünden. Für diesen Sidac (KIV5) benötigt man eine Spannung von >60V.





Gruss
Norbert

Datei-Anhänge
Starter.jpg Starter.jpg (297x)

Mime-Type: image/jpeg, 97 kB

Starter_.jpg Starter_.jpg (292x)

Mime-Type: image/jpeg, 337 kB

24.08.15 18:18
nobbyrad58 

500 und mehr Punkte

24.08.15 18:18
nobbyrad58 

500 und mehr Punkte

Re: SRM-Funkentelegrafie

Hallo Mark! Hallo an Alle!

Das mit meinem Arbeitsraum kommt, hat sich aber etwas vezögert.. Aber auch bei Büchern, wenn man so um 100 hat, ist nicht immer alles sofort griffbereit. Wenn man so von Heinz Richter "Radiobasteln für Jungen" bis zur Vierpoltheorie, Siebschaltungen einiges hat, gerade dann wird es manchmal schwierig das richtige zu finden und zu schreiben. Also kommt Arbeitsraum kommt kleine Bibliothek kommt hoffentlich mehr von mir. Ja und arbeiten muss ich noch.
So eine kleine "Auszeit" braucht jeder mal, hab ich auch hier gemacht.
Ja und was hält andere davon ab sich selber mit Fachschrifttum zu versorgen, bei e.... gibt es auch dafür eine Rubrik und natürlich im Antiquariat Buchhandel. Als ebook wird man diese Fachschriften nicht bekommen, muss man sich selber machen.

MFG Nobby

Zuletzt bearbeitet am 24.08.15 18:18

24.08.15 19:45
MIRAG 

500 und mehr Punkte

24.08.15 19:45
MIRAG 

500 und mehr Punkte

Re: SRM-Funkentelegrafie

Hallo zusammen, danke für eure Antworten! Mir ist schon klar, dass viele mitlesen, das freut mich auch. es war nur halt so gemeint, dass die beiden wahrscheinlich eher antworten, als andere.

Hier ist meib Induktor mit meinem eher niedlichen Akkuchen:


Ich werde mir einen 15Ah von Panasonic holen. Da bin ich auf der sicheren Seite.
Als Endtransistor habe ich einen BU626 genommen. Funken kann ich so bis 2cm ziehen. Dann ist Schluss.

Datei-Anhänge
20150824_193820.jpg 20150824_193820.jpg (275x)

Mime-Type: image/jpeg, 354 kB

24.08.15 21:12
nobbyrad58 

500 und mehr Punkte

24.08.15 21:12
nobbyrad58 

500 und mehr Punkte

Re: SRM-Funkentelegrafie

Hallo Zusammen!

Auch wenn es etwas "off topic" ist: Es ist, auch mit Guter zeitgenössischer Fachliteratur nicht so ohne weiteres möglich, die guten Leistungen von damals einfach zu wiederholen. Es geht Fachwissen verloren, Bauteile, Materialien ändern sich selbstverständliches für den damaligen Fachmann ist nicht mehr da.
Im Grunde muss man neu forschen, siehe Joes's Long Term Projekt
Man stelle sich vor in 60 oder 70 Jahren würde jemand versuchen die Bauprojekte von Heinz Richter in "Radiobasteln für Jungen" nachzubauen. Jetzt schon werden Drehkondensatoren um 500 pF neu langsam rar und teuer.
Das heist aber nicht, das man es nicht versuchen sollte.

MFG Nobby

25.08.15 12:48
joeberesf 

500 und mehr Punkte

25.08.15 12:48
joeberesf 

500 und mehr Punkte

Re: SRM-Funkentelegrafie

Hallo Mark,

ja mit der alten DDR- Zündspule schaffst Du 20mm im Leerlauf. Das sind etwa 50-60KV. Wenn Du nun eine Belastung anschließt reduziert sich die mögliche Strecke immer weiter nach unten. Allein mit zwei Drähten, von etwa 3m Länge, kannst Du den Unterschied schon deutlich feststellen. Es entsteht L und C an der Funkenstrecke und damit ein Schwingkreis. Das wäre dann schon der prinzipielle Marconiaufbau. Die zunehmende Belastung, gerade auch in der Braunschen- Schaltungsweise durch ein weiteres C, nötigt einen die Funkenstrecke so um 1-3mm zu betreiben. Drehst Du die Taktfrequenz hoch, reduziert sich diese widerum. Dies ist der Grund, warum Bernd und ich so kleine Funkenstrecken betreiben. Die Selbstbauinduktoren schaffen einfach nicht mehr Leistung. In etwa 300mW kann man rauskitzeln. Die Abstrahlung an der Antenne ist dann je nach Antennenlänge und Frequenz noch kleiner.

Aber prima, dass Du so schnell voran kommst. Um einen ersten Test zu wagen, könntest Du folgendes in 15min. improvisieren. Der am schnellsten gebaute Versuchsfritter besteht nur aus zwei magnetischen Eisennägeln, und die Spitzen dieser Nägel tauchst du in Eisenfeilspäne. Ohm- Messgerät oder Pieper angeschlossen und dann in unmittelbarer Nähe des Induktors positionieren. Dein erstes Signal steht und wird detektiert.

Viel Spaß

Joerg

Zuletzt bearbeitet am 25.08.15 12:48

26.08.15 21:04
MIRAG 

500 und mehr Punkte

26.08.15 21:04
MIRAG 

500 und mehr Punkte

Re: SRM-Funkentelegrafie

Hallo Jörg, hallo ihr anderen.

Ich fahr mal zum Verwerter, mal sehen ob ich noch ein paar Zündspulen, am besten identische bekomme. Dann habe ich noch ein bisschen mehr Reserve, vorallem wenn ich die ANtiparallel schalte. Ich brauche erstmal einen Akku, bevor ich weitermache. Bestelle ich die Tage. Panasonic 12V 15Ah AGM. Sollte gehen.

Ich hätte gern ein Amperemeter, welches mir den Strom des Induktoraufbaus anzeigt... Mein DMM kommt mit den Pulsen anscheinend nicht Klar und steigt immer aus. Ich habe hier ein altes, riesengroßes (14cm) Dreheisen-Voltmeter. Ich muss mal noch herausfinden, bei wie viel mA es voll ausschlägt. Das kann ich doch. mit der vorraussetzung, dass ich einen passenden Shunt hinzufüge, sicher nehmen?

26.08.15 23:49
nobbyrad58 

500 und mehr Punkte

26.08.15 23:49
nobbyrad58 

500 und mehr Punkte

Re: SRM-Funkentelegrafie

Hallo Mark!

So ein Dreheisenmesswerk ist viel zu träge, um solche Impulse korrekt anzuzeigen. Bei Wiki ist darüber was zu finden.
Ein (CRT) Oszi wäre besser. Die Oszi-Experten hier könnten Dir bei der richtigen Wahl für den geplanten Zweck helfen.

MFG Nobby

27.08.15 10:23
MB-RADIO 

500 und mehr Punkte

27.08.15 10:23
MB-RADIO 

500 und mehr Punkte

Re: SRM-Funkentelegrafie

Hallo Mark und Nobby,

ja und nein.

Erstmal ist der maximale Strom konstant wird nur von den Zuleitungen , dem Widerstand der Primärspule und dem Innenwiderstand des Akkus begrenzt.

Messen kann man den Strom nur mit einem Oszi, da es ein Impulsstrom ist und hier die Induktivitäten mit reinspielen.

Aber eine Tendenz, wie lange die Stromflußzeit im Verhältnis der Unterbrechungszeit ist, läßt sich schon mit Zeigerinstrumenten darstellen - also Instrument mit Shunt.

Letzteres meint Mark bestimmt.

Mark , Du mußt dich unbedingt mit der Theorie dazu befassen , wenn Du das wirklich begreifen willst. Und das kostet Zeit und Mühe - "Es ist noch kein Meister vom Himmel gefallen"
Theorie und aktives Basteln ist die beste Lehre, denn jeder theoretischer Fehler fällt sofort in der Praxis auf.

Viele Grüße
Bernd

Zuletzt bearbeitet am 27.08.15 10:25

 1 2 3 4
 1 2 3 4
Fritter   Mikroverschweißung   Elektronenüberschuss   Radiotelegraphisches   Demonstrationsmodell   Funkenstrecke   Gleichrichtervorgangs   selbstverständliches   Induktionsspannungen   Hitzdrahtinstrument   elektronik-kompendium   selbstentfrittenden   Funkentelegraphiebeitrag   Dreheisenmesswerken   amateurwissenschaftlicher   Fritterkreisspannung   Flüssigkeitsgefüllt   welt-der-alten-radios   SRM-Funkentelegrafie   Primärinduktivität