| Passwort vergessen?
Sie sind nicht angemeldet. |  Anmelden

Sprache auswählen:

Wumpus Gollum Forum von
Wumpus Welt der (alten) Radios
Sie sind nicht angemeldet.
 Anmelden

Superhet
  •  
 1 .. 9 .. 15 16 17 18 19
 1 .. 9 .. 15 16 17 18 19
29.09.11 23:31
omthomas 

250-499 Punkte

29.09.11 23:31
omthomas 

250-499 Punkte

Re: Superhet

Liebe Freunde,

mit meinem Eigenbau-Ferritstab-Superhet "Freundschaft" konnte ich gestern Nacht 23.00 Uhr 48 Sender empfangen.
Ich zähle nur die Sender, die man eindeutig identifizieren konnte.

G.

T.

!
!!! Fotos, Grafiken nur über die Upload-Option des Forums, KEINE FREMD-LINKS auf externe Fotos.    

!!! Keine Komplett-Schaltbilder, keine Fotos, keine Grafiken, auf denen Urheberrechte Anderer (auch WEB-Seiten oder Foren) liegen!
Solche Uploads werden wegen der Rechtslage kommentarlos gelöscht!

Keine Fotos, auf denen Personen erkennbar sind, ohne deren schriftliche Zustimmung.

Den Beitrag-Betreff bei Antworten auf Threads nicht verändern!
29.11.11 18:54
omthomas 

250-499 Punkte

29.11.11 18:54
omthomas 

250-499 Punkte

Nachfrage

Hallo Reiner,

ich möchte hier eine PDF-Datei einbinden.

Ist das so erlaubt?

schön gelöscht

Oder gibt es eine andere Möglichkeit, hier PDF-Dateien zu veröffentlichen?
Gruß
Thomas

Hallo Thomas, bitte die Forumsregel beachten: "Links auf externe Speicher-Orte sollen vermieden werden." Klaus, Co-Adm.

Kann ich denn irgendwie pdfs einbinden?

Folgende Formate sind hoch ladbar: Sie können von Ihrer Festplatte direkt Photos, Sounds und XLS-Dateien(gif oder jpg oder png oder xls oder wav oder mp3 oder wmv) und Textdateien im TXT-Format (z. erstellt mit Windows NOTEPAD )zu Ihrem Beitrag ins Forum hochladen. Eine Datei darf maximal 350 KB groß sein. MfG, Klaus

29.11.11 22:58
wumpus 

Administrator

29.11.11 22:58
wumpus 

Administrator

Re: Superhet

Hallo omthomas,

Dateien im adobe acrobat Format PDF sind bisher nicht aktiviert, weil diese Dateien Schadcode enthalten können. Die Forum-Software prüft uploads nicht diesbezüglich. Technisch ist das Freischalten von PDF kein Problem. Wenn sich die Nutzer für die Aktivierung von PDF aussprechen, könnte also PDF möglich sein. Ich werde mal im Nutzerbereich "Wir im Forum" eine Umfrage starten.

Ein weiteres Problem bei PDF-Dateien ist teilweise große Speicherplatz, den sie belegen. Im Forum sind (Klaus sprach es schon an) "nur" 350 kB möglich. Trotzdem umfaßt Das Daten-Volume vom WGF derzeit schon fast 2 GB ! Deshalb geht das Erweitern auf 500 KB pro Datei und mehr nicht so einfach...

Gruß von Haus zu Haus Rainer (Forum-Betreiber)

Rettet den analogen deutschen AM / FM - Rundfunk!:
www.rettet-unsere-radios.de
Mach mit: Photos der letzten AM-Sender:
http://www.wumpus-gollum-forum.de/forum/...e-am-sender.htm
Besuche die WEB-Seite des Deutschen Rundfunk-Museum e.V.
http://www.drm-berlin.de

Zuletzt bearbeitet am 29.11.11 23:02

06.09.13 09:43
Opa.Wolle 

500 und mehr Punkte

06.09.13 09:43
Opa.Wolle 

500 und mehr Punkte

Re: Superhet

Hi, ich klinke mich hier mal mit ein, es ist zwar kein Superhet, aber!

Die Knöpfe und die Art der Skala errinnerten mich an ein angefanges, aber noch nicht beendetes Radioprojekt.
Es soll mal ein kleines Gerät für LW, MW und KW werden, UKW kann man ja auch mal probieren.
Es war fast alles schon eingebaut, aber dann brauchte ich dringend den Netz- und den Ausgantstrafo.
Seitdem steht es als "Ruine" (deswegen noch keine weiteren Bilder) im Kellerschrank, wann es weitergeht?



Und hier der vorläufige Schaltplan:

Datei-Anhänge
-THELKO- RadioTyp274V3-1.jpg -THELKO- RadioTyp274V3-1.jpg (378x)

Mime-Type: image/jpeg, 188 kB

Radio-Schaltung.jpg Radio-Schaltung.jpg (446x)

Mime-Type: image/jpeg, 82 kB

06.09.13 11:01
scotty 

50-99 Punkte

06.09.13 11:01
scotty 

50-99 Punkte

Re: Superhet

Hallo,
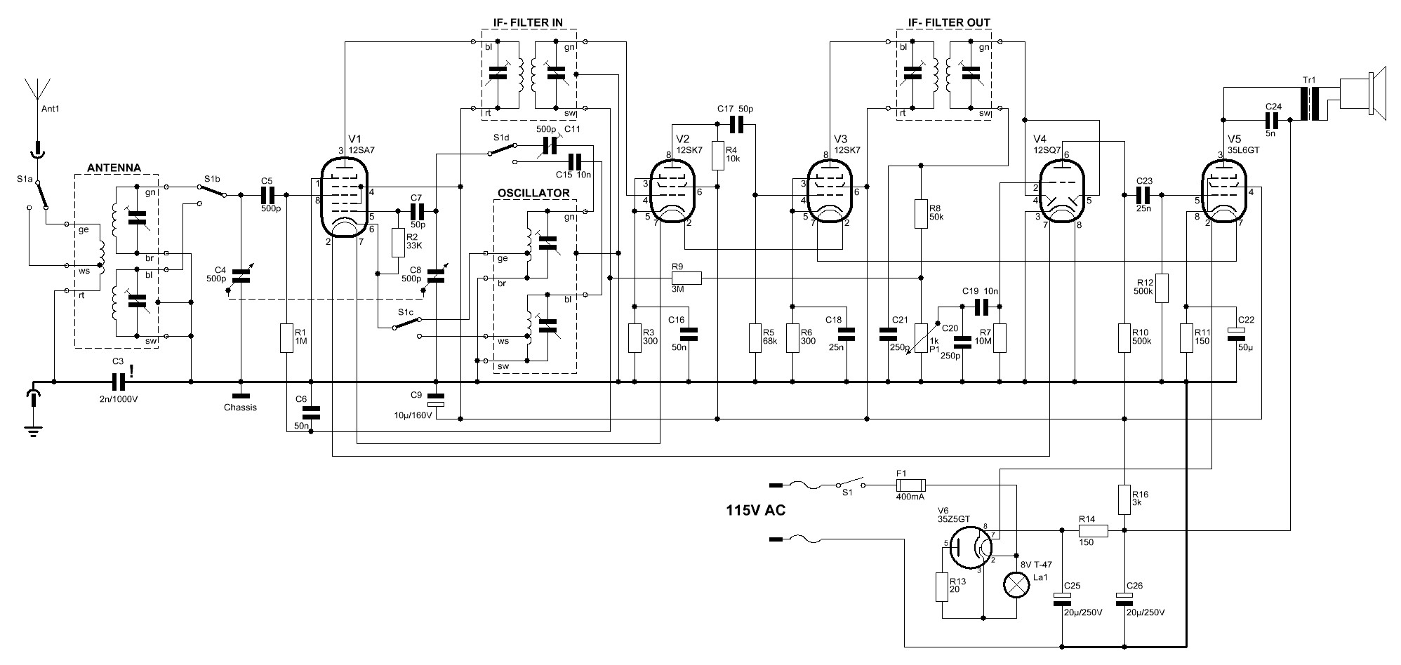
ich möchte hier ein Projekt vorstellen, das ich Anfang dieses Jahres realisiert habe. Es ist nicht direkt eine Eigenentwicklung/ Eigenbau, sondern eigentlich die Schaltungsanalyse und der Wiederaufbau eines Radiobausatzes, eines "Radio- Kits", der Ende der 40er bis Mitte der 50er Jahre des vergangenen Jahrhunderts von der "National Schools of Los Angeles", einer Technikerschule in der gleichenamigen Stadt, entwickelt und vertrieben wurde. Ich habe diesen Bausatz, fertig in einem Holzgehäuse, als Preis eines Weihnachtsrätsels von einem netten Forumskollegen geschickt bekommen.

Es ist ein 6 Kreis- AM- Allstromsuper (MW und KW) für 115VAC mit amerikanischen Oktalröhren.
Ein Foto vom eingebauten Chassis habe ich leider nicht, wohl aber ein paar Bilder vom Ausgangszustand.







Jegliche Unterlagen, wie Technische Daten, Schaltung, Abgleichunterlagen und Bauteillagepläne waren nicht vorhanden. Also habe ich die Gesamtschaltung vom aufgebauten Radio abgenommen und einige "nebulöse" Details, die mir verdächtig vorkamen, auf Plausibilität geprüft und ggf. korrigiert.



Da das Chassis, besonders an den chemisch schlecht neutralisierten Masselötstellen, teilweise recht arg angerostet war und auch sonst der Aufbau auf eine sehr "dynamische" Arbeit schließen ließ, hatte ich mich entschlossen, das Chassis "blank" zu machen, also alles runterlöten, schleifen, mit Zinkspray neu verzinken und dann unter vorzugsweiser Nutzung der Originalbauelemente wieder aufbauen.



Hier seht Ihr alle Bauteile, die ich retten konnte. Das soll für jetzt erst mal genug sein. Bei Interesse werde ich den Beitrag nach und nach bis zur Fertigstellung und Inbetriebnahme des Radios weiterführen.

Viele Grüße

Wolfram

Datei-Anhänge
Chassis, von oben.jpg Chassis, von oben.jpg (352x)

Mime-Type: image/pjpeg, 78 kB

Verdrahtung 2.jpg Verdrahtung 2.jpg (372x)

Mime-Type: image/pjpeg, 85 kB

Verdrahtung 1.jpg Verdrahtung 1.jpg (400x)

Mime-Type: image/pjpeg, 85 kB

Schaltung, Stand 18.04.2003.JPG Schaltung, Stand 18.04.2003.JPG (414x)

Mime-Type: image/pjpeg, 222 kB

Kit, gesamt.jpg Kit, gesamt.jpg (385x)

Mime-Type: image/pjpeg, 95 kB

06.09.13 11:26
Klaus 

500 und mehr Punkte

06.09.13 11:26
Klaus 

500 und mehr Punkte

Re: Superhet

Zitieren:
Bei Interesse werde ich den Beitrag nach und nach bis zur Fertigstellung und Inbetriebnahme des Radios weiterführen.
Hallo Wolfram,

das Interesse ist immer gegeben, danke für die bisherige Mühe.

Da hast du ja eine richtige Fleißarbeit geleistet, die komplette Schaltung auf zu nehmen. Als Kopie aus einem Buch o.ä hätten wir allerdings auch ein Problem damit, da dann nur Schaltungsauzüge zulässig wären (vgl. Urheberrecht).

Viele Grüße
Klaus

06.09.13 11:59
scotty 

50-99 Punkte

06.09.13 11:59
scotty 

50-99 Punkte

Re: Superhet

Nee, nee, Klaus,
wenn ich hier im Forum irgendwelche Schaltungen einbinde, sind die meist von mir und mit einem einfachen, aber preiswerten S- chalt- plan- Programm einer guten Ingenieursgesellschaft gezeichnet.

Danke für das Interesse

Wolfram

Zuletzt bearbeitet am 06.09.13 12:01

06.09.13 12:03
Opa.Wolle 

500 und mehr Punkte

06.09.13 12:03
Opa.Wolle 

500 und mehr Punkte

Re: Superhet

Hallo Wolfram,

ich bin sehr beeindruckt, da kann mein kleines Bastelprojekt natürlich nicht mithalten!
Außerdem würde das meine technischen und elektronischen Fähigkeiten übersteigen.
Aber mach man ruhig so weiter, Du wirst schon sehen, was Du davon hast!

06.09.13 13:57
omthomas 

250-499 Punkte

06.09.13 13:57
omthomas 

250-499 Punkte

Re: Superhet

scotty:
... mit einem einfachen, aber preiswerten S- chalt- plan- Programm einer guten Ingenieursgesellschaft gezeichnet ...
Auch mein Lieblingsprogramm!

Gruß
Thomas

06.09.13 14:20
wumpus 

Administrator

06.09.13 14:20
wumpus 

Administrator

Re: Superhet

Hallo Wolfram,

eine schöne Schaltung. Ich sehe, daß die beiden Dioden der AM-Gleichrichtung parallel liegen. Man könnte eine der Strecken zur getrennten Regelspannungserzeugung nutzen und dabei die Regelung auch verzögert wirken lassen.





Gruß von Haus zu Haus
Rainer (Forumbetreiber)

 1 .. 9 .. 15 16 17 18 19
 1 .. 9 .. 15 16 17 18 19
Freundliche   Jürgen   vergessen   Schaltung   rettet-unsere-radios   Grüße   Mattscheibe   bearbeitet   Rückkopplungs-Zweikreiser-Audion   Rückwand   Zuletzt   Röhren   Grüsse   Mittelwellen-Subminiaturröhren-Superhet   zusammen   interessanter   Programm   Norbert   Superhet   Spannungs-Vervierfacher-Schaltung