| Passwort vergessen?
Sie sind nicht angemeldet. |  Anmelden

Sprache auswählen:

Wumpus Gollum Forum von
Wumpus Welt der (alten) Radios
Sie sind nicht angemeldet.
 Anmelden

Loewe Kleinprüfgerät 4121
  •  
 1
 1
24.03.22 10:53
WalterBar 

500 und mehr Punkte

24.03.22 10:53
WalterBar 

500 und mehr Punkte

Loewe Kleinprüfgerät 4121

Hallo zusammen,

der Beitrag von Wumpus über den Atlas RA-1 hat mein Interesse
für die Pentode EF12 und damit die Stahlröhren insgesamt geweckt.
So habe ich vor, mir die Kennlinie der EF12 und der Regelröhre
EF11 demnächst näher anzusehen. Erschreckenderweise fehlt in
meiner Sammlung die EF12 (und natürlich auch die VF14, kleiner
Scherz)... So komme ich nicht umhin, eines meiner Spitzenmessgeräte
zu öffnen und für die Messreihe die Röhre zu entnehmen. Dann
kann ich das Teil hier auch kurz vorstellen und ein paar Fotos
zeigen:



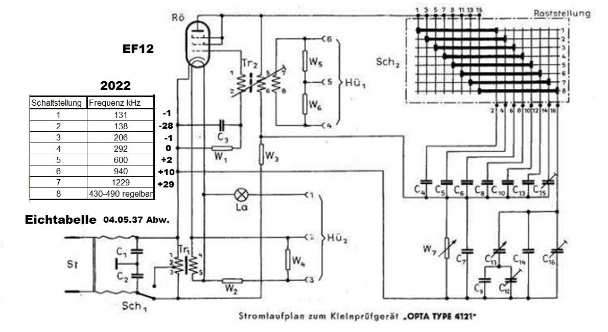
Es handelt sich um das "Kleinprüfgerät 4121" von Loewe. Der
Fertigungszeitpunkt ist umstritten. Im Radiomuseum ist das Jahr
1947 mit einem Fragezeichen versehen. Zu diesem Zeitpunkt kam
nach meiner Recherche eine überarbeitete Version auf den Markt.
Mein Gerät weist in der Eichtabelle die Zahlenfolge 030437 auf.
Ich behaupte einmal frech, dass das ein Datum ist. Zwar war die
EF12 erst 1938 so richtig verfügbar, aber erste Serien - vor allem
für die Berliner Firmen zur Gerätebestückung - erschienen bereits
1936. Bis 1958 wurden über eine Million EF12 bei Telefunken
gefertigt. Es gab auch eine Produktionslinie bei RFT.



Ansonsten hat das Gerät neben der Möglichkeit einer Durchgangs-
prüfung einen einfachen Messsender mit 7 Festfrequenzen für die
Skaleneichung eingebaut. In der 8. Schaltstellung lässt sich der
Frequenzbereich zwischen 430 und 490 kHz für einen ZF-Abgleich
einstellen.



Eine Netzteilsiebung sucht man vergeblich. Die Träger brummen und
sind so gut auffindbar.






Gruss
Walter

Nachtrag: Dank auch an alle Sicherheitsbedenkenträger.
Wirklich Respekt habe ich nur vor der 3kV DC Anodenspannung in der Kurzwellen-Endstufe.

Zuletzt bearbeitet am 26.03.22 09:36

Datei-Anhänge
Loewe_4121_Front.jpg Loewe_4121_Front.jpg (216x)

Mime-Type: image/jpeg, 234 kB

Loewe_4121_Eichtabelle.jpg Loewe_4121_Eichtabelle.jpg (215x)

Mime-Type: image/jpeg, 111 kB

Loewe_4121_Schaltung.jpg Loewe_4121_Schaltung.jpg (221x)

Mime-Type: image/jpeg, 161 kB

Loewe_4121_Innen_1.jpg Loewe_4121_Innen_1.jpg (217x)

Mime-Type: image/jpeg, 299 kB

Loewe_4121_Innen_2.jpg Loewe_4121_Innen_2.jpg (220x)

Mime-Type: image/jpeg, 297 kB

WoHo, joeberesf, laurel1 und wumpus gefällt der Beitrag.
!
!!! Fotos, Grafiken nur über die Upload-Option des Forums, KEINE FREMD-LINKS auf externe Fotos.    

!!! Keine Komplett-Schaltbilder, keine Fotos, keine Grafiken, auf denen Urheberrechte Anderer (auch WEB-Seiten oder Foren) liegen!
Solche Uploads werden wegen der Rechtslage kommentarlos gelöscht!

Keine Fotos, auf denen Personen erkennbar sind, ohne deren schriftliche Zustimmung.

Den Beitrag-Betreff bei Antworten auf Threads nicht verändern!
24.03.22 21:27
MB-RADIO 

500 und mehr Punkte

24.03.22 21:27
MB-RADIO 

500 und mehr Punkte

Re: Loewe Kleinprüfgerät 4121

Hallo Walter,

diese kleinen Geräte gefallen mir sehr. Einfach und genial.

Das Trägerbrummen ist ja so gewollt, und erspart nebenbei Gleichrichter, Siebung und zusätzliche Modulation.

Die Röhre ist aber eine von RFT im Glaskolben, also nicht original. Echte Stahlröhren wurde meines Wissens von RFT nicht hergestellt.

Viele Grüße
Bernd

Zwei Dinge sind unendlich, das Universum und die menschliche Dummheit, aber bei dem Universum bin ich mir noch nicht ganz sicher. (Albert Einstein)

25.03.22 09:38
WalterBar 

500 und mehr Punkte

25.03.22 09:38
WalterBar 

500 und mehr Punkte

Re: Loewe Kleinprüfgerät 4121

Hallo Bernd,

ich bekam 2014 das kleine Gerät ohne Röhre, und meine erste Wahl war die NOS-RFT. Es ist richtig, dass diese Röhren im Gegensatz zu Telefunken eigentlich Glasröhren sind. Tungsram waren eine Mischung aus Glas und Stahl. Auch die Stahlröhren von Telefunken mussten etwas Mobybdänglas in den Glasperlen verwenden. Diese Glasperlen sind für die Dichtigkeit verantwortlich. Sie versiegelten die Elektrodendrähte mit den Fernico-Durchführungsbuchsen. Diese bestanden aus einer Eisen-Nickel-Kobalt-Legierung mit gleichem Ausdehnungskoeffizienten wie das Glas.

Nach dem Krieg und den Zerstörungen aber auch Beschlagnahmen durch die Besatzungsmächte hatte nur noch Telefunken eine Ringschweiss-Maschine zur Verfügung, was die unterschiedlichen Bauformen erklärt.

Ich habe mich dazu entschlossen, für meine Messreihen Vorkriegs-Telefunken-Typen zu verwenden, die auf dem Funke W19 >8,5mA anzeigen (gut ab 6,2mA). Diese sollen mit NOS-RFT verglichen werden.


Gruss
Walter

Nachtrag:
Die zweite Version des Kleinprüfgeräts wurde (1947?) von der Opta-Radio AG., Leipzig O27, Melscher Str. 7 hergestellt.
Vermutlich waren sie (auch) mit RFT-Röhren bestückt worden.

Zuletzt bearbeitet am 25.03.22 10:10

25.03.22 13:02
HB9 

500 und mehr Punkte

25.03.22 13:02
HB9 

500 und mehr Punkte

Re: Loewe Kleinprüfgerät 4121

Hallo zusammen,

interessantes Design ohne Gleichrichtung.

Allerdings ist die Schaltung bezüglich Netztrennung ziemlich grenzwertig. Die gut zugänglichen Anschlüsse für NF-Spannung (50Hz Heizspannung) und Leitungsprüfung sind vom Netz zwar durch den Heiztrafo getrennt, aber die Kathode der Röhre hängt auf Netzpotential. Somit müsste die Isolation zwischen Heizfaden und Kathode gemäss Norm die Anforderung einer verstärkten Isolation haben, in Wirklichkeit ist es aber nur eine Funktions-Isolation, also eine für die Funktion nötige, aber nicht sichere Isolation, die jederzeit versagen kann (und manchmal auch versagt, wie schon einige bei Reparaturen festgestellt haben dürften). Gemäss Datenblatt sind zudem nur 100V zwischen Kathode und Heizfaden zulässig. Somit sollte man bei Verwendung des Geräts die Anschlüsse als mit dem Netz verbunden betrachten oder das Gerät nur mit einem Trenntrafo betreiben.

Gruss HB9

 1
 1
Eisen-Nickel-Kobalt-Legierung   Kleinprüfgeräts   Sicherheitsbedenkenträger   Kleinprüfgerät   Spitzenmessgeräte   Netzteilsiebung   Gerätebestückung   Produktionslinie   unterschiedlichen   Leitungsprüfung   Besatzungsmächte   Vorkriegs-Telefunken-Typen   Fertigungszeitpunkt   Funktions-Isolation   Fernico-Durchführungsbuchsen   Ausdehnungskoeffizienten   Ringschweiss-Maschine   Kurzwellen-Endstufe   Erschreckenderweise   Elektrodendrähte