| Passwort vergessen?
Sie sind nicht angemeldet. |  Anmelden

Sprache auswählen:

Wumpus Gollum Forum von
Wumpus Welt der (alten) Radios

HF Pegelmesser T Kopf Fragen
  •  
 1
 1
06.03.16 12:07
Martin.M 

500 und mehr Punkte

06.03.16 12:07
Martin.M 

500 und mehr Punkte

HF Pegelmesser T Kopf Fragen

hallo alle, und hallo liebe HF-Spezialisten,

ich mach mir Gedanken über den Einsatz eines HF Pegelmessgerätes mit einem 75 Ohm Durchgangskopf vorne dran.
Das hat als Zubehör noch einen Abschlusswiderstand und ein kapazitives Trennstück mit.

Will ich nun zB den Pegel in einer ZF messen kann ich das nicht grade gut dafür gebrauchen. Das müßte schon richtig hochohmig arbeiten, das wär was Damit sind wir nun im Thema. Geht das irgendwie?

Würde man den T-Kopf einseitig mit dem Kondensator bestücken hätte man ja einen hochohmigen Eingang. Fraglich ist nur, misst es dann Mist?

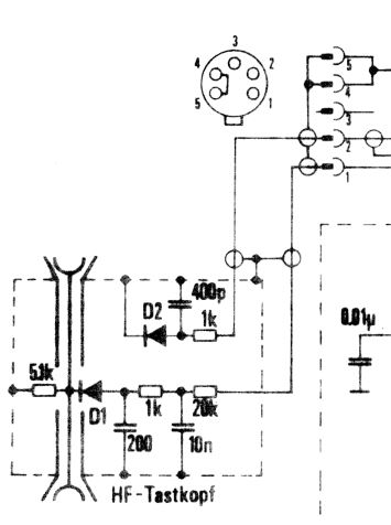
Aufbau eines T-Kopfes.
Der enthält innen einen durchgehenden Leiter der in der mitte etwas ausgedünnt worden ist, mit einem Abgriff der zum Demodulator geht den er ebenfalls enthält.
Die "Ohmzahl" spielt bei sehr hohen Frequenzen gewiss eine große Rolle, jedoch geh ich davon aus daß der bei 10,7MHz mit einem 60-Ohm oder 50 Ohm Abschluß ebenso einigermaßen genau messen würde, was bei 200MHz dann nichtmehr der Fall ist. Also schränken wir den Anwenderbereich mal auf "obere KW" ein um derartige Bedenken aus dem Wege zu räumen.
(Anm.: T-Köpfe messen bis in den GHz Bereich wenn sie sachgerecht benutzt werden)

Es gäbe da den fachmännischen aber umständlichen Weg: Vorsetzen eines Messverstärkers der einen 1M-15pF Eingang bildet und hinten die gewünschten 75Ohm hat. Ziemlich aufwändige Sache, aber machbar, da käm unser T-Kopf hinter, gefolgt von seinem Abschlußwiderstand.

Die offene Frage: wie ist das wenn der T-Kopf hinten offen betrieben wird, kommt da was verwertbares bei raus ?

Es geht um die Untersuchung mehrstufiger ZF-Verstärker, dazu brauch ich die Pegel an den Übergabepunkten zwischen den einzelnen Stufen, möglichst unbelastete Messung.

Für AM-Filter gehts übrigends prima mit dem RV55, das hat ja einen recht hohen Ri

lG Martin

Zuletzt bearbeitet am 06.03.16 12:14

Noch gefällt der Beitrag keinem Nutzer.
!
!!! Fotos, Grafiken nur über die Upload-Option des Forums, KEINE FREMD-LINKS auf externe Fotos.    

!!! Keine Komplett-Schaltbilder, keine Fotos, keine Grafiken, auf denen Urheberrechte Anderer (auch WEB-Seiten oder Foren) liegen!
Solche Uploads werden wegen der Rechtslage kommentarlos gelöscht!

Keine Fotos, auf denen Personen erkennbar sind, ohne deren schriftliche Zustimmung.

Den Beitrag-Betreff bei Antworten auf Threads nicht verändern!
07.03.16 19:40
SmdSchubser 

250-499 Punkte

07.03.16 19:40
SmdSchubser 

250-499 Punkte

Re: HF Pegelmesser T Kopf Fragen

Hallo Martin,

wenn der Durchgangskopf beidseitig 75 Ohm hat, muss der dazwischen liegende Abgriff für den Detektor wesentlich hochohmiger sein. Ich vermute mal, dass der Detektor-Abgriff direkt mit dem Innenleiter verbunden ist, also nicht wie bei einem Richtkoppler oder so.

Dann sollte der TK ohne ausgangsseitigen Abschluss zumindest einige kOhm Eingangsimpedanz haben. Mit dem vorgeschalteten Koppel-C (Wert bekannt?) müsste also hinten auf jeden Fall ordentlich was rauskommen. Aber die Eingangsimpedanz und der angezeigte Pegel werden natürlich vom Wert des Cs abhängen, und vermutlich frequenzabhängig sein.

Wieso probierst du es nicht einfach aus? Irgend ein Generator in diesem f-Bereich, z.B. ein 1 kOhm Längswiderstand dahinter, und dann eines deiner Oszis zusammen mit dem Durchgangskopf dranhängen. Beim Abhängen des DK kannst du dann anhand des Pegelanstiegs auf dem Oszi die Eingangsimpedanz des DK bei dieser Frequenz ausrechnen. Und gleichzeitig die Anzeige kalibrieren.

Übrigens, ein 1M/15pF Eingang hätte bei 10,7 Mhz auch nur noch knapp 1 kOhm Impedanz. Und ein 10M/15pF 10:1 TK auch...

Gruß Martin

07.03.16 20:40
MB-RADIO 

500 und mehr Punkte

07.03.16 20:40
MB-RADIO 

500 und mehr Punkte

Re: HF Pegelmesser T Kopf Fragen

Hallo Martin,

falls Du Dich doch mit einen Aktiven Meßkopf anfreunden könntest , dann den hier als Empfehlung: https://www.mikrocontroller.net/topic/188227#2740961

Leiterplatten könnte er noch haben.
Damit kannst Du richtig messen, nicht nur Pegel vergleichen.

Ich habe den auch gebaut. Eventuell kann Volker Dir die Beitragsserie aus dem Archiv seines Forums zugängig machen.

Viele Grüße
Bernd

07.03.16 21:42
Martin.M 

500 und mehr Punkte

07.03.16 21:42
Martin.M 

500 und mehr Punkte

Re: HF Pegelmesser T Kopf Fragen

hallo Martin, & danke schonmal

ich hab die Frage scheinbar nicht gut ausformuliert.
Das Messgerät ist ein Kathrein MUK11, HF mV Meter, mit einem angesteckten Durchgangskopf 75 Ohm.

es steht oben auf dem SWOB. Links am T-Kopf steckt 75 Ohm, rechts der Kondensator


Messbereiche, jew. Ende Skala.

88dBµV = 25mV
100dBµV = 100mV
108dBµV = 250mV
120dBµV = 1V
128dBµV = 2,5V
140dBµV = 10V

mich interessiert nun brennend ob die angezeigte Spannung auch dann noch stimmt wenn der T-Kopf hinten offen, also hochohmiger betrieben wird oder ob das Ding dann völlig nach dem Mond geht
Das Messgerät selbst hat eine Fet-Brücke vorne, man kann also davon ausgehen dass es sehr hochohmig an den Tastkopf angebunden ist. Scheint etwas kompliziert zu sein, da ist auchnoch ein Oszillator zugange der mit der Messung zu tun hat. Ich werde das auf garkeinen Fall verstellen, das ist ja schön abgeglichen auf eben diese 75 Ohm Geschichte. Vermutlich wurden solche Geräte für Gemeinschaftsantennenanlagen benutzt. Der f-Bereich erstreckt sich bis 1,2GHz.

Also zusammengefasst: gehen wir davon aus der hinten nicht abgeschlossene T-Kopf würde den Ausgang einer ZF Stufe nur gering belasten und das Messgerät zeigt 200mV an, sind es dann auch wirklich 200mV oder stimmt das nur wenn die 75 Ohm dran sind?

Das kapazitive Trennstück werde ich mal mit dem Tek messen wieviel pF es hat, vermutlich recht viele = niederohmiger durchgang bezogen auf 10MHz. Das ist jawohl als DC Blocker gedacht. Der T Kopf ist übrigends mehrpolig zum Messgerät hin.



Dieses Kathrein Messgerät macht irgendwie den Eindruck als ob R+S das gebaut hätte, auch wenn nirgends was davon zu entdecken ist. MUK11 BN. 208.111



lG Martin

Zuletzt bearbeitet am 07.03.16 22:04

Datei-Anhänge
swob.jpg swob.jpg (302x)

Mime-Type: image/jpeg, 103 kB

muk11-kopf.JPG muk11-kopf.JPG (359x)

Mime-Type: image/jpeg, 30 kB

07.03.16 22:36
MB-RADIO 

500 und mehr Punkte

07.03.16 22:36
MB-RADIO 

500 und mehr Punkte

Re: HF Pegelmesser T Kopf Fragen

Hallo Martin,

so lange Du mit dem Durchgangskopf direkt mißt , stimmt die Spannung, bricht aber je nach Belastung zusammen.
Schließt Du allerdings ein Koaxkabel an und schließt den Kopf nicht mit dessen Impedanzwiderstand ab, kommt es zu Reflexionen und Du mißt Mist - je länger das Koax und je höher die Frequenz, umso schlimmer.

Viele Grüße
Bernd

07.03.16 23:07
SmdSchubser 

250-499 Punkte

07.03.16 23:07
SmdSchubser 

250-499 Punkte

Re: HF Pegelmesser T Kopf Fragen

Hallo Martin,

die Frage war schon gut formuliert, nur dachte ich, dass du was anderes erreichen willst: mit einem kleinen Koppel-C die Impedanz weiter erhöhen. Geht natürlich nicht mit einem großen DC-Blocker.

Bezüglich Korrektheit des Pegels und Einfluss des Kabels hat Bernd schon alles geschrieben. Dabei stört auch noch die Kapazität des offenen Kabels die Messung wegen Belastung der Quelle.

D2 ist wohl für eine Kompensation der Temperatur bzw. Typstreuung von D1. Könnte der Oszillator zwischen beiden Eingängen umschalten für Differenzbildung oder so?

Edit: Hab' gerade mal nachgeschaut: so ein einfacher Detektor kann tatsächlich um die 50 dB Dynamik und bis zu 10V Vollaussteuerung direkt umsetzen, wenn auch mit recht krummer Kennlinie. Hat jeder Messbereich eine eigene Skala?


Gruß Martin

Zuletzt bearbeitet am 07.03.16 23:27

08.03.16 06:20
Martin.M 

500 und mehr Punkte

08.03.16 06:20
Martin.M 

500 und mehr Punkte

Re: HF Pegelmesser T Kopf Fragen

hallo Martin,

das Messgerät enthält einen Vergleichsoszillator mit 20kHz und einen Chopper, durch das Vergleichen der Mess-Spannung mit dem Oszillatorsignal kann es wohl einen recht linearen Skalenverlauf realisieren. D2 hat einen eigenen Attenuator und ist da mit einbezogen.
Die wird im Tastkopf sitzen weil sie zur D1 gematcht ist.

Ich bedank mich erstmal bei euch, muß nun ein Weilchen im Krankenhaus verbringen und werd mich danach mit der Sache beschäftigen.

lG Martin

 1
 1
Messverstärkers   Differenzbildung   frequenzabhängig   Pegelmesser   vorgeschalteten   Anwenderbereich   zusammengefasst   Übergabepunkten   Oszillatorsignal   ausgangsseitigen   Vergleichsoszillator   Abschlußwiderstand   Gemeinschaftsantennenanlagen   Vollaussteuerung   Durchgangskopf   Pegelmessgerätes   Eingangsimpedanz   Detektor-Abgriff   Impedanzwiderstand   Abschlusswiderstand