| Passwort vergessen?
Sie sind nicht angemeldet. |  Anmelden

Sprache auswählen:

Wumpus Gollum Forum von
Wumpus Welt der (alten) Radios

Eine technische Frage
  •  
 1
 1
16.06.13 18:56
Juppy

nicht registriert

16.06.13 18:56
Juppy

nicht registriert

Eine technische Frage

Hallo,
eine Frage an die HF- Fachleute.
Habe mir einen Rauschgenerator gebaut um ein Funkgerät Empfangsmäßig abzugleichen.
Mit Zenerdiode als Rauschquelle dürfe bekannt sein.
Funktioniert und das S-Meter zeigt einen S-Wert von 9 an.
Nun die Frage:
Es ist unmöglich den S-Wert herunter zu regeln, sogar ein Kurzschluss an der Ausgangsbuchse geht der Wert
kaum runter.
Habe alles probiert geht nicht.
Der Diodenvorwiderstand zu verändern möchte ich nicht machen, da die Linearität des Freq. Rauschen nicht mehr stabil
auf allen Kanälen ist, so denke ich jedenfalls.
Am Oszi. kann man aber sehen, dass die Amplitude aber keiner wird, bei kurz schließen des Ausganges.
Das ganze HF-Dicht in einem Gehäuse untergebracht, kein Erfolg.
Auch 5m Verbindungskabel um den Generator weiter vom Funkgerät aufzustellen, kein Erfolg.
Mein Verdacht, dass über die Abschirmung des Kabels die HF übertragen wird.
Nun habe ich einen HF-Übertrager dazwischen geschaltet um das Ganze potenzialfrei machen.
Beim Kurzschluss geht zumindest das S-Meter 2 Stufen runter , aber nicht ganz auf Null.

Wo liegt das Problem ?
Ich bin mit meinem Latein am Ende, darum hier meine Frage an die HF-Leute.
Für mich eine Unmöglichkeit, dass zu akzeptieren, so ein keines "Problem" nicht lösen zu können.

Gruß
Josef

Noch gefällt der Beitrag keinem Nutzer.
!
!!! Fotos, Grafiken nur über die Upload-Option des Forums, KEINE FREMD-LINKS auf externe Fotos.    

!!! Keine Komplett-Schaltbilder, keine Fotos, keine Grafiken, auf denen Urheberrechte Anderer (auch WEB-Seiten oder Foren) liegen!
Solche Uploads werden wegen der Rechtslage kommentarlos gelöscht!

Keine Fotos, auf denen Personen erkennbar sind, ohne deren schriftliche Zustimmung.

Den Beitrag-Betreff bei Antworten auf Threads nicht verändern!
17.06.13 06:53
wumpus 

Administrator

17.06.13 06:53
wumpus 

Administrator

Re: Eine technische Frage

Hallo Josef,

es hilft nichts: Du musst ein Schaltbild hier vorstellen und vielleicht auch ein Photo. In welchem Frequenzbereich nutzt Du den Rauschgenerator? Wie verbindest Du den Generator mit dem Empfänger? Wie heißt der Empfänger? Was hat er für Antenneneingänge?



Gruß von Haus zu Haus
Rainer (Forumbetreiber)

17.06.13 08:55
Juppy

nicht registriert

17.06.13 08:55
Juppy

nicht registriert

Re: Eine technische Frage

Hallo Rainer,
vorab noch eine Information dazu.

Also ein HF-Gehäuse (1,5mm Messingblech) mit PL-Buchse.
Im Innern die 9V Batterie, Zener-Diode, Widerstand, Auskoppelkondensator zur PL Buchse.
Gerät ein CB-Funkgerät mit PL- Eingang (50 Ohm).
Verbindungskabel RG 58 mit Pl-Stecker 60cm lang.
Also alles nach Vorschrift wenn man so will.
Anzeige am Gerät S9.
Im Innern des Generators wurde direkt an der Pl-Buchse eine Kurzschlussverbindungemacht.
Ca.1,5cm lang.
Danach Anzeige immer noch S6.
Rein logisch müsste zumindest die Anzeige auf 0 oder etwas drüber sein.

Dieser Aufbau hatte ich schon vor 20 Jahren schon gemacht.

Heute wollte ich das ganze etwas aufwendiger machen mit Anzeige-Instrument und Abschwächer.
Sodas ich den S-Wert laut Anzeige schon am Generator vorab einstellen kann.
Aber das Ganze Problem ist wie vor 20 Jahren.

Also über einen Tipp oder Hinweis wäre ich dankbar.

Ein kleines brauchbares Gerätchen mit einem Problem, wo man schon verzweifeln kann, wobei der Fehler nicht
im Aufbau liegt, so sehe ich das.

Wer da etwas Zeit hat kann das ja mal nachbauen, der Aufbau ist ja schnell gemacht.
Die HF ist einfach nicht zu reduzieren.

Im Netz wo Funkamateure auch so ein Gerät gebaut haben, wurde eine Poti genommen in Reihe mit der Diode um die Spannung der Rauschdiode zu reduzieren.
Wobei auch im Ausgang ein 1k Poti noch zur Reduzierung mit eingebaut wurde.
Damit (1k Poti) lässt sich der Pegel garantiert nicht reduzieren.

Wobei die Bauteile nicht von der Stange sind und schwer zu bekommen sind, dass kennt man schon.
Warum einfach wenn es auch komplizierter geht!
Der Aufbau aber im Prinzip einfach ist.

Das mit dem Poti in Reihe mit der Diode ,dass dabei auch die HF reduziert wird ist klar, wobei ich denke, dass dabei auch über den Ganzen Freq.-Bereich keine gleiche Linearität mehr vorhanden ist und es Pegelunterschiede entstehen, was man aber nicht haben will weil sonst das Ganze keinen Sinn macht.

Sicher einen HF-Messplatz würde da das Problem lösen können, aber wer hat schon so einen, wenn er das als Hobby betreibt.

Leider bin ich noch nicht so fit um Pläne oder Bilder hier reinzusetzen.

Aber mal an die Bastler, der Aufbau ist leicht gemacht.
Aber es sollte ein Funkgerät als Empfänger sein.

Für mich ist es immer schade, dass so sehe ich es, dass nicht so was einfaches und praktisches mal vorgestellt wird, was auch jeder mit normalen Bauteilen nachbauen kann und das auch funktioniert, was man auch mal praktisch am Gerät austestet und nicht nur auf dem Papier.

Gruß
Josef

17.06.13 17:51
wumpus 

Administrator

17.06.13 17:51
wumpus 

Administrator

Re: Eine technische Frage

Hallo Josef,

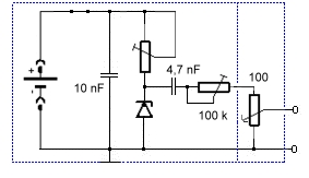
so müsste es gehen:




Wichtig wäre bei 27 MHz schon eine gute Abschirmung. Schon das Loch für den Einschalter läßt ein wenig HF raus. Ich schlage die Zweikammerbauweise vor. Der mittlere Einstellwiderstand soll den stärksten Pegel begrenzen, der rechte bis auf null abschwächen können.

Bitte den 10 nf parallel zur Betriebsspannung nicht vergessen, kann auch ein 30 nF sein, am besten Keramik oder sehr induktivitätsarm. Aber der linke Trimmer zur Arbeitspunkteinstellung der Diode muss noch in Richtung zum 10 nF mindest 30 % Strecke haben. Geht das nicht, würde ich mit diesem Trimmer noch einen 4,7 K in Reihe legen.


Das Loch des Drahts vom mittleren Trimmer zum rechten Trimmer sollte möglichst eng sein. In die rechte Abschirmkammer soll nur noch die HF gelangen, die direkt vom mittleren Trimmer weitergereicht wird.

Gruß von Haus zu Haus
Rainer (Forumbetreiber)

Datei-Anhänge
rauschen.jpg rauschen.jpg (276x)

Mime-Type: image/jpeg, 30 kB

17.06.13 20:09
Juppy

nicht registriert

17.06.13 20:09
Juppy

nicht registriert

Re: Eine technische Frage

Hallo Rainer,
vielen Dank für den Hinweis, werde das mal umsetzen und sehen ob ich damit das Problem
gelöst bekomme.
Werde mich dann wieder melden.

Viele Grüße
Josef

 1
 1
Abschirmkammer   weitergereicht   Anzeige-Instrument   technische   Zweikammerbauweise   Ausgangsbuchse   Antenneneingänge   Betriebsspannung   induktivitätsarm   Forumbetreiber   Pegelunterschiede   Auskoppelkondensator   Einstellwiderstand   Frequenzbereich   Verbindungskabel   Empfangsmäßig   Kurzschlussverbindungemacht   Diodenvorwiderstand   Rauschgenerator   Arbeitspunkteinstellung