| Passwort vergessen?
Sie sind nicht angemeldet. |  Anmelden

Sprache auswählen:

Wumpus Gollum Forum von
Wumpus Welt der (alten) Radios
Sie sind nicht angemeldet.
 Anmelden

Zener-Dioden
  •  
 1 2
 1 2
30.04.11 11:51
joeberesf 

500 und mehr Punkte

30.04.11 11:51
joeberesf 

500 und mehr Punkte

Re: Zener-Dioden

Hallo zusammen,

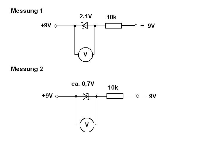
eine Diodentestfunktion ist fast immer in einem modernen Multimeter integriert. Es ist eine
nützliche Funktion und zeigt uns direkt die Durchlassspannung an.

Silizium ca.0,7V Germanium ca. 0.3V. Auch um einen Transistor zu kontrollieren, hilft
diese Funktion ungemein.
Bei einem Durchgangstest mit dem Ohmmeter, werden Werte im KOhmbereich angezeigt. Megaohm
ist in Durchlassrichtung eher ungewöhnlich. Ich würde den mehrfach beschrieben kl. Messaufbau nehmen
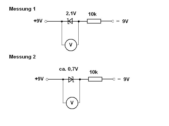
und direkt die Zenerspannung messen. Björns Vorschlag, wenn keine DC Spannungsquelle vorhanden, ist
eine gute Alternative. Ich glaube das ein 9V Block wohl auch kein Problem darstellt. Bei Deiner Diode, mit
2,1V, kannst Du natürlich auch zwei 1.5V Batterien in Reihe schalten. 3V sollten es schon sein.

Gruß

Joe



Zuletzt bearbeitet am 30.04.11 11:56

Datei-Anhänge
Messung.JPG Messung.JPG (407x)

Mime-Type: image/pjpeg, 19 kB

!
!!! Fotos, Grafiken nur über die Upload-Option des Forums, KEINE FREMD-LINKS auf externe Fotos.    

!!! Keine Komplett-Schaltbilder, keine Fotos, keine Grafiken, auf denen Urheberrechte Anderer (auch WEB-Seiten oder Foren) liegen!
Solche Uploads werden wegen der Rechtslage kommentarlos gelöscht!

Keine Fotos, auf denen Personen erkennbar sind, ohne deren schriftliche Zustimmung.

Den Beitrag-Betreff bei Antworten auf Threads nicht verändern!
18.05.11 01:13
Drehkodreher 

100-249 Punkte

18.05.11 01:13
Drehkodreher 

100-249 Punkte

Re: Zener-Dioden

Hallo 500MHZ
In den oben gemachten Aussagen ist eine Überprüfung sowohl einer Diode als auch deiner Zehnerdiode sehr anschaulich beschrieben und auch absolut sicher.

Einer Überprüfung mit dem Ohmmeter würde ich jedoch nicht allzuviel Vertrauen entgegenbringen. Meine Erfahrungen in dieser Richtung waren bisher diese.: Erbrachte eine Messung einen Fehler, (Kurzschluss , Unterbrechung) , war der Prüfling zu 100% hinüber.
Erbrachte jedoch eine Mesung eine Gutaussage (niederohmig in Durchlassrichtung, hochohmig in Sperrichtung) so war der Prüfling wahrscheinlich in Ordnung, aber nur wahrscheinlich. In einigen Fällen zeigte sich der Defekt nur wenn der Prüfling einer realen Belastung unter Betriebsbedingungen ausgesetzt war. Diese Bedingungen werden in den oben genannten Prüfverfahren (zumindest näherungsweise) nachgebildet.

mfG Karl

 1 2
 1 2
Durchgangsrichtung   Multimeter   Zener-Dioden   Spannungsstabilisierung   Miniaturglühlampe   Strombegrenzung   Gleichspannungsnetzgerät   Vielfachmessgerät   elektromagnetisch   rettet-unsere-radios   Spannungsquelle   Diodentestfunktion   Spannungsmessung   Durchbruchspannung   Zenerspannung   Durchlassrichtung   Sperrrichtung   Widerstandswert   Betriebsbedingungen   Halbleiterstrecke