| Passwort vergessen?
Sie sind nicht angemeldet. |  Anmelden

Sprache auswählen:

Wumpus Gollum Forum von
Wumpus Welt der (alten) Radios
Sie sind nicht angemeldet.
 Anmelden

Omas Grundig 3097 defekt
  •  
 1 2 3 4 5 6
 1 2 3 4 5 6
26.08.16 20:11
Uli 

500 und mehr Punkte

26.08.16 20:11
Uli 

500 und mehr Punkte

Re: Omas Grundig 3097 defekt

joeberesf:
Gerät nun vollbestückt ohne EM34 2h im Dauerlauf. Trafobleche ca. 60 Grad heiß. Dies ist nur eine Schätzung. Mehr als 4sec. kann ich die flache Hand nicht auflegen.

4sec Hand auflegen spricht eher für 4x Grad. So lange man nicht sofort zurück zuckt beim anfassen ist das denke ich noch ok. Die Trafos werden im allgemeinen deutlich über handwarm. Die hatten auch damals schon kein Geld zu verschenken und Trafos sind teuer...

!
!!! Fotos, Grafiken nur über die Upload-Option des Forums, KEINE FREMD-LINKS auf externe Fotos.    

!!! Keine Komplett-Schaltbilder, keine Fotos, keine Grafiken, auf denen Urheberrechte Anderer (auch WEB-Seiten oder Foren) liegen!
Solche Uploads werden wegen der Rechtslage kommentarlos gelöscht!

Keine Fotos, auf denen Personen erkennbar sind, ohne deren schriftliche Zustimmung.

Den Beitrag-Betreff bei Antworten auf Threads nicht verändern!
26.08.16 20:57
joeberesf 

500 und mehr Punkte

26.08.16 20:57
joeberesf 

500 und mehr Punkte

Re: Omas Grundig 3097 defekt

Hallo Uli,

danke für die Beruhigung! Das Gerät lauft immer noch mit offenem Chassis im Dauerlauf. Flammen schlagen noch nicht raus....aber echt verdammt heiß der Trafo. Ich habe ja für meinen UKW- Detektor- Resonator- Verstärker mein altes selbstgebautes Kleinspannungsnetzteil 50VDC modifiziert. Anodenspannung jetzt maximal 270VDC und gleichgerichtete 6.3V Heizspannung. Das Ganze in Stufen für Bastelprojekte umschaltbar. 6VDC, 18VDC, 48VDC, 120VDC, 270VDC ohne Belastung. Trafo aus russ. Produktion. Das ist dagegen überhaupt kein Vergleich. 2x EF86 und 1x EL84 als Belastung im geschlossenen Pertinax Gehäuse. Alles nur handwarm ! Daher meine Überraschung zu dieser gefühlten Temperatur. Komische Konstruktion.....falls das normal ist. Merkst Du ja sonst nicht. Steht ja auf dem Kühlschrank im geschlossenem Holzgehäuse ...... und läuft und läuft... und läuft!

Gruß

Joerg

26.08.16 22:08
HB9 

500 und mehr Punkte

26.08.16 22:08
HB9 

500 und mehr Punkte

Re: Omas Grundig 3097 defekt

Hallo Joerg,

Gratulation zur Enttarnung des Übeltäters. Ich hatte vor etwa 15 Jahren mal tagelang eine solche Störung gesucht, bis ich dann eine faule ECC83 enttarnt hatte, seither traue ich auch Röhren nicht mehr über den Weg

Zum Trafo: 60 Grad am Eisenkern ist noch akzeptabel (und schon sehr unangenehm heiss). Wenn er auch ohne Last sehr warm wird, ist er entweder an der magnetischen Sättigungsgrenze (zu hohe Netzspannung) oder dann ist die Isolation zwischen den Trafoblechen nicht mehr gut, so dass Wirbelströme den Kern aufheizen. In diesem Fall wird der Kern deutlich wärmer als die Wicklung, was eher unkritisch ist.

Gruss und schöne Ferien

HB9

26.08.16 23:04
nobbyrad58 

500 und mehr Punkte

26.08.16 23:04
nobbyrad58 

500 und mehr Punkte

Re: Omas Grundig 3097 defekt

Hallo Zusammen!

Trafo Heiss! Oder besser zu warm.
Eine wenig beachtete Sache könnte auch ein nachlassen der Qualität der Kernbleche wegen Alterung sein. Klar das damals auch auf die Kosten geachtet werden musste, 50 + Jahre als Lebenserwartung der Radios wurden nicht einkalkuliert.
Auch wenn es seltsam scheint, ein neuer 230 V Prim. Netztrafo und ein neuer Si Gl. mit neuer Siebkette machen das Radio für die nächsten 50 Jahre fit. Alle Papierkondensatoren raus und durch neue Folien C ersetzen.
Die EABC 80 wird auch langsam knapp, die PABC 80 gibt es NOS für wenig Geld und ein kleiner 9 V Trafo helfen.
Das Radio wird fast genau so klingen wie beim verlassen der Produktionslinie.

MFG Nobby

27.08.16 12:14
Klaus 

500 und mehr Punkte

27.08.16 12:14
Klaus 

500 und mehr Punkte

Re: Omas Grundig 3097 defekt

Hallo,

Zitieren:
Zum Trafo: 60 Grad am Eisenkern ist noch akzeptabel (und schon sehr unangenehm heiss). Wenn er auch ohne Last sehr warm wird, ist er entweder an der magnetischen Sättigungsgrenze (zu hohe Netzspannung) oder dann ist die Isolation zwischen den Trafoblechen nicht mehr gut, so dass Wirbelströme den Kern aufheizen. In diesem Fall wird der Kern deutlich wärmer als die Wicklung, was eher unkritisch ist.

eine weitere Fehlermöglichkeit bedingen Windungsschlüsse, die z.B aufgrund mangelhafter Isolation entstanden sind.

Auch dabei erhöht sich die Temperatur des Trafos bzw im Vorfeld steigt die Leerlaufstromaufnahme über den üblichen Wert an. Die typischen Werte fanden sich in den Angaben zu den Trafobausätzen der Hersteller.

Neben der Spannugsmesssung bildete die Leerlaufmessung daher ein aussagekräftiges Kriterium bzgl. der Qualität des in der elektron. Werkstatt gewickelten Trafos meines damaligen AG.

Viele Grüße
Klaus

27.08.16 12:18
Klarzeichner 

500 und mehr Punkte

27.08.16 12:18
Klarzeichner 

500 und mehr Punkte

Re: Omas Grundig 3097 defekt

Ja, wobei ein Windungsschluss schon nach kurzer Betriebszeit zum Schmoren führt. Neinein, die Grundig-Trafos waren immer sehr knapp dimensioniert. Nicht umsonst haben die meisten ja auch ein angeschraubtes Winkelblech als Kühlfahne. Eine Erwärmung auf 60 Grad ist bei deinem 3097 völlig normal.

Gruß
Stefan

27.08.16 18:20
joeberesf 

500 und mehr Punkte

27.08.16 18:20
joeberesf 

500 und mehr Punkte

Re: Omas Grundig 3097 defekt

Hallo zusammen,

Klarzeichner:
Nicht umsonst haben die meisten ja auch ein angeschraubtes Winkelblech als Kühlfahne. Eine Erwärmung auf 60 Grad ist bei deinem 3097 völlig normal.

Ich glaube Stefan hat recht. Hier mal ein Bildchen vom Netztrafo. Gut zu sehen der zusätzlich angebrachte Blechwinkel zur zusätzlichen Wärmeabfuhr. Da sind die Konstrukteure anscheinend wirklich sehr knapp in der Dimensionierung ran gegangen und haben so das Problem der Überhitzung entschärft. Ich hatte am Anfang gedacht, das dieser Winkel auch eine zusätzliche Schirmfunktion gegenüber der EABC80 erfüllt. Im Vordergrund der abgezogene Sockel des MA. Hinter dem Trafo EABC80 und EL84 von rechts nach links.



Ich habe das Radio noch nicht zusammengebaut, denn auf Seite 2 waren ja noch zwei mögliche Probleme angesprochen worden. In aller Euphorie völlig vergessen.

joeberesf:

1. LW noch kein richtiger Empfang (Ferritantenne ) Störungen von Laptop usw aber sogar abstimmbar.

2. MW- Empfang endet bei ca. 800kHz ...... Ist wahrscheinlich gleiche Ursache wie Punkt 1.


Also KW läuft ja prima und ist sehr empfindlich und trennscharf. Es ist ja nicht einmal ein Stückl Antennendraht eingesteckt! Warum sollten die anderen AM- Bereiche weniger empfindlich sein? Sind ja prinzipiell ähnliche Schaltwege zur ECH81. Die ECH81 habe ich auch schon ausgewechselt....kein Unterschied! Also da ja bei mir am Tage keine Ortsender vorhanden sind, setzte ich meinen Mess- Sender ein und koppelte über eine 290uH Spule die entsprechende Frequenz bei 150kHz, 250kHz,350kHz für LW und 520kHz, 1MHz und 1,6MHz für MW ein. Modulation 1kHz. Ja Abstimmung funktioniert...aber merkwürdigerweise kann ich die letzten verbliebenen LW Stationen, welche mit einem einfachen Taschengerät zu empfangen sind, nicht erfassen. Es fehlt auch das komplette Hintergrundrauschen, Störfrequenzen aus der Umgebung usw...
Fahre ich meinen Laptop hoch oder mache ich die LED- Tischlampe an, ist aber ordentlich Krach in der Kiste. Heute in der Abendphase will ich mich auf den AM- Empfang konzentrieren und mit einem Referenzradio vergleichen. Irgendwas stimmt noch nicht.
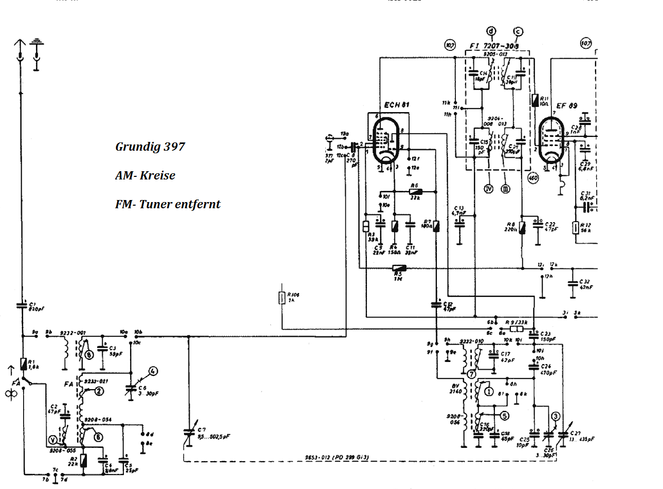
Hier mal ein weiterer Ausschnitt für die AM- Kreise des 3097.

Ja so ist das, ......schon 2x gejubelt und immer noch nicht zufrieden!

Gruß

Joerg





Zuletzt bearbeitet am 27.08.16 21:17

Datei-Anhänge
3097 Netztrafo.jpg 3097 Netztrafo.jpg (356x)

Mime-Type: image/jpeg, 328 kB

AM- Kreise.png AM- Kreise.png (352x)

Mime-Type: image/png, 246 kB

Schalterstellungen 3097.png Schalterstellungen 3097.png (349x)

Mime-Type: image/png, 43 kB

27.08.16 21:23
joeberesf 

500 und mehr Punkte

27.08.16 21:23
joeberesf 

500 und mehr Punkte

Re: Omas Grundig 3097 defekt

Hallo zusammen,

Nachtrag zum 21:00 AM- Empfang!

MW etwa bis 800Hz nur starke Signale....unempfindlich!
LW nichts
KW dachte ich ist ok! aber Frequenzgang um etwa der ZF- verschoben (ZF=460kHz)
MW Frequenzgang in etwa ok!

Ich muss mir die ZF ansehen. Im Referenzradio aber empfangbar. Das sieht wieder nach C`s aus. Ach ja..., ich verstehe,... alle alten Kondis raus. Es reizt mich aber wirklich genau diesen Pappenheimer zu finden. Bitte habt Geduld mit mir und schreibt wieder eure sehr konstruktiven Kommentare. Ich will zwar nur UKW damit hören....aber ein Nichtfunktionieren der AM- Bereiche geht mir an die Ehre! Was würde denn Oma dazu sagen...geht gar nicht!

Gruß

Joerg

27.08.16 23:02
nobbyrad58 

500 und mehr Punkte

27.08.16 23:02
nobbyrad58 

500 und mehr Punkte

Re: Omas Grundig 3097 defekt

Hallo Joerg!

HF Generator (Messender) vorhanden?
Evtl. geht auch ein Rechteckgenerator (Mulitivibrator)
Ich tippe auf den Oszillator, dessen C's mal tauschen, sind auf AM auch oft Papier C. Das einer an den HF Kernen gedreht hat schließe ich mal aus und die ECH 81 ist auch in Ordnung. C 12 auch O.K.?

MFG Nobby

28.08.16 20:07
HB9 

500 und mehr Punkte

28.08.16 20:07
HB9 

500 und mehr Punkte

Re: Omas Grundig 3097 defekt

Hallo Joerg,

neben dem Oszillator kann auch der Gleichlauf zwischen Eingang und Oszillator schlecht sein. So wie ich den Schaltplan interpretiere, ist die Induktivität des Vorkreises die Ferritantenne. Somit könnte die Spule verschoben sein, was dann vor allem im unteren Teil des Empfangsbereichs die Empfindlichkeit reduziert. Versuch mal, ob die Empfindlichkeit im unteren Bereich (so ca. 600kHz) zunimmt, wenn du die Spule etwas verschiebst. Falls das etwas bringt, muss der Vorkreis korrekt abgeglichen werden, falls vorhanden, nach Anleitung.

Der Oszillator lässt sich am besten mit einem Oszilloskop prüfen, das über eine 10:1-Sonde oder einen 10pF-Kondensator an der Anode der Triode von der ECH81 angeschlossen wird. So kann einerseits die Frequenz überprüft werden und andererseits sollte der Oszillator über den gesamten Frequenzbereich sauber schwingen, die Amplitude sollte nicht mehr als 30% über den Abstimmbereich ändern (ausser KW).

Noch zum Trafo: Der Kühlwinkel ist eine echt tolle Konstruktion, habe ich noch nie gesehen. Die Platzierung der EL84 direkt neben dem Trafo ist rein wärmetechnisch auch nicht die beste Wahl, die heizt nämlich ordentlich ein... Übrigens kannst du die Heizleistung der EL84 reduzieren, indem du den Kathodenwiderstand etwas erhöhst, so ca. 220 Ohm, das reduziert den Anodenstrom und damit die Verlustleistung. Die maximale Ausgangsleistung wird natürlich auch reduziert, aber sonst gibt es kaum negative Auswirkungen, und die EL84 lebt länger (auch wenn die Beschaffbarkeit der EL84 kein Problem ist).

Gruss HB9

 1 2 3 4 5 6
 1 2 3 4 5 6
Zuletzt   Problem   bearbeitet   Anodenspannung   Grundig   Empfang   betriebsspannungsführende   Ferritantenne   Empfindlichkeitssteigerung   Original-Selen-Gleichrichter   ERO-Papierkondensatoren   Kunststoff-Trägerplatte   Abblockkondensatoren   Gleichrichterschaltung   Halbwellengleichrichtung   Anodenspannungs-Zuführung   Deemphasis-Kondensator   Empfindlichkeit   Anodenspannungsumschaltung   Ferritantennen-Taschenradio