| Passwort vergessen?
Sie sind nicht angemeldet. |  Anmelden

Sprache auswählen:

Wumpus Gollum Forum von
Wumpus Welt der (alten) Radios
Sie sind nicht angemeldet.
 Anmelden

RFT Stern-Radio Sonneberg 875/53 GWU Reparatur Versuch!
  •  
 1 2 3 4
 1 2 3 4
14.09.13 07:48
roehrenradios_der_50 

0-49 Punkte

14.09.13 07:48
roehrenradios_der_50 

0-49 Punkte

Re: RFT Stern-Radio Sonneberg 875/53 GWU Reparatur Versuch!

Hallo Nobby,

danke für Deine schnelle Antwort. In der Tat, die Minus 9V habe ich noch nicht gemessen, den Kondensator C54 habe ich zwar gemessen(10yF soll er haben, 8yF waren es) aber nicht gewechselt. . Zum Verständnis, alles C's gewechselt, ist etwas übertrieben, die Netzteil C's (noch) nicht.
Ich denke ich hatte ~ -5V an g1(E) gemessen, kann leider erst wieder am So weitermachen, nun habe ich aber erst mal einen Anhaltspunkt.

Gruß Andreas

!
!!! Fotos, Grafiken nur über die Upload-Option des Forums, KEINE FREMD-LINKS auf externe Fotos.    

!!! Keine Komplett-Schaltbilder, keine Fotos, keine Grafiken, auf denen Urheberrechte Anderer (auch WEB-Seiten oder Foren) liegen!
Solche Uploads werden wegen der Rechtslage kommentarlos gelöscht!

Keine Fotos, auf denen Personen erkennbar sind, ohne deren schriftliche Zustimmung.

Den Beitrag-Betreff bei Antworten auf Threads nicht verändern!
14.09.13 10:43
Tubefan 

0-49 Punkte

14.09.13 10:43
Tubefan 

0-49 Punkte

Re: RFT Stern-Radio Sonneberg 875/53 GWU Reparatur Versuch!

Hallo Andreas,
ich habe die Variante im Holzgehäuse. Bei mir sind alle Papier C's und Elko's getauscht.
Die Isolationswerte waren völlig hinüber. Kann mir gut vorstellen das die Elko's deine
Anodenspannung runterziehen, ebenso die Selendiode, liefert evtl. nicht mehr den benötigten
Strom. UKW ist wie schon geschrieben aufgrund des Demulators recht mager. Bei mir mussten
auch noch ein paar Trimmer im UKWteil getauscht werden, da sich die Silberschicht aufgelöst hat.

Gruß
Frank

14.09.13 14:52
roehrenradios_der_50 

0-49 Punkte

14.09.13 14:52
roehrenradios_der_50 

0-49 Punkte

Re: RFT Stern-Radio Sonneberg 875/53 GWU Reparatur Versuch!

Hallo Frank,

danke auch für Deine Antwort. Das habe ich auch gedacht, das der Selengleichrichter defekt ist. Aber auch beim Überbrücken mit einer Diode ist die Spannung noch nicht da wo sie sein soll, 130V etwa. Nach ziehen der UEL steigt die Anodenspannung auf den etwa vorgegebenen Wert. Also Diode wieder raus und weiter suchen... . Es muss schon an der Gittervorspannung liegen, weil die UEL51 zieht den Strom. Aber nach gründlicher Untersuchung kam ich nicht weiter. Bin ja im Moment nicht on. Aber morgen werde ich da mal weitersuchen. Ist nur total besch... weil man fast nicht an die Röhrenfassung herankommt. Wie die das mal zusammengebaut haben, ist schon ne Meisterleistung.

Gruß Andreas

14.09.13 17:21
nobbyrad58 

500 und mehr Punkte

14.09.13 17:21
nobbyrad58 

500 und mehr Punkte

Re: RFT Stern-Radio Sonneberg 875/53 GWU Reparatur Versuch!

Hallo Zusammen!

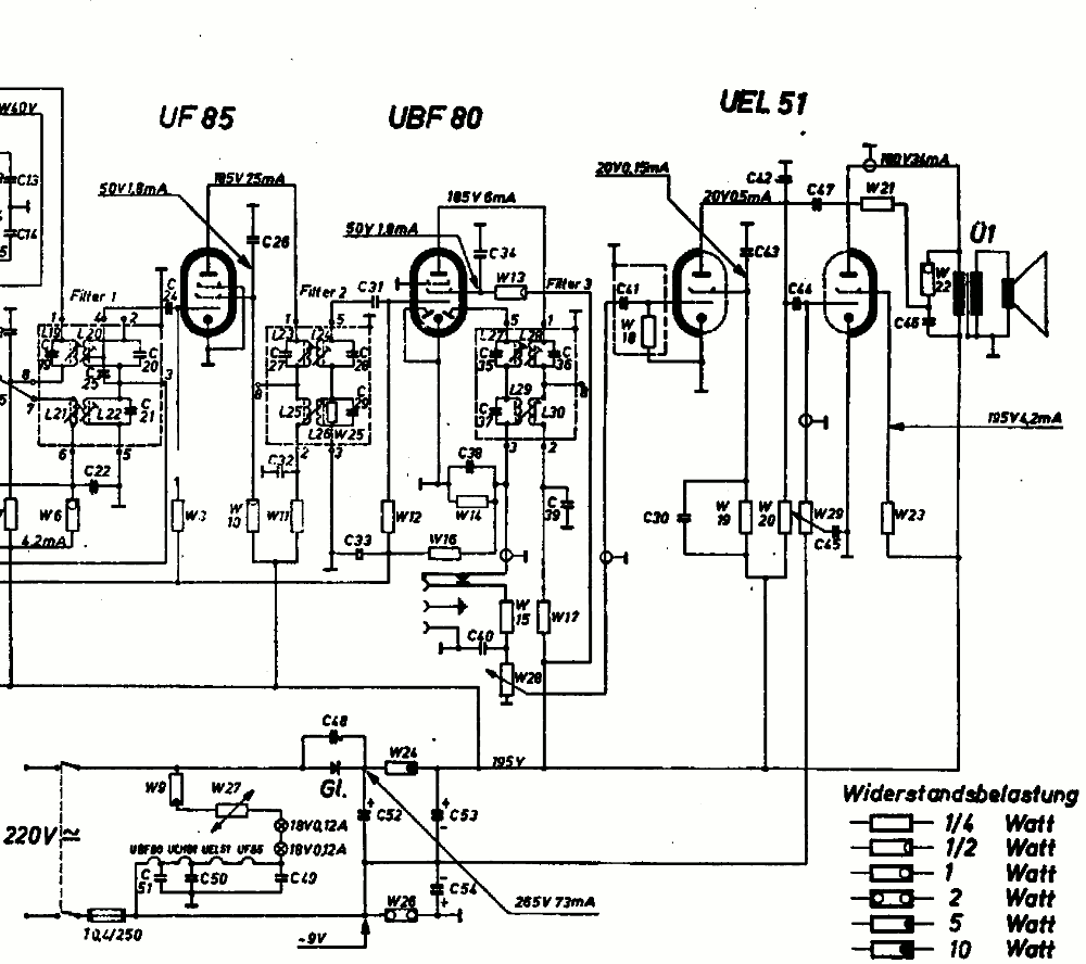
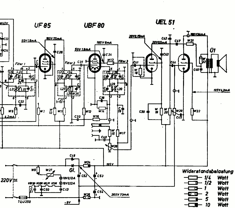
Damit die Sache für Alle etwas Transparenter wird ein Schaltplanausschnitt:javascript:$.markItUp( { replaceWith:''});


MFG Nobby

Datei-Anhänge
SternRadioSonneberg_Schwarzburg87553GWU_sch.gif SternRadioSonneberg_Schwarzburg87553GWU_sch.gif (325x)

Mime-Type: image/gif, 80 kB

15.09.13 20:31
roehrenradios_der_50 

0-49 Punkte

15.09.13 20:31
roehrenradios_der_50 

0-49 Punkte

Re: RFT Stern-Radio Sonneberg 875/53 GWU Reparatur Versuch!

Hallo,

danke. Ich habe gerade gemessen. W 26 (125 ) ist o.k. (122) -9V zu + C54 ist 6,08V Mit Überbrückungsdiode ist die Anodenspannung 122V. Soll das an den C 54 liegen das er nur 8YF hat ? Und dann der Spannungsunterschied von 3V so viel Anodenstrom herunterzieht ? Das kann ich mir nicht vorstellen, aber wer hat damit Erfahrungen ? (Hatte ich noch nie) Vielleicht suche ich an der falschen Stelle?

Gruß Andreas

15.09.13 22:14
nobbyrad58 

500 und mehr Punkte

15.09.13 22:14
nobbyrad58 

500 und mehr Punkte

Re: RFT Stern-Radio Sonneberg 875/53 GWU Reparatur Versuch!

Hallo Andreas!

Das mit den - 6 V ist bei so niedriger Anodenspannung normal. Zieh doch mal alle Röhren und dann müsste die Spannung auf 265 V an C 52, C 53 steigen. Da sehe ich noch C 48 der den Selen-GL überbrückt. Den mal entfernen, oder einseitig ablöten.
Es sieht so aus als wenn das Netzteil nicht genug Spannung liefert oder man hat irgendwo eine Stromsenke, die muss gefunden werden.

MFG Nobby

16.09.13 09:56
roehrenradios_der_50 

0-49 Punkte

16.09.13 09:56
roehrenradios_der_50 

0-49 Punkte

Re: RFT Stern-Radio Sonneberg 875/53 GWU Reparatur Versuch!

Hallo,


danke, an diesem Problem bin ich ja dran. C48 habe ich gewechselt. Die Spannung steigt auch über 260 V an wenn ich die UEL51 ziehe. Bei den anderen Röhren nicht. Also, kann es ja nur an der UEL 51 liegen??? . Ich werde mal den Widerstand W26 erhöhen damit ich mehr negative Vorspannung habe = weniger Anodenstrom UEL 51 ?
Ach so, mir fiel noch auf, bevor ich angefangen habe, die Ausgangssituation war, das das Gerät etwas brummt (offener Eingang oder so) , in allen Wellenbereichen, als ob irgendwo Masse fehlt oder der Eingang offen ist. Ich werde mal einige Strommessungen machen müssen. Ich werde erstmal die C53 und 54 messen, vielleicht haben diese einen Feinschluß oder großen Kapazitätsverlust. Heute Abend.

Gruß Andreas

16.09.13 11:19
puntomane 

500 und mehr Punkte

16.09.13 11:19
puntomane 

500 und mehr Punkte

Re: RFT Stern-Radio Sonneberg 875/53 GWU Reparatur Versuch!

Hallo Andreas,
Ist den sichergestellt das der NF-Koppelkondensator C44 keinen Leckstrom führt ?, das wiederum würde den Anodenstrom in die Höhe treiben.

16.09.13 11:59
ingodergute 

Moderator

16.09.13 11:59
ingodergute 

Moderator

Re: RFT Stern-Radio Sonneberg 875/53 GWU Reparatur Versuch!

Hallo Andreas,

wenn der Anodestrom zu hoch wäre, würde an W26 eine zu hohe Spannung abfallen (wenn z.B. der Koppelkondensator zur Triode lecken würde). Eine zu geringe Kapazität des Ladeelkos C52 halte ich für die wahrscheinlichste Ursache. Leckströme in den Elkos würden zu merklicher Erwärmung derselben führen. Du kannst ja mal 10µV/350V parallelschalten zu C52. Dann siehst Du sofort den möglichen Effekt.
Ob Koppelkondensatoren ok sind, lässt sich gut prüfen, wenn man alle Röhren zieht und an den g1 -Anschlüssen die Spannung gegen Masse misst. Dort sollte 0V, ggf. ein geringfügig negatives Potential, messbar sein.

Gruß Ingo.

16.09.13 14:23
Pluspol 

500 und mehr Punkte

16.09.13 14:23
Pluspol 

500 und mehr Punkte

Re: RFT Stern-Radio Sonneberg 875/53 GWU Reparatur Versuch!

Hallo Andreas

Grundsätzlich würde ich den Lade- und Siebelko nachhaltig gegen 2 Neue bzw. Passende austauschen. Deren Preise, ob im blauen "C" oder bei "P" in Berlin sind moderat.
Wesentliche Grundlage ist die Anodenspannung in richtiger Größe mit ausreichender Brummfreiheit.
Als Großverbraucher folgt die NF-Stufe, die gesamte Perpherie mit der UEL51.
Ich weiß nicht ob Du die schon mal austauschen konntest?.
Gibt es in deren Fassung evtl. Kriechstromstrecken?
Wenn Du die NF-Vorstufen- und Endröhre entfernst, zieht das Radio dann nur relativ wenig Anodenstrom und die messbare Anodenspannung steigt an. Nicht zuletzt kann auch der Ausgangsübertrager an der Anode der Endröhre einen Schluss haben, was den Anodenstrombedarf in die Höhe treibt und die Anodenspannung absinken lässt.
Meine Reihenfolge der Fehlersuche, nach Spannungsmessungen die Stromversorgung, die NF-Stufe und dann nebst Schaltkontakten und allen HF-Komponenten. So vermeidet man zwar nicht immer aber meist, dass sich im "Kreisdrehen".
Wie hier schon erwähnt, sind Elkos und Koppel-C`s zwischen den NF-Stufen bei solch alten Geräten meist fehlerhaft. Letztere sind oft leck und spannen somit das Röhrengitter positiv vor. Verzerrungen und vorzeitiger Verschleiß der Röhre ist dann die Folge.
Wünsche Dir bei der Fehlersuche weiter die nötige Ausdauer und den kommenden Erfolg.

Freundliche Grüße von Dietmar

Zuletzt bearbeitet am 16.09.13 14:27

 1 2 3 4
 1 2 3 4
Anodenspannung   Kapazitätsschwachen   Papierkondensatoren   Röhrenbestückung   Andreas   Versuch   Stern-Radio   Überbrückungsdiode   Sonneberg   Schaltplanausschnitt   Koppelkondensatoren   Flankendemodulators   Gittervorspannungserzeugung   Kriechstromstrecken   Reparatur   Spannungsunterschied   NF-Koppelkondensator   Ausgangsübertrager   Internetbandbreite   Technik-Begeisterte