| Passwort vergessen?
Sie sind nicht angemeldet. |  Anmelden

Sprache auswählen:

Wumpus Gollum Forum von
Wumpus Welt der (alten) Radios
Sie sind nicht angemeldet.
 Anmelden

SAQ-Röhren-Geradeaus-Empfänger
 1 2
 1 2
19.07.25 09:33
basteljero 

500 und mehr Punkte

19.07.25 09:33
basteljero 

500 und mehr Punkte

SAQ-Röhren-Geradeaus-Empfänger

Teil 1 : Konstruktionsprinzipien
Teil 2 : Vorselektion
Teil 3 : Überlagerer ("Heterodyne" nach Fessenden)

Hallo,
Nach so einigen Empfänger-Aufbauten kam der Wunsch nach einem SAQ-Röhren-Empfänger auf.
Nachtrag:
Also einem Empfänger, dessen wesentliche Funktionen durch den Einsatz einer oder mehrerer Hochvakuum-
Elektronenröhren, in Fachkreisen kurz Röhren genannt, beruht.

der auch im Gelände einsetzbar ist und nur das Notwendigste für gute Empfangsleistung enthalten soll.
1) Konstruktionsprinzipien
Manches hat sich nicht bewährt, die Rückkopplung zum Beispiel.
Sie hebt zwar das 17,2 kHz Nutzsignal an, aber den entfernteren Störer (RDL, 18,15 kHz) ebenfalls.
Die Zeichen von SAQ verschwimmen dann bereits, und trotzdem ist das RDL-Signal deutlich zu hören.
(Die im Netz verbreitete Vorstellung, die Rückkopplung müsse einen entfernten Sender abschwächen, ist
falsch, die Entdämpfung des Kreises hebt selbstverständlich alle Signale an, nur eben unterschiedlich)

Besser also, 2 Kreise ohne Rückkopplung zu verwenden:
Es ist dann ohne Probleme möglich, RDL mit einem Kreis auf 1/8 Signalspannung zu bringen,
mit 2 Kreisen auf 1/64
Das bleibt auch erhalten, wenn beide Kreise geringfügig gegeneinander verstimmt sind, um eine flache
Durchlasskurve zu erhalten.

Das gleiche Spiel nochmal in der NF:
Mit 16,4 kHz Überlagerer erzeugt SAQ einen Hörton von 17,2kHz-16,4 kHz = 800 Hz, RDL etwa
1800 Hz.



kurz:
- Es lassen sich mit Ferritkernen und Stufenwickeltechnik sehr schmale Bandbreiten erzielen.
- Die Kombination von 17,2 kHz HF-Selektion und NF "Tonsieb" ist sehr wirkungsvoll
- Wegen möglicher Temperaturdrift der Kreise und für Testzwecke soll "RDL" auf 18,15 kHz einstellbar sein.
- Es ist dann aber ein quarzstabiler Oszillator notwendig.
- Der notwendige Überlagerer (Heterodyne") muss in seiner Spannung einstellbar sein, es gibt ein Maximum.
- Für Testzwecke muss ein externer Generator den internen Oszillator ersetzen können.
- Batterie-Betrieb (Pedelec-Akku) für mobilen Betrieb.
- robuster Aufbau in Holzkästen
- Einfache un übersichtliche Schaltungstechnik.


Das Konzept entspricht in etwa wieder dem hier:
https://www.wumpus-gollum-forum.de/forum...mp;thread=410#1
Êrste Erfahrungen wurden u.a. bei diesem Projekt gesammelt, dieser Empfänger ist quasi die Fortsetzung.


Da bot sich ein altes VE301-Chasssis geradezu an, es waren da Wehrmachts-Fassungen drauf montiert.

Alle 3 Röhren werden CF7 oder UF5 sein, die mit kleiner Schrimgitterspannung laufen.
Ob die Anoden-Betriebsspannung von 36V genügend Verstärkung bringt, muss die weitere
Entwicklung zeigen.

Auf das Empfänger-Chassis kommen 3 Schalenkerne (askjanfirst), 1x 17,2 kHz abstimmbarer Anodenkreis ,
1x800 Hz-NF-Tonsieb, 1x 800 Hz Kopfhörer-Ausgangstrafo.

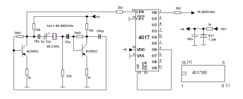
Die 800Hz-NF ergab sich durch den "Quarzersatz", ein 98,2 kHz-Quarz im Glasgehäuse ließ sich mit
extrem kleiner Serienkapazität bis auf etwas über 18,4 kHz ziehen, was :6 = 16,4 kHz für den
Überlagerer ergibt.

Alternative wäre gewesen, einen Vorschlag aus dem WGF aufzugreifen und einen Standard-32,768 kHz-Uhrenquarz
zu nehmen und :2 zu Teilen.
Es wäre interessant zu wissen, ob sich die entstehenden 16,384 kHz auch hier so weit nach oben ziehen lassen,
obwohl das für den Empfang keine Rolle spielt.

Vorselektion
Die gab am Anfang etwas Probleme auf, denn die naheliegende Lösung, die aktive Antenne, sollte nicht
eingesetzt werden. Hatte man "früher" ja auch nicht, nur bei Gemeinschaftsantennen.

Deren Prinzip lässt sich aber auch ohne Verstärker verwirklichen:
Auf einen abstimmbaren Schalenkernkreis bei dem Empfänger wird ein weiterer Antennenkreis über
75-Ohm-Koax angekoppelt.

Der recht große und schwere Ferritkern stammt aus einem (wieder mal) "selbstgesichertem" Laptop-Schaltnetzteil.
Der WGF-Tipp, die Kernhälften im Werkstattofen (150C°) zu backen und dann auseinanderzuziehen klappte
wieder hervorragend.

Der Luftspalt wurde durch Nasschleifen einer Kernhälfte verringert, mit etwa 400 Wdg. lag die Eigenresonanz
bei 70 kHz, mit 1000pF parallel bei 10 kHz.
Ankopplung über Anzapfung bei etwa 1/4 vom kalten Ende bei beiden Übertrgern.

Gewickelt wird jetzt nur noch in "Stufenwicklung", 20 Wdg./Stufe bei 17 kHz und 50 Wdg. bei NF.


Getestet wurde dieser Selektionskreis mit 1N4148-Gleichrichter-Diode und über 250pF eingekoppelten
Überlagerer an NF-Verstärker. Wenn man nichts hört, sind die Verluste zu hoch.

Bereits die kurze Antennenzuleitung von der Dachboden-Behelfsantenne zum Basteltisch brachte Störungen
und gewissen Lautstärke-Verlust, mit Übertrager nicht.

Gruß
Jens

Zuletzt bearbeitet am 24.07.25 18:17

Datei-Anhänge
SAQ-Geradeaus-Röhrenempfänger_Grundstock.jpg SAQ-Geradeaus-Röhrenempfänger_Grundstock.jpg (89x)

Mime-Type: image/jpeg, 971 kB

SAQ-Röhren-Geradeausempfänger-16,4 kHz_Quarzersatz2025-07-19 060159.jpg SAQ-Röhren-Geradeausempfänger-16,4 kHz_Quarzersatz2025-07-19 060159.jpg (93x)

Mime-Type: image/jpeg, 40 kB

Antennen-Selektionskreis.jpg Antennen-Selektionskreis.jpg (81x)

Mime-Type: image/jpeg, 128 kB

    !
    !!! Fotos, Grafiken nur über die Upload-Option des Forums, KEINE FREMD-LINKS auf externe Fotos.    

    !!! Keine Komplett-Schaltbilder, keine Fotos, keine Grafiken, auf denen Urheberrechte Anderer (auch WEB-Seiten oder Foren) liegen!
    Solche Uploads werden wegen der Rechtslage kommentarlos gelöscht!

    Keine Fotos, auf denen Personen erkennbar sind, ohne deren schriftliche Zustimmung.

    Den Beitrag-Betreff bei Antworten auf Threads nicht verändern!
    19.07.25 10:19
    Reflex-Kalle 

    500 und mehr Punkte

    19.07.25 10:19
    Reflex-Kalle 

    500 und mehr Punkte

    Re: SAQ-Röhren-Geradeaus-Empfänger

    Ein Röhren-Geradeaus-Empfänger mit einem 4017 CMOS IC, irreführender geht der Thread-Titel gar nicht mehr.

    Gruß

    (Reflex-)Kalle

      19.07.25 10:29
      wumpus 

      Administrator

      19.07.25 10:29
      wumpus 

      Administrator

      Re: SAQ-Röhren-Geradeaus-Empfänger

      SAQ-Röhren-Geradeaus-Empfänger ???


      Grüße von Haus zu Haus
      Rainer, DC7BJ (Forumbetreiber)

      Welt der alten Radios:
      http://www.welt-der-alten-radios.de

      Wumpus-Gollum-Forum:
      http://www.wumpus-gollum-forum.de/forum

      Virtuelle Voxhaus-Gedenktafel:
      http://www.voxhaus-gedenktafel.de

      Wumpus bei youtube:
      https://www.youtube.com/user/MyWumpus

      Zuletzt bearbeitet am 25.07.25 10:41

        19.07.25 11:23
        MB-RADIO 

        500 und mehr Punkte

        19.07.25 11:23
        MB-RADIO 

        500 und mehr Punkte

        Re: SAQ-Röhren-Geradeaus-Empfänger

        Reflex-Kalle:
        Ein Röhren-Geradeaus-Empfänger mit einem 4017 CMOS IC, irreführender geht der Thread-Titel gar nicht mehr.

        Gruß

        (Reflex-)Kalle

        Na ja, Kolben drüber und schon ists ne Röhre

        Und Wumpus , nu isser gerade aus

        Viele Grüße
        Bernd

        Zwei Dinge sind unendlich, das Universum und die menschliche Dummheit, aber bei dem Universum bin ich mir noch nicht ganz sicher. (Albert Einstein)

          19.07.25 11:44
          basteljero 

          500 und mehr Punkte

          19.07.25 11:44
          basteljero 

          500 und mehr Punkte

          Re: SAQ-Röhren-Geradeaus-Empfänger

          Hallo Kalle"

          Das IC ist ein Kompromiß.
          Eine Lösung mit Schwingkreis würde einen Schalenkern zwingend machen, denn
          wenn man einen trennscharfen SAQ-Empfänger aufbauen will, muß man auch die Temperatur-
          Schwankungen des Oszillators berücksichtigen.
          Mit Ferritkernen aus Schaltnetzteilen lassen sich hohe Güten erzielen, aber die driften
          auch mit der Temperatur in der Frequenz.

          Deshalb ist der Quarzersatz auch auf Röhrensockel gesetzt, so kann später auch ein stabiler konventioneller
          Oszillator alternativ gesteckt werden.
          Das aber dann nur als Option, er Empfänger soll möglichst einfach sein.

          Mit den testweise gewickelten EE-Kernen wurden teilweise Abweichungen von über 100 Hz bei einer
          Frequenz von 17,2 kHz und einer Temperaturerhöhung von 20C auf 35°C gemessen, je nach eingesteltem Luftspalt.
          Das ist viel zu viel, die großen 48mm Schalenkerne mit großem Luftspalt ("Scherung") liegen bei
          lediglich 10 Hz.
          Dieses Schaltungskonzept soll aber auch mit PM-Kernen aus Stecker-Schaltnetzteilen umzusetzen sein,
          daher ist der Anodenkreis der HF-Röhre abstimmbar , die NF-Selektion ist unkritisch.

          Nachträge
          Gehen tut es, aber es kann nicht Sinn der Sache sein hier eine Schaltung vorzustellen, bei der man
          stundenlang Temperaturkurven aufnehmen muss, damit der Oszillator auch im Außeneinsatz bei winterlichen
          Temperaturen seine Frequenz beibehält.


          Quarzoszillator, Teiler, und aus die Maus.
          Irgendwo sind die Bastel-Grenzen erreicht, hier ein Bildchen aus dem Steuer-Oszillator des EK07(D2),



          Gruß
          Jens

          Zuletzt bearbeitet am 24.07.25 18:21

          Datei-Anhänge
          EK07D2-Steueroszillator_3,4MHz_6,4 MHz__800px.jpg EK07D2-Steueroszillator_3,4MHz_6,4 MHz__800px.jpg (87x)

          Mime-Type: image/jpeg, 76 kB

          SAQ-VE-Antennenkreis_Anodenkreis_2022-05-23.JPG SAQ-VE-Antennenkreis_Anodenkreis_2022-05-23.JPG (85x)

          Mime-Type: image/jpeg, 111 kB

            19.07.25 11:50
            basteljero 

            500 und mehr Punkte

            19.07.25 11:50
            basteljero 

            500 und mehr Punkte

            Re: SAQ-Röhren-Geradeaus-Empfänger

            Hallo Rainer,

            Zitieren:
            SAQ-Röhren-Geradeaus-Empfänger ???

            Ja, und zwar mit 3 Röhren:
            1. Röhre: HF (17,2 khz) Resonanzverstärker, dann Dioden-Gleichrichtung und Tonsieb.
            2. Röhre :NF-Verstärkung als Kopfhörer-Endstufe.
            3. Röhre : Überlagerer zur Hörbarmachung der Signale.

            Die Bezeichnung "Audion" wäre nicht ganz korrekt, weil damit ein Gittergleichrichter gemeint ist,
            der hier aber nicht zum Einsatz kommt.

            Gruß
            Jens

              19.07.25 12:02
              basteljero 

              500 und mehr Punkte

              19.07.25 12:02
              basteljero 

              500 und mehr Punkte

              Re: SAQ-Röhren-Geradeaus-Empfänger

              Hallo Bernd,

              Zitieren:
              nu isser gerade aus

              Definitiv, so ganz ohne Drahtung und Strom.
              Aber es ist ja noch ein wenig Zeit bis zur Weihnachtssendung von SAQ.

              Da bleibt also noch viel Zeit.
              z.B. einen Beitrag machen, in dem man auf zurückliegende eigene Erfahrungen
              verweist.
              Die sind ja massenhaft im WGF vorhanden, jedoch verstreut und unzusammenhängend, Forum eben.
              Es wurde auf Anregung ja auch eigens dieser "SAQ-Bereich" eingerichtet.

              Gruß
              Jens

                19.07.25 13:46
                wumpus 

                Administrator

                19.07.25 13:46
                wumpus 

                Administrator

                Re: SAQ-Röhren-Geradeaus-Empfänger

                Hallo zusammen,


                ##!!?? %&$ !!! xyz 42 42 Zero Nil ... :-(


                Grüße von Haus zu Haus
                Rainer, DC7BJ (Forumbetreiber)

                Welt der alten Radios:
                http://www.welt-der-alten-radios.de

                Wumpus-Gollum-Forum:
                http://www.wumpus-gollum-forum.de/forum

                Virtuelle Voxhaus-Gedenktafel:
                http://www.voxhaus-gedenktafel.de

                Wumpus bei youtube:
                https://www.youtube.com/user/MyWumpus

                Zuletzt bearbeitet am 25.07.25 10:42

                  20.07.25 16:42
                  basteljero 

                  500 und mehr Punkte

                  20.07.25 16:42
                  basteljero 

                  500 und mehr Punkte

                  Re: SAQ-Röhren-Geradeaus-Empfänger

                  Teil 4: Anordnung der Bauteile
                  Hallo zusammen,

                  Auch bei der einfachen Schaltung wurde zunächst eine Skizze gemacht.

                  Hauptproblem ist eine eventuelle Kopplung von Gitter- und Anodenkreis
                  beider Röhren, weil sie als Resonanzverstärker arbeiten und die Sache sehr hochohmig ist.

                  Die Eingangsbuchsen liegen diesbezüglich auch ungünstig an der Chassis-Unterseite
                  und bekommen ein Trennblech, welches sie von dem Anodenteil abschirmt.

                  In der Schaltung des VE301W waren die Antennenwicklungen der Kreisspulen angeschlossen.
                  https://www.welt-der-alten-radios.de/ges...faenger-22.html
                  Der Gitteranschluß der Audion-Triode zeigte in die Richtung der Anschlüsse.
                  Es wurde zunächst überlegt, die russische Loktal-Röhre 2SH27L zu verwenden.
                  In dem Fall wäre die Fassung ebenso ausgerichtet und ein Trennblech zwischen Gitter- und Anodenkreis
                  gelegt worden.



                  Der Quarzersatz ist steckbar von der Frontseite aus zugänglich, man kann alternativ dann
                  einen temperaturkompensierten Resonanzkreis einsetzten, ein Projekt für lange Wintertage.


                  Die Skizze ersetzt den Blockplan:
                  Der externe 16kHz bis 23 kHz-abstimmbare Eingangskreis geht über die
                  VE-Buchsen an die Gitterkappe der Eingangsröhre, deren Anode an den Resonanzkreis,
                  welcher mit dem VE-Drehko ebenfalls abgestimmt ist.
                  Wegen der Grad-Skala des Friktionsantriebes können hier schon mal die 17,2 kHz genau
                  abgestimmt werden.
                  Das HF-Signal wird zusammen mit dem Überlagerungs-Signal auf die Diode gegeben, die treibt einen
                  800 Hz-Resonanzkreis an ("Tonsieb"), welcher an das Gitter der NF-Kopfhörerverstärker-Röhre
                  angeschlossen ist.

                  Den Abschluss bildet anodenseitig der ebenfalls resonante Ausgangsübertrager, der wegen des Hörers stärker
                  gedämpft ist.
                  Er ist unempfindlich gegenüber dem Oszillator-Signal und wird als Einziger der 3 Schalenkerne
                  auf der Unterseite des Chassis angeordnet.

                  Der VE301 wurde mit wenigen, aber hochwertigen Bauteilen konstruiert.
                  Analog dazu könnte man ohne weiteres, wenn man keine 4 Ferritkerne wickeln möchte, nur zwei
                  an entscheidender Stelle einzusetzen:
                  Dem wenig bedämpften 17,2 khz-Anodenkreis der HF-Röhre und dem nach der Diode folgendem
                  NF-Tonsieb.
                  Eingangskreis wäre dann z.B. ein breitbandiger (aktiver) Antennenkreis.
                  https://www.wumpus-gollum-forum.de/forum...0&page=2#15

                  Als Ausgangsübertrager ein 230V /2x6V Printtrafo mit Parallel-Kondensator zur Höhenbegrenzung.

                  Steht aber eine größere Anzahl Schalenkerne zur Verfügung, sollte man das ausnutzen.
                  Mit der kapazitätsarmen und daher verlustarmen Stufenwicklung erhält man minmale Bandbreite.
                  https://www.wumpus-gollum-forum.de/forum...4&page=3#23


                  Gruß
                  Jens

                  Datei-Anhänge
                  SAQ-Geradeaus-Röhrenempfänger_Anoordnung der Bauteile_v2.jpg SAQ-Geradeaus-Röhrenempfänger_Anoordnung der Bauteile_v2.jpg (92x)

                  Mime-Type: image/jpeg, 278 kB

                    22.07.25 22:05
                    basteljero 

                    500 und mehr Punkte

                    22.07.25 22:05
                    basteljero 

                    500 und mehr Punkte

                    Re: SAQ-Röhren-Geradeaus-Empfänger

                    -Teil 5-
                    Oszillator

                    Hallo zusammen,
                    Da ein Teiler iC in einem Röhrenprojekt im WGF völlig zu Recht abgelehnt wird, bleibt nichts
                    anderes übrig, als eine "konventionelle" Lösung für den Überlagerer zu machen.

                    Der soll in Funktion gehen, wenn kein Quarz gesteckt ist.

                    Aus Platzgründen kommt nur Permeabilitäts-abstimung mit dem Abgleich-Kern in Frage.
                    Es soll die Stufenwicklung mal in der Praxis gezeigt werden, da es eine Alternative zur Kreuzwickelspule
                    ist.

                    Das Teflon (PTFE)-Band hat nicht nur geringe dielektrische Verluste, es verhindert auch das Zurückrutschen
                    der nächsten Stufe, wenn es nach Fertigstellen einer Lage direkt im Anschluss über diese gewickelt wird.

                    Für die Gesamtwicklung sind um die 400 Wdg. anvisiert für etwas größeres parallel-C.
                    Für die 17,2 kHz-Kreise waren um die 500 Wdg. immer am günstigsten, die NF-Spule
                    hat 1200 Wdg. bekommen. Drahtstärkern "nach Gefühl".

                    Gruß
                    Jens

                    Datei-Anhänge
                    SAQ-Geradeaus-Röhrenempfänger--Oszillator-Spule_2025-07-22.jpg SAQ-Geradeaus-Röhrenempfänger--Oszillator-Spule_2025-07-22.jpg (89x)

                    Mime-Type: image/jpeg, 157 kB

                       1 2
                       1 2
                      Kopfhörer-Ausgangstrafo   Anoden-Betriebsspannung   Dachboden-Behelfsantenne   SAQ-Kungsbacka-Empfängers   welt-der-alten-radios   Permeabilitäts-abstimung   SAQ-Röhre-Geradeaus-Empfänger   Vakuum-Elektronen-Verstärkerröhren   Schwingkreiskondensatoren   Voxhaus-Gedenktafel   SAQ-Röhren-Geradeaus-Empfänger   Temperatur-Zeitkonstante   Stecker-Schaltnetzteilen   NF-Kopfhörerverstärker-Röhre   Konstruktionsprinzipien   Keramik-Rohrkondensatoren   temperaturkompensierten   1N4148-Gleichrichter-Diode   wumpus-gollum-forum   Temperaturdifferenzprobleme