| Passwort vergessen?
Sie sind nicht angemeldet. |  Anmelden

Sprache auswählen:

Wumpus Gollum Forum von
Wumpus Welt der (alten) Radios
Sie sind nicht angemeldet.
 Anmelden

VE301 Dyn W "Käfig" Schwingkreis
  •  
 1 2
 1 2
19.02.26 16:30
ES2BL 

0-49 Punkte

19.02.26 16:30
ES2BL 

0-49 Punkte

VE301 Dyn W "Käfig" Schwingkreis

Tere. Olen siin esmakordselt. Minul on VE301 Dyn W Radio H. Mende nr 11126.Lambid AF7, RES164 ja RGN1064. Kõik kuus pooli on ühisel alusel: see on "puuri" resonantsahel. Aga on ainult kolm antenni pesa. Antenniga sujuvat sidestust ei ole. Seega milleks on vasakpoolne nupp? Keegi enne mind oli sellele raadiole lisanud heli tugevuse potentsiomeetri vasaku nupu alla. Mind huvitab selle poolide "puuri" ühenduse skeem. Kas keegi saab aidata?
Tervitades Toomas

Zuletzt bearbeitet am 19.02.26 16:33

Noch gefällt der Beitrag keinem Nutzer.
!
!!! Fotos, Grafiken nur über die Upload-Option des Forums, KEINE FREMD-LINKS auf externe Fotos.    

!!! Keine Komplett-Schaltbilder, keine Fotos, keine Grafiken, auf denen Urheberrechte Anderer (auch WEB-Seiten oder Foren) liegen!
Solche Uploads werden wegen der Rechtslage kommentarlos gelöscht!

Keine Fotos, auf denen Personen erkennbar sind, ohne deren schriftliche Zustimmung.

Den Beitrag-Betreff bei Antworten auf Threads nicht verändern!
19.02.26 17:24
WoHo 

500 und mehr Punkte

19.02.26 17:24
WoHo 

500 und mehr Punkte

Re: VE301 Dyn W "Käfig" Schwingkreis

Habe mal den estnischen Text übersetzen lassen:


Hallo.
Ich bin neu hier. Ich besitze ein VE301 Dyn W Radio H. Mende Nr. 11126 mit den Röhren AF7, RES164 und RGN1064.

Alle sechs Spulen befinden sich auf einem gemeinsamen Sockel: Es handelt sich um einen Käfigschwingkreis. Allerdings gibt es nur drei Antennenbuchsen.

Die Antenne lässt sich nicht optimal ankoppeln. Wozu dient also der linke Knopf?
Jemand vor mir hatte unter dem linken Knopf ein Lautstärkepotentiometer eingebaut.

Mich interessiert der Schaltplan für den Käfigschwingkreis. Kann mir jemand weiterhelfen?

Viele Grüße, Toomas

19.02.26 17:49
Pluspol 

500 und mehr Punkte

19.02.26 17:49
Pluspol 

500 und mehr Punkte

Re: VE301 Dyn W "Käfig" Schwingkreis

Hallo Toomas,

Dein VE301 Dyn W ist ja die verbesserte Variante des VE301 W.
Neben der optisch besseren und beleuchteten Linearskala, hat das Radio mit der Pentode AF7 ein empfindlicheres Audion, als mit der Triode REN904.
Damit entfällt auch der Aufwärts- Übertragertrafo des VE301W für die sonst nötige Ansteuerung der Endröhre RES164, was die Klangbeschneidung verringert.
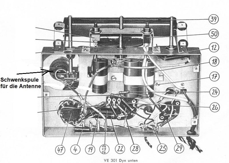
Dein Radio hat dazu eine schwenkbare Spule für die Antennenankopplung, mit der die Tennschärfe sowie die Lautstärke beeinflussbar ist.
Dafür ist auch ein Knopf neben der mittigen Senderwahl und der Rückkopplung bedienbar. Leider hat der Vorgängerbesitzer das Radio mit dem eigentlich unnötigem Lautstärkeregler verbastelt. Von der schwenkbaren Spule müssten Drahtverbindungen zu den Antennenbuchsen vorhanden sein. Weiss es ja nicht, aber vielleicht hat der Vorgänger dieses Radio gar noch als reinen NF-Verstärker genutzt. Trotzdem viell Spaß mit Deinem Gerät, trotz leider weniger Sender im Mittelwellenbereich.

Grüße von Dietmar

Zuletzt bearbeitet am 19.02.26 18:00

19.02.26 17:58
WoHo 

500 und mehr Punkte

19.02.26 17:58
WoHo 

500 und mehr Punkte

Re: VE301 Dyn W "Käfig" Schwingkreis

Lieber Toomas

Bitte übersetzte deine Texte in die deutsche Sprache mit "Google Translate".

------------------------

Also, der VE301 Dyn hatte original nie eine Käfigspule!. Das muss jemand dazu gebastelt haben!
Mache mal bitte ein paar Fotos.




Die alte Käfigspule hatten nur die ersten Volksempfänger.

Gruß aus NL, Wolfgang

Zuletzt bearbeitet am 19.02.26 18:01

Datei-Anhänge
ve301dyn_aufbau - Kopie.jpg ve301dyn_aufbau - Kopie.jpg (16x)

Mime-Type: image/jpeg, 62 kB

ve301dyn_aufbau2.jpg ve301dyn_aufbau2.jpg (20x)

Mime-Type: image/jpeg, 138 kB

19.02.26 18:07
WoHo 

500 und mehr Punkte

19.02.26 18:07
WoHo 

500 und mehr Punkte

Re: VE301 Dyn W "Käfig" Schwingkreis

Hier die alte Käfigspule mit den Anschlüssen:





Gruß aus NL

Datei-Anhänge
VE301_Kaefigspule_600 - Kopie.png VE301_Kaefigspule_600 - Kopie.png (20x)

Mime-Type: image/png, 121 kB

20.02.26 11:24
WoHo 

500 und mehr Punkte

20.02.26 11:24
WoHo 

500 und mehr Punkte

Re: VE301 Dyn W "Käfig" Schwingkreis

Hallo Toomas

Ich habe verstanden, dass sich die Antenne nicht gut anpassen lässt.
In der original Schaltung der Käfigspule zum VE301W hat man die Möglichkeit, verschiedene Anzapfungen an den Antennenspulen zu wählen!

Dein VE301Dyn hat jedoch nur drei Antennenbuchsen. Untenstehende Modifikation sollte einen guten Kompromiss darstellen.
Du kannst natürlich für die MW auch die anderen Anschlüsse 1-2-3 probieren, oder für die LW 5-6. Hängt sehr von der verwendeten Antenne ab.....



Gruß aus NL, Wolfgang

Datei-Anhänge
ve301dyn_Käfig.jpg ve301dyn_Käfig.jpg (18x)

Mime-Type: image/jpeg, 85 kB

20.02.26 11:41
basteljero 

500 und mehr Punkte

20.02.26 11:41
basteljero 

500 und mehr Punkte

Re: VE301 Dyn W "Käfig" Schwingkreis

Hallo Toomas,

Einige Internet-links mit Suchbegriffen helfen vielleicht, noch weitere Informationen
zu den Einzelteilen deines Empfängers zu finden:

Übersicht verschiedene "Volksempfänger"
https://www.welt-der-alten-radios.de/ges...faenger-22.html

"Käfigspule", "Käfig-Spule"
https://www.radiomuseum.org/forum/die_an...aefigspule.html

"Wickeldaten" Netztrafo
https://www.jogis-roehrenbude.de/Bastels...Wickeldaten.htm

Wenn in deinem radio der Trafo (Netztrafo) vom "dyn" eingebaut ist, dann ist die Spannung
höher als bei dem "301w"

https://roehren-radio.eu/sammlung/radio/...-stark/ve-301w/

---
"Potentiometer"
Da könnte der Vorbesitzer des Radios möglicherweise die Antennenankopplung über ein Poti
gemacht haben.
In dem Fall muss man prüfen, ob die Anschaltung richtig gemacht wurde, das Poti darf die Antennenwicklung
nicht kurzschließen.
Und auch, wie dann zwischen LW (Langwelle, "lang") und MW (Mittelwelle, "kurz") umgeschaltet
wurde.
Oder ob auf einen der beiden Bereiche verzichtet wurde.


Gruß
Jens

Zuletzt bearbeitet am 20.02.26 12:18

Datei-Anhänge
Antennenankopplung mit Potentiometer.jpg Antennenankopplung mit Potentiometer.jpg (16x)

Mime-Type: image/jpeg, 9 kB

20.02.26 13:55
Pluspol 

500 und mehr Punkte

20.02.26 13:55
Pluspol 

500 und mehr Punkte

Re: VE301 Dyn W "Käfig" Schwingkreis

Hallo Wolfgang bzw. WoHo,

Mit der Deiner bereitgestellten Grafik und Anschlussbelegung der Korbspule des VE301, hat Toomas zumindest die Möglichkeit Mittelwellenempfang zu erreichen. Dass der Voreigentümer das Radio derart verbastelt hat, konnte ich mir so nicht vorstellen.
Etwas unverständlich, war doch die typisch ursprüngliche Spulenanordnung mit schwenkbarer Antennenspule optimaler.
Vielleicht hatte der Vorbesitzer versucht, aus zwei defekt unvollständigen VE 301 und einem VE301 dyn etwas hinzubekommen.
Die Rolle und Funktion des LW/MW-Umschaltung ist auch offen. So ist es Kaum möglich von außerhalb, da richtig zu raten bzw. zu urteilen.

Gruß von Dietmar

20.02.26 15:52
wumpus 

Administrator

20.02.26 15:52
wumpus 

Administrator

Re: VE301 Dyn W "Käfig" Schwingkreis

Hallo zusammen,

nur sicherheitshalber das eigentliche Schaltbild der VE301 dyn W:






Ich habe solche Umbauarbeiten auch schon in den Händen gehabt. Es hieß damals in einigen Bastlerkreisen: Die Käfigspulen wären besser, das führte dann zu diesen Versuchen.


Grüße von Haus zu Haus
Rainer, DC7BJ (Forumbetreiber)

Welt der alten Radios:
http://www.welt-der-alten-radios.de

Wumpus-Gollum-Forum:
http://www.wumpus-gollum-forum.de/forum

Virtuelle Voxhaus-Gedenktafel:
http://www.voxhaus-gedenktafel.de

Wumpus bei youtube:
https://www.youtube.com/user/MyWumpus

20.02.26 16:00
WoHo 

500 und mehr Punkte

20.02.26 16:00
WoHo 

500 und mehr Punkte

Re: VE301 Dyn W "Käfig" Schwingkreis

Zitieren:
Die Rolle und Funktion des LW/MW-Umschaltung ist auch offen. So ist es Kaum möglich von außerhalb, da richtig zu raten bzw. zu urteilen.

Hallo Dietmar

Die Käfigspule wurde ja in den ersten Volksempfängern eingebaut. Da mussten natürlich auch beide Wellenbereiche schaltbar sein.
Das wurde mit den zwei Kontakten an den Punkten 13 und 15 realisiert.
Bei MW (=Kurz) werden die LW Spulen kurzgeschlossen. Das kann Toomas so übernehmen.

Ist allerdings nur MW Empfang bei seinem verbastelten VE301Dyn gewünscht, dann muss er Punkt 13 und 15 mit E0 (= Masse) verbinden.



Gruß aus NL, Wolfgang

Datei-Anhänge
ve301-kk.png ve301-kk.png (17x)

Mime-Type: image/png, 116 kB

 1 2
 1 2
Volksempfängern   Mittelwellenempfang   Anschlussbelegung   Lautstärkeregler   Lautstärkepotentiometer   Schwingkreis   Käfigschwingkreis   Wumpus-Gollum-Forum   Volksempfänger   sicherheitshalber   jogis-roehrenbude   Klangbeschneidung   Drahtverbindungen   Antennenankopplung   unvollständigen   Vorgängerbesitzer   Mittelwellenbereich   Voxhaus-Gedenktafel   welt-der-alten-radios   Antennenbuchsen