| Passwort vergessen?
Sie sind nicht angemeldet. |  Anmelden

Sprache auswählen:

Wumpus Gollum Forum von
Wumpus Welt der (alten) Radios
Sie sind nicht angemeldet.
 Anmelden

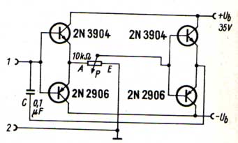
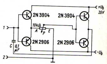
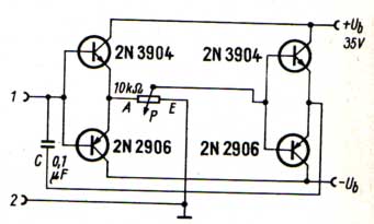
Rätselfrage zum Wochenende: Was wird an 1 2 in Abhängigkeit vom Potentiometer erzeugt?
  •  
 1
 1
08.12.17 18:24
regency 

500 und mehr Punkte

08.12.17 18:24
regency 

500 und mehr Punkte

Rätselfrage zum Wochenende: Was wird an 1 2 in Abhängigkeit vom Potentiometer erzeugt?

Die Schaltung stammt aus einer Funkschau vor fast 50 Jahren. Die Profis mögen sich noch etwas zurückhalten.

Datei-Anhänge
waskommtbei12raus1.jpg waskommtbei12raus1.jpg (530x)

Mime-Type: image/jpeg, 10 kB

wumpus und Wolle gefällt der Beitrag.
!
!!! Fotos, Grafiken nur über die Upload-Option des Forums, KEINE FREMD-LINKS auf externe Fotos.    

!!! Keine Komplett-Schaltbilder, keine Fotos, keine Grafiken, auf denen Urheberrechte Anderer (auch WEB-Seiten oder Foren) liegen!
Solche Uploads werden wegen der Rechtslage kommentarlos gelöscht!

Keine Fotos, auf denen Personen erkennbar sind, ohne deren schriftliche Zustimmung.

Den Beitrag-Betreff bei Antworten auf Threads nicht verändern!
08.12.17 20:18
Herrmann 

500 und mehr Punkte

08.12.17 20:18
Herrmann 

500 und mehr Punkte

Re: Rätselfrage zum Wochenende: Was wird an 1 2 in Abhängigkeit vom Potentiometer erzeugt?

Ich sehe 2 Gegentakt-B-Stufen rückgekoppelt, frage mich aber, ob die 2. Stufe nicht entbehrlich ist. Bezogen auf das Jahr 1969 ist das ein recht verschwenderischer Umgang mit Transistoren.
Viele Grüße, Herrmann

10.12.17 11:05
regency 

500 und mehr Punkte

10.12.17 11:05
regency 

500 und mehr Punkte

Re: Rätselfrage zum Wochenende: Was wird an 1 2 in Abhängigkeit vom Potentiometer erzeugt?

Hallo Hermann und alle,
sämtliche Bauteile sind erforderlich, damit das funktioniert. Ein Tipp: Wenn man sich das als Blackbox mit einem Drehknopf vorstellt, aus der nur die beiden Anschlüsse 1 und 2 herausgeführt sind, was würde man dort messen können?
VG Jan

10.12.17 11:44
ingodergute 

Moderator

10.12.17 11:44
ingodergute 

Moderator

Re: Rätselfrage zum Wochenende: Was wird an 1 2 in Abhängigkeit vom Potentiometer erzeugt?

Nach so wenig Resonanz traue ich mich mal:

Zwei mitgekoppelte Emitterfolger mit je einer Spannungsverstärkung kleiner eins werden nicht schwingen.

Ich gehe davon aus, dass es sich insgesamt (bezogen auf die Klemmen eins und zwei) um einen variablen - vom Poti gesteuerten - Kondensator handelt, der seinen Maximalwert hat, wenn das Poti am Masseanschluss ist und am anderen Ende fast Null ist, weil der Ausgang dem Eingang folgt und damit an beiden Polen des Kondensators gleiches Potential herrscht.
Das Ganze funktioniert nur solange die Spannung an den Klemmen eins und zwei nicht größer ist als die Betriebsspannung.
Außerdem ist das Ganze wegen der Basis-Emitter-Schwellspannungen der Transistoren nicht ganz ideal.

Viele Grüße

Ingo.

_____________
Analog bleiben!

10.12.17 15:57
regency 

500 und mehr Punkte

10.12.17 15:57
regency 

500 und mehr Punkte

Gelöst: Rätselfrage zum Wochenende: Was wird an 1 2 in Abhängigkeit vom Potentiometer erzeugt?

Deine Erklärung, Ingo, ist fast besser als im Originalbeitrag!
Das Rätsel ist damit gelöst.
VG Jan

Datei-Anhänge
waskommtbei12raus.jpg waskommtbei12raus.jpg (520x)

Mime-Type: image/jpeg, 195 kB

10.12.17 16:42
Wolle 

500 und mehr Punkte

10.12.17 16:42
Wolle 

500 und mehr Punkte

Re: Rätselfrage zum Wochenende: Was wird an 1 2 in Abhängigkeit vom Potentiometer erzeugt?

Hallo Jan.

Vielen Dank für Dein eingestelltes Rätsel. Schade, dass es so wenig Lösungsvorschläge gab. Aber ich "fossil" kann hier nicht mehr mitreden.
Mir hat es jedenfalls gefallen.

Mit vielen Grüßen.
Wolle.

Gedanken sind nicht stets parat, man schreibt auch, wenn man keine hat.

10.12.17 21:58
NorbertWerner 

500 und mehr Punkte

10.12.17 21:58
NorbertWerner 

500 und mehr Punkte

Re: Rätselfrage zum Wochenende: Was wird an 1 2 in Abhängigkeit vom Potentiometer erzeugt?

Hallo Jan,

die gleiche Schaltung wurde auch mal in einer Elektor Zeitschrift gezeigt.

Gruss
Norbert

 1
 1
Originalbeitrag   mitgekoppelte   Betriebsspannung   Masseanschluss   Spannungsverstärkung   Gegentakt-B-Stufen   Lösungsvorschläge   erzeugt   Emitterfolger   funktioniert   Wochenende   Rätselfrage   Basis-Emitter-Schwellspannungen   rückgekoppelt   herausgeführt   eingestelltes   zurückhalten   Potentiometer   verschwenderischer   Abhängigkeit