| Passwort vergessen?
Sie sind nicht angemeldet. |  Anmelden

Sprache auswählen:

Wumpus Gollum Forum von
Wumpus Welt der (alten) Radios
Sie sind nicht angemeldet.
 Anmelden

Kopfhörer, Übertrager und Impedanzanpassung für Detektor
  •  
 1 2 3
 1 2 3
19.08.24 17:56
basteljero 

500 und mehr Punkte

19.08.24 17:56
basteljero 

500 und mehr Punkte

Kopfhörer, Übertrager und Impedanzanpassung für Detektor

-Die ersten Versuche mit umgebauten handelsüblichen Hörer-
Hallo,
gerade auf dem "Detektor-Tripp" stellt sich die Frage nach dem passenden Kopfhörer.

Bisher wurde ein alter "Omega" Hörer verwendet, er stammt aus einer Seefahrtschule und wurde
in den 1950ern und danach für den Telegrafie-Unterricht eingesetzt.
Trotz zahlreicher Anpassungs-Versuche kam keiner der hier vorhandenen Bügelkopfhörer an seine
Empfindlichkeit heran.
Deshalb mal einen Ohrhörer probiert.
Ein "Thomson HED 4408 in-Ear-Hörer" Empfindlichkeit: 117 dB/mW
https://device.report/m/965c72499115f62a...7116f44928b.pdf
Grundlagen zu Kopfhörern an dieser Stelle:
https://service.shure.com/Service/s/arti...hen?language=de
Als erstes das Kabel durchgekniffen und den Hörer direkt angeschlossen, da sind schon mal 240 Ohm durch
die beiden Lautstärke-Potis weniger an Belastungswiderstand.
Es wurde dann ein Gleichstrom-Widerstand der beiden parallelen Systeme von 82 Ohm gemessen, angeblich
hat der Hörer eine Impedanz von 16 Ohm...



Der niederohmige Hörer muß in einen Bereich von 20 kOhm bis 100 kOhm angepaßt werden, dazu wurden
3 Trafos ausprobiert:
Steckernetzteil 230/ 4,8V; Trafo ca. 5 Watt 230 V/ 6 V ; ELA-Übertrager 10W.
Die besten Ergebnisse wurden mit dem ELA-Übertrager erzielt, obwohl hier die Spannung am 100 kOhm-
Widerstand im Leerlauf von 40mVpp auf 32 mVpp einbrach.
Bei dem 5 Watt-Trafo (höhere Induktivität) brach die Spannung nur auf 36mVpp ein, aber dafür sind die
Wicklungs-Widerstände höher.

Im Hörvergleich ist die Lautstärke des 4408 und des Omega bei 800 Hz gleich, darunter ist der 4408
lauter, darüber der Omega.

Für den Anfang gar nicht so schlecht.
Da es aber auch 125 db SPL/mW-Kapseln gibt, ist wohl eine Verbesserung möglich.
Vielleicht kann ja jemand einen Tipp geben oder hat sich sogar selbst schon einen Hörer speziell
für den Detektor-Empfang angefertigt.
Vorgeschlagen wird dafür im Netz z.B. ein Ohrenschützer aus dem Baumarkt, der wurde heute
eingekauft und schließt wirklich dicht ab.

Nachträge
Es lohnt sich, auch ältere Beiträge durchzuschauen:
Kopfhörervergleich / 2000Ohm Hagenuk Hörer zu Sound Powered RAL 782-5393
https://www.wumpus-gollum-forum.de/forum...&thread=105

Western Electric "Sound- Powered- Kopfhörer"
https://www.wumpus-gollum-forum.de/forum...&thread=109

Vom PrGtNr.1a zum Detektorkopfhörer
https://www.wumpus-gollum-forum.de/forum...&thread=124

"Weitere Bilder Innenleben":
https://www.wumpus-gollum-forum.de/forum...&thread=123

Kopfhörerempfindlichkeit im Selbsttest
https://www.wumpus-gollum-forum.de/forum...&thread=127




Gruß
Jens

Zuletzt bearbeitet am 10.06.25 15:38

Datei-Anhänge
Test Kopfhörer_2024-08-19.jpg Test Kopfhörer_2024-08-19.jpg (154x)

Mime-Type: image/jpeg, 175 kB

Roehren-Lutz gefällt der Beitrag.
!
!!! Fotos, Grafiken nur über die Upload-Option des Forums, KEINE FREMD-LINKS auf externe Fotos.    

!!! Keine Komplett-Schaltbilder, keine Fotos, keine Grafiken, auf denen Urheberrechte Anderer (auch WEB-Seiten oder Foren) liegen!
Solche Uploads werden wegen der Rechtslage kommentarlos gelöscht!

Keine Fotos, auf denen Personen erkennbar sind, ohne deren schriftliche Zustimmung.

Den Beitrag-Betreff bei Antworten auf Threads nicht verändern!
20.08.24 11:22
basteljero 

500 und mehr Punkte

20.08.24 11:22
basteljero 

500 und mehr Punkte

Re: Kopfhörer und Impedanzanpassung für Detektor

-In-ear-Hörer im Gehörschutz, Gehörschutzmaßnahmen
Hallo,
das wars dann erstmal mit der Hersteller-Gewährleistung, aber das Ding sollte sowieso
umgebaut werden:
Der gemessene Gleichstrom-Widerstand erklärt sich einfach:
Es ist vor jede Hörkapsel ein 150 Ohm-Widerstand eingebaut, der die Lautstärke herabsetzt und
so eine Anpassung an die gängigen Kopfhörer-Ausgänge vornimmt.
Für den Detektor-Empfang natürlich nicht so gut.

Es erklärt sich nun auch der hohe Wert der maximalen Belastbarkeit von 100 mW, professionelle
In-Ear-Hörer sind teilweise mit nur 3mW angegeben.

Die Lösung ist natürlich einfach, es stellt sich dabei die Frage, wie nun ein Gehörschutz realisiert
werden kann.
Wird darauf hinauslaufen, dass ein Printtrafo mit primär antiparallel geschalteten Schottky-
Dioden untrennbar mit den Kapseln verbunden wird.
Die Kapseln kann man noch in Serie schalten, um eine höhere Impedanz zu erhalten.
Bei einem 2 VA 230/9V beträgt das Übersetzungsverhältnis etwa 20; es wären dann 20 x 20 x 32 Ohm
= 12800 Ohm Primärimpedanz.

Im rechten Bild der Gehörschutz (3M, Toom-Baumarkt), da sollen die Kapseln eingebaut werden.
Das wurde auf einer Detektor-Seite vorgeschlagen und hat natürlich für den Außeneinsatz besondere
Bedeutung, wo Nebengeräusche einen möglichen Empfangserfolg verhindern können.

Der Bügel des Schutzes klemmt "knallhart", und das ist hier genau richtig.

Apropos Schutz:
Gehörschutz spielte wohl kaum eine Rolle bei Konstruktionen wie diesen hier aus der Zeit des
ersten Weltkriegs:

https://archive.org/details/bub_gb_4CzOA...mp;q=H%C3%B6rer


Der fertige Hörer hat jetzt auch oberhalb von 800 Hz die Empfindlichkeit des alten "Omega".
Der Sitz der im Innern der Halbschalen angebrachten Hörstöpsel kann nachjustiert werden und ist
angenehmer als mit dem ursprünglichen Kinnbügel.

Außengeräusche werden extrem abgedämpft. Die Schutzdioden begrenzen Störimpulse, die beim
Omege sehr unangenehm beim Hören sind, also hohe Pegel haben.

Im improvisierten MW-Detektor-Aufbau mit kurzer Dachbodenantenne um 23:00 schnitt der Hörer
hörbar besser ab als der 4000Ohm-Omega:
Die Signale von "Talk Sport" (1088 kHz) waren fast immer hörbar, mit dem Omega nur bei stärkerem Signal.
Twente zeigte etwa -45 dBm ind den Spitzen, -60 dBm in den Schwundphasen.
Die Spannung nach der AA112 war außerdem um 1/3 höher (20mVpp im Durchschnitt), der Hörer ist
also hochohmiger und belastet den Kreis weniger.
Wegen des besseren Frequenzganges auch bessere Sprachverständlichkeit.

Gruß
Jens

Zuletzt bearbeitet am 18.04.25 11:31

Datei-Anhänge
Vorwiderstands-Anpassung_und_3M-Gehörschutz.jpg Vorwiderstands-Anpassung_und_3M-Gehörschutz.jpg (159x)

Mime-Type: image/jpeg, 97 kB

Flieger-Innentelephon.JPG Flieger-Innentelephon.JPG (160x)

Mime-Type: image/jpeg, 41 kB

Fertiger Kopfhörer für Detektor.jpg Fertiger Kopfhörer für Detektor.jpg (165x)

Mime-Type: image/jpeg, 85 kB

22.08.24 10:03
MB-RADIO 

500 und mehr Punkte

22.08.24 10:03
MB-RADIO 

500 und mehr Punkte

Re: Kopfhörer und Impedanzanpassung für Detektor

basteljero:

Vielleicht kann ja jemand einen Tipp geben oder hat sich sogar selbst schon einen Hörer speziell
für den Detektor-Empfang angefertigt.

Gruß
Jens

Hallo Jens,

ich habe mir dafür den da gebaut:
https://www.wumpus-gollum-forum.de/forum...mp;thread=124#5

Das ist mein empfindlichster Hörer.

Viele Grüße
Bernd

Zwei Dinge sind unendlich, das Universum und die menschliche Dummheit, aber bei dem Universum bin ich mir noch nicht ganz sicher. (Albert Einstein)

Zuletzt bearbeitet am 22.08.24 10:07

22.08.24 15:59
basteljero 

500 und mehr Punkte

22.08.24 15:59
basteljero 

500 und mehr Punkte

Re: Kopfhörer und Impedanzanpassung für Detektor

Hallo Bernd,
danke für den Hinweis, den Beitrag kannte ich noch gar nicht.

Nachtrag:
Mit diesem Hörer gelang erstmalig Tages-Fernempfang von BBC5 live, 693kHz an kurzer Dachbodenantenne.
Allerdings musste ein Signalgenerator auf dieser Frequenz benutzt werden,damit die Germanium-Diode besser
arbeiten kann.

Gruß
Jens

Zuletzt bearbeitet am 24.08.24 16:58

22.08.24 16:27
MB-RADIO 

500 und mehr Punkte

22.08.24 16:27
MB-RADIO 

500 und mehr Punkte

Re: Kopfhörer und Impedanzanpassung für Detektor

Hallo Jens,

ist ja auch schon lange her. Ich habe auch lange nicht mit einem Detektor ins Äther gelauscht - wird mal wieder Zeit.

Vielleicht findest Du im Netz noch solche oder ähnliche Hörer - in neudeutsch auch Rocking Amatur genannt - gab es nicht nur bei der Post. Die von U-Booten sollen noch empfindlicher sein - habe aber keine zum Vergleich.

Aaaaber man hat ja soooooo viele Projekte ........

Viele Grüße
Bernd

Zwei Dinge sind unendlich, das Universum und die menschliche Dummheit, aber bei dem Universum bin ich mir noch nicht ganz sicher. (Albert Einstein)

14.10.24 00:19
basteljero 

500 und mehr Punkte

14.10.24 00:19
basteljero 

500 und mehr Punkte

Re: Kopfhörer, Übertrager und Impedanzanpassung für Detektor

-Hochempfindlicher Hardcore Detektor-Hörer aus Treibereinheit
Hallo,
Ein etwas "schräger" Lautsprecher ist auf dieser Detektor -Seite zu finden:
Der Druckkammer-Treiber für ein Horn.
https://www.crystal-radio.eu/endriver.htm
Mit 113 dB/m/W höherer Wirkungsgrad als selbst hart aufgehängte LS aus dem
Musiker-Bereich.
Die Spule ist auswechselbar und wurde mit doppelseitigem Klebeband zur Druckkammer
eingeklebt (Dichtigkeit), eine Art Tonkegel aus Plastik zur Membran hin entfernt.

Achtung: Wirksame Gehörschutzmaßnahmen unbedingt erforderlich !!!

In der "Funk-Technik" 1953-Heft 10 benutzt W.Diefenbach einen Gabelkopfhörer,
der an einen Kristall-Geber angeschlossen ist, um eine bessere Klangqualität zu erzielen.

Das Prinzip kann man auf den Druckkammer-Treiber anwenden und hat deutliche Spracherkennung
bei etwa 5 bis 10 mVpp und einer Eingangs-Impedanz von 100 kOhm.

Das erfordert aber einen verlustarmen Übertrager mit recht hoher Induktivität :


Ein üblicher 5-oder 10-Watt ELA-Übertrager lässt nur noch die Höhen durch.
Anhand der Formeln aus der Funkschau 1952/Heft03 ("Berechnung und Dimensionierung eines NF-Übertragers"),
L.Ratheiser und Vergleich mit den ELMA-TT-Daten (Conrad) lässt sich der Grund erkennen:
Die Windungszahlen sind zu niedrig für diese Zweckentfremdung.
Es wären etwa 6000 Wdg. notwendig, ob dafür Platz ist, müsste nachgerechnet werden.
(Dazu Aufsatzreihe von O.Limann: "Die Berechnung von Drosseln, Netztransformatoren und Nf-Ubertragern",
Funkschau 1958 Heft 1 und nachfolgende.)

Besser als die ELA-Übertrager war der 30VA-Trenntrafo, obwohl der verschweißt ist und aufgesägt werden musste.
Mit parallel-C ist die Resonanz nach unten in die Mitte des Sprachbereichs geschoben.

Die jetzt bestellte Monachor-Treibereinheit "KU-916-T" hat dagegen einen wechselseitig geschichteten
Kern, der nicht Vakuum-getränkt ist. (Für ELA-System bestimmt)

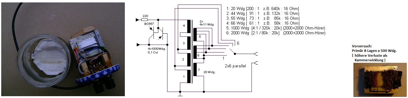
Zur Verringerung der Wicklungs-Kapazität wurden aus Pappe vier Kammern hergestellt, jede bekam 1400 Wdg.
Sekundärseitig war dann noch Platz für 2 Lagen, es musste aus Platzmangel dünnerer Draht genommen werden
als der Original-Draht.

Sehr hochohmig über 470 kOhm eingespeist, zeigt sich Resonanz bei 800 Hz und eine recht breite Durchlaß-Kurve.
Die Verluste sind an diesem Punkt wesentlich geringer, als bei dem doch recht großen Kern erwartet und
entsprechen einem parallel geschalteten Widerstand von etwa 3 Mohm.

Mit diesem unhandlichem Konstrukt kann nun Tagsüber sehr leise die BBC an der Behelfsantenne gehört werden.
Die NF beträgt in diesem Fall nur 2-4 mVpp.
Mit der Eingangsimpedanz von 100 kOhm (16 Ohm sekundär * (5600/72)² ) ergibt sich eine Grenzempfindlichkeit
von U²/R= 2²mV² / 100 kOhm = 0,04 pW

Mit angeschlossenem 16 Ohm-Treiber ergibt sich ein flacher Verlauf bzw. zwei Resonanzpunkte 500 / 1600 Hz.
In umgekehrter Richtung wirkt der Treiber als Mikrofon und erzeugt Spannungen von um die 100 mVpp am
470 kOhm-Widerstand.

Edit:
Der fertige Hörer hat noch ein Verbindungsstück erhalten, die Lautstärke sinkt dadurch erfreulicherweise nicht ab,
Das Rohr (Waschmaschinenschlauch) hat eine Resonanzfrequenz, die von der Länge des Rohres abhängig ist.
Insgesamt ergeben sich 2 Resonanzanhebungen im Sprachbereich, so dass jetzt auch die nahe xxx-funk-Bake
hörbar ist.


Mit dem an sich schon empfindlichen Hörer mit den Dynamischen Kapseln des HED4408 (1.Beitrag) ist überhaupt
nichts zu hören.
Diese deutliche Überlegenheit des Druckkammer-Systems überrascht dann doch etwas.
Eine zweite Einheit ist schon auf dem Weg, es soll noch ein flexiblerer Übertrager mit sekundärseitiger
Umschaltmöglichkeit gewickelt werden.

Gruß
Jens

Datei-Anhänge
Trafo-Vergleich-Testschaltungen-Omnitronic-Trafo-neugewickelt.jpg Trafo-Vergleich-Testschaltungen-Omnitronic-Trafo-neugewickelt.jpg (153x)

Mime-Type: image/jpeg, 461 kB

Fertiger Fernempfang-Hörer.jpg Fertiger Fernempfang-Hörer.jpg (149x)

Mime-Type: image/jpeg, 198 kB

28.10.24 19:29
basteljero 

500 und mehr Punkte

28.10.24 19:29
basteljero 

500 und mehr Punkte

Re: Kopfhörer, Übertrager und Impedanzanpassung für Detektor

-Verlustarmer Übertrager für breitbandigen Detektor
Hallo,
Mende schreibt im Funkschau-Sonderdruck von 1948:
(https://www.jogis-roehrenbude.de/Detektor/Mende.htm)

Zitieren:
Eine andere, mehr theoretische Möglichkeit, die Bedämpfung des Kreises durch den Kopfhörer zu veringern, ist die Verwendung eines Anpassungsübertragers ... , dessen Primärseite an den Resonanzwiderstand des Kreises und dessen Sekundärseite an die Kopfhörerimpedanz angepaßt wird. Bei dieser Schaltung wird auch der Wirkungsgrad des Detektors besser, der nach Untersuchungen von Reyner erst bei äußeren Widerständen von über 100 kOhm ein Optimum erreicht. In der Praxis wird dieser Vorschlag an der schwierigen Konstruktion des Übertragers, die zumindest für den üblichen Rundfunkempfang in keinem Verhältnis zum Erfolg steht, scheitern.

Eine Beschränkung hauptsächlich auf den Sprachbereich vereinfacht die Problematik jedoch wie sich zeigte.
Die Kammerwicklung brachte dazu den "Durchbruch", der Versuch, sie durch Lagen zu ersetzen, war nicht erfolgreich.

Also nochmal mit Unterteilung in 4 Scheibenwicklungen, die primäre Windungszahl wurde von 5600 Wdg. auf 4000
reduziert, um die Eigenresonanz in den Bereich zu legen, wo der Druckkammer-Treiber einen recht starken Abfall zeigt:
Etwa ab 1500 Hz.

Außerdem steht mehr Wickelraum für die Sekundär-Wicklung zur Verfügung, mit dem parallel geschalteten zweifach-
Schalter werden verschiedene Übersetzungen geschaltet.


Mit Ferritstab und auch Schalenkern lag die günstigste Einstellung bei Stellung "2" und "3" für den 16Ohm
Druckkammer-Treiber und "5" beim 4000 Ohm-Hörer.
Allerdings ist mit dem und dem Hörer mit den Hörkapseln des "HAMA" nichts zu hören, wo der Druckkammer-Treiber
sich schon am Rande der Sprachverständlichkeit befindet.

Möglicherweise kann eine andere Diode weitere Verbesserung bringen, BAT15 und SD101 zeigten gleiche Lautstärke.
Dieses nicht ganz einfache Thema ist z.B. von Ben Tongue eingehender untersucht und erklärt worden.
https://web.archive.org/web/201612210706...D/27MeaXSD.html

Gruß
Jens

Zuletzt bearbeitet am 18.04.25 11:36

Datei-Anhänge
Omnitronic-Übertrager für Sprachbereich mit Umschalter_2024-10-27.jpg Omnitronic-Übertrager für Sprachbereich mit Umschalter_2024-10-27.jpg (150x)

Mime-Type: image/jpeg, 142 kB

25.12.24 21:13
basteljero 

500 und mehr Punkte

25.12.24 21:13
basteljero 

500 und mehr Punkte

Kopfhörer, Übertrager und Impedanzanpassung für Detektor : Ferrit- und Schalenkerne anpassen

-Verlustarmer resonanter Schalenkern-Übertrager für SAQ (Telegrafie)
Hallo,
Der Blechkern-Übertrager ist mit seiner "Tiefen"-Übertragung für MW-bestimmt.

Für Telegrafie (speziell SAQ) mit dem Monachor-Treiber, der auch 200 Hz noch gut wiedergibt,
entsteht so das Problem, das der benachbarte Marinesender JXN (16,4 lHz) über den 17,2 kHz-Eingangskreis
noch durchschlägt und leise mit 200 Hz zu hören ist (Heterodyne-Überlagerer: 16,2 kHz für 1000 Hz Hörton).

Die großen Schalenkerne von "AskJanfirst" haben meist Luftspalt, aber bei wenigen ist zumindest bei einer
der beiden Kernhäften das Joch bündig, so dass mit zwei solchen Kernen ein Luftspaltfreier Übertrager
realisiert wurde, der weniger Parallelkapazität für gleiche Resonanzfrequenz benötigt und so hohe Güte
hat:


Das zeigte der kurze Test (Bild rechts oben), bei nur 8 Hz 6dB-Bandbreite (mit 30 Ohm) Originalspule
würde der Kreis der Tastung nicht mehr folgen, aber mit zwei dieser Kreise lässt sich gut ein etwas mehr
gedämpfter Bandfilter aufbauen.

Die Temperatur-Abweichung beträgt nur einige Hertz nach unten, die MPK-Kondensatoren (7,5n)
"halten dagegen"
Der Schalenkern ist laut "Nesoid-Katalog" ein P42x29 Kern, der mit F1001-Material einen Al-Wert von
6500 hat.
Mit diesem Rechner kann überschlägig die Windungszahl bzw. Induktivität ermittelt werden:
https://www.dextermag.com/de/al-inductance-calculator/

Für den SAQ-Detektorempfänger wurde testweise eine Kernhälfte mit Schmigelleinen auf ebener Fläche
zurechtgeschliffen.
-Hartes Brot, aber es geht:
kein Luftspalt mehr und Eigenresonanz sinkt von z.B. 20 kHz auf 7 kHz.
im Vergleich zu einem Kern mit Luftspalt.

Eingangsseitig belastet der (differentielle) Widerstand der Gleichrichter-Diode, ausgangsseitig der 16-Ohm-
Druckkammer- Treiber, der in etwa auch auf diesen Wert transformiert wird.

Der Kreis selbst sieht wiederum eine aufwärts-transformierte Belastung von etwa 44 kOhm, das stimmt
mit der "Redcrab"-Berechnung in etwa überein.

Das Prinzip ist einfach:
Bei Resonanz wandert Energie zwischen Kondensator und Spulen-Induktivität hin und her.
Unterhalb der Resonanzfrequenz belastet der induktive Blindwiderstand die Diode, oberhalb
der kapazitive Blindwiderstand.

Ergebnis ist eine 6dB-Bandbreite von etwa +/- 150 Hz, JXN war am 24.12.2024 nun nicht mehr zu hören,
ohne dass ein merklicher Lautstärke-Abfall gegenüber dem vorher benutzten Schalenkern festzustellen ist.
https://www.wumpus-gollum-forum.de/forum...4&page=2#16

Gruß
Jens

Zuletzt bearbeitet am 18.04.25 11:38

Datei-Anhänge
Detektor-NF-Telegrafie-Schalenkernübertrager_2024-12-22.JPG Detektor-NF-Telegrafie-Schalenkernübertrager_2024-12-22.JPG (133x)

Mime-Type: image/jpeg, 101 kB

19.04.26 22:15
basteljero 

500 und mehr Punkte

19.04.26 22:15
basteljero 

500 und mehr Punkte

Re: Kopfhörer, Übertrager und Impedanzanpassung für Detektor

Hallo,

Für einen einfachen Detektor-Empfänger wurde ein alter Telefunken-Übertrager für die
EL41 verwendet und angepasst.
obwohl recht stark verrostet, konnten die Bleche entnommen werden und der Kern
wechselseitig, also ohne Luftspalt, neu gestopft werden.
Es sind dünne 0,32mm-Bleche gegenüber den üblichen 0,5 mm-Trafo-Blechen

Dankenswerterweise sind einige Daten des Übertragers (mit Luftspalt) angegeben:

Ra = 7000 Ohm, (primär) sekundär : 2,7 Ohm. fu: 79 Hz, L: 11,7 H, Ia=35 mA, Wirkungsgrad : 80%

Er hat also selbst mit Luftspalt eine größere Induktivität als ein ELA-Übertrager oder Netztrafo.

Das Übersetzungsverhältnis ergibt sich aus Z1= Z2 x ܲ => N=51

Sehr oft liest man, ein Übertrager habe eine Impedanz. Er hat aber nur ein Übersetzungsverhältnis,
welches Impedanzen transformiert.
Wichtig ist das, weil man jetzt in der neuen Anwendung als Detektor-Kopfhörer-Übertrager eine andere
Sekundär-Impedanz transformiert, nämlich jetzt die 32 Ohm der in Serie geschaltten in-ear-Kapseln :

Z1= Z2 x ܲ = 32 Ohm x 51 x 51 = 83200 Ohm = 83,2 kOhm.

Das passt wie Faust aufs Auge, dieser Primär-Detektor gewinnt an Trennschärfe gegenüber dem
Netztrafo, obwohl die Diode für den Übertrager nicht an Anzapfung des Kreises gelegt ist.

Die Übersetzung ist in diesem Fall noch höher, denn der Übertrager hat noch einen Anschluß
für die Endstufen-Brummkompensation, und der wird benutzt, damit primärseitig mit maximaler
Windungszahl und Induktivität gearbeitet werden kann.

Mit angeschlossenem Hörer wurde die zusätzliche primär-Parallelkapazität mit etwa 1,2 nF ermittelt,
um eine leichte Resonanzüberhöhung bei 1000 Hz zu erzielen.

https://www.wumpus-gollum-forum.de/forum...mp;thread=165#2

Gruß
Jens

Zuletzt bearbeitet am 19.04.26 22:42

20.04.26 10:31
Reflex-Kalle 

500 und mehr Punkte

20.04.26 10:31
Reflex-Kalle 

500 und mehr Punkte

Re: Kopfhörer, Übertrager und Impedanzanpassung für Detektor

basteljero:
Hallo,

Für einen einfachen Detektor-Empfänger wurde ein alter Telefunken-Übertrager für die
EL41 verwendet und angepasst.
obwohl recht stark verrostet, konnten die Bleche entnommen werden und der Kern
wechselseitig, also ohne Luftspalt, neu gestopft werden.
Es sind dünne 0,32mm-Bleche gegenüber den üblichen 0,5 mm-Trafo-Blechen

Dankenswerterweise sind einige Daten des Übertragers (mit Luftspalt) angegeben:

Ra = 7000 Ohm, (primär) sekundär : 2,7 Ohm. fu: 79 Hz, L: 11,7 H, Ia=35 mA, Wirkungsgrad : 80%

Er hat also selbst mit Luftspalt eine größere Induktivität als ein ELA-Übertrager oder Netztrafo.

Das Übersetzungsverhältnis ergibt sich aus Z1= Z2 x ܲ => N=51

Sehr oft liest man, ein Übertrager habe eine Impedanz. Er hat aber nur ein Übersetzungsverhältnis,
welches Impedanzen transformiert.
...

Jens,

du solltest dich mehr mit den technischen Grundlagen von Transformatoren (Übertragern) befassen.

Netztrafos haben durchaus brauchbare Induktivitäten der 220(230)V Primarwicklungen, insbesondere Kleinleistungs-Netztrafos. so hat z.B. bei einem ca. 30W Netztrafo die 230V Primärwicklung eine messbare Induktivität von ca. 16H. Das muss so sein, damit die Leerlaufstromaufnahme nicht ins unermessliche steigen kann. Ein 100V Ela-Übertrager für max. 10W hat auch eine relativ hohe Induktivität von ca. 10H der primären Gesamtwicklung für 0,625W.

Grundsätzlich hat eine Induktivität auch eine Impedanz, den Scheinwiderstand, der mit steigender Frequenz linear zunimmt. Eine Induktivität von 10H hat z.B. eine Reaktanz, einen Blindwiderstand, von ca. 3,14 kOhm bei 50Hz. Die Impedanz ist dann die geometrische Summe von ohmschen Wicklungswiderstand und dem frequenzabhängigen Blindwiderstand. Bei einem Übertrager liegt dann die für Leistungsanpassung mit dem Quadrat des Übersetzungsverhältnis transformierte Sekundär-Impedanz der induktiven Impedanz der Primär-Wicklung parallel.

Gruß

(Reflex-)Kalle

 1 2 3
 1 2 3
Hersteller-Gewährleistung   Übersetzungsverhältnis   Kopfhörer   Conrad-10W-Ela-Übertrager   Halogen-Schreibtischlampe   Watt-omnitronic-Ela-Übertrager   Übertrager   Endstufen-Brummkompensation   Impedanz   Blindwiderstand   Impedanzanpassung   Detektor   parallel   wumpus-gollum-forum   Induktivität   primär-Parallelkapazität   installationela-technik-100v   ELA-Übertrager   Detektor-Kopfhörer-Übertrager   Primärwicklung