| Passwort vergessen?
Sie sind nicht angemeldet. |  Anmelden

Sprache auswählen:

Wumpus Gollum Forum von
Wumpus Welt der (alten) Radios
Sie sind nicht angemeldet.
 Anmelden

- Experiment Detektor -
  •  
 1 2 3
 1 2 3
11.07.21 17:41
funkoldi 

100-249 Punkte

11.07.21 17:41
funkoldi 

100-249 Punkte

Re: - Experiment Detektor -

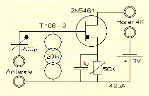
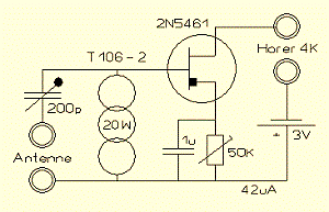
Dioden-Detektor / Transistor-Detektor / FET-Detektor:

Diese drei waren nach dem Aufbau im Hörtest. Mit allen ist Kurzwellen-Empfang möglich. Hörbar ist, dass im Frequenzbereich unter 10MHz eine Tagesdämpfung vorhanden ist. Von den drei vorgestellten Detektor-Typen ist die Schaltung FET-Detektor die bessere Wahl. Die höhere Empfindlichkeit reizt, es auch mit einem Parallelschwingkreis und veränderter Antennenkopplung zu versuchen. Als Anhang der einfache erprobte FET-Detektor.

Mit freundlichem Gruß, funkoldi

Datei-Anhänge
FET Detektor-Plan.png FET Detektor-Plan.png (314x)

Mime-Type: image/png, 26 kB

FET Detektor-Aufbau.png FET Detektor-Aufbau.png (327x)

Mime-Type: image/png, 95 kB

!
!!! Fotos, Grafiken nur über die Upload-Option des Forums, KEINE FREMD-LINKS auf externe Fotos.    

!!! Keine Komplett-Schaltbilder, keine Fotos, keine Grafiken, auf denen Urheberrechte Anderer (auch WEB-Seiten oder Foren) liegen!
Solche Uploads werden wegen der Rechtslage kommentarlos gelöscht!

Keine Fotos, auf denen Personen erkennbar sind, ohne deren schriftliche Zustimmung.

Den Beitrag-Betreff bei Antworten auf Threads nicht verändern!
11.07.21 22:55
regency 

500 und mehr Punkte

11.07.21 22:55
regency 

500 und mehr Punkte

Re: - Experiment Detektor -

Hallo funkoldi,
wenn du den Parallelschwingkreis machst, könntest du auch eine Rückkopplung versuchen. Hier mal mit einem Experimentierkasten ausprobiert...
https://www.wumpus-gollum-forum.de/forum...0&page=2#15
Gruß,
Jan (regency)

12.07.21 16:59
funkoldi 

100-249 Punkte

12.07.21 16:59
funkoldi 

100-249 Punkte

Re: - Experiment Detektor -

Hallo Jan...und Forumer:

Mit Dank für die Vorstellung deines Experimentes. Ich werde mich mit dem Aufbau FET-Detektor weiter beschäftigen. Da mein Aufbau von der klassischen Detektor-Schaltung immer weiter abweicht, erfolgt eine Fortführung unter dem Thema " Kurzwellen - Demodulator ". Die Schaltung sowie der Aufbau wurden auf einen npn-Halbleiter umgerüstet.

Mit freundlichem Gruß, funkoldi

 1 2 3
 1 2 3
Kurzwellen-Dioden-Detektor   Kopfhöreranschluss   Wumpus-Gollum-Forum   Voxhaus-Gedenktafel   Parallel-Schwingkreis   Kurzwellen-Empfang   Kurzwellen-Schaltung   funkoldi   Transistor-Detektor   welt-der-alten-radios   Schaltung   Parallelschwingkreis   freundlichem   Betriebsspannung   Rückkopplung   Basis-Emitter-Kapazität   Experiment   Detektor   Schwingkreis-Parallelschaltung   Rückkopplungsfaktor