| Passwort vergessen?
Sie sind nicht angemeldet. |  Anmelden

Sprache auswählen:

Wumpus Gollum Forum von
Wumpus Welt der (alten) Radios
Sie sind nicht angemeldet.
 Anmelden

Quarze ziehen ??
  •  
 1 2
 1 2
27.02.18 18:24
joeberesf 

500 und mehr Punkte

27.02.18 18:24
joeberesf 

500 und mehr Punkte

Quarze ziehen ??

Hallo zusammen,

innerhalb eines 6V6 Projekts und aufgrund der Verwendung eines Quarzes zur Erzeugung einer sehr stabilen und schmalbandigen Oszillatorfrequenz, ergab sich eine neue Fragestellung. Kann man solch eine Quarzfrequenz beeinflussen und in welche Richtung?
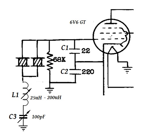
Meine Gesamtschaltung, auf die ich hier nicht vertieft eingehen will, zeigt am Gitterkreis folgende Beschaltung.
Ein Colpitts- Oszillator bestehend aus den Keramikkondensatoren C1 und C2 und dem zugehörigen Quarz.



Im www fand ich zur Thematik eine für meinen Aufbau passende Schaltungsweise, welche hier durch L1 und C3 vereinfacht dargestellt ist. Versuche zeigten, dass der Versatz zur Quarzfrequenz bis zu 3.5kHz beträgt. Das funktioniert aber nur wenn L und C großzügig (200uH, 100pF) variabel aufgebaut sind. Wird das L allerdings zu groß setzt die Schwingung aus, C zu groß ist eher unproblematisch, hat dann aber als LC- Kombination in diesem Bereich keine frequenzverändernde Eigenschaft mehr. Ist L und C montiert lässt sich geringfügig auch über C1 die Frequenz beeinflussen. Die Bandbreite von <100Hz wurde nicht negativ beienflusst.



Was ich nicht verstehe, warum lässt sich der Quarz nur auf höhere Frequenzen ziehen? Bei diesem Schaltungsaufbau hätte ich genau das Gegenteil erwartet und an eine Absenkung der Quarzfrequenz gedacht.
Gibt es eine Schaltung mit der sich die Frequenz absenken lässt? Hierbei meine ich keinen Frequenzteiler, also Schaltungen die eine Frequenz eines Signals in einem bestimmten Verhältnis herunterteilt. Es geht hier um maximal +/- 1.5kHz….also eine Art Feinabstimmung... denn große Frequenzsprünge lassen sich ja durch das Aufstecken eines anderen Quarzes erreichen.
Habt ihr dazu Erfahrungen und weitere Ideen?

VG
Joerg

Zuletzt bearbeitet am 27.02.18 18:45

Datei-Anhänge
quarz in colpitts.jpg quarz in colpitts.jpg (478x)

Mime-Type: image/jpeg, 35 kB

quarz ziehen.jpg quarz ziehen.jpg (500x)

Mime-Type: image/jpeg, 44 kB

regency gefällt der Beitrag.
!
!!! Fotos, Grafiken nur über die Upload-Option des Forums, KEINE FREMD-LINKS auf externe Fotos.    

!!! Keine Komplett-Schaltbilder, keine Fotos, keine Grafiken, auf denen Urheberrechte Anderer (auch WEB-Seiten oder Foren) liegen!
Solche Uploads werden wegen der Rechtslage kommentarlos gelöscht!

Keine Fotos, auf denen Personen erkennbar sind, ohne deren schriftliche Zustimmung.

Den Beitrag-Betreff bei Antworten auf Threads nicht verändern!
27.02.18 19:14
regency 

500 und mehr Punkte

27.02.18 19:14
regency 

500 und mehr Punkte

Re: Quarze ziehen ??

Hallo Joerg,
welche Resonanzfrequenz hat der isolierte Quarz?
VG Jan

Zuletzt bearbeitet am 27.02.18 19:15

27.02.18 21:00
Hans_L 

0-49 Punkte

27.02.18 21:00
Hans_L 

0-49 Punkte

Re: Quarze ziehen ??

ich dachte, "Ziehen" geht nur mit Serienschaltungen, also L oder C oder ein LC-Schwingkreis in Serie?
Gruß
Hans

Zuletzt bearbeitet am 27.02.18 21:01

27.02.18 21:04
joeberesf 

500 und mehr Punkte

27.02.18 21:04
joeberesf 

500 und mehr Punkte

Re: Quarze ziehen ??

Hallo Jan, hallo Hans,

die Experimente laufen mit 7,37280 und 3,579545MHz.

VG
Joerg

Hallo Hans,

ja so ist es auch verschaltet....seriell. Abb.2 L1&C3

Danke und Gruß

Joerg

Zuletzt bearbeitet am 27.02.18 21:08

27.02.18 21:21
Hans_L 

0-49 Punkte

27.02.18 21:21
Hans_L 

0-49 Punkte

Re: Quarze ziehen ??

wer komplett liest ist eindeutig im Vorteil
Gruß
Hans

27.02.18 23:10
MB-RADIO 

500 und mehr Punkte

27.02.18 23:10
MB-RADIO 

500 und mehr Punkte

Re: Quarze ziehen ??

Hallo Joerg,

Quarze kann man nur Ziehen, wenn sie gesteckt sind

Der Quarz wird bereits durch 22pF + G/K-Kapazität gezogen dann geht es in diese Richtung nicht mehr sehr weit, aber in die andere Richtung durch die Spule - denke ich mir jetzt mal so.
Zu weit gezogen wird die Frequenz aber unstabiler.

Viele Grüße
Bernd

Zwei Dinge sind unendlich, das Universum und die menschliche Dummheit, aber bei dem Universum bin ich mir noch nicht ganz sicher. (Albert Einstein)

28.02.18 09:46
WalterBar 

500 und mehr Punkte

28.02.18 09:46
WalterBar 

500 und mehr Punkte

Re: Quarze ziehen ??

Hallo zusammen,

die Firma Elecraft brachte 1998 den Transceiver K2 als Bausatz heraus. Elementarer Bestandteil war das Ziehen von Quarzen über Kapazitätsdioden des Typs MVAM108, deren Abstimmspannung aus der Microcontrollersteuerung bereitgestellt wurde. Im Einzelnen wurden so über mehrere kHz folgende Komponenten abgestimmt:

ZF-Quarzfilter auf 4915 kHz (Bandbreite von 200 Hz bis 2000 Hz)
BFO-Oszillator (Produktdetektor mit SA602) auf 4917 kHz
PLL Referenz Oszillator auf 12096 kHz

Insbesondere der BFO wurde über 10 kHz gezogen. Zur einwandfreien Funktion des Geräts waren minimal 12 kHz Ziehbereich notwendig . Tatsächlich ausgenutzt wurde davon nur knapp die Hälfte. Kurzzeit- und Langzeitfrequenzstabilität unter Berücksichtigung der Quarzalterung spielen dabei eine wichtige Rolle. Ich habe damals 47 Geräte gegen Honorar zusammengebaut. Bei einigen Geräten konnte der BFO bis zu 20 kHz gezogen werden! Es wurden dabei 2 Quarze parallel geschaltet. Schaltungsdetails finden sich im Handbuch K2, das auf der Elecraft-Webseite heruntergeladen werden kann.

Die Quarze wurden selbstverständlich frequenzmässig nach unten gezogen!

Gruss
Walter

Zuletzt bearbeitet am 28.02.18 09:58

28.02.18 10:10
qw123 

500 und mehr Punkte

28.02.18 10:10
qw123 

500 und mehr Punkte

Re: Quarze ziehen ??

Hallo Joe

joeberesf:
Kann man solch eine Quarzfrequenz beeinflussen und in welche Richtung?
(fast) alles über Quarzoszillatoren findest Du hier:

www.axtal.com/cms/iwebs/download.aspx?id=87532

Zum Thema Quarzfrequenz ziehen: bis Abschnitt 6.5 runterscrollen.

Gruß

Heinz

28.02.18 10:25
Hans_L 

0-49 Punkte

28.02.18 10:25
Hans_L 

0-49 Punkte

Re: Quarze ziehen ??

Wenn Du die Serieninduktivität erhöhst und die Serienkapazität reduzierst müsste die Frequenz sinken
Gruß
Hans
http://axtal.com/Deutsch/TechnInfo/Quarzkochbuch/
auf Seite 258 im pdf (Seiten sind etwas merkwürdig nummeriert)

Zuletzt bearbeitet am 28.02.18 10:46

28.02.18 12:20
joeberesf 

500 und mehr Punkte

28.02.18 12:20
joeberesf 

500 und mehr Punkte

Re: Quarze ziehen ??

Hallo zusammen,

vielen Dank für die vielen hilfreichen Infos. Nochmal kurz zurück zum Ausgangsbeitrag. Das Ziehen funktioniert bei meinem Experimentieraufbau ja auch. Das Problem ist nur die Richtung. Es gelang nie die Frequenz unter die jeweilige Quarzfrequenz zu drücken. Oberhalb ist das kein Problem ein paar kHz zu gewinnen und das ohne die sehr guten Eigenschaften des Oszillators zu verlieren. Gerade eine hohe Induktivität zieht bei meinem Aufbau die Frequenz stark nach oben, aber leider nie nach unten. Um hier versuchsweise flexibel zu sein und alle Konstellationen durchzuprobieren, habe ich Anfangs ein KW- Variometer und dann eine MW- Ferritspule eingesetzt. Am weitesten nach oben ging es durch Verschieben des Ferritstabs bei relativ hoher Drehkokapazität. Auch C1 hatte ich durch einen Trimmer ersetzt.

Hans, ich habe das Quarzkochbuch online als komplettes pdf. gefunden. Hier der Link. Echt komplex die Angelegenheit.

http://www.rainers-elektronikpage.de/Gru...osckochbuch.pdf

VG
Joerg

Zuletzt bearbeitet am 28.02.18 12:32

 1 2
 1 2
Parallelkapazität   rainers-elektronikpage   Keramikkondensatoren   Minikreuzwickelspule   Langzeitfrequenzstabilität   Antennensimulation   frequenzverändernde   selbstverständlich   Dekodierexperimente   Serieninduktivität   Wumpus-Gollum-Forum   Spannungsversorgung   welt-der-alten-radios   Parallelkondensator   Frequenz   bearbeitet   Voxhaus-Gedenktafel   Microcontrollersteuerung   Quarzfrequenz   Experimentieraufbau