| Passwort vergessen?
Sie sind nicht angemeldet. |  Anmelden

Sprache auswählen:

Wumpus Gollum Forum von
Wumpus Welt der (alten) Radios
Sie sind nicht angemeldet.
 Anmelden

C1-94
  •  
 1 2
 1 2
08.09.13 14:20
Opa.Wolle 

500 und mehr Punkte

08.09.13 14:20
Opa.Wolle 

500 und mehr Punkte

C1-94

Hi,

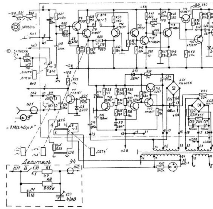
ich besitze seit Mitte der 80iger ein bei Völkner in Hannover gekauftes russisches Kleinoszilloskop C1-94.
Nach nur einer Reparatur in den 90igern funktioniert es immer noch zu meiner Zufriedenheit.
Als Manko sehe ich nur die dreipolige Diodenbuchse für die sehr steifen Meßleitungen.



Jetzt habe ich ein Bild des Gerätes mit einer BNC-Buchse gesehen, an der ich dann moderne Spitzen anschließen könnte.
Auf einer russischen Seite habe ich mir den Plan herunter geladen.



Jetzt meine Frage an die Fachleute:
Reicht es, einfach eine BNC-Buchse einzubauen, oder gibt es noch etwas zu beachten?

Datei-Anhänge
C1-94 Eingang 0.jpg C1-94 Eingang 0.jpg (890x)

Mime-Type: image/jpeg, 118 kB

C1-94 Eingang 1.jpg C1-94 Eingang 1.jpg (659x)

Mime-Type: image/jpeg, 97 kB

Noch gefällt der Beitrag keinem Nutzer.
!
!!! Fotos, Grafiken nur über die Upload-Option des Forums, KEINE FREMD-LINKS auf externe Fotos.    

!!! Keine Komplett-Schaltbilder, keine Fotos, keine Grafiken, auf denen Urheberrechte Anderer (auch WEB-Seiten oder Foren) liegen!
Solche Uploads werden wegen der Rechtslage kommentarlos gelöscht!

Keine Fotos, auf denen Personen erkennbar sind, ohne deren schriftliche Zustimmung.

Den Beitrag-Betreff bei Antworten auf Threads nicht verändern!
08.09.13 15:19
scotty 

50-99 Punkte

08.09.13 15:19
scotty 

50-99 Punkte

Re: C1-94

Hallo Wolfgang,
da ist nichts weiter zu beachten. Erde/ Masse von der "2" kommt an das Gehäuse der BNC- Buchse, ehemals "3" ist der Eingang und kommt an den Innenkontakt. Die "1" mit dem Trimmer brauchst Du nicht mehr, das war eine Beschaltung für einen speziellen Meßteiler. Der Trimmer ist bei den aktuellen Standardteilern heutzutage schon drin!

Viele Grüße

Wolfram

08.09.13 17:06
Opa.Wolle 

500 und mehr Punkte

08.09.13 17:06
Opa.Wolle 

500 und mehr Punkte

Re: C1-94

Danke Wolfram,
das hatte ich mir zwar schon so gedacht, aber wie gesagt, ich bin nicht so der Theoretiker.
Der Trimmer im Gerät ist auch nur deshalb vorhanden, weil in der original Meßspitze keiner eingebaut ist.
Ich möchte nämlich umrüsten, weil ich noch über zwei umschaltbare Tastköpfe-1/1 und 1/10 verfüge.
Dann kann ich das - zwar alte, aber noch funktionierende - Gerät weiter gut einsetzen.
Mein Hameg-307 zeigt nur noch einen Punkt, aber keine Ablenkung, da muß ich wohl mal ran.

08.09.13 17:10
laurel1 

500 und mehr Punkte

08.09.13 17:10
laurel1 

500 und mehr Punkte

Re: C1-94

Hallo Wolfgang,

der Antwort von Wolfram ist nichts hinzuzufügen, ich habe auch so ein Schätzchen und möchte es nicht missen!
Hast Du nur den Schaltplan? Ich hätte das rundrum sorglos Paket auf dem Rechner und dieses in Deutsch. Das neu Kalibrieren lohnt sich, kann aber etwas dauern, allerdings sind wir ja auch nicht auf der Flucht

Ok, hat sich überschnitten. Ich habe auch zwei andere Tastköpfe im Einsatz, 1:1 und 1:10. Beide verfügen über einen eigenen Trimmer und es funktioniert absolut problemlos und präzise!

Beste Grüße
Peter

Zuletzt bearbeitet am 08.09.13 17:19

08.09.13 17:42
Opa.Wolle 

500 und mehr Punkte

08.09.13 17:42
Opa.Wolle 

500 und mehr Punkte

Re: C1-94

Hallo Peter,
das ist eine sehr gute Idee!
Ich habe damals die Version für die DDR, also komplett mit Handbuch, Abgleichanleitung und Plänen in Deutsch bekommen.
Eventuell ist ja bei Deiner Version noch mehr heraus zu holen, denn die Pläne sehen wie in das Papier gestanzt aus.
Richtig, wir sind keine Lobbyisten, sondern Hobbyisten, da kommte es auf ein paar Tage mehr oder weniger nicht drauf an.

08.09.13 19:43
Helmut_F 

0-49 Punkte

08.09.13 19:43
Helmut_F 

0-49 Punkte

Re: C1-94

Hallo Wolfgang

Hast du den Plan.?

http:// www .file-upload.net/download-8056844/C1-94_B_Ba.pdf.html

Co-Admin: Links auf fremde WEB-Seiten mit Service-Unterlagen, Schaltbildern, Publikationenskopien-, Bedienungsanleitungen, usw. sind wegen der zumeist unklaren Urheberrechtslage nicht zulässig, das gilt auch für Links auf nicht gewerbliche WEB-Seiten!

Gruß Helmut

09.09.13 09:11
Opa.Wolle 

500 und mehr Punkte

09.09.13 09:11
Opa.Wolle 

500 und mehr Punkte

Re: C1-94

Danke Helmut, habe alles bekommen. Grüße, Wolle

09.09.13 18:06
laurel1 

500 und mehr Punkte

09.09.13 18:06
laurel1 

500 und mehr Punkte

Re: C1-94

Hallo Wolfgang,

ich habe Dir eine PN geschickt.

Beste Grüße
Peter

09.09.13 18:29
Matt 

500 und mehr Punkte

09.09.13 18:29
Matt 

500 und mehr Punkte

Re: C1-94

Hallo Wolfgang.

BNC und DIN-Buchse hat keine Unterschied bis auf eine Trimmer.
Da kann man einfach BNC-DIN Adapter bauen, wenigsten bleibt Russki-Oszi orginal.

Nur so mal meine Meinung.

Grüss
Matt

09.09.13 19:54
scotty 

50-99 Punkte

09.09.13 19:54
scotty 

50-99 Punkte

Re: C1-94

Matt,
mit dem Adapter würde ich nicht machen. Da baust Du Dir einen zweiten Kontaktübergang und auch eine zweite mögliche Kontaktwackelstelle ein. Außerdem wird die Eingangskapazität des Oszis mit Sicherheit durch die Schaltungskapazität des Adapters erhöht und das Impulsverhalten (bei hohen Meßfrequenzen) verschlechtert.

Viele Grüße

Wolfram

 1 2
 1 2
Hochschulinstitut   Impulsverhalten   Standardteilern   Bedienungsanleitungen   Service-Unterlagen   Berücksichtigung   Vorkriegs-Oszilloskope   Kleinoszilloskop   download-8056844   Abgleichanleitung   Urheberrechtslage   Publikationenskopien-   schmalbrüstigen   Kontaktübergang   funktionierende   Eingangskapazität   Unterlegklötzchen   Wolfgang   Kontaktwackelstelle   Schaltungskapazität