| Passwort vergessen?
Sie sind nicht angemeldet. |  Anmelden

Sprache auswählen:

Wumpus Gollum Forum von
Wumpus Welt der (alten) Radios
Sie sind nicht angemeldet.
 Anmelden

C1-94
  •  
 1 .. 5 6 7 8 9 .. 13
 1 .. 5 6 7 8 9 .. 13
03.03.19 11:57
MB-RADIO 

500 und mehr Punkte

03.03.19 11:57
MB-RADIO 

500 und mehr Punkte

Re: C1-94

Hallo Det,

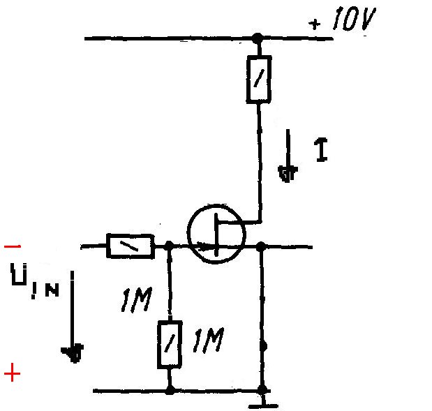
Oberste Schaltung ist richtig. Hier fließt IDss 20mA gut bei 10V sind das 200mW, gerade die maximale Leistung die der kann.
Du kannst aber auch weniger Spannung nehmen 5...7V der Strom bleibt ungefähr konstant. Die Schaltung bildet einen Konstantstromzweipol.

Dann nimm auch für die mittlerste Schaltung (Abschnürspannung) weniger Spannung 5...7V. Den 1M zwischen G und S kannst Du zusätzlich einfügen. damit bei offenem Gate nichtspassiert. Fange mit Gatespannung 0V an und beobachte den ID.
Ab der angegebenen Abschnürspannung 0,5...2V muß ID gegen 0 gehen. Nachtrag: die Gatespannung muß natürlich mit minus ans Gate und mit Plus an den Source sonst wird die Gatdiode leitend und er funktioniert nicht mehr als FET.

Keine Angst der FET kann dabei nicht sterben. Wenn die oberste Schaltung schon nicht funktioniert , also in etwa konstanter IDss zwischen 5...10V brauchst Du garnicht weiter messen, dann hat er einen Schuß. Trotzdem kann er aber noch teilweise in der anderen Schaltung regelbar sein.

Viele Grüße
Bernd


Zwei Dinge sind unendlich, das Universum und die menschliche Dummheit, aber bei dem Universum bin ich mir noch nicht ganz sicher. (Albert Einstein)

Zuletzt bearbeitet am 03.03.19 12:04

!
!!! Fotos, Grafiken nur über die Upload-Option des Forums, KEINE FREMD-LINKS auf externe Fotos.    

!!! Keine Komplett-Schaltbilder, keine Fotos, keine Grafiken, auf denen Urheberrechte Anderer (auch WEB-Seiten oder Foren) liegen!
Solche Uploads werden wegen der Rechtslage kommentarlos gelöscht!

Keine Fotos, auf denen Personen erkennbar sind, ohne deren schriftliche Zustimmung.

Den Beitrag-Betreff bei Antworten auf Threads nicht verändern!
03.03.19 12:45
det 

250-499 Punkte

03.03.19 12:45
det 

250-499 Punkte

Re: C1-94

Hallo,
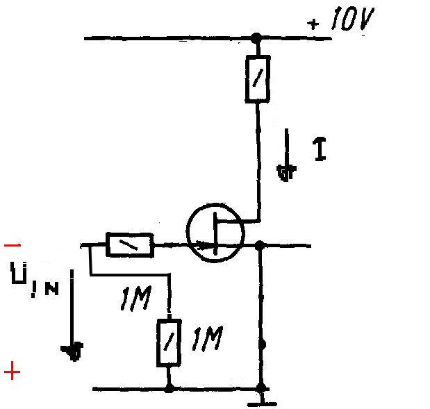
Mittleres Bild mit zusätzlichem R=1M:
Eingangsspg. vertauscht
Wäre ich nie drauf gekommen
Nur 5-7V:
Bie I den Drain-strom messen


det.

Datei-Anhänge
4.jpg 4.jpg (256x)

Mime-Type: image/jpeg, 32 kB

03.03.19 13:34
MB-RADIO 

500 und mehr Punkte

03.03.19 13:34
MB-RADIO 

500 und mehr Punkte

Re: C1-94

Hallo Det,

Ja, FETs sind ganz anders als Transistoren. Und es gibt viele verschiedene FETs mit völlig anderen Betriebsbedingungen. Also, wenn man einen Typ kennt, muß es beim Nächsten nicht gleich oder ähnlich sein.
Der Drainwiderstand ist nicht nötig, wenn Du nicht mehr als 10V Drainspannung anlegst, denn mehr als IDss können bei 0V UG nicht fließen. Und je negativer das Gate wird , desto weniger ID fließt.

Nur Mut

Bei FETs muß man aber vorsichtig hantieren. Bei offenem Gate kann schon eine elektrostatische Aufladung den Fet zerstören. Wobei die S-FETs nicht ganz so empfindlich sind. Aber Vorsicht ist die Mutter der Porzelankiste.

Viele Grüße
Bernd


Zwei Dinge sind unendlich, das Universum und die menschliche Dummheit, aber bei dem Universum bin ich mir noch nicht ganz sicher. (Albert Einstein)

04.03.19 10:00
det 

250-499 Punkte

04.03.19 10:00
det 

250-499 Punkte

Re: C1-94

Moin.

IDss:


Zitat: "Hier fließt IDss 20mA gut bei 10V sind das 200mW"
bei veränderbarer Spg 5...7V bleibt der Strom ungefähr konstant.





Zitat" Wenn die oberste Schaltung schon nicht funktioniert, also in etwa konstanter
IDss zwischen 5...10V brauchst Du garnicht weiter messen, dann hat er einen Schuß."

Verwirrt mich:
IDss ist der Strom, der bei Schaltung "IDss" konstant bleibt, auch wenn die Ub verändert wird.
Bezieht sich Dein " brauchst Du garnicht weiter messen " auf die obere Schaltung, wenn Strom NICHT konstant bleibt?

ICH BLICKE NICHT DURCH!

Hielt mich schon von der CMOS 4xxx 1. Generation fern
und von FETs bekomme ich immer Alpträume!

Gruss
det.

04.03.19 11:40
MB-RADIO 

500 und mehr Punkte

04.03.19 11:40
MB-RADIO 

500 und mehr Punkte

Re: C1-94

Hallo Det,

Wenn die oberste Schaltung keinen in etwa konstanten Srom bringt, brauchst Du mit der anderen Schaltung nicht weiter messen.
Also diese Konstantstrom Schaltung muß erstmal funktionieren, wenn der FET noch "Ganz" ist.
"Ganz nur bedingt, denn einen Gatereststrom merkt man in der anderen Schaltung.
Und versteife dich nicht auf genau 20mA. Besser gesagt um die 20mA (Datenblatt), aber bei Spannungsänderung eben in etwa konstant.
Ich hoffe, ich habe mich verständlich rübergebracht, wenn nicht, fragen.

Na so schlimm ist das Thema doch nicht - Transistoren muß man auch erst verstehen lernen. Auch da gibt es Effekte, die einen "Unwissenden" zur Weißglut treiben können. Aber wenn man sich damit beschäftigt, am Besten auch gleich praktisch, dann versteht man auch die Theorie viel schneller.

Das ist wie mit dem Anfassen eines mit 300V geladenen Elkos - erst entladen, dann anfassen. Kann 10 Mal gepredigt werden...- andersherum merkt man sich das aber für längere Zeit.
Ich will jetzt Niemanden auffordern auf die schmerzhafte Weise zu lernen ........

Also nur Mut zum Testen.

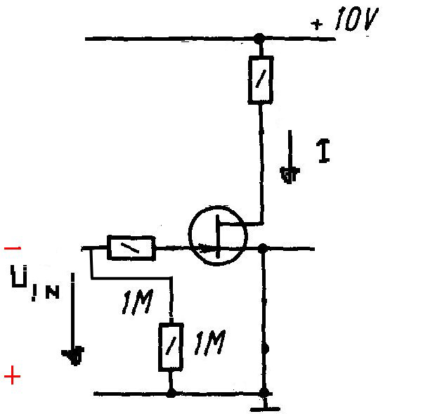
Nachtrag: beachte bei deiner obigen Schaltung mit 2x1M, daß dadurch nur die halbe Uin am Gate liegt.
Um das zu verhindern kannst Du den G/S-Widerstand An den Eingang, also den 1M nach Source legen, dann entspricht Uin = UG

Viele Grüße
Bernd

Zwei Dinge sind unendlich, das Universum und die menschliche Dummheit, aber bei dem Universum bin ich mir noch nicht ganz sicher. (Albert Einstein)

Zuletzt bearbeitet am 04.03.19 11:46

04.03.19 12:31
MB-RADIO 

500 und mehr Punkte

04.03.19 12:31
MB-RADIO 

500 und mehr Punkte

Re: C1-94

Hallo Admin,

warum erscheint mein letzter Beitrag nicht in der Übersicht, Statt dessen dieser hier:
Re: C1-94 - Hi, Volker hier aus unserem Forum hat da etwas auf seiner Homepage ...

09.12.18 13:51 von technikfreund

So Ein Durcheinander

Viele Grüße
Bernd

Zwei Dinge sind unendlich, das Universum und die menschliche Dummheit, aber bei dem Universum bin ich mir noch nicht ganz sicher. (Albert Einstein)

04.03.19 12:49
det 

250-499 Punkte

04.03.19 12:49
det 

250-499 Punkte

Re: C1-94

Hallo Bernd,
das ist schon seit Wochen so.
http://www.wumpus-gollum-forum.de/forum/...mp;thread=168#1

Je mehr ich fragde, desto stressiger wird es.
Vielleicht bin ich immer noch in meinem Alptraum.
Das würde einiges erklären....


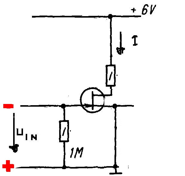
Für definierten (Sicherheits-) Pegel am FET lieber so:


Learning by doing!
Ich mag aber nicht beide FETs aus dem Oskar auslöten, bevor ich nicht auf Nummer sicher gehen kann.
Und den Zweiten dann womöglich auch noch abschiesse.
Dazu muss auch wieder die Röhre heraus!


Wenn in einem Forum als Ersatz in der Eingangsstufe für den russischen FET303
der BF245B vorgeschlagen wird. Warum soll dann der S-Widerstand von 11K auf 2K7 reduziert werden?
Beide FETs haben nur einen max. I-Drain von 20 bzw 25mA...
Dann fließt doch ein 4facher Strom über S !

Ich willl dann BF245C bestellen (Noch gibt es welche...)

Gruss
det.

Datei-Anhänge
6.jpg 6.jpg (240x)

Mime-Type: image/jpeg, 30 kB

04.03.19 14:24
MB-RADIO 

500 und mehr Punkte

04.03.19 14:24
MB-RADIO 

500 und mehr Punkte

Re: C1-94

Hallo Det,

die gefallen dir wo nicht ? : h t t p s://www.ebay.de/itm/KP303I-2N3822-Transistor-Silicon-USSR-Lot-of-10-pcs/141258927163?hash=item20e3b02c3b:g:TQ8AAMXQ74JTT5cU:rk:2:pf:1&frcectupt=true&autorefresh=true

Ich meine die Schaltung so:

Der BF245 hat aber ganz andere Daten der Abschnürspannung.
Um den Arbeitspunkt von T27 wieder zu erhalten haben die wohl den Widerstand verkleinert.
Ein FET mit 8V stat 2V Abschnürspannung hat einen ganz anderen Arbeitspunkt und eventuelle Umgebung muß angepaßt werden.
Ich würde das nicht machen, da es den KP303I doch gibt.
Der viefache Strom schon, aber nicht von IDss, sondern dem Strom im eingestellten Arbeitspunkt.

Du sollst den Zweiten nicht auslöten, sondern den vermeintlich Defekten.




Viele Grüße
Bernd


Zwei Dinge sind unendlich, das Universum und die menschliche Dummheit, aber bei dem Universum bin ich mir noch nicht ganz sicher. (Albert Einstein)

Zuletzt bearbeitet am 04.03.19 14:53

Datei-Anhänge
4 Kopie.jpg 4 Kopie.jpg (239x)

Mime-Type: image/jpeg, 47 kB

04.03.19 20:19
Martin.M 

500 und mehr Punkte

04.03.19 20:19
Martin.M 

500 und mehr Punkte

Re: C1-94

hallo Bernd,

die drei Stück hier aus Deutschland reichen doch, Suchbegriff in der Bucht = 173785918445

lG Martin

04.03.19 22:01
MB-RADIO 

500 und mehr Punkte

04.03.19 22:01
MB-RADIO 

500 und mehr Punkte

Re: C1-94

Hallo Martin,

war ja nur ein Vorschlag, weil er gerade den BF245C bestellen will, der noch ungünstiger sein wird, als der B.

Viele Grüße
Bernd

Zwei Dinge sind unendlich, das Universum und die menschliche Dummheit, aber bei dem Universum bin ich mir noch nicht ganz sicher. (Albert Einstein)

 1 .. 5 6 7 8 9 .. 13
 1 .. 5 6 7 8 9 .. 13
unendlich   3303-oscillograf-s1-94-principialnaya-skhema-foto-i-opisanie   Transistoren   Präzisionsschaltkreisfassung   KP303I-2N3822-Transistor-Silicon-USSR-Lot-of-10-pcs   Ausfallwahrscheinlichkeit   Mehrschichtkondensatoren   Dummheit   Stromverstärkungsbereich   Präzisionsfassungskontakte   bearbeitet   Zuletzt   1&frcectupt=true&autorefresh=true   Grüße   Hochspannungsoszillators   Schaltung   Einstein   menschliche   Universum   Eingangsspannungschalter