| Passwort vergessen?
Sie sind nicht angemeldet. |  Anmelden

Sprache auswählen:

Wumpus Gollum Forum von
Wumpus Welt der (alten) Radios
Sie sind nicht angemeldet.
 Anmelden

C1-94
  •  
 1 .. 4 5 6 7 8 .. 13
 1 .. 4 5 6 7 8 .. 13
01.03.19 18:56
MB-RADIO 

500 und mehr Punkte

01.03.19 18:56
MB-RADIO 

500 und mehr Punkte

Re: C1-94

Hallo Det,

versuch erstmal die Spannung an T24 mit R58 in den Soll zu bringen - markiere aber die jetzige Reglerstellung. Danach messe die Spannungen an T27.

Ich hoffe, Du hast bei den Spannungsmessungen, die im Handbuch vorgegebenen Schalterstellungen eingehalten !

Viele Grüße
Bernd

Zwei Dinge sind unendlich, das Universum und die menschliche Dummheit, aber bei dem Universum bin ich mir noch nicht ganz sicher. (Albert Einstein)

!
!!! Fotos, Grafiken nur über die Upload-Option des Forums, KEINE FREMD-LINKS auf externe Fotos.    

!!! Keine Komplett-Schaltbilder, keine Fotos, keine Grafiken, auf denen Urheberrechte Anderer (auch WEB-Seiten oder Foren) liegen!
Solche Uploads werden wegen der Rechtslage kommentarlos gelöscht!

Keine Fotos, auf denen Personen erkennbar sind, ohne deren schriftliche Zustimmung.

Den Beitrag-Betreff bei Antworten auf Threads nicht verändern!
01.03.19 21:06
det 

250-499 Punkte

01.03.19 21:06
det 

250-499 Punkte

Re: C1-94

NAbend Bernd.

JA, mit R58 an T24 auf:
C-12.07, E-10.53 B-11.18 V justiert (ca. Mittelbereich)
Die restlichen Spg. verändern sich an den folgenden T25-30 dadurch < 100mV.

Schaltpositionen eingehalten.
Weiter Transen ausgetauscht mit ß>300: T32 und T33.......

Es ist zum Reihern....

det.

01.03.19 21:58
MB-RADIO 

500 und mehr Punkte

01.03.19 21:58
MB-RADIO 

500 und mehr Punkte

Re: C1-94

Hallo Det,

der Fehler liegt, denke ich mal im Umkreis des FETs. R71, R72 nachmessen - ist Der richtig eingelötet.
Unterschiedliche Spannung FET-S und B-T33 obwohl beide verbunden sind.
Mir scheint, es fließt zuviel Stom über den FET – falscher Typ ? defekt ?

Viele Grüße
Bernd



Zwei Dinge sind unendlich, das Universum und die menschliche Dummheit, aber bei dem Universum bin ich mir noch nicht ganz sicher. (Albert Einstein)

02.03.19 10:22
det 

250-499 Punkte

02.03.19 10:22
det 

250-499 Punkte

Re: C1-94

Hallo,

das ist einer meiner Mankos.
Woher weiß ich, dass der FET defekt ist?
Schlüsse hat er nicht. Unterschiedliche Spg. (dachte ich) ist i.O.

An G und D liegt ein negativer Sägezahn an - allerdings < 2V und nur beim 50HzTestsignal.
7V sind lt. Handbuch "unterwegs".
Da dieser Typ kaum ein Spg.-Verstärkung hat, bin ich von i.O. ausgegangen.

Der FET bleibt nach 3 Monaten Frickeln nach Eva Klein nur noch übrig...
Ist der "original" FET.
FETs habe ich nicht in der "Sammlung"


Dann werde ich wohl die Spg am FET und T33 nicht zur gleichen Zeit gemessen haben....???
Werde ich nochmal messen.
Du bist schon sehr aufmerksam. Respekt!!

Bin völlig überfordert.

det.

Zuletzt bearbeitet am 02.03.19 10:30

02.03.19 10:56
MB-RADIO 

500 und mehr Punkte

02.03.19 10:56
MB-RADIO 

500 und mehr Punkte

Re: C1-94

Hallo Det,

die FETs gibts in der Bucht - zehn für einen Zehner.

Testen kannst Du den nur, wenn Du ihn auslötest und und eine kleine Testschaltund aufbaust.

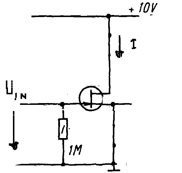
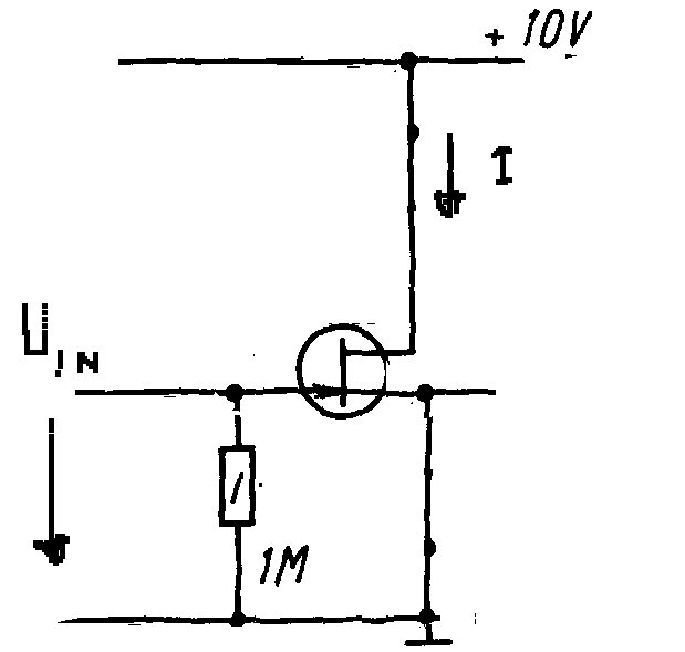
Messen IDss: Wenn Du Gate mit Source verbindest in der Drainleitung einen Strommesser dann muß IDss fließen - UB unkritisch 10V.
Messen Abschnürspannung: In die Drainleitung einen Strommesser UB 10V(Drain/Source) , an Gate einen 1M-Widerstand und eine regelbare Spannungsquelle an 1M und Source so einstellen, daß der Stromfluß ID gerade aufhört.

Diese Werte sind sehr unterschiedlich bei unterschiedlichen Typen, also ins Datenblatt gucken.

Der Fet dient hier nur als Impedanzwandler. Der ist als Sourcefolger geschaltet.

Aber Gucke dir auch die FET-Umgebung genau an - Leiterzugrisse , Schlüsse Widerstände Kondensatoren, aber erst nachdem Du den Fet getestet hast.

Meiste Fehler beim FET, die Gatesperrschicht ist durchgeschlagen. Die Gatediode funktioniert zwar noch, aber deren Sperrstrom ist zu hoch.

Viele Grüße
Bernd



Zwei Dinge sind unendlich, das Universum und die menschliche Dummheit, aber bei dem Universum bin ich mir noch nicht ganz sicher. (Albert Einstein)

02.03.19 16:24
det 

250-499 Punkte

02.03.19 16:24
det 

250-499 Punkte

Re: C1-94

Hallo Bernd.

...Dann werde ich auf mein Multi-Transistor-Tester aus China warten...
Kann sich nur um Jahre handeln....

det.

02.03.19 16:56
MB-RADIO 

500 und mehr Punkte

02.03.19 16:56
MB-RADIO 

500 und mehr Punkte

Re: C1-94

Hallo Det,

genau bei solchen Fehlern , würde ich mich auf dessen Aussage nicht verlassen.

Viele Grüße
Bernd

Zwei Dinge sind unendlich, das Universum und die menschliche Dummheit, aber bei dem Universum bin ich mir noch nicht ganz sicher. (Albert Einstein)

03.03.19 07:25
Martin.M 

500 und mehr Punkte

03.03.19 07:25
Martin.M 

500 und mehr Punkte

Re: C1-94

hallo Bernd,

wenn det genau das Testgerät bestellt hat welches ich ihm empfohlen habe,
ich hab lange Testreihen damit gemacht und hätte den Tip nicht gegeben wenn es nicht funktionieren würde.
Das ist nicht erste Generation, die kleinen Tester werden immer besser, da steckt eine Menge Arbeit hinter.
Es gelang mir nicht, ihm einen defekten oder teildefekten Fet unterzujubeln, entweder es zeigte den korrekt an, oder als damaged part wenn er kaputt war.
Lediglich bei Germaniumtransistoren mit Leckströmen kam es zu Irrtümern aber selbst die sind zweifelsfrei erkennbar.
Es wird die JFETs erfolgreich testen.

Bild: BF244


lG Martin

Zuletzt bearbeitet am 03.03.19 07:31

Datei-Anhänge
tt5a.jpg tt5a.jpg (235x)

Mime-Type: image/jpeg, 104 kB

03.03.19 10:22
det 

250-499 Punkte

03.03.19 10:22
det 

250-499 Punkte

Re: C1-94

Hallo zusammen.

Den BF245B hatte ich im Visier, weil der in irgendeinem Forum als Austauschtyp im Oszi-Eingang erwähnt wurde.
Wird "nur" der D-Widerstand verringert.

Ich bin aber auch bei Bernds Beschreibung etwas unsicher.
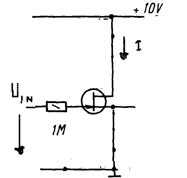
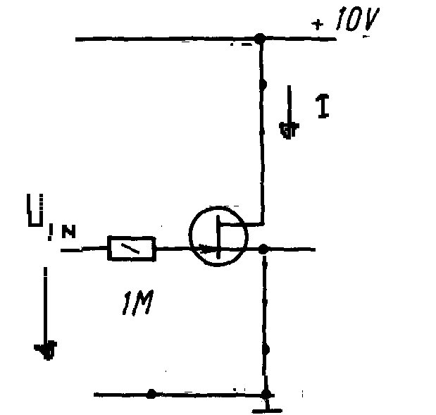
Deshalb hier meine Pläne dazu: (die Sehnenscheiden sind schon am meckern)

IDss:


Bei der Abschnürspg bin ich nicht sicher...
Links Anschluß regelbare Spg.
Rechts I im D messen:




...und mit Datenblätter bin ich inzwischen auf Kriegsfuss.

Schönes WE

det.

Zuletzt bearbeitet am 03.03.19 10:24

Datei-Anhänge
IDss.gif IDss.gif (255x)

Mime-Type: image/gif, 4 kB

2.jpg 2.jpg (244x)

Mime-Type: image/jpeg, 27 kB

3.jpg 3.jpg (254x)

Mime-Type: image/jpeg, 29 kB

03.03.19 11:10
Martin.M 

500 und mehr Punkte

03.03.19 11:10
Martin.M 

500 und mehr Punkte

Re: C1-94

J Fet sind Verarmungstypen, d.h. wenn die keine Ansteuerspannung haben leiten sie voll.
Wenn du so einen direkt zwischen 10V und Masse hängst brennt er sich tot, da muss Widerstand rein bei I.
Den dimensionierst du für Messaufbau so daß der höchstzulässige Strom nicht überschritten werden kann.

lG Martin

Zuletzt bearbeitet am 03.03.19 11:12

 1 .. 4 5 6 7 8 .. 13
 1 .. 4 5 6 7 8 .. 13
Transistoren   Dummheit   Einstein   bearbeitet   1&frcectupt=true&autorefresh=true   Stromverstärkungsbereich   Grüße   3303-oscillograf-s1-94-principialnaya-skhema-foto-i-opisanie   Präzisionsschaltkreisfassung   KP303I-2N3822-Transistor-Silicon-USSR-Lot-of-10-pcs   Schaltung   unendlich   menschliche   Mehrschichtkondensatoren   Präzisionsfassungskontakte   Eingangsspannungschalter   Hochspannungsoszillators   Zuletzt   Ausfallwahrscheinlichkeit   Universum