| Passwort vergessen?
Sie sind nicht angemeldet. |  Anmelden

Sprache auswählen:

Wumpus Gollum Forum von
Wumpus Welt der (alten) Radios
Sie sind nicht angemeldet.
 Anmelden

Russisches C1-94 ohne sichtbaren Strahl
  •  
 1 2 3 4 5 .. 7
 1 2 3 4 5 .. 7
05.11.15 14:30
Opa.Wolle 

500 und mehr Punkte

05.11.15 14:30
Opa.Wolle 

500 und mehr Punkte

Re: Russisches C1-94 ohne sichtbaren Strahl

Hallo Volker,

sehr gute Dokumentation der Reparatur auf deiner Seite!

Ich habe mein erstes auch 1985 bei Völkner in Hannover gekauft.
Zu dieser Zeit war ich bei einem Großhändler für elektronische Bauteile beschäftigt.
Da wir damals auch Völkner beliefert haben, konnte ich noch einen guten Preis heraus handeln.

Anfang der 90iger fiel dann der Strahl aus, zuerst konnte ich ihn mit einem zusätzlichen Kondensator wiederbeleben.
Dies war aber nur provisorisch und wegen fehlender Meßgeräte nicht anders möglich.
Mitte der 90iger begann ich eine Weiterbildung zum Prozessleit-Elektroniker, dort standen mir alle Meßmittel zur Verfügung.
Nun konnte ich die defekten Bauteile ermitteln und der kleine Russe lief bei mir bis zum Verkauf vor kurzem einwandfrei.

!
!!! Fotos, Grafiken nur über die Upload-Option des Forums, KEINE FREMD-LINKS auf externe Fotos.    

!!! Keine Komplett-Schaltbilder, keine Fotos, keine Grafiken, auf denen Urheberrechte Anderer (auch WEB-Seiten oder Foren) liegen!
Solche Uploads werden wegen der Rechtslage kommentarlos gelöscht!

Keine Fotos, auf denen Personen erkennbar sind, ohne deren schriftliche Zustimmung.

Den Beitrag-Betreff bei Antworten auf Threads nicht verändern!
06.11.15 06:54
Volker 

500 und mehr Punkte

06.11.15 06:54
Volker 

500 und mehr Punkte

Re: Russisches C1-94 ohne sichtbaren Strahl

Hallo Wolfgang,

die Elektronenstrahlröhre sitzt jetzt wieder exakt gerade. Mich hat die Schieflage gestört.

Nach der Reparatur ließ sich die Schärfe nur fast auf Linksanschlag der Schleiferstellung des Focus-Potis einstellen. Vermutlich haben sich die Werte der hochohmigen Widerstände R8 und R13 verändert. Leider ist ihr Austausch wieder mit der halben Demontage des Oszis verbunden. Da sich die Schärfe gerade noch einstellen lässt, lasse ich es so wie es ist.

Nachfolgend ist ein Video-Signal aus einem DVD-Player abgebildet:


Videosignal mit PAL-Burst

Zu sehen sind die Zeilensynchronimpulse und anschließend der PAL-Burst. Bei anderer Zeitablenkung lassen sich die einzelnen Schwingungszüge des PAL-Bursts erkennen. Das Bild ist absolut stabil. Für den Fernseh-Service kann man das kleine Oszi also auch einsetzen.

Das Oszi ist recht genau. Die Anzeigengenauigkeit für Frequenz und Spannung liegt nach meiner Schätzung zwischen 5 und 10%. Für Reparaturen ist das Oszi also sehr gut zu gebrauchen. Das kleine Bild ist nicht störend, denn das Oszi ist ja so klein, so dass es sich dort hinstellen lässt, wo es sich bequem ablesen lässt.


Es geht also doch: Der C1-94 im X-Y-Betrieb.


Über 450 Arbeitschritte für eine Bodenplatte. Nie wieder werde ich Teile verschlampen.

Meine Seite

http://elektronikbasteln.pl7.de/reparatu...-der-udssr.html

wurde erweitert. Die Bodenplatte hat Belüftungslöcher erhalten und den X-Y-Betrieb habe ich ausprobiert.

Zuletzt bearbeitet am 08.11.15 10:52

Datei-Anhänge
Zeilensynchronsignal-mit-PAL-Burst.jpg Zeilensynchronsignal-mit-PAL-Burst.jpg (523x)

Mime-Type: image/jpeg, 87 kB

x-y-modus.jpg x-y-modus.jpg (551x)

Mime-Type: image/jpeg, 103 kB

Bodenplatte-mit-Lueftungsloechern.jpg Bodenplatte-mit-Lueftungsloechern.jpg (518x)

Mime-Type: image/jpeg, 79 kB

08.11.15 14:21
Volker 

500 und mehr Punkte

08.11.15 14:21
Volker 

500 und mehr Punkte

Re: Russisches C1-94 ohne sichtbaren Strahl

Hallo zusammen,

hier noch ein Nachschlag von mir, da ich mir einen Adapter aus einem Diodenstecker und einer BNC-Buchse gebaut habe. Die Vorgehensweise ergibt sich aus den Bildern:









Zum Einsatz kamen Heißkleber und Bodenfarbe. Die BNC-Buchse stammt aus einer alten Netzwerkkarte. Der Diodenstecker war mal an einer alten Tastatur befestigt. Ich versuche immer mechanische Lösungen zu finden, die den geringstmöglichen Aufwand darstellen.

Zuletzt bearbeitet am 08.11.15 14:29

Datei-Anhänge
Adapter1.jpg Adapter1.jpg (530x)

Mime-Type: image/jpeg, 34 kB

Adapter2.jpg Adapter2.jpg (519x)

Mime-Type: image/jpeg, 27 kB

Adapter3.jpg Adapter3.jpg (531x)

Mime-Type: image/jpeg, 30 kB

Adapter4.jpg Adapter4.jpg (509x)

Mime-Type: image/jpeg, 43 kB

08.11.15 15:01
Klaus 

500 und mehr Punkte

08.11.15 15:01
Klaus 

500 und mehr Punkte

Re: Russisches C1-94 ohne sichtbaren Strahl

Hallo zusammen,

Volker:
Zu sehen sind die Zeilensynchronimpulse und anschließend der PAL-Burst. Bei anderer Zeitablenkung lassen sich die einzelnen Schwingungszüge des PAL-Bursts erkennen. Das Bild ist absolut stabil. Für den Fernseh-Service kann man das kleine Oszi also auch einsetzen.

womit bewiesen ist, dass es für die Reparatur unserer Dampfradios und sogar Fernseher nicht unbedingt eines teuren Oszilloskops mit hoher Bandbreite bedarf; preiswerte Kleingeräte genügen meist völlig.

Glückwunsch zur gelungenen Arbeit.

Viele Grüße
Klaus

09.11.15 01:05
Volker 

500 und mehr Punkte

09.11.15 01:05
Volker 

500 und mehr Punkte

Re: Russisches C1-94 ohne sichtbaren Strahl

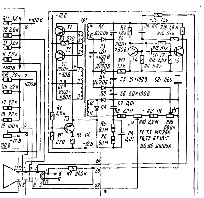
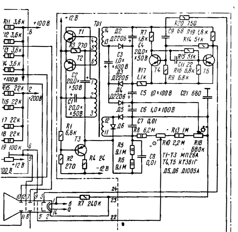
Hallo Klaus,

die Glückwünsche waren etwas zu früh. Trotzdem vielen Dank. Die Schärfe ließ sich nicht mehr einstellen, obwohl das Fokus-Poti auf Linksanschlag war. Fast alle Widerstände im Hochspannungsteil überprüft. Nichts gefunden. T4 und T6 durch BC556 ersetzt. Brachte etwas. Elkos parallel zu den vorhandenen geschaltet, was auch etwas brachte. Dann zum Schluss parallel zum R13 1MegOhm geschaltet. Das hat geholfen. Jetzt lässt sich der Focus wieder schön einstellen. Das Bild ist stabil, hell und scharf. Allerdings muss man 2 bis 3 Minuten warten, bis das Oszi warmgelaufen ist.



Mal sehen, was noch so alles kommt. Im Grunde ist die Reparatur von so einem Oszi vollkommen unrentabel!

Zuletzt bearbeitet am 09.11.15 11:40

Datei-Anhänge
c1-94-schaltbild-hv-netzteilxxx.png c1-94-schaltbild-hv-netzteilxxx.png (554x)

Mime-Type: image/png, 65 kB

09.11.15 12:25
Opa.Wolle 

500 und mehr Punkte

09.11.15 12:25
Opa.Wolle 

500 und mehr Punkte

Re: Russisches C1-94 ohne sichtbaren Strahl

Na ja Volker, in meinem Alter muß ich auch immer ewas warten, bis ich warmgelaufen bin!
Unrentabel, aber es macht Spaß und außerdem ist wieder ein Röhrengerät gerettet worden!

09.11.15 13:03
Klaus 

500 und mehr Punkte

09.11.15 13:03
Klaus 

500 und mehr Punkte

Re: Russisches C1-94 ohne sichtbaren Strahl

Hallo,

würde man die hier erwähnten Reparaturen nur an der Rentabilität messen, dürften sie sicherlich nicht durchgeführt werden.

Ich denke aber, es ist die Freude am Erfolgserlebnis und über die Rettung eines alten Gerätes, die viele Mitglieder dann doch die Arbeit beginnen lässt.

Viele Grüße
Klaus

09.11.15 14:00
Volker 

500 und mehr Punkte

09.11.15 14:00
Volker 

500 und mehr Punkte

Re: Russisches C1-94 ohne sichtbaren Strahl

Hallo zusammen,

Wobbelkurven darstellen kann er auch. Dem C1-94 kann auf seiner Rückseite ein 4 Vss hoher Sägezahn entnommen werden, mit dem sich wie hier im Beispiel ein aus einem XR2206 aufgebauter Funktionsgenerator frequenzmodulieren lässt. Nachfolgend die Darstellung einer AM-ZF-Kurve:





Ein Sinus von 25 MHz hat sich auch noch als stehendes Bild synchronisieren lassen. Somit lässt sich auch der Kurzwellenteil einer Radios untersuchen. Ich vermute, dass dieses Oszilloskop für sowjetische Radio- und TV-Reparaturbetriebe konzipert ist, wobei gerade so viel Aufwand wie nötig betrieben wurde. Mich würde interessieren, welche Planvorgaben damals vorlagen und in welchen Stückzahlen dieses Oszilloskop gebaut wurde. Übrigens habe ich es auch mit französischer Beschriftung entdeckt.

Zuletzt bearbeitet am 09.11.15 14:23

Datei-Anhänge
wobbeln.jpg wobbeln.jpg (511x)

Mime-Type: image/jpeg, 114 kB

wobbeln1.jpg wobbeln1.jpg (610x)

Mime-Type: image/jpeg, 98 kB

11.01.16 18:34
Volker 

500 und mehr Punkte

11.01.16 18:34
Volker 

500 und mehr Punkte

Re: Russisches C1-94 ohne sichtbaren Strahl

Hallo zusammen,

das Oszi hatte leider noch einen kleinen Schönheitsfehler. Nach dem Einschalten dauerte es noch 15 Minuten bis die Schärfe und die Helligkeit stabil waren. Im Hochspannungsteil stimmte die Leiterbahnführung nicht mit den mitgelieferten Service-Unterlagen überein. Nachdem wie im nachfolgenden Bild zu sehen ein 6,8-kOhm-Widerstand zusätzlich eingebaut wurde, ist der Strahl nach einer Minute stabil, scharf und schön hell.



Dieser Widerstand führt einen Teil der Hochspannung für die Strahlhelligkeit zur Spannungsstabilisierung zurück. Entweder wurde diese Gegenkopplung vergessen oder nicht ausreichend dimensioniert. Vorsicht! An dem Widerstand liegen gegen Masse gemessen die vollen 2000 Volt an.

Damit kann die Reparatur hoffentlich nun als abgeschlossen betrachtet werden. Würde ich mir den Zeitaufwand der Reparatur selbst in Rechnung stellen, wäre der ganze Aufwand ein einziges Fiasko.

Zuletzt bearbeitet am 11.01.16 18:43

Datei-Anhänge
6.8kOhm-Widerstand-Hochspannungsteil.jpg 6.8kOhm-Widerstand-Hochspannungsteil.jpg (542x)

Mime-Type: image/jpeg, 90 kB

11.01.16 21:40
Debo 

500 und mehr Punkte

11.01.16 21:40
Debo 

500 und mehr Punkte

Re: Russisches C1-94 ohne sichtbaren Strahl

Hallo Zusammen,

super Beitrag! Gefällt mir sehr. Ich erinnere mich noch an dieses Modell. Habe es im Völkner Katalog so um 1984 immer gesehen. Ca. 700DM war damals der Preis. Ich kaufte letzlich als Azubi dann einen HAMEG 107.
Die PHILIPS 10 MHz PM 3233 von 1978 aus der Lehrwerkstatt waren leider unbezahlbar. Aber auch der HAMEG 107 ging im Hochspannungsteil kaputt. Was es war, weiss ich leider nicht mehr. Habe es dann weggegeben.

Wenn man sich das mal so überlegt......so ein HAMEG 20MHz HM 204 war dann ein Traum zu 1380 .-DM? Heute lacht man selbst über z.B 50MHz Scopes wie die Grundig MO53 oder baugleich mit Siemens D1004. Damals und noch bis 1992 nicht unter 3850.- DM zu haben!

Gruss
Debo

Zuletzt bearbeitet am 11.01.16 21:45

 1 2 3 4 5 .. 7
 1 2 3 4 5 .. 7
Spannungsstabilisierung   Zeilenendstufentransistoren   bearbeitet   hintereinandergeschaltet   Mathematiker   zusammen   Leiterplattenbasismaterial   Helligkeit   Hochspannungsgleichrichter   Grüße   Russisches   Hochspannung   Zuletzt   Kleinleistungstransistoren   Si-Kleinleistungs-Transistoren   Prozessleit-Elektroniker   Kunststofffolienkondensatoren   Elektronikschrott-Container   sichtbaren   Frontplatten-Beschriftung