| Passwort vergessen?
Sie sind nicht angemeldet. |  Anmelden

Sprache auswählen:

Wumpus Gollum Forum von
Wumpus Welt der (alten) Radios

Klangregister / Dominante
  •  
 1
 1
20.08.14 09:07
radiouli 

500 und mehr Punkte

20.08.14 09:07
radiouli 

500 und mehr Punkte

Klangregister / Dominante

Hallo und guten Tag in die Runde,

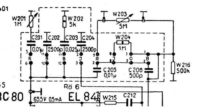
mal eine Frage an die Soundexperten. Leider kann ich die Klangregelstufe im Schaltbild nicht so richtig lesen.
Mein Problem: Ich möchte aus dem Radio ein paar mehr Höhen rausholen. In der Stellung "Jazz" sind die Höhen ziemlich
gut, jedoch keine Bässe vorhanden. In der Stellung "Orchester" habe ich schöne Bässe, jedoch zu wenig Höhen.
In der Stellung "Regler" sind die Bässe gut einstellbar, die Höhen reichen mir aber nicht. Meine Frage: Welchen Kondensator
müsste ich wie verändern, dass ich bei Stellung "Regler" mehr Höhen bekomme.

Ich danke euch!

Uli

Datei-Anhänge
Klang.jpg Klang.jpg (275x)

Mime-Type: image/jpeg, 80 kB

Noch gefällt der Beitrag keinem Nutzer.
!
!!! Fotos, Grafiken nur über die Upload-Option des Forums, KEINE FREMD-LINKS auf externe Fotos.    

!!! Keine Komplett-Schaltbilder, keine Fotos, keine Grafiken, auf denen Urheberrechte Anderer (auch WEB-Seiten oder Foren) liegen!
Solche Uploads werden wegen der Rechtslage kommentarlos gelöscht!

Keine Fotos, auf denen Personen erkennbar sind, ohne deren schriftliche Zustimmung.

Den Beitrag-Betreff bei Antworten auf Threads nicht verändern!
20.08.14 12:03
Pluspol 

500 und mehr Punkte

20.08.14 12:03
Pluspol 

500 und mehr Punkte

Re: Klangregister / Dominante

Hallo Uli

Bei solchen einfachen Klangregelnetzwerken ist die Veränderung der Höhen- oder Tiefeneinstellung untereinander abhängig. Man sucht oder findet dann eher einen Kompromiss. Werden die Höhen "angehoben" schwächt das die Tiefen und umgekehrt.
Was Du Dir wünschst bedingt eher ein aktives Netzwerk, wo Beides unabhängig voneinander einstellbar sind. Das bedarf einer zusätzlichen Verstärkung. Ob stetige Regelbarkeit mit Potis oder das Stellen von Festfrequenzen wie beim Equalizer, ist Ausführungssache.

Freundliche Grüße von Dietmar

Zuletzt bearbeitet am 20.08.14 12:06

20.08.14 12:34
MB-RADIO 

500 und mehr Punkte

20.08.14 12:34
MB-RADIO 

500 und mehr Punkte

Re: Klangregister / Dominante

Hallo Uli,

der Schaltungsschnipsel sagt mir nicht viel.
Höhen kannst Du anheben, indem Du die Klangregelung mit einem C überbrückst. Der C-Wert hängt von den Abschlußwiderständen ab. Schätzungsweise 1nF und kleiner.

Viele Grüße
Bernd

20.08.14 12:37
radiouli 

500 und mehr Punkte

20.08.14 12:37
radiouli 

500 und mehr Punkte

Re: Klangregister / Dominante

Pluspol:
Hallo Uli

Bei solchen einfachen Klangregelnetzwerken ist die Veränderung der Höhen- oder Tiefeneinstellung untereinander abhängig. Man sucht oder findet dann eher einen Kompromiss. Werden die Höhen "angehoben" schwächt das die Tiefen und umgekehrt.
Was Du Dir wünschst bedingt eher ein aktives Netzwerk, wo Beides unabhängig voneinander einstellbar sind. Das bedarf einer zusätzlichen Verstärkung. Ob stetige Regelbarkeit mit Potis oder das Stellen von Festfrequenzen wie beim Equalizer, ist Ausführungssache.

Freundliche Grüße von Dietmar

Hallo Dietmar,

ein Kompromiss wäre kein Problem. Etwas weniger Bass und mehr Höhen sind für mich denkbar. Wenn ich da ein wenig rumspielen möchte, wäre noch die Frage, wo und an welchem Bauelement man am besten ansetzt. Wenn ich Jazz und Regler gleichzeitig drücke, habe ich deutlich bessere Höhen, die ich mit dem Höhenregler absenken kann. Die Bässe sind bei voll aufgedrehtem Bassregler i.O. Nur müsste ich da die beiden Tasten immer gleichzeitig reindrücken, ist ja wohl so nicht gemeint.

Grüße
Uli

20.08.14 12:40
radiouli 

500 und mehr Punkte

20.08.14 12:40
radiouli 

500 und mehr Punkte

Re: Klangregister / Dominante

MB-RADIO:
Hallo Uli,

der Schaltungsschnipsel sagt mir nicht viel.
Höhen kannst Du anheben, indem Du die Klangregelung mit einem C überbrückst. Der C-Wert hängt von den Abschlußwiderständen ab. Schätzungsweise 1nF und kleiner.

Viele Grüße
Bernd

C201 ?

Gruß
Uli

20.08.14 12:53
MB-RADIO 

500 und mehr Punkte

20.08.14 12:53
MB-RADIO 

500 und mehr Punkte

Re: Klangregister / Dominante

Hallo Uli,

nein, der C muß vom Eingang des Netzwerkes um Ausgang des Netzwerkes geschaltet werden. Also von Anode der Vorröhre zum G1 der Folgeröhre.

Viele Grüße
Bernd

20.08.14 14:43
Pluspol 

500 und mehr Punkte

20.08.14 14:43
Pluspol 

500 und mehr Punkte

Re: Klangregister / Dominante

Hallo Uli

Lassen sich beim Dominante zwei Klangregistertasten nicht gleichzeitig drücken, dass sie einrasten?
Beim DDR-Radio Juwel II z. B. geht das problemlos. Ansonsten müsstest Du bei der Jazztaste die Schaltkontakte so brücken bzw. belegen , als wenn sie betätigt wäre. Die Schließer müssen gebrückt und die Ruhekontakte unterbrochen sein.

Freundliche Grüße von Dietmar

Zuletzt bearbeitet am 20.08.14 14:49

20.08.14 21:07
radiouli 

500 und mehr Punkte

20.08.14 21:07
radiouli 

500 und mehr Punkte

Re: Klangregister / Dominante

Pluspol:
Hallo Uli

Lassen sich beim Dominante zwei Klangregistertasten nicht gleichzeitig drücken, dass sie einrasten?
Beim DDR-Radio Juwel II z. B. geht das problemlos. Ansonsten müsstest Du bei der Jazztaste die Schaltkontakte so brücken bzw. belegen , als wenn sie betätigt wäre. Die Schließer müssen gebrückt und die Ruhekontakte unterbrochen sein.

Freundliche Grüße von Dietmar

Hallo Dietmar, ja, kann man machen. Bei Orchester+Jazz ist es eigentlich ganz gut. Ich warte jetzt erst mal ab, bis ich die seitlichen Hochtöner gewechselt habe. Der Rechte ist deutlich leiser als der Linke und allgemein sind sie nur hörbar wenn man sein Ohr davor hält.
Die könnten etwas mehr Power haben, ich vermute, sie sind angeschlagen.

Grüße
Uli

 1
 1
Klangregelstufe   Tiefeneinstellung   Schaltungsschnipsel   Schätzungsweise   Klangregelung   gleichzeitig   Klangregistertasten   untereinander   Klangregelnetzwerken   Freundliche   Schaltkontakte   einstellbar   Klangregister   Dominante   Ausführungssache   Soundexperten   unterbrochen   Abschlußwiderständen   Ruhekontakte   Festfrequenzen