| Passwort vergessen?
Sie sind nicht angemeldet. |  Anmelden

Sprache auswählen:

Wumpus Gollum Forum von
Wumpus Welt der (alten) Radios
Sie sind nicht angemeldet.
 Anmelden

Akkord Pinguin Royal, Oszillator Abgleich
  •  
 1
 1
13.07.14 11:57
Reinhard_M 

100-249 Punkte

13.07.14 11:57
Reinhard_M 

100-249 Punkte

Akkord Pinguin Royal, Oszillator Abgleich

Hallo,

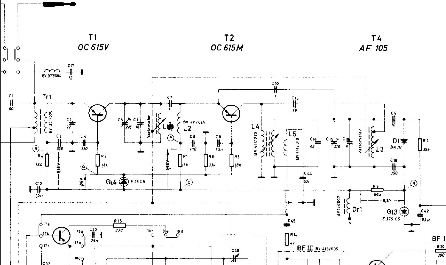
mein Pinguin Royal spielt eigentlich sehr gut, doch sind die Frequenzen stark verschoben. Gesendete 88MHz empfange ich bei Skalenanzeige ca. 92 MHz und bei ganz ausgedrehtem Drehko empfange ich 100MHz statt 104 MHz, daraus schließe ich, daß ich den Oszillator abgleichen muß. Als Schaltplan-Analphabet bin ich mir jetzt nicht sicher, wie ich das mache.
Mit der Oszillator-Spule schiebe ich erst mal die 88MHz aufeinander, doch welche ist die zu verstellende Spule? L4 oder L5?
Mit dem Kondensator-Trimmer stelle ich dann die obere Frequenz ein, ist das der C15?

Datei-Anhänge
PingRoy-AusschnittPlan.JPG PingRoy-AusschnittPlan.JPG (320x)

Mime-Type: image/jpeg, 159 kB

PingRoy-UKW-Teil.JPG PingRoy-UKW-Teil.JPG (289x)

Mime-Type: image/jpeg, 164 kB

Noch gefällt der Beitrag keinem Nutzer.
!
!!! Fotos, Grafiken nur über die Upload-Option des Forums, KEINE FREMD-LINKS auf externe Fotos.    

!!! Keine Komplett-Schaltbilder, keine Fotos, keine Grafiken, auf denen Urheberrechte Anderer (auch WEB-Seiten oder Foren) liegen!
Solche Uploads werden wegen der Rechtslage kommentarlos gelöscht!

Keine Fotos, auf denen Personen erkennbar sind, ohne deren schriftliche Zustimmung.

Den Beitrag-Betreff bei Antworten auf Threads nicht verändern!
13.07.14 14:03
puntomane 

500 und mehr Punkte

13.07.14 14:03
puntomane 

500 und mehr Punkte

Re: Akkord Pinguin Royal, Oszillator Abgleich

Hallo Reinhardt,
L4 und L5 sind der ZF-Ausgang des FM Tuners, diese Spulen sind auf die gebräuchliche ZF-Frequenz von 10,7 Mhz einzustellen.
C15 ist der Oszi Trimmer für die untere Empfangsfrequenz von 87,6 Mhz, mit dem C5 gleichst du den Vorkreis auf Maximum im Bereich von ca.90 Mhz ab. Die obere Empfangsfrequenz von 104 Mhz ist mechanisch am Variometer festgelegt, meist ist der Verschiebbarer Kern in der Position veränderbar.
Die Drehkoabstimmung ist bei deinem Gerät nur für den AM-Empfangsbereich vorgesehen, bei FM wird per Variometerspulen abgestimmt.

Zuletzt bearbeitet am 13.07.14 14:30

13.07.14 15:35
Reinhard_M 

100-249 Punkte

13.07.14 15:35
Reinhard_M 

100-249 Punkte

Re: Akkord Pinguin Royal, Oszillator Abgleich

Hallo Harry,
danke, einstellen mit C15 hat wunderbar funktioniert, jetzt stimmt der Frequenzbereich unten. Oben geht's bis 105MHz, das lasse ich so. Wenn ich es recht in Erinnerung habe, geht der Zeiger sowieso etwas über die 104er-Marke hinaus.

 1
 1
funktioniert   Schaltplan-Analphabet   Skalenanzeige   ZF-Frequenz   Oszillator   einzustellen   Variometerspulen   Drehkoabstimmung   104er-Marke   veränderbar   ausgedrehtem   verstellende   Oszillator-Spule   AM-Empfangsbereich   Verschiebbarer   Frequenzbereich   aufeinander   Kondensator-Trimmer   Empfangsfrequenz   gebräuchliche