| Passwort vergessen?
Sie sind nicht angemeldet. |  Anmelden

Sprache auswählen:

Wumpus Gollum Forum von
Wumpus Welt der (alten) Radios
Sie sind nicht angemeldet.
 Anmelden

Braun UKW 99 RC61 A-Übetrager selbst gewickelt -> leichter Brumm.
  •  
 1
 1
30.06.14 21:12
GertB 

0-49 Punkte

30.06.14 21:12
GertB 

0-49 Punkte

Braun UKW 99 RC61 A-Übetrager selbst gewickelt -> leichter Brumm.

Hallo liebes Forum,

verzweifelt wie ich bin, wende ich mich an Euch.
Vielleicht könnt ihr mir ja helfen.

Mein Patient ist ein Braun UKW 99, also Chassis RC61.
Das Gerät habe ich vom Flohmarkt und möchte wieder zum Leben erwecken.
Ich bin nicht unerfahren in Reparatur von Radios, aber hier beist es bei mir aus. :-)

Also:
Was der Vorbesitzer damit gemacht hat, weiss ich nicht, aber es waren Netztrafo und Übertrager defekt.
Als Netztrafo habe ich einen von Grundig übernehmen können, die Spannungen passen in etwa ja.

Der Übertrager, ja jetzt kommts, den habe ich abgewickelt und alle Windungszahlen notiert.
Die Anodenwicklung hatte nahe am Kern einige Kurzschlüsse.
Neue Spule Trafodraht gekauft, Wickelvorrichtung gebastelt, und alle Wicklungen wieder raufgespielt.

Angeschaltet und siehe da, das Gerät spielt recht gut und die Sender kommen klar.
Aber ich habe egal welche Welle, oder Tab Eingang einen 50Hz brumm.
Und der kommt definitiv von der Endstufe, da ich alles drum herum schon abgeklemmt habe.
Ich schreibe jetzt hier nicht was ich alles versucht habe, sondern nur den Zustand in dem sich alles jetzt brummend befindet.

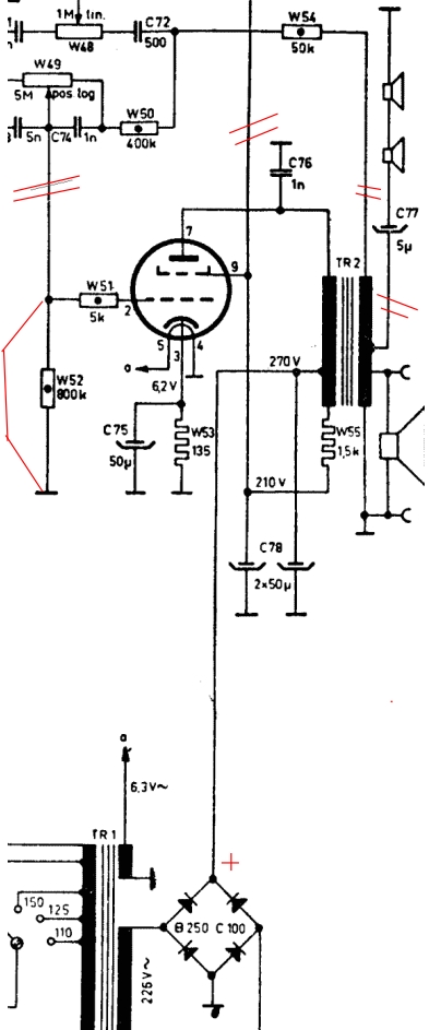
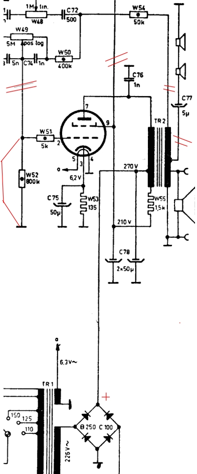
Im Schaltbild dargestellt:
-W52 800K gebrückt.
-Leitung nach oben zum Klangregelnetzwerk getrennt.
-210V Leitung ab Pin9 nach oben getrennt.
-Leitung zum W54 50K getrennt
-C77 getrennt

Die Endstufe ist also vollkommen solo, es kann nichts von aussen kommen. (ausser ein einstreuung?)
C75 C76 sind neu, W53 W55 i.O, C78 ersetzt gegen 2+330µF

Die Ozillogramme:
- Spannung am Gleichrichter trotz 300µF (!!) Kondensator.
- das schrägste: die Anodenspannung. (Eingang W52 ist gebrückt!)
- 200mVss brumm am Ausgang und der ist mächtig zu hören.

Habe mir schon gedacht ob ich einen Fehler im Wicklungssinn o.ä gemacht habe.
Also mal die Brummkompensationswicklung am W55 umgedreht. Konnte ich ja machen, denn ich habe alle Anschlüsse der Anti-Brummwicklung und Anodenwicklung ja seperat herausgeführt.
Das brachte aber rein gar nichts.
Also testweise einen Grundig Übertrager eingebaut, den ich aber wegen der fehlenden sekundären Wicklung für die Klangregelung nicht dauerhaft verwenden kann.
Brumm ist etwas weniger, aber nicht weg.
Mein AEG und Greatz sind richtig still wenn das Poti links steht.

Woher kann das kommen? Schwingt da was? Streut da was indultiv ein?
Auch habe ich festgestellt, dass die EL84 sehr empfindlich auf Näherung reagiert.
Fasse ich sie an wird der Brumm lauter obwohl der Eingang ja auf Masse liegt.

Kann mir jemand einen Tipp geben was ich noch versuchen kann?
Oder war das Projekt "Ausgangsübertrager selbst Wickeln" einfach zu euphorisch betrachtet?
Ach ja, natürlich habe ich die EL84 auch schon getauscht.











Danke schonmal für alle Kommentare und viele Grüsse
Gert

Datei-Anhänge
RC61.jpg RC61.jpg (282x)

Mime-Type: image/jpeg, 107 kB

Spannung +- am Gleichrichter_2V-cm.jpg Spannung +- am Gleichrichter_2V-cm.jpg (248x)

Mime-Type: image/jpeg, 143 kB

Anodenspannung_2V-cm.jpg Anodenspannung_2V-cm.jpg (237x)

Mime-Type: image/jpeg, 102 kB

Lautsprecherausgang_200mV-cm.jpg Lautsprecherausgang_200mV-cm.jpg (241x)

Mime-Type: image/jpeg, 153 kB

Noch gefällt der Beitrag keinem Nutzer.
!
!!! Fotos, Grafiken nur über die Upload-Option des Forums, KEINE FREMD-LINKS auf externe Fotos.    

!!! Keine Komplett-Schaltbilder, keine Fotos, keine Grafiken, auf denen Urheberrechte Anderer (auch WEB-Seiten oder Foren) liegen!
Solche Uploads werden wegen der Rechtslage kommentarlos gelöscht!

Keine Fotos, auf denen Personen erkennbar sind, ohne deren schriftliche Zustimmung.

Den Beitrag-Betreff bei Antworten auf Threads nicht verändern!
30.06.14 22:12
Mani

nicht registriert

30.06.14 22:12
Mani

nicht registriert

Re: Braun UKW 99 RC61 A-Übetrager selbst gewickelt -> leichter Brumm.

Hallo Gert!


Ich bin absolut kein Alter-Radio-Profi, aber das Osszibild zeigt fast einen Sägezahn.
Möglich, daß eine Diode des Gleichrichters defekt ist.


Gruß

Mani

30.06.14 22:36
Martin.M 

500 und mehr Punkte

30.06.14 22:36
Martin.M 

500 und mehr Punkte

Re: Braun UKW 99 RC61 A-Übetrager selbst gewickelt -> leichter Brumm.

verpol bitte mal am Netztrafo die Heizung

nette Grüße
Martin.

01.07.14 02:13
qw123 

500 und mehr Punkte

01.07.14 02:13
qw123 

500 und mehr Punkte

Re: Braun UKW 99 RC61 A-Übetrager selbst gewickelt -> leichter Brumm.

Hallo Gert,

ein paar Fragen:

a) C78 ist ein Doppelkondensator laut Schaltbild. Wo sind die 300µF? Auf der Gleichrichterseite? Verträgt das der Selen-Gleichrichter?
b) Kontakte an der EL84-Fassung überprüft evtl. gereinigt? Widerstand zwischen 'Kelch' (von oben) und Lötöse?
c) wie sieht die Schirmgitterspannung (Wechselanteil) aus?
d) hast Du schon mal die Wechselspannung über C75/W53 gemessen?
e) schon mal Erdverbindungen überprüft? Wechselspannungen zwischen Fußpunkten C75-W53-W52-C78-Sekundärwicklung?
f) schon mal die EL84 aus dem 'Braun' in einem anderen Gerät getestet? Heizfaden-Kathoden-Schluß ausgeschlossen? EL84 probeweise mit Gleichstrom geheizt?

GertB:
Auch habe ich festgestellt, dass die EL84 sehr empfindlich auf Näherung reagiert.
Fasse ich sie an wird der Brumm lauter obwohl der Eingang ja auf Masse liegt.
Dann dürfte es so sein, daß das Gitter eben nicht wirklich auf (Kathoden-)Masse liegt.

Gruß

Heinz

01.07.14 16:35
GertB 

0-49 Punkte

01.07.14 16:35
GertB 

0-49 Punkte

Re: Braun UKW 99 RC61 A-Übetrager selbst gewickelt -> leichter Brumm.

Hallo liebe Mitstreiter um das Leben meines RC61 :-)

Es gibt ein altes Sprichwort: Wer Mist mist Mist.

Ich habe alle Eure Tipps befolgt und ausprobiert, doch nichts brachte Abhilfe.
Es grummelte immer weiter im Karton.
Irgendwo kam immer noch diese Brummspannung rein, obwohl alles rundherum abgeklemmt war.
Letzendlich sagte ich mir dann, bau dir eine externe saubere Spannung.
Trenntrafo, externen Brückengleichrichter, externe Elkos.
Und siehe da es ward Ruhe im Karton.
Es konnte nun also nur eines der Komponenten sein.
Letzendlich habe ich (Schande über mich) doch den 2x50µ Elko als Fehler ausgemacht.
Er hat zwar seine rund 2x50µF, doch zudem auch noch einen Feinschluss mit einmal 10k einmal 50k gegen Masse.
Doch das kostet nur Leistung und brummt nicht.
Aber die beiden + des C haben auch untereinander Feinschluss mit einigen KOhm.
Die Lade/Entladekurve am Gleichtichter mit etwa 4Vss ist offenbar normal, zumindest zeigen es so meine anderen beiden Radios.
Doch die Anodenspannung muss sauber sein.
Der Doppel-C siebte also noch vernünftig, doch gleichzeitig brachte er ein paar mV der 50Hz von einem Kondensator direkt auf den anderen und damit direkt auf die Anode.

Was ich falsch gemacht hatte:
Ich hatte, da den Doppel-C der ja Kapazität und Siebwirkung zeigte, als ok bezeichnet.
Kapazitätsverlust, Feinschluss kommen vor. Aber Feinschluss unter den beiden Kondensatoren?
Wieder was gelernt. :-)

Anodenspannung ist jetzt dank zwei neuer C's sauber und damit im Lautsprecher.

Vielen Dank für Eure anregenden, hilfreichen Tipps und viele Grüsse,
Gert

02.07.14 23:27
GertB 

0-49 Punkte

02.07.14 23:27
GertB 

0-49 Punkte

Re: Braun UKW 99 RC61 A-Übetrager selbst gewickelt -> leichter Brumm.

update:

nachdem Tausch des Doppelelkos war der Brumm zwar deutlich besser, aber immer noch nicht so, wie er sein sollte: kaum hörbar.
Also wieder die Suche was es sein kann.
Seitenweise Texte über Brummkompensation gelesen etc.
Dann habe ich Martins Tip nochmals ausprobiert und merke das der Brumm zwar nicht weg, aber weniger wurde.
In meinem Zweifel ob's über die Heizspannung kommt, habe ich als Heizspannung mal Gleichspannung angelegt.
Ruhig wars ab da!
War schon kurz davor nachzulesen, ob ich alle Röhren dauerhaft mit DC versorgen kann, als mir eine aus dem Chassis gestanzte Lötöse auffiehl.
An dieser Lötöse war nur das Minus des Selen angeschlossen und der Doppel-C sitzt örtlich ja gleich daneben.
Etwa 5 cm davon entfernt, am Trafo ist eine Kontaktleitse wo die ganzen Übertrager- und Trafowicklungen auflaufen.
Darunter auch ein GND-Pin der auch direkt mit dem Chassis verschraubt ist.
Gleich daneben der Pin für den anderen Pol der Heizung.
An diesen beiden Pins hatte ich logischerweise die Heizung angeklemmt.

Sodala und jetzt wirds interessant:
Man nehme den GND der Heizung weg von diesem GND-Pin auf der Leiste und setze diesen die 5cm entfernt direkt an den o.g. Chassis-Pin wo der Selen angeschlossen ist.
Ruhe. Kaum etwas mehr zu hören.

Verstehen kann ich es nicht wirklich was diese 5cm Chassisfläche ausmachen, aber so ist es wohl ein enger Sternpunkt von Selen, Heizung und Elko.

Weiss vielleicht jemand wieso sich das ganze so verhält?
Warum es brummt, wenn ich das Heizungs-GND nur 5cm versetze?
Is doch sonst auch alles kreuz und quer verdrahtet.

Gruss Gert

03.07.14 00:58
Mani

nicht registriert

03.07.14 00:58
Mani

nicht registriert

Re: Braun UKW 99 RC61 A-Übetrager selbst gewickelt -> leichter Brumm.

Hallo Gert!


Es ist nicht alles einfach kreuz und quer verdrahtet, da gibt es gewisse Erfahrungen,
wohin man was lötet.

Das von Dir geschilderte Problem ist eine "Brummschleife" durch falsche Massepunkte
bzw. zu viele...

Prinzipiell müssen Massezusammenführungen (zum Netzteil) immer auf einen Sternpunkt
zusammenführen! Ein Zentimeter daneben und die Probleme fangen an...


Findest Du sicher hier oder beim Gock

Gruß

Mani

Zuletzt bearbeitet am 03.07.14 01:03

 1
 1
Anodenspannung   Brückengleichrichter   Wechselspannungen   C75-W53-W52-C78-Sekundärwicklung   Wickelvorrichtung   A-Übetrager   Doppelkondensator   Heizfaden-Kathoden-Schlu߿Massezusammenführungen   Anti-Brummwicklung   Klangregelnetzwerk   Trafowicklungen   Schirmgitterspannung   Alter-Radio-Profi   Gleichrichterseite   Brummkompensationswicklung   Selen-Gleichrichter   Ausgangsübertrager   Kapazitätsverlust   Brummkompensation