| Passwort vergessen?
Sie sind nicht angemeldet. |  Anmelden

Sprache auswählen:

Wumpus Gollum Forum von
Wumpus Welt der (alten) Radios
Sie sind nicht angemeldet.
 Anmelden

Brauche mal Euren Rat zu einem Netztrafo in einem Neckermann (Körting) Rubin
  •  
 1
 1
19.10.12 17:48
ManfredRuf 

100-249 Punkte

19.10.12 17:48
ManfredRuf 

100-249 Punkte

Brauche mal Euren Rat zu einem Netztrafo in einem Neckermann (Körting) Rubin

Hallo Freunde,

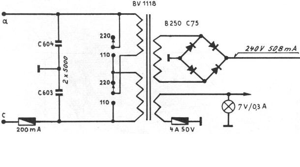
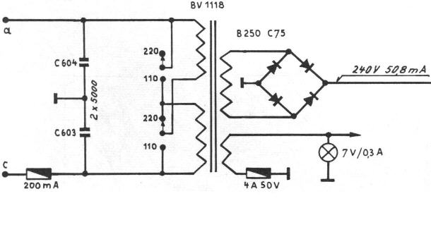
ich habe gerade o.g. Gerät auf dem Reparaturtisch. Im Netztrafo ist die Primärwicklung durchgebrannt. Braun-schwarze Verfärbung und geschmolzenes Isoliermaterial deuten auf permante Überlastung hin. Da mir der Trafo ziemlich klein ( EI60 - Kern) erscheint, habe ich mal die zu übertragende Leistung nachgerechnet. Für die Anodenspannung werden 240V bei ca. 50mA benötigt, also 12W. In dem Gerät sind ECC85, EF89, EABC80, ECH81 und EL95 mit Heizströmen von 0,435 + 0,2 + 0,48 + 0,3 + 0,2 = 1,615 A verbaut. Zusammen mit der Skalenbeleuchtung werden also weitere 12W verheizt, so dass ich am Ende auf 24W komme.

Aus der Tabelle entnehme ich für diesen Kern aber als max. übertragbare Leistung 15VA. Hat Körting da am falschen Ende gespart oder übersehe ich etwas ?
Oder anders gefragt: Soll ich den Trafo neu wickeln (= viel Arbeit) oder gleich einen größeren Ersatz suchen ?

Danke für Euren Rat.

Gruss, Manfred

Datei-Anhänge
RUBIN.JPG RUBIN.JPG (860x)

Mime-Type: image/jpeg, 24 kB

Noch gefällt der Beitrag keinem Nutzer.
!
!!! Fotos, Grafiken nur über die Upload-Option des Forums, KEINE FREMD-LINKS auf externe Fotos.    

!!! Keine Komplett-Schaltbilder, keine Fotos, keine Grafiken, auf denen Urheberrechte Anderer (auch WEB-Seiten oder Foren) liegen!
Solche Uploads werden wegen der Rechtslage kommentarlos gelöscht!

Keine Fotos, auf denen Personen erkennbar sind, ohne deren schriftliche Zustimmung.

Den Beitrag-Betreff bei Antworten auf Threads nicht verändern!
19.10.12 18:38
nobbyrad58 

500 und mehr Punkte

19.10.12 18:38
nobbyrad58 

500 und mehr Punkte

Re: Brauche mal Euren Rat zu einem Netztrafo in einem Neckermann (Körting) Rubin

Hallo Manfred!

Schau mal genau nach ob die max. Leistung des EI 60 Kern so gering ist. Ganz kurz Gegoogelt und habe bei einen Händler namens W....... einen Trafo mit dieser Kerngröße gefunden der mit 27 VA angeboten wird.
Bei Deinem Radio ist wohl die Platzfrage entscheidend, einen gut doppelt so starker Trafo kostet so gut 25 € + VK. Einen NT Trafo der so klein ist wird nicht so einfach zu bekommen sein.

MFG Nobby

20.10.12 06:42
ManfredRuf 

100-249 Punkte

20.10.12 06:42
ManfredRuf 

100-249 Punkte

Re: Brauche mal Euren Rat zu einem Netztrafo in einem Neckermann (Körting) Rubin

Hallo Nobby,

schonmal danke für die Antwort, hab jetzt auch mal etwas weiter gegoogelt und unterschiedliche Angaben gefunden, die wohl auf die Paketdicke zurückzuführen sind. In meinem Fall scheint mir aber immer noch die Leistung grenzwertig zu sein und will daher versuchen einen EI78 unterzubringen. Kannst Du mir noch verraten, wie der Händler W heisst, vielleicht in einer PN ?

Danke,
Manfred

20.10.12 09:02
roehrenfreak

nicht registriert

20.10.12 09:02
roehrenfreak

nicht registriert

Re: Brauche mal Euren Rat zu einem Netztrafo in einem Neckermann (Körting) Rubin

Hallo Manfred,

die max. übertragbare Leistung hängt natürlich auch von der Paketdicke des Kerns ab - soviel ist klar. Aus der Tabelle 7 (S. 38, H. Scheidt, Kleintransformatoren, Lehrmeister-Bücherei Nr. 1027) geht für den Kern EI 60/20 (=20mm Paketdicke) in der Tat nur eine max. Leistung von 14,4 VA hervor. Aber das Grundmuster des EI 60 gibt's z.B. auch als EI 60/30 (=30mm PD.), was dann tatsächlich etwa 27 VA "verträgt". Welche PD hätte denn Dein Trafosche?

20.10.12 09:32
Matt 

500 und mehr Punkte

20.10.12 09:32
Matt 

500 und mehr Punkte

Re: Brauche mal Euren Rat zu einem Netztrafo in einem Neckermann (Körting) Rubin

Hallo alle

vergisst aber nicht dass früher Blech mit Papier isoliert wird und Metall von Kern verbessert wird.
papierisolierte BLechpacket hat dafür weniger Eisen- Kern.
Heutige Blechpacket ist mit dünne Lack isoliert, den sollen beim zusammenbauen nicht beschädigt werden.
Dünnere Isolation -> mehr nutzbare Kern.

M102B Trafo aus 1960 leistet um 180VA, heutige kann bereits 250VA leisten.

Grüss
Matt

20.10.12 11:11
ManfredRuf 

100-249 Punkte

20.10.12 11:11
ManfredRuf 

100-249 Punkte

Re: Brauche mal Euren Rat zu einem Netztrafo in einem Neckermann (Körting) Rubin

Hallo Jürgen,

danke für den wichtigen Hinweis, Mein Trafo hat tatsächlich nur 20mm PD und ist damit eindeutig zu "spatzig". Ich werde einen größeren aussuchen, den ich gerade noch unterbringen kann. Körting hat da wohl auf den Neckermann Preisdruck reagiert.

Hallo Matt,

auch Dein Hinweis auf die Isolation sagt mir: besser einen neuen einbauen. Meine Bleche sind zwar lackisoliert, aber teilweise schon kräftig angerostet.

Gruß, Manfred

20.10.12 12:22
Matt 

500 und mehr Punkte

20.10.12 12:22
Matt 

500 und mehr Punkte

Re: Brauche mal Euren Rat zu einem Netztrafo in einem Neckermann (Körting) Rubin

Hallo Manfred

Angerostete Trafo ist aber keine KO-Kritik.
Ganz wichtig ist: Trafo soll beim leerlauf kühl bleiben., das ist nicht so beim total verrostete Trafo, wo da auch Blechpacket-isolation stark geschädigt ist (erhöhte Wirbelstromverluste)

Ich habe eine Trafo von Scheunefund entrosten und lackieren.

Fundzustand


Entrostete Trafo


fertig lackierte Trafo


Das macht sinn, wenn der beim Leerlauf kaum erwärmt.



Grüss
matt

Zuletzt bearbeitet am 20.10.12 12:22

Datei-Anhänge
rost trafo.jpg rost trafo.jpg (268x)

Mime-Type: image/jpeg, 160 kB

rost trafo_1.jpg rost trafo_1.jpg (280x)

Mime-Type: image/jpeg, 173 kB

rost trafo_2.jpg rost trafo_2.jpg (254x)

Mime-Type: image/jpeg, 164 kB

20.10.12 12:31
nobbyrad58 

500 und mehr Punkte

20.10.12 12:31
nobbyrad58 

500 und mehr Punkte

Re: Brauche mal Euren Rat zu einem Netztrafo in einem Neckermann (Körting) Rubin

Hallo Zusammen!

Hauptsache der Trafo ist nicht von innen gerostet. Dann wird es schwierig bis unmöglich das Blechpaket zu retten. Es gibt aber Isolierfolie zu kaufen ob das alles aber dann noch passt? Oder gleich ein neues Paket bauen.

MFG Nobby

20.10.12 13:54
Pluspol 

500 und mehr Punkte

20.10.12 13:54
Pluspol 

500 und mehr Punkte

Re: Brauche mal Euren Rat zu einem Netztrafo in einem Neckermann (Körting) Rubin

Hallo Manfred

Die Neubewicklung des defekten und zu knapp dimensonierten Trafos lohnt ja so nicht.
Ich vermute, dass nach dem Zustand des alten Trafos noch ein Fehler in der Sekundärseitenbeschaltung sehr wahrscheinlich ist. Nur mit dem neuen Trafo allein, wäre die Fehlerursache nicht beseitigt und es könnte dem neuen Trafo erneut an den "Kragen" gehen....
Solltest evtl. vorher noch nach weiteren möglichen Fehlern suchen.

Freundliche Grüße von Dietmar

 1
 1
Körting   Primärwicklung   Braun-schwarze   Lehrmeister-Bücherei   Anodenspannung   Sekundärseitenbeschaltung   Wirbelstromverluste   wahrscheinlich   Kleintransformatoren   Netztrafo   zurückzuführen   Blechpacket-isolation   Isoliermaterial   Skalenbeleuchtung   dimensonierten   Brauche   Neckermann   unterzubringen   papierisolierte   unterschiedliche