| Passwort vergessen?
Sie sind nicht angemeldet. |  Anmelden

Sprache auswählen:

Wumpus Gollum Forum von
Wumpus Welt der (alten) Radios
Sie sind nicht angemeldet.
 Anmelden

Nochmal Blaupunkt Derby, diesmal Modell 660
  •  
 1
 1
20.04.12 02:05
qw123 

500 und mehr Punkte

20.04.12 02:05
qw123 

500 und mehr Punkte

Nochmal Blaupunkt Derby, diesmal Modell 660

Hallo Derby-Freunde und zusammen,

angeregt durch den anderen Derby-Thread möchte ich mich hier anhängen mit einem eigenen Problem.

'Zufällig' habe ich seit einigen Wochen hier einen Derby 660 herumstehen/liegen. Modellbezeichnung: 7.656.700, Bild wie hier: http://www.welt-der-alten-radios.de/auss...dios-2-146.html. Er gibt momentan keinen Ton von sich. Gehören tut er einem Bekannten, dem ich leichtsinnigerweise versprochen hatte, den Fehler zu suchen und gegebenenfalls zu reparieren.

Ich war mir damals sicher, daß ich entweder unter meinen eigenen Beständen oder im Internet einen Schaltplan dazu finden würde. Bin aber bis heute nicht fündig geworden. Ohne Schaltplan ist es mir im Augenblick zu mühsam, mit der Fehlersuche anzufangen.
Meine Frage: Kann mir jemand einen Hinweis auf diese Schaltung geben?

(Schaltungsdienst L... (ca. 17€) oder Mitgliedschaft bei der Erb-engemeinschaft(20€) wollte ich vorerst ausschließen.)
Ich erwäge noch eine Anfrage bei Walter Groer. Hat da jemand eine diesbezügliche Erfahrung?

Grüße

Heinz

Noch gefällt der Beitrag keinem Nutzer.
!
!!! Fotos, Grafiken nur über die Upload-Option des Forums, KEINE FREMD-LINKS auf externe Fotos.    

!!! Keine Komplett-Schaltbilder, keine Fotos, keine Grafiken, auf denen Urheberrechte Anderer (auch WEB-Seiten oder Foren) liegen!
Solche Uploads werden wegen der Rechtslage kommentarlos gelöscht!

Keine Fotos, auf denen Personen erkennbar sind, ohne deren schriftliche Zustimmung.

Den Beitrag-Betreff bei Antworten auf Threads nicht verändern!
20.04.12 12:54
roehrenfreak

nicht registriert

20.04.12 12:54
roehrenfreak

nicht registriert

Re: Nochmal Blaupunkt Derby, diesmal Modell 660

Hallo Heinz,

hast Du einmal die Ruhestromaufnahme des Gerätes gemessen? Soll etwa 20...30mA sein.

Vor ein paar Jahren hatte ich hier ein ähnliches Modell zur Reparatur. Dessen Ruhestrom betrug fast 1Ampere(!). Ursache waren die beiden Ge-Endtransistoren. Da der Bekannte für die Reparatur nicht viel ausgeben wollte, habe ich mit einer kleinen Schaltungsänderung statt der relativ teuren Ge-Tr'n. zwei BD136 Si-Tr'n. verwendet. Damit war der Ruhestrom wieder im Normalbereich, das Radio spielte wieder einwandfrei und der Bekannte war zufrieden.

Freundliche Grüsse,
Jürgen rf

Der Pessimist nörgelt über den schlechten Wind
Der Optimist wartet auf besseren Wind
Der Realist richtet sein Segel optimal nach dem herrschenden Wind
(Seglerweisheit)

http://www.rettet-unsere-radios.de

22.04.12 12:13
qw123 

500 und mehr Punkte

22.04.12 12:13
qw123 

500 und mehr Punkte

Re: Nochmal Blaupunkt Derby, diesmal Modell 660

Hallo Jürgen,

roehrenfreak:
hast Du einmal die Ruhestromaufnahme des Gerätes gemessen? Soll etwa 20...30mA sein.

auf Deine Anregung hin habe ich gestern mal die Stromaufnahme gemessen.
Das kann ich gerade noch so ohne Schaltbild . . :-).

Leider kein ganz eindeutiges Ergebnis. Die Stromaufnahme beträgt etwas über 50mA.
Wahrscheinlich leicht erhöht, aber nicht unbedingt ein Endtransistor-Kurzschluß.

Da das Radio eine DIN-Eingangsbuchse für eine externe Tonquelle hat, konnte ich auch den NF-Teil prüfen. Scheint im wesentlichen in Ordnung zu sein. Hat aber eine deutlich zu geringe Empfindlichkeit.

Wie vermutet, wird es ohne Schaltplan wohl mühsam.

Gruß

Heinz

22.04.12 13:26
Wolle 

500 und mehr Punkte

22.04.12 13:26
Wolle 

500 und mehr Punkte

Re: Nochmal Blaupunkt Derby, diesmal Modell 660

Hallo Heinz.

Der Ruhestrom liegt einiges zu hoch. Eine mögliche Ursache kann der Kollektorreststrom der Endstufentransistoren sein. Kontrolliere bitte auch die Elkos im NF- Teil. Kapazitätsverlust bringt hier eine zu geringe Empfindlichkeit.



Viele Grüße.
Wolle

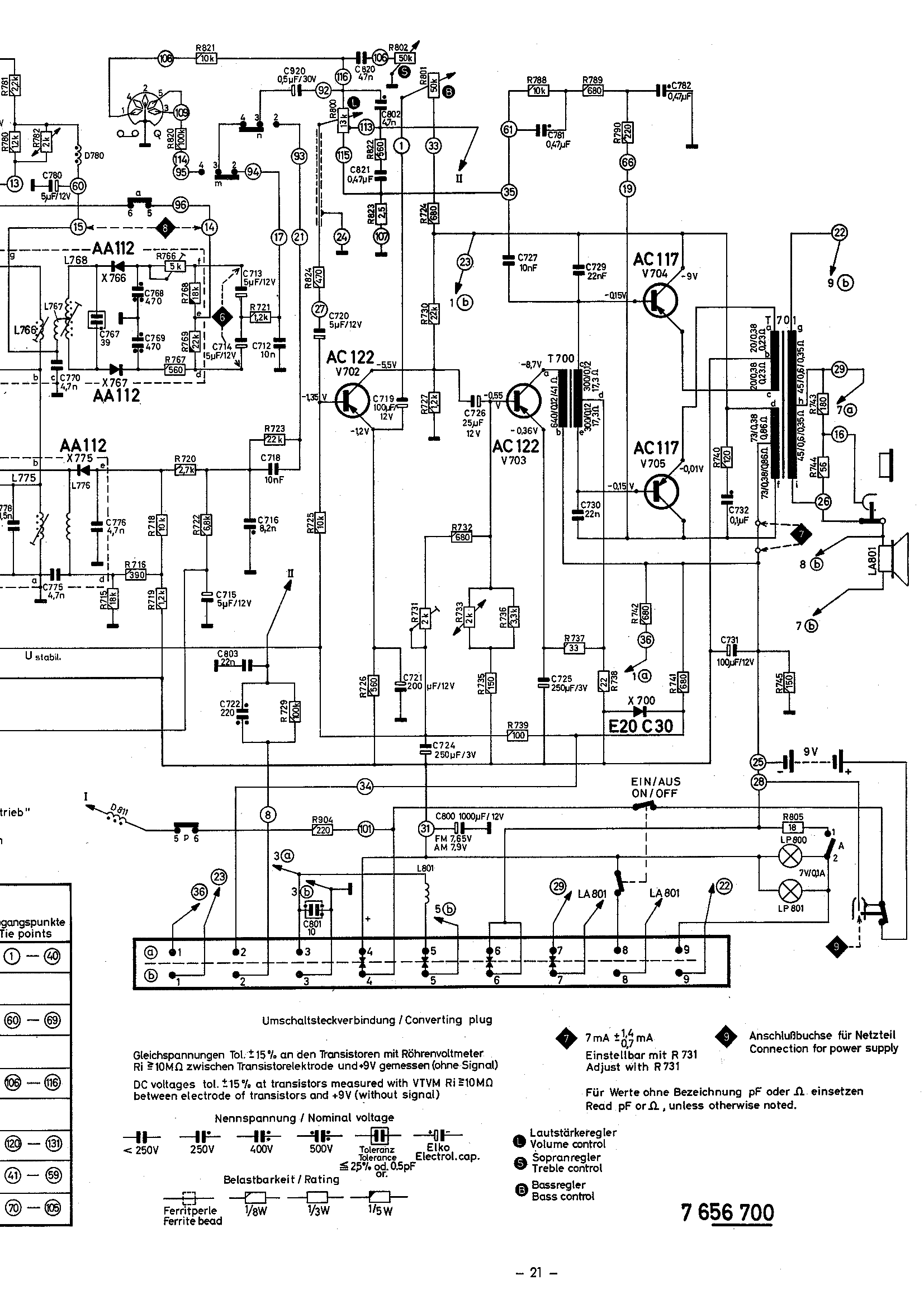
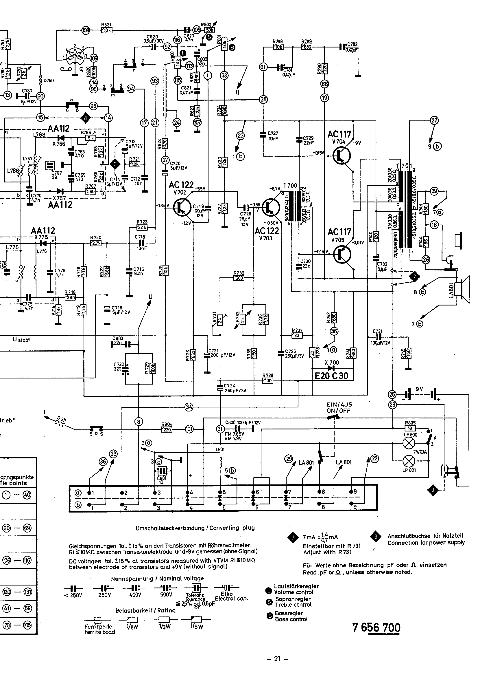
Datei-Anhänge
derby_660_7656700_sch1c.png derby_660_7656700_sch1c.png (1241x)

Mime-Type: image/x-png, 117 kB

24.04.12 11:33
qw123 

500 und mehr Punkte

24.04.12 11:33
qw123 

500 und mehr Punkte

Re: Nochmal Blaupunkt Derby, diesmal Modell 660

Hallo Wolle,

vielen Dank für den Schaltungsauszug. Damit kann ich den NF-Teil gut überprüfen.

Zur Zéit komme ich nur sporadisch dazu, mich um das Gerät zu kümmern.
Gestern habe ich wenigstens das Gehäuse mal geöffnet und die Lötbrücke gefunden die zur Messung des Endstufen-Ruhestroms eingebaut ist. Das ist alles sehr gedrängt und wenig reparaturfreundlich aufgebaut.
Zum Messen komme ich erst in einigen Tagen.

Gruß

Heinz

 1
 1
diesbezügliche   Endstufen-Ruhestroms   reparaturfreundlich   Erb-engemeinschaft   Schaltungsauszug   Wahrscheinlich   Endtransistor-Kurzschluß   Ge-Endtransistoren   rettet-unsere-radios   DIN-Eingangsbuchse   Schaltungsänderung   Modellbezeichnung   welt-der-alten-radios   Ruhestromaufnahme   Empfindlichkeit   Kapazitätsverlust   Endstufentransistoren   Schaltungsdienst   Kollektorreststrom   leichtsinnigerweise