| Passwort vergessen?
Sie sind nicht angemeldet. |  Anmelden

Sprache auswählen:

Wumpus Gollum Forum von
Wumpus Welt der (alten) Radios
Sie sind nicht angemeldet.
 Anmelden

AEG 3084WD - Unaufmerksamkeit und die Folge..... und es geht weiter.....
  •  
 1 2 3 4 5
 1 2 3 4 5
27.05.11 17:43
Iceman1968 

500 und mehr Punkte

27.05.11 17:43
Iceman1968 

500 und mehr Punkte

AEG 3084WD - Unaufmerksamkeit und die Folge..... und es geht weiter.....

Hallo Zusammen,

bei o.g. Gerät "mal so eben auf die Schnelle" Kondensatoren und Elkos getauscht.
Mit halbherziger Aufmerksamkeit danach das erste Einschalten, zum Glück mit Finger am Schalter der Steckdosenleiste.
Es folgte Krachen, sowie Blitzen in der EC92 gefolgt von Rauchzeichen.

Nach genauem Hinsehen zeigte sich, daß sich durch das Arbeiten an den Innereien unbemerkt ein Elko mit einem Widerstand berührten.
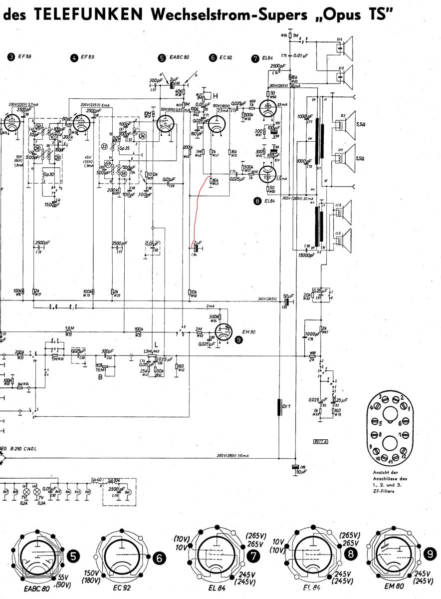
Hier im Schaltbild rot eingezeichnet:




Jetzt ist das Gerät so gut wie tonlos, lediglich bei ganz aufgedrehtem LS-Regler ist er ganz leise zu hören.
EC92 und beide EL84 prophylaktisch getauscht, ebenso W61, dem es erkennbar warm geworden ist.
Auffällig zudem, daß an dieser EL84 lediglich 7,5V Kathodenspannung anliegt, an der Anderen liegen 9,5V an.
Anoden- und Schirmgitterspannungen sind soweit ok.

Ansonsten keine weiteren verfärbten Bauteile in diesem Bereich, Widerstände meßtechnisch in Ordnung, falls ich keinen übersehen habe.
Mittlerweile bin ich also etwas rat- und planlos und wäre für jeden Denkanstoß dankbar.


Liebe Grüße
Dirk

Zuletzt bearbeitet am 26.11.12 07:24

Datei-Anhänge
opus_55ts_sch1c1_884x1200.jpg opus_55ts_sch1c1_884x1200.jpg (313x)

Mime-Type: image/jpeg, 149 kB

Noch gefällt der Beitrag keinem Nutzer.
!
!!! Fotos, Grafiken nur über die Upload-Option des Forums, KEINE FREMD-LINKS auf externe Fotos.    

!!! Keine Komplett-Schaltbilder, keine Fotos, keine Grafiken, auf denen Urheberrechte Anderer (auch WEB-Seiten oder Foren) liegen!
Solche Uploads werden wegen der Rechtslage kommentarlos gelöscht!

Keine Fotos, auf denen Personen erkennbar sind, ohne deren schriftliche Zustimmung.

Den Beitrag-Betreff bei Antworten auf Threads nicht verändern!
27.05.11 18:25
Wolle 

500 und mehr Punkte

27.05.11 18:25
Wolle 

500 und mehr Punkte

Re: AEG 3084WD - Unaufmerksamkeit und die Folge.....

Hallo Dirk.

Wo liegen die Anodenspannungen der EABC80 und der EC92? Die beiden EL84 dürften erst einmal mit der Kathodenspannung in Ordnung sein. Ist eventuell noch ein Kondensator falsch angeschlossen? Aus meiner Sicht sind keine Folgefehler durch den Kurzschluß zu erwarten.

Mit vielen Grüßen.
Wolle

27.05.11 18:28
nobbyrad58 

500 und mehr Punkte

27.05.11 18:28
nobbyrad58 

500 und mehr Punkte

Re: AEG 3084WD - Unaufmerksamkeit und die Folge.....

Hallo Dirk !

Künstlerpech ist mir auch schon passiert. So auf die Schnelle C72 , C73 die Katodenelkos der beiden EL84 wenn alle Widerstände i.O. Die Rundherum Beschaltung der EC 92. Die Rauchzeichen könnten auch das Ende der Miniatur Fassung der EC 92 angezeigt haben. Wenn es richtig geblitzt und geraucht hat ist da wohl mehr als der schon ausgetauschte Widerstand im Eimer. Ich "schnüffel" auch schon mal an den Fassungen, wenn es da verbrannt riecht ist der Austausch fällig. Am besten gegen Keramik. Solche "Kohlestrecken" können auch im inneren der Fassung entstehen von außen sieht man nichts. Hauptsache das die LS + AÜ überlebt haben.

MFG Nobby

27.05.11 19:06
Iceman1968 

500 und mehr Punkte

27.05.11 19:06
Iceman1968 

500 und mehr Punkte

Re: AEG 3084WD - Unaufmerksamkeit und die Folge.....

Hallo Wolle, hallo Nobby,

Anodenspannung der EABC80 liegt bei 87V, der EC92 bei 172V.

Habe mein Riechorgan dann auch mal ganz nah an die fassung der EC92 gehalten, aber außer einer leichten Ladung Staub war da nichts auffälliges in Punkto verbrannter Geruch o.ä.


Einen evtl falsch angeschlossenen Kondensator kann ich eigentlich zu 99% ausschließen, da ich diese immer nur Stück für Stück aus- und wieder einbaue und vorher noch mit Krokoklemmen kennzeichne.


Liebe Grüße
Dirk

27.05.11 19:23
Wolle 

500 und mehr Punkte

27.05.11 19:23
Wolle 

500 und mehr Punkte

Re: AEG 3084WD - Unaufmerksamkeit und die Folge.....

Hallo Dirk.

Da gleichspannungsmäßig alles in Ordnung ist, bleiben doch nur Unterbrechung oder Kurzschluß des NF- Signals als mögliche Ursache. Kannst Du eventuell die NF oszillografieren? Das wäre wohl der schnellste Weg (Signalverfolgung).

Mit vielen Grüßen.
Wolle

27.05.11 20:43
Iceman1968 

500 und mehr Punkte

27.05.11 20:43
Iceman1968 

500 und mehr Punkte

Re: AEG 3084WD - Unaufmerksamkeit und die Folge.....

Hallo Wolle,

leider habe ich mangels Oszi keine Möglichkeit dazu.


Liebe Grüße
Dirk

27.05.11 20:47
Wolle 

500 und mehr Punkte

27.05.11 20:47
Wolle 

500 und mehr Punkte

Re: AEG 3084WD - Unaufmerksamkeit und die Folge.....

Hallo Dirk.

Dann alternativ den NF- Verstärker eines anderen Radios verwenden. Im Fall eines Transistorverstärkers einen Vorwiderstand zum Anrasten verwenden, damit der Eingangstransistor heil bleibt.

Mit lieben Grüßen.
Wolle.

27.05.11 21:25
Kurzschluss 

250-499 Punkte

27.05.11 21:25
Kurzschluss 

250-499 Punkte

Re: AEG 3084WD - Unaufmerksamkeit und die Folge.....

Hallo Dirk
Nur so gefragt und ohne lästig sein zu wollen:
Kannst du mal die Gitter und Kathoden Spannung der EC92 messen ?
VG
Norbert

Wenn ein FS mit 15 Röhren läuft, ist der Anblick durch die Rückwand auf jeden Fall schöner und interessanter wie das Programm auf der Mattscheibe.

27.05.11 22:38
Iceman1968 

500 und mehr Punkte

27.05.11 22:38
Iceman1968 

500 und mehr Punkte

Re: AEG 3084WD - Unaufmerksamkeit und die Folge.....

Hallo Zusammen,

@Wolle
Da muß ich mir wohl erst mal Gedanken machen, welches meiner Geräte ich hierzu zweckenfremde.....


@Kurzschluß
Dein Nick paßt ja schonmal zu meinem Problem
Nein, ernsthaft, lästig ist Deine Frage niemals, bin ja für jeden Denkanstoß dankbar.
Und irgendwie war die Frage garnicht so verkehrt:

Kathodenspannung 55V
Gitterspannung 9,9V

Kam mir doch am Gitter merkwürdig vor, also mal den C71 getauscht, und jetzt liegt die Gitterspannung nur noch bei 3,1V.

Aber halt immer noch tonlos.....


Liebe Grüße
Dirk

27.05.11 22:56
nobbyrad58 

500 und mehr Punkte

27.05.11 22:56
nobbyrad58 

500 und mehr Punkte

Re: AEG 3084WD - Unaufmerksamkeit und die Folge.....

Hallo Dirk !

Hab das gleiche Chassis als AEG, nur bei mir fehlen die Front LS die suche ich noch. Eine Tendenz fiel mir auf die EC 92 = 172V Soll 180V bei niederohmigeren Voltmeter und den rel. kleinen Außenwiderständen W50 + W51 = 26 kOhm bei der richtigen Betriebsspannung von 280V. EABC 80 87V Soll 90V bei 200 kOhm Außenwiderstand bei 280V. Die - ug1 der EL 84 soll 10V betragen, also leichter AB Betrieb der Gegentakt - Endstufe.
Es fehlen also ein paar Volt, tendenziell musste ein DMM außer bei - ug 1 der El 84 mehr anzeigen. Norbert wird da auf der richtigen Spur sein, es sind eine Menge Bauteile in der Peripherie der beiden Röhren verbaut. Wie gesagt Voraussetzung ist die richtige Betriebsspannung von 280V. Die - g1 der EC 92 müsste 42,5V gegen MASSE sein zwischen Stift 6 + 7 2,5V. Diese Röhre arbeitet als Phasensplitter.

MFG Nobby

 1 2 3 4 5
 1 2 3 4 5
gleichspannungsmäßig   Knotenpunktgemessen   Anodenspannungssiebung   Brummen   Kathodenspannung   Transistorverstärkers   unterschiedlichen   unterschiedliche   Signalverfolgung   Zusammen   Oberellenspektrums   Kofferplattenspieler   Schirmgitterspannungen   Kathodenspannungen   Unaufmerksamkeit   Betriebsspannung   Transistorverstärker   Widerstand   Kathoden-Widerstand   Phasenumkehrschaltung