| Passwort vergessen?
Sie sind nicht angemeldet. |  Anmelden

Sprache auswählen:

Wumpus Gollum Forum von
Wumpus Welt der (alten) Radios
Sie sind nicht angemeldet.
 Anmelden

Telefunken-Gegentaktendstufe ?
  •  
 1
 1
07.11.10 21:42
apollo 

Administrator

07.11.10 21:42
apollo 

Administrator

Telefunken-Gegentaktendstufe ?

Ein freundliches "Hallo" an alle.
Bitte um Hilfe bei folgendem Problem:
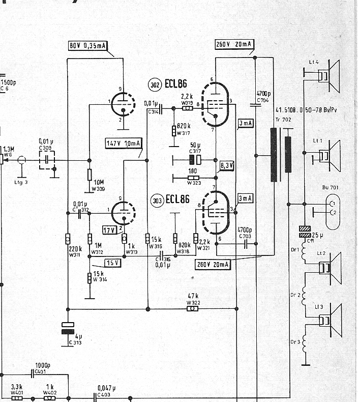
Modell Telefunken, Rhythmus S 1264. Das Gerät hatte immer sporadische Aussetzer bei hohen Wiedergabe-Frequenzen. Als ich daraufhin die Röhren abklopfte, konnte ich an einer Endstufenröhre, Rö 303, diese Aussetzer provozieren. Also muß ich eine neue Röhre einsetzen. Nun ist mir aufgefallen, daß in Nachbarschaft zur defekten Röhre die gleiche Röhre verbaut ist, Rö 302. Also hab ich beide getauscht und das Problem mitgenommen. Da bei diesem Gerät auch noch der Plan 50 Jahre überlebt hat, konnte ich darin sehen, daß das einer Gegentaktendstufe ähnlich sieht. Nun weiß ich von Gitarrenverstärkern, daß in diesem Fall die Röhren ausgemessen werden, damit sie zueinander passen. Meine Frage ist nun, handelt es sich bei dem Radio um eine echte GTE und wenn ja, sollte ich auch hier ein Pärchen einbauen, oder ist das bei dieser Ausgangsleistung zu vernachlässigen.
Mit freundlichen Grüssen
Alfred





Nachtrag: ich hab noch 2 dieser ECL 86 hier, aber die wurden nicht als Pärchen gekauft.

Zuletzt bearbeitet am 08.11.10 20:08

Datei-Anhänge
Teilplan Tel. Rhythmus S 1264.jpg Teilplan Tel. Rhythmus S 1264.jpg (621x)

Mime-Type: image/pjpeg, 321 kB

Noch gefällt der Beitrag keinem Nutzer.
!
!!! Fotos, Grafiken nur über die Upload-Option des Forums, KEINE FREMD-LINKS auf externe Fotos.    

!!! Keine Komplett-Schaltbilder, keine Fotos, keine Grafiken, auf denen Urheberrechte Anderer (auch WEB-Seiten oder Foren) liegen!
Solche Uploads werden wegen der Rechtslage kommentarlos gelöscht!

Keine Fotos, auf denen Personen erkennbar sind, ohne deren schriftliche Zustimmung.

Den Beitrag-Betreff bei Antworten auf Threads nicht verändern!
07.11.10 21:58
Klaus 

500 und mehr Punkte

07.11.10 21:58
Klaus 

500 und mehr Punkte

Re: Telefunken-Gegentaktendstufe ?

Hallo Alfred,

es handelt sich bei der Schaltung um eine Gegentaktendstufe, bestehend aus je einem Triodesystem (oben) als NF-Verstärker sowie Phasenumkehrstufe (unten) und 2 Pentodensystemen als Endröhren.
Idealerweise sollten die Pentoden bei dieser Schaltung identisch sein; wenn sie nicht zu sehr voneinander abweichen, wirst du es vermutlich gar nicht hören, wenn die Abweichungen nur gering ausfallen. Der Effekt bei ungleichen Röhrenparametern ist eine unsymmetrische Verstärkung der beiden Halbwellen. Messtechnisch wird man es sicherlich nachweisen können (Klirrfaktor), gehörmäßig eher nicht.

Viele Grüße
Klaus

Zuletzt bearbeitet am 07.11.10 22:12

07.11.10 22:16
Klarzeichner 

500 und mehr Punkte

07.11.10 22:16
Klarzeichner 

500 und mehr Punkte

Re: Telefunken-Gegentaktendstufe ?

Hallo apollo,

ergänzend sei darauf hingewiesen, dass der einwandfreie Zustand der beiden 0,01uF-Kondensatoren vor den Steuergittern der Endröhren (C 314 und 316, wenn ich das richtig entziffere) einwandfrei sind. Du solltest nachmessen, ob an den beiden Steuergittern (jeweils Pin 8) KEINERLEI Gleichspannung zu messen ist (2 Volt ist schon zuviel). Gleichspannung deutet auf lecke Kondensatoren hin. Das ruiniert den Klang und die Röhren!

Ansonsten halte dich an Klaus' Angaben. Mit ungleichen Röhren kann man nichts kaputtmachen, man erreicht bloß nicht das Optimum an Leistung und Klirrgrad.

Viel Freude mit "Rhythmus" wünscht der

Klarzeichner

07.11.10 22:38
wumpus 

Administrator

07.11.10 22:38
wumpus 

Administrator

Re: Telefunken-Gegentaktendstufe ?

Hallo Alfred,
die bei Dir verwendete Gegentaktendstufe hat eine gemeinsame automatische Gitterspannungserzeugung über den Kathodenwiderstand. Diese Schaltungsvariante kann in gewissen Grenzen die Ströme durch beide Röhren angleichen. Die Schaltung dürfte bei 8,3 Volt eine Gegentakt-AB-Stufe sein. Hier ist der Klirrfaktor deutlich geringer, als bei Eintakt-A (weil ein Teil der Oberwellen gegenphasig sind). Solche Stufen erreichen ohne Ultralinearschaltung ca. 3-5 % statt 10%. Ultralinearschaltung können bei optimierten Aufbau dann auch unter 1 - 3 % erreichen.

Das zusammen zeigt, dass Röhrenpaare nicht schaden, aber in einem normalen Radio nicht sein müssen. Natürlich muss das Gerät ansonsten fehlerfrei sein.

Weitere Informationen zu Gegentaktendstufen und Ultralinearendstufen sind auch im Wumpus-Kompendium zu finden:
http://www.oldradioworld.de/ultra.htm


Gruß von Haus zu Haus Rainer (Forum-Admin)

Möge kein Mögel-Dellinger-Effekt auftreten.

Zuletzt bearbeitet am 08.11.10 07:51

07.11.10 23:38
apollo 

Administrator

07.11.10 23:38
apollo 

Administrator

Re: Telefunken-Gegentaktendstufe ?

Hallo Klaus, hallo Klarzeichner, hallo Rainer.
Ich liebe dieses Forum. Nach kurzer Zeit absolut kompetente Aufklärung. Danke!
Dann werde ich jetzt meine 2 neuen Röhren einstecken, und wenn der Klang in Ordnung ist, dann ist es für mich auch in Ordnung. Ich wollte nur verhindern, daß ich durch nicht abgeglichene Röhrenkombi auf längere Zeit etwas zerstöre.
Vielen Dank und liebe Grüsse
Alfred

07.11.10 23:46
apollo 

Administrator

07.11.10 23:46
apollo 

Administrator

Re: Telefunken-Gegentaktendstufe ?

Klarzeichner:
Hallo apollo,

ergänzend sei darauf hingewiesen, dass der einwandfreie Zustand der beiden 0,01uF-Kondensatoren vor den Steuergittern der Endröhren (C 314 und 316, wenn ich das richtig entziffere) einwandfrei sind. Du solltest nachmessen, ob an den beiden Steuergittern (jeweils Pin 8) KEINERLEI Gleichspannung zu messen ist (2 Volt ist schon zuviel).

Viel Freude mit "Rhythmus" wünscht der

Klarzeichner


Hallo Klarzeichner, danke für den Zusatztipp. Das trau ich mir zu.
Danke, Alfred

 1
 1
Gegentaktendstufen   Röhrenparametern   Gegentakt-AB-Stufe   01uF-Kondensatoren   Schaltungsvariante   Wiedergabe-Frequenzen   Telefunken-Gegentaktendstufe   Mögel-Dellinger-Effekt   Klarzeichner   Ausgangsleistung   Gitarrenverstärkern   Wumpus-Kompendium   Steuergittern   Ultralinearschaltung   Kathodenwiderstand   Phasenumkehrstufe   Pentodensystemen   Gegentaktendstufe   Gitterspannungserzeugung   Ultralinearendstufen