| Passwort vergessen?
Sie sind nicht angemeldet. |  Anmelden

Sprache auswählen:

Wumpus Gollum Forum von
Wumpus Welt der (alten) Radios
Sie sind nicht angemeldet.
 Anmelden

Spannendes Radiochassis
  •  
 1
 1
12.06.10 21:12
jmueller 

100-249 Punkte

12.06.10 21:12
jmueller 

100-249 Punkte

Spannendes Radiochassis

Hallo Alle zusammen!

Auf dem Sperrmüll stand gestern im Regen eine Musiktruhe von Philips mit Plattenspieler. Was ich da sah, hab
ich noch nie nie gesehen! In dem Gerät war ein Radiochassis, das SENKRECHT eingebaut war!!
Mit Aluminiumfront und richtig schicken Bedienungsknöpfen, außerdem schon teilw. transistorisiert.
darum schätze ich das ganze so um Anfang 70er. Ich konnte das Chassis in äußerlich gutem
Zustande ausbauen, aber im Betrieb läuft es sehr fehlerhaft. Ich suche eine Lösung.


Beschreibung des Geräts:

Chassis aus Philips Phonobox. (Name: "Ama*zonas???" oder ist das die Holzmarke)

Chassisbezeichnung:

Type 12RF660
65 Watt

Stereoempfang, teilweise mit Transistoren
UKW, KW. MW, LW, Phono und (MONO?) schalter Oo

Endröhren ECL86
EF183, ECH81
UKW Tunerteil mit zwei getrennten Trioden(!) PC900
EM87

Stereodecoder mit 4 Transistoren (kann man als Modul herausziehen!)

..uvm.

Das Gerät sieht ziemlich apart aus. Interessante Bandkern-Trafos und besonders der Tuner
mit zwei kleinen PC900.
Das Netzteil ist separat auf eine Spanplatte montiert.
Das gesamte Gerät ist für den Senkrechten Einbau konzipiert worden. So ist auch die Skala vertikal,
und in der Bedienleiste alle Knöpfe untereinander.



Folgende Fehlerbeschreibung:

Im UKW Empfang kann man per magisches Band zwar Sender auffinden, jedoch hört man fast nichts.
Lediglich AUSSERHALB der Sendefrequenz-Mitte kann man schwach etwas hören. Dies ist auch nur möglich,
wenn man sich langsam von außen (auch nur von einer Seite) an den Sender herantastet. Geht man mehr
in den abgestimmten Zustand, hört man nichts mehr. Deshalb dachte ich, Ursache vielleicht in der
Verstärkungsregelung oder im Ratiodetektor zu suchen.

Im Mittelwellenbereich habe ich anfangs noch schwach DLF empfangen können, jetzt gar nichts mehr.

Eigener Fortschritt bisher:
Das Chassis ist Stereo und außerdem teilweise mit Transistoren im Dekoder und in einer Schaltstufe für
die Stereoanzeige.
Deshalb macht mich dieses Gerät total konfus!! So viele "Black Boxes". Naja, so schlimm auch nicht.
Aber ich kann die Signale nicht gut verfolgen.


Niederfrequenzteil ist okay. Alles summt und brummt.
250 volt Versorgungsspannung okay. Beim Transistordekoder weiß ich nicht genau,
aber an einem Pin hab ich ca 20 Volt gemessen.

Nach dem ZF-filter kommt die 10,7mhz ZF korrekt heraus, Pegelmaximum bei Sendermitte.
Das Signal geht in die Pentode EF183 zur Zwischenverstärkung... aber danach verschwindet das Signal.
Anodenspannung ist da. Als ich auf Gitter g2 die Gitterspannung messen wollte, wurde der Ton lauter.
Hier greift, glaube ich, eine Verstärkungsregelung an, aber da weiß ich bei dem gerät nicht weiter.
Ich Habe keinen Schaltplan!! Ich habe eine regelspannung vom Ratiodetektor gesucht und
weiß nicht genau, wo ich messen soll. Scheinbar kommt die regelspannung gar nicht von da.

Als ich die Spannung von g2 mal probeweise auf Null gelegt habe, ist der Empfang lauter geworden..
aber immer noch viel zu leise, und keine Anzeige von Stereoempfang auch beim stärksten Sender. (BFBS)

Mich irritiert, daß auch AM empfang nicht funktioniert. Auf einmal hatte ich eine HF-Spannung
am Eingang des Fm Ratiodetektors, die der Senderfreqenz entsprach (z.b. 543 khz).
Da konnte ich immer verdrehen, die frequenz ging mit.
Dabei hätte ich doch immer 480 khz ZF kriegen müssen?? Ist bei der Mischung was kaputt?



Kommt das jemandem bekannt vor? Hat jemand von euch Schaltungsunterlagen?
Das Chassis ist wirklich schön und ich will wenigstens einmal Stereo damit hören!
Ich kenne nämlich sonst nur Mono Radios. Hmm. "DAS NEUE KLANGWUNDER STEREOEMPFANG..."

Mit vielen Grüßen

Jan Müller.

wumpus gefällt der Beitrag.
!
!!! Fotos, Grafiken nur über die Upload-Option des Forums, KEINE FREMD-LINKS auf externe Fotos.    

!!! Keine Komplett-Schaltbilder, keine Fotos, keine Grafiken, auf denen Urheberrechte Anderer (auch WEB-Seiten oder Foren) liegen!
Solche Uploads werden wegen der Rechtslage kommentarlos gelöscht!

Keine Fotos, auf denen Personen erkennbar sind, ohne deren schriftliche Zustimmung.

Den Beitrag-Betreff bei Antworten auf Threads nicht verändern!
12.06.10 22:42
puntomane 

500 und mehr Punkte

12.06.10 22:42
puntomane 

500 und mehr Punkte

Re: spannendes radiochassis

Hallo Jan,

Glückwunsch zum Fund
Das Chassis stammt bestimmt aus der Truhe Jupiter Stereo. Das ZF-Teil ist sehr rar aufgebaut, das Schirmgitter der EF 183 bekommt nur eine sehr geringe (ca.3,5V) Gleichspannung. im Ratiodetektor steckt ein ca. 4µF/80V Elko der evtl. gealtert ist.
An Pkt.9 der mit Pkt.7 verbunden ist, sollte die Ratiospannung bei stärkerem Sender (ca. >15V) meßbar sein. Diese Spannung geht auch zum Tuner Eingang und Bedämpft das Eingangssignal. Die Kathode der ECH ist über R25 an Masse und sollte ca.1,5V bei ca.10mA Betriebsstrom, Spannung führen
An Pkt.10 des Ratiodetektors geht das FM Signal zum Monoschalter und über Elko (Tantal)C91 zum Decoder.

Viel Erfolg

Gruß
Harry

Zuletzt bearbeitet am 13.06.10 06:50

13.06.10 17:07
jmueller 

100-249 Punkte

13.06.10 17:07
jmueller 

100-249 Punkte

Re: spannendes radiochassis

Hallo Harry!

Juhu! Ich hab was gefunden!!

Der Fehler war am Schirmgitter! Ich habe eine Spannung von -0,5V gemessen, also negativ. Der 120 kOhm WIDERSTAND, der dem Gitter die positive Vorspannung zuführt, war defekt, Widerstand gemessen=unendlich! Also hat sich statisch eine kleine negative Ladung auf dem Schirmgitter gesammelt und nichts mehr durchgelassen. darum wurde es gestern auch lauter, als ich mein Meßgerät zwischen das Gitter und Masse klemmte.

Hier übrigens noch ein Meß-Fehler, den ich gemacht habe, für alle interessant:
Gestern wollte ich die Regelspannung vom Ratiodetektor messen, und weil diese negativ ist, habe ich die Polung einfach
am Meßgerät umgekehrt (Stecker umgetauscht). Sollte man aber so nicht machen, weil ich dann in dieser Polung beim Schirmgitter von der EF183 weitergemessen habe, und habe die negative Polung so übersehen. Weiter hab ich mir nichts dazu gedacht.
Der defekte Widerstand jedenfalls sieht äußerlich völlig intakt aus...

Nach Austausch des Widerstands kam der Empfang in voller Lautstärke. Ich messe jetzt allerdings so
32V - 55V Schirmgitterspannung. Liegt da vielleicht ein Kommafehler vor?

Die anderen Werte, die Du mir gegeben hast, werden ziemlich so eingehalten. Die Ratiospannung, die Du meintest,
habe ich an besagtem 4uF Elko gemessen. Meintest Du das?Ich messe 17 Volt.

Vielen Dank für den Tip, Harry!


UKW empfang und am empfang gehen jetzt wieder, nur stereoempfang geht nach wie vor nicht. Außerdem stimmt die Mitten-
einstellung auf den Sender irgendwie nicht ganz mit dem Magischen Band überein. Wenn ich am Ratiodetektor die Ratiospannung messe, bin ich immer viel genauer.

Woher kommt eigentlich die Regelspannung (die Z.B. auch zur Anzeigeröhre geht)?
Ich würde mir gerne auch noch mal den Stereodecoder vornehmen.

Vielen Dank und schöne Grüße an Alle,

Jan Müller

13.06.10 18:34
Klaus 

500 und mehr Punkte

13.06.10 18:34
Klaus 

500 und mehr Punkte

Re: spannendes radiochassis

Hallo Jan,

ergänzend zu deiner Frage nach der Regelspannung empfehle ich dir folgende Seite aus dem Kompendium:

http://www.oldradioworld.de/hints-reparaturen.htm#131

Hier findest du alles Wissenswerte zur Regelspannung erläutert.

Viele Grüße
Klaus

13.06.10 20:16
puntomane 

500 und mehr Punkte

13.06.10 20:16
puntomane 

500 und mehr Punkte

Re: spannendes radiochassis

Hallo Jan,

Glückwunsch zum Teilerfolg.
Am Eigang des 120K liegen ca. 255V. Über den R50 sollten bei gesunder Röhre ca. 1,4mA laufen (Ergibt ? V Spannungsabfall).
Die negative Ratiospannung die mit der Empfangstärke proportional steigt, liegt über den Ratioelko und wird am Punkt 7+9 für die Anzeigeröhre (EM) und für die Tuner Eingangsregelung ausgegeben. Die FM NF kommt aus Ratiodetektor Pkt 10 für den Monoschalter und über Elko C91 1µf (Tantal?) für den Stereodecoder.
Aus den Collektoren von T3 u. T4 des Decoders, kommt das Stereosignal für den NF-Verstärker.
Hast du den Ratioelko ersetzt? (Altert gerne)
Evtl. versuchte schon jemand die Abgleichschrauben festzuziehen (kommt vor!).

Viel Erfolg bei der weiteren Fehlerbehebung.

Gruß
Harry

14.06.10 12:47
jmueller 

100-249 Punkte

14.06.10 12:47
jmueller 

100-249 Punkte

stereodecoder

Hallo Harry,

also der Ratioelko scheint ok zu sein. Da hat auch keiner was verdreht.

Ich habe mir den Stereodecoder ausgebaut und genau angeguckt. Was ich herausfinden
konnte, ist Folgendes:

-es gibt jeweils zwei HF- und zwei NF transistoren.
-die NF transistoren ac126 würde ich als NF-verstärker für rechten und linken Kanal einordnen
(sind beide hinter der Vierer-diodenschaltung, sind beide baugleich, münden in jeweils einen (Ausgangs)Pin
-die (HF) Transistoren AF126 sind wahrscheinlich für Signalverstärkung intern, für Pilot usw.
-der obere AF126 ist direkt mit einer Leitung verbunden, die auch zum schaltverstärker der
stereoanzeige führt (hier müßte pilotton 38 khz zu finden sein)
XX die stereoanzeige habe ich geprüft, und sie reagiert auf ein signal 38khz, >2,5Vpp mit Einschalten der Stereolampe

XXX aus dem Sterodecoder kommt aber überhaupt kein Signal. Leitung für Stereoanzeige ist wie tot.

-Betriebsspannung ok, liegt am ersten pin am modul vorn an (pins zu mir, bauteilseite oben), masse ist pin3

pin1=+22 volt
pin2=Pilot ausgang
pin3=masse
pin4= NF ausgang rechts oder links
pin5= NF ausgang links oder rechts
pin6= eingang, vom ratiodetektor

Hast Du ein Schaltbild des Decoders, um die Schaltung besser zu verstehen? Ich glaube jetzt, da könnten die beiden
HF transistoren defekt sein. NF Transistoren SCHEINEN ja ok zu sein, weil NF ausgangssignal geliefert wird. Nur, wie mogelt sich das jetzt vom eingang zum ausgang??

Gerade eben bin ich dabei, das stereomodul auf Breadboard(Teststeckbrett) zu klemmen zur externen Signal-
eingabe. Hab ich die pinbelegung so richtig?


Schöne Grüße,

Jan Müller

14.06.10 19:45
puntomane 

500 und mehr Punkte

14.06.10 19:45
puntomane 

500 und mehr Punkte

Re: Spannendes Radiochassis

Hallo Jan

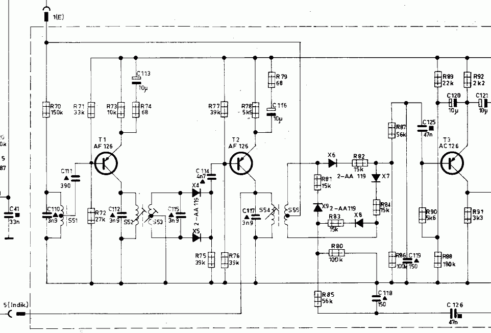
Anbei der Schalplan Auszug_Decoder
Wie ich bereits geschrieben habe, über C91 1µF Tantal bekommt der Decoder das MPX-Signal
Viel Erfolg

Gruß
Harry

Datei-Anhänge
Decoder_a.gif Decoder_a.gif (557x)

Mime-Type: image/gif, 25 kB

Decoder_b.gif Decoder_b.gif (417x)

Mime-Type: image/gif, 11 kB

14.06.10 20:39
jmueller 

100-249 Punkte

14.06.10 20:39
jmueller 

100-249 Punkte

Re: Spannendes Radiochassis

Oh wow, vielen Dank, Harry! :O)

Mache mich sofort dabei!

Grüße,

Jan

19.06.10 15:00
jmueller 

100-249 Punkte

19.06.10 15:00
jmueller 

100-249 Punkte

Spannendes Radiochassis - Endbericht

Na jetzt aber!!

Endlich ist es gelungen. Der Stereodecoder des 12RF660 war defekt! Mit Hilfe der Schaltungsunterlage
konnte ich den Fehler finden. Danke nochmal, Harry! :O)

Fehlersuche und Endbericht:

Mit dem Chassis hatte ich zwar Empfang, jedoch nur Mono und keine Stereoanzeige. Darum habe ich
mich auf die Schaltkreise in und um den Stereodecoder konzentriert.


Die Black Box des Decoders besteht vereinfacht aus folgenden Elementen:

-Spannungsversorgung

-Eingang des ganz normal demodulierten NF-Signals aus dem Ratiodetektor (Stereoinformationen sind
in diesem NF-Signal immer mit eingebettet, werden aber in Monogeräten einfach nicht verarbeitet)

- Verarbeitung des Stereosignals

-Ausgabe der beiden nun getrennten Kanäle für rechts und links

-Ausgabe einer Spannung für Stereoempfangsanzeige, der sogenannte Pilot-Ton

-dieser Pilot- Ton wird intern aus den Schaltkreisen des Decoders ausgekoppelt und über einen
Schaltverstärker´einer Glühbirne zugeführt, die vorne in der Skalenanzeige sitzt und leuchtet,
wenn man Stereoempfang hat (Indikator - Ausgang, 5)


Den Fehler habe ich sozusagen "von zwei Seiten aus" eingegrenzt:

-Als erstes immer Kontrolle der korrekten Betriebsspannung. Diese sollte 18 Volt betragen, Istwert 20 Volt. ok.

-Ratiodetektor - NF liegt am Decoder an. Der Weg der NF geht nämlich allein durch den Decoder ---
und Monoempfang konnte ich ja hören. Das Monosignal mogelte sich halt nur undecodiert durch.

-die Stereoempfangsanzeige funktionierte bei externer Eingabe eines 38 khz-Signals einwandfrei
(ich glaube so bei 2 Vpp)

- JEDOCH kein Signal aus dem Indikator-Ausgang des Decoders.


Zur weiteren Prüfung habe ich den Decoder aus der Hauptplatine gezogen, in eine "Breadboard"
Versuchsplatine gesteckt und mit der korrekten Versorgungsspannung 18 V beaufschlagt. Hier konnte ich
nach Lust und Laune auf alle Bauteile zugreifen, Spannungsmessungen durchführen und mit externen
Signalen und dem Oszilloskop die Verstärker und die Schwingkreise testen.

-Stromaufnahme 2-3 mA oder so. Also kein Kurzer, keine Verschmorungsgefahr.

- ich habe auf den NF- Eingang ein 19 Khz Signal gegeben und geschaut, was die Schaltung macht.
Der Erste HF transistor AF126 (T1) lieferte an seinem Kollektor ein verstärktes Signal, war also ok.

-Nach dem zweiten HF T2 war KEIN signal mehr vorhanden.
Vermutung: Transistor defekt (wegen zu hoher Versorgungsspannung?Kann nur Vce=15 Volt vertragen...)
Ich habe die Basisvorspannung von T2 gemessen, 14 Volt. Der intakte T1 hatte nur ca 7V. Indiz für
einen Sperrschicht- Durchbruch (dachte ich). Also:

-Diesen Transistor AUSGETAUSCHT. Zunächst im Internet nach Vergleichstypen gesehen, dabei aber nur
wenig Informatives gefunden. Dann habe ich mir das Datenblatt des AF126 mal angesehen:

Eigenschaften:

PNP Germanium, Vce = 15 V, Ic=? (vergessen), bis 70 Mhz, Verstärkungsfaktor hfe=50-75

Überlegung:

Ich kann genausogut einen Siliziumtransistor nehmen, weil Germanium seine Vorteile eigentlich nur
bei extrem niedrigen Betriebsspannungen zeigt (so < 1,4 Volt, zum Beispiel bei Hörgeräten mit 1,5V Batterie)

70 Mhz Grenzfrequenz brauchte ich ebenfalls nicht einhalten, das nur Oberschwingungen bis 180 khz oder so
überhaupt vorkommen (wenn der ratiodetektor DAS überhaupt schafft)

Vce wollte ich etwas höher wählen. Hfe etwa gleich oder etwas höher.


XXXXX Und oh Wunder, sofort gibt es ganz viele Möglichkeiten, was man aus seiner kleinen Wunderkiste so
rausziehen und einbauen kann. Ich habe einen BC177 gefunden.

BC177:

pnp silicium nf transistor, Uce = 45V, Ic=100mA, hfe>70, TO18-Gehäuse.

Den habe ich dann eingelötet (die Beinchen muß man etwas verbiegen wegen anderer Pin-Belegung).

XXXX
Ergebnis: Die Messungen waren fast identisch wie mit dem alten Transistor. Basisvorspannung zu hoch, 14 Volt.
Das wars also nicht.

Also geht die Suche weiter, siehe unten:

Zuletzt bearbeitet am 19.06.10 15:52

19.06.10 15:49
jmueller 

100-249 Punkte

19.06.10 15:49
jmueller 

100-249 Punkte

Spannendes Radiochassis - Endbericht

Die Basisvorspannung kam mir sehr verdächtig vor. Wenn sie zu hoch ist, muß also entweder irgendwo
Strom zufließen--oder zu wenig strom abfließen (im Spannungsteiler). Deshalb habe ich mal bei ausgelötetem
T2 den Widerstand der RC-Beschaltung nach Plus, und den Widerstand der Filterspule S54 gemessen.


XXXX Durch die Spule S54 floß KEIN Strom von Kollektor T2 nach Masse. Drahtbruch?? Hier geht übrigens
auch der Indikatorausgang (5) ab. AHA.

Im Schaltbild sieht man deutlich, daß der Filter fünf Anschlüsse nach außen führt. Auf der Platine konnte man
jedoch nur vier Anschlußbeinchen sehen, plus Gehäuseabschirmung. Durch diese beobachtung habe ich
geschlossen, daß ein Spulenanschluß am Gehäuse befestigt sein muß - der Masseanschluß von S54.

-Filter ausgelötet, nach Verbindungsstelle zum Gehäuse gesucht. Mit der Lupe loses Drahtende entdeckt,
ca 1mm unter der einen Lötfahne der Gehäuseabschirmung.

XX
Dieses lose Drahtendchen muß dort schon jahrelang so gehangen haben... vielleicht schon immer!!
da ist doch eigentlich kein Zug drauf. Jedenfalls nicht so eine solide Verarbeitung. Der Draht war wohl
ursprünglich um die Lötfahne gewickelt worden und dann gleichzeitig mit dem Filter in der Platine verlötet.

Reparatur:

Verpressung des Spulenkörpers im Blechgehäuse lösen. Dazu habe ich mithilfe eines SCHARFEN
Seitenschneiders jeweils zwei Kerben beidseitig der Verpressung geschnitten und das Blech laschenartig
aufgebogen. Der Spulenkörper konnte nun herausgezogen werden.

Die kurzen noch vorhandenen Drahtenden (ca 5mm) wurden vorsichtig verzinnt. Dann ein kurzes
Litzendrähtchen aus einer Schwachstromlitze (eins von den vielen dünnen Drähtchen) dort angelötet.
Zur Hilfe bei so kleinen Teilen verwende ich zum Halten immer kleine Bällchen von Silikonknetmasse
(Radierknetmasse). Nur so kann man den Lötdraht direkt der Lötstelle zuführen und das Flußmittel kann wirken.
Die Drahtenden richtet man vorher mithilfe der Knetmasse parallel und schlüssig aus.

Die entstandene Verlängerung habe ich dann einmal zu einer kurzen Schleife gebogen, dann den
Spulenkörper wieder vorsichtig in das Gehäuse zurückgeschoben. Die Litze darf sich dabei nicht wieder
herausschieben, sondern soll als Entlastungsschleife im Gehäuseinnern liegen. Isolierung war ja
auch keine nötig. Durchlaßprüfung.

Dann habe ich die Litze vorsichtig zweimal um die Lötfahne des Gehäuses gewickelt, aber so, daß sie
beim Einlöten nicht beschädigt wird. dann am unteren Gehäuserand verlötet. Erneute Durchlaßprüfung.

Dann habe ich die Spule wieder eingelötet (aber nicht so tief), erneut geprüft und dann in der Meßschaltung
die Basisvorspannung geprüft: Dieses Mal Vb=9 Volt!!

Heureka.
XXX Nach Einbau in das Radio hatte ich auf einmal Stereoempfang! Allerdings nur bei den stärkerem Sendern.
Ich bin mir sicher, daß der Ratiodetektor verstellt ist, denn wenn ich an einem Kern drehe, wird der Empfang
deutlicher.Allerdings verschiebt sich jetzt irgendwie die Senderabgleichanzeige (Magisches Band) noch mehr
und ich hab nur Stereoempfang, wenn der Sender schon fast wieder rausgedreht ist. Da habe ich den Kern
wieder zurückgedreht (vorher Markierung gemacht!!)



Erfahrung!!!!
Ein Vergleich zwischen AF126 und dem Ersatztyp BC177 hat ergeben, daß der BC177 nicht nur geeignet
zum Ersatz ist, sondern den Stereoempfang sogar um ca 1/4 verbessert! (gemessen an der Pilotspannung).
Auch bei schwachen Sendern. Siliciumtransistoren sind also durchaus als Ersatz für Germaniumtrans. geeignet.
Warum haben die wohl Germanium benutzt? Vielleicht gab es zu der Zeit sogar nur Germanium?
Weiß das jemand?


Schluß:
Jetzt muß ich noch den Ratiodetektor abgleichen. Da traue ich mich nicht so ran, weil ich nicht weiß, welcher
Abgleichkern was bewirkt. Ich habe da normalerweise so einen "Trick" mit einem Stück Ferritstab,
(dranhalten und gucken) aber der klappt hier nicht.


Kann mir jemand einen Schaltungsaufbau und eine Abgleichvorschrift vom Ratiodet. besorgen? Da würde ich mich
sehr freuen. dann wär das Gerät nämlich wieder perfekt!

Mit vielen Grüßen,

Jan Müller 19.6.10

Übrigens nochmal vielen Dank für die Hilfe! Was ich schreibe, ist bei mir wohl 'n büschn lang?
Werde auch mal Skizzen und Fotos beifügen.

Zuletzt bearbeitet am 19.06.10 16:44

 1
 1
Stereoempfangsanzeige   Radiochassis   Schaltverstärker´einer   Senderabgleichanzeige   Verstärkungsregelung   Schaltungsunterlage   Versorgungsspannung   Vierer-diodenschaltung   Mittelwellenbereich   Ratiodetektor   Stereoempfang   Schirmgitterspannung   Siliciumtransistoren   Entlastungsschleife   Basisvorspannung   Stereodecoder   Verschmorungsgefahr   Stereoinformationen   Schaltungsunterlagen   Transistoren