| Passwort vergessen?
Sie sind nicht angemeldet. |  Anmelden

Sprache auswählen:

Wumpus Gollum Forum von
Wumpus Welt der (alten) Radios
Sie sind nicht angemeldet.
 Anmelden

Lautsprcher Verdratung
  •  
 1
 1
26.06.08 11:45
Mwombat 

50-99 Punkte

26.06.08 11:45
Mwombat 

50-99 Punkte

Lautsprcher Verdratung

Hallo zusammen,

da mir zu dem Radio leider der schaltplan fehlt, hoffe ich das mir einer aus der Erfahrung herraus einen Tipp geben kann wie die Lautsprecher richtig angeschlossen werden sollten.

Vorhanden sind 3 Lautsprecher (Hochtöner, Mitteltöner links im Bild und Tieftöner rechts im Bild).

Auf dem Tieftöner ist ein Kondensator angebracht. Dieser ist zwischen dem linken und dem rechten Anschluß angeschlossen.

"Angeschlossen" war es wie folgt:
Tieftöner: links und Mitte vom Radio
links und rechts der Kondensator
links und mitte zum Mitteltöner
rechts zum Hochtöner
Mitteltöner: links und rechts vom Tieftöner (denke ist OK)
Hochtöner: links ohne Anschluß
rechts auf den rechten Kontakt vom Tieftöner

Dem gefühl nach würde ich sagen, muß der Hochtöner mitte und rechts am Tieftöner angeschlossen sein, oder?

Außerdem habe ich das Gefühl, das der Hochtöner defekt ist. Eine weitere Frage wäre, kann man den durchmessen und wie?

Fragen über Fragen?

Gruß und danke

Mathias

Datei-Anhänge
Lautsprecher1.jpg Lautsprecher1.jpg (333x)

Mime-Type: image/pjpeg, 103 kB

Lautsprecher2.jpg Lautsprecher2.jpg (319x)

Mime-Type: image/pjpeg, 132 kB

Noch gefällt der Beitrag keinem Nutzer.
!
!!! Fotos, Grafiken nur über die Upload-Option des Forums, KEINE FREMD-LINKS auf externe Fotos.    

!!! Keine Komplett-Schaltbilder, keine Fotos, keine Grafiken, auf denen Urheberrechte Anderer (auch WEB-Seiten oder Foren) liegen!
Solche Uploads werden wegen der Rechtslage kommentarlos gelöscht!

Keine Fotos, auf denen Personen erkennbar sind, ohne deren schriftliche Zustimmung.

Den Beitrag-Betreff bei Antworten auf Threads nicht verändern!
26.06.08 14:57
Wolle 

500 und mehr Punkte

26.06.08 14:57
Wolle 

500 und mehr Punkte

Re: Lautsprcher Verdratung

Hallo Matthias.

Kannst Du bitte Typ und Hersteller des Radios angeben? Den Hochtonlautsprecher kannst Du mit dem Ohmmeter kontrollieren. Bein Anlegen einer kleinen Gleichspannung (1,5 Volt) sollte ein Knacken zu hören sein.

Mit vielen Grüßen.
Wolle

Editiert 27.06.08 08:10

27.06.08 08:21
Wolle 

500 und mehr Punkte

27.06.08 08:21
Wolle 

500 und mehr Punkte

Re: Lautsprecher Verdrahtung

Hallo Matthias.

Sind der Tief- und der Mitteltonlautsprecher vom gleichen Typ? Das ist aus dem Bild nicht sicher zu erkennen. Vom Anschlußschema her würde ich sagen, daß beide Lautsprecher in Reihe geschaltet sind. Der Hochtonlautsprecher wird in Reihe mit dem Kondensator dazu parallel geschaltet.
Eine Frage zum vorigen Thread. Auf der Darstellung des Chassis ist eine Röhre UABC80 eingetragen. Ist eventuell die EABC80 gemeint oder steckt dort wirklich eine U- Röhre?
Chassis: 653W, Musiktruhe Imperial 9000W, Hersteller Continental Osterode, Baujahr etwa 1953.

Viele Grüße.
Wolle

Editiert 27.06.08 08:56

Datei-Anhänge
Lautsprecher.jpg Lautsprecher.jpg (329x)

Mime-Type: image/pjpeg, 45 kB

27.06.08 08:55
Mwombat 

50-99 Punkte

27.06.08 08:55
Mwombat 

50-99 Punkte

Re: Lautsprcher Verdratung

Hallo Wolle,

Oh, sicher hast Du recht, habe das ganz vergessen. Da mir leider die originale Rückwand fehlt, kenne ich nicht die genaue Bezeichnung. Ich habe Dir einmal einen Link zu meiner Hompage per Mail gesendet. Dort findest Du viele Bilder und das an Information was ich gefunden habe.

Nun zu den Daten die ich kenne:

Hersteller: Continetal -Imperial
Typ: Radio mit Dual Plattenspiel
Radio: vermutlich 622W

Den Hochtöner habe ich mit einem Multimeter durchgemessen, dass Ergebniss 6,8 Ohm. Ist das dann Ok? Den Batterietest habe ich noch nicht gemacht (habe das erst heute morgen glesen).

Sorry leider habe ich noch nicht mehr Daten dazu.

Danke und Gruß Mathias

27.06.08 09:02
Wolle 

500 und mehr Punkte

27.06.08 09:02
Wolle 

500 und mehr Punkte

Re: Lautsprcher Verdratung

Hallo Mathias.

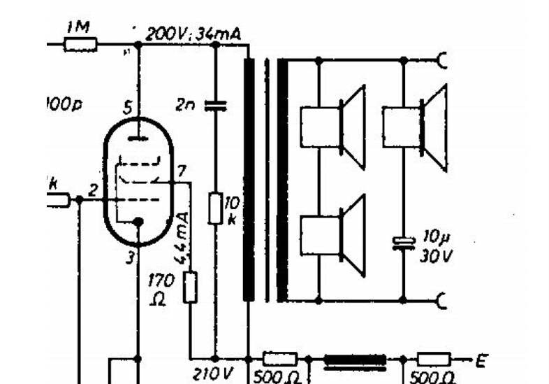
Das ist doch schon viel und deckt sich mit meinen Annahmen aus der vorigen Antwort. Ich habe dort einen Schaltungsauszug zur Lautsprecherverdrahtung angefügt und hoffe, daß es Dir weiterhilft.

Viele Grüße.
Wolle

27.06.08 09:02
Mwombat 

50-99 Punkte

27.06.08 09:02
Mwombat 

50-99 Punkte

Re: Lautsprcher Verdratung

Hallo Wolle,

ups habe jetzt doch etwas länger für meine Nachricht gebraucht (wenn nicht immer die Arbeit dazwischen kämme ).

Danke für die zusätzlichen Daten also kein 622w sondern ein 653W.

Mit der Röhre hast Du recht (muß ich dann noch ändern) Siehe Bild.

Optisch sehen die Lautsprecher gleich groß aus, habe noch nicht die Hülle abgemacht, kann ich aber einmal machen.

Aha, so könnten die Lautsprecher angeschlossen gewesen sein. Werde ich mal heute abend schauen.

Wenn der H-Töner defekt ist, was kann man denn als ersatz nehmen?

Gruß Mathias

Datei-Anhänge
EABC80.jpg EABC80.jpg (303x)

Mime-Type: image/pjpeg, 27 kB

27.06.08 09:54
Wolle 

500 und mehr Punkte

27.06.08 09:54
Wolle 

500 und mehr Punkte

Re: Lautsprcher Verdratung

Hallo Mathias.

In diesen Truhen wurden eventuell beide Chassis eingesetzt. Da bei Deinem Chassis eine EF41 fehlt, ist das Chassis 622W möglich. Ich schicke Dir beide Schaltungen. Unterscheidung: Der 653W hat zwei Kurzwellenbereiche, der 622 hat nur einen.
Als Hochtöner sind alle bauähnlichen mit einer Impedanz zwischen 8 und 16 Ohm einsetzbar. Der in Reihe liegende Kondensator begrenzt den Frequenzgang nach unten und bevorzugt die Höhen.

Mit vielen Grüßen.
Wolle

PS. Deine Homepage habe ich besucht.

Editiert 27.06.08 10:37

27.06.08 11:04
Mwombat 

50-99 Punkte

27.06.08 11:04
Mwombat 

50-99 Punkte

Re: Lautsprcher Verdratung

Hallo Wolle,

2x Kurzwelle sehe ich nicht. Ich habe den Bereich Kurz (mit der Kurzwellen Lupenfunktion) und den normalen (eingeängten) UKW Bereich. Wenn ich das Tastenlayout richtig deute ist es ein 622W.

Danke schon mal für die Schaltbilder (hoffe das ich als alter Maschinenbauer damit klar komme )

Hast Du vielleicht noch eine Idee was das lose Kabel welches an der Taste "Breit" hängt, bedeuten kann? - Könnte Schalter 3-4 sein!?

Danke Gruß Mathias

P.S. Schalpläne dankend erhalten.

(Edit: Bild angehängt)

Editiert 27.06.08 11:22

Datei-Anhänge
Unklare Kabel.jpg Unklare Kabel.jpg (336x)

Mime-Type: image/pjpeg, 151 kB

27.06.08 11:39
Wolle 

500 und mehr Punkte

27.06.08 11:39
Wolle 

500 und mehr Punkte

Re: Lautsprcher Verdratung

Hallo Mathias.

Bei dem Kabel bleibt nur die Möglichkeit, den Anschluß, der noch vorhanden ist, ausfindig zu machen. Erst dann kann an Hand des Stromlaufplanes der Anschluß des anderen Endes festgestellt werden. Aus dem Bild ist nicht ersichtlich, wo der Draht hinführt.
Mit dem Schaltplan kommst Du klar, Radios sind ja auch irgendwo Maschinen.

Viele Grüße.
Wolle

27.06.08 11:57
Mwombat 

50-99 Punkte

27.06.08 11:57
Mwombat 

50-99 Punkte

Re: Lautsprcher Verdratung

Hallo Wolle,

denke das bei den Schiebetastern eine Zählreihenfolge üblich ist, oder?
Werde mal versuchen die Kontakte abzuzählen. Wenn es vom Schaltknopf aufwärts gezählt wird, könnte 3-4 möglich sein. Schau mir das aber auf jeden Fall nocheinmal an.

Gruß Mathias


 1
 1
Kurzwellenbereiche   Maschinenbauer   Hochtöner   Lautsprecher   Schaltungsauszug   Schiebetastern   Unterscheidung   Lautsprecherverdrahtung   Mathias   angeschlossen   Tieftöner   Mitteltonlautsprecher   Zählreihenfolge   Kondensator   Lautsprcher   Stromlaufplanes   Verdratung   Anschlußschema   Hochtonlautsprecher   Gleichspannung