| Passwort vergessen?
Sie sind nicht angemeldet. |  Anmelden

Sprache auswählen:

Wumpus Gollum Forum von
Wumpus Welt der (alten) Radios
Sie sind nicht angemeldet.
 Anmelden

Siemens Truhe TR2 schwächelt nach 2 Minuten
  •  
 1 2
 1 2
18.03.10 12:10
Uliresi 

250-499 Punkte

18.03.10 12:10
Uliresi 

250-499 Punkte

Siemens Truhe TR2 schwächelt nach 2 Minuten

Hallo zusammen,

ich hab hier eine Truhe stehen, die seit einiger Zeit etwas schwächelt.
Das Radio wurde, was die Kond. angeht, überholt. Hat gut funktioniert, auch der nachträglich eingesetzte Plattenpieler von PE
hat gut funktioniert.

Nun bringt das Gerät beim Einschalten gute Power und fällt dann stetig ab. Nur noch leise und etwas krächzende Töne.
Ich dachte direkt an eine defekte Röhre. Hab die ECH 81 mal gegen ne andere gebrauchte gewechselt und hatte den Eindruck, das wars. Aber nun zeigt sich der Fehler immer noch.

Vielleicht hat jemand von Euch das schon oft gehabt und kann mir direkt sagen woran´s liegt.
Die Endstufenröhren ECL 82 hab ich bei meinem Lieferanten gar nicht gefunden..

Gruß der UL

Noch gefällt der Beitrag keinem Nutzer.
!
!!! Fotos, Grafiken nur über die Upload-Option des Forums, KEINE FREMD-LINKS auf externe Fotos.    

!!! Keine Komplett-Schaltbilder, keine Fotos, keine Grafiken, auf denen Urheberrechte Anderer (auch WEB-Seiten oder Foren) liegen!
Solche Uploads werden wegen der Rechtslage kommentarlos gelöscht!

Keine Fotos, auf denen Personen erkennbar sind, ohne deren schriftliche Zustimmung.

Den Beitrag-Betreff bei Antworten auf Threads nicht verändern!
18.03.10 14:27
Wolle 

500 und mehr Punkte

18.03.10 14:27
Wolle 

500 und mehr Punkte

Re: Siemens Truhe TR2 schwächelt nach 2 Minuten

Hallo Uli.

Nach Deiner Beschreibung würde ich einen Fehler im Gegentaktverstärker annehmen. Dieser Fehler müßte dann auch bei Plattenwiedergabe bestehen. Koppelkondensatoren sind ersetzt? Was ist mit dem Kathodenelko? Ansonsten wäre ein Röhrenfehler (ECL82) möglich.

Viele Grüße.
Wolle

18.03.10 14:35
Uliresi 

250-499 Punkte

18.03.10 14:35
Uliresi 

250-499 Punkte

Re: Siemens Truhe TR2 schwächelt nach 2 Minuten

Hallo Wolle,
erstmal schon Danke für die Antwort!

der Fehler besteht auch bei Plattenwiedergabe. Habe sogar das Gefühl, das der Fehler sich bei Plattenwiedergabe schneller zeigt.
Die Elkos sind neu.
Es gibt gleich2 ECL 82.
Wie könnte sich der Fehler im Gegentakt Verstärker darstellen?

Könnte es auch damit zusammenhängen, dass ich die beiden + Pole des Stereo Plattenspieler verbunden hab? Kann ich mir aber doch nicht vorstellen...

Gruß Uli

Zuletzt bearbeitet am 18.03.10 14:49

18.03.10 15:13
Wolle 

500 und mehr Punkte

18.03.10 15:13
Wolle 

500 und mehr Punkte

Re: Siemens Truhe TR2 schwächelt nach 2 Minuten

Hallo Uli.

Miß bitte mal die Betriebsspannungen an den beiden ECL82. Da der Verstärker im Gegentakt arbeitet, werden zwei Röhren gebraucht. Diese beiden Röhren sollten möglichst in ihren Kennwerten übereinstimmen.
Anhand der Meßwerte lassen sich dann weitere Aussagen machen. Hast Du eine Schaltung?

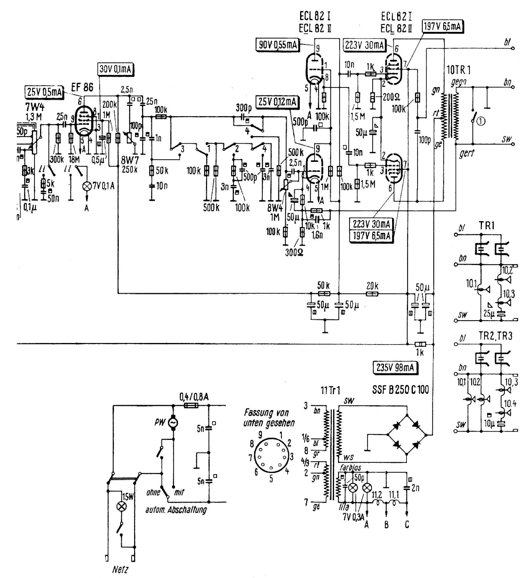
Als Anhang eine Darstellung der Endstufe.

Viele Grüße.
Wolle

Zuletzt bearbeitet am 18.03.10 17:56

Datei-Anhänge
tr2_endstufe.png tr2_endstufe.png (421x)

Mime-Type: image/x-png, 143 kB

18.03.10 21:07
otti61 

100-249 Punkte

18.03.10 21:07
otti61 

100-249 Punkte

Re: Siemens Truhe TR2 schwächelt nach 2 Minuten

Hallo Uliresi,

Ich habe mir mal kurz die Schaltung angesehen.
Also ich tippe auf den 200 Ohm Katodenwiderstand. Schau mal ob der verfärbt ist. Der Katodenkondensator wäre auch zu überprüfen. Wenn das nicht hilft, das Gleiche bei den Vorstufen. Denn wenn das auch bei Plattenwiedergabe auftritt, kann es nur im NF Teil sein.
Ich hatte so etwas mal an einer Endstufe in einem "Iperial" Gerät. Da war es ein Widerstand mit einem Kappenfehler.

Gruß Matthias

20.03.10 11:46
Uliresi 

250-499 Punkte

20.03.10 11:46
Uliresi 

250-499 Punkte

Re: Siemens Truhe TR2 schwächelt nach 2 Minuten

Hallo Wolle, Hallo Matthias,

habe mal die Betriebsspannungen an den beiden ECL82 gemessen:

eine 210/166
die andere 160/171 was wohl zuwenig ist.

Widerstände sehen zumindest nicht abgekokelt aus. Der große 200 Ohm ist. ok.
Gruß Uli




20.03.10 11:51
Wolle 

500 und mehr Punkte

20.03.10 11:51
Wolle 

500 und mehr Punkte

Re: Siemens Truhe TR2 schwächelt nach 2 Minuten

Hallo Uli.

Was machen die Spannungen, wenn Du beide Röhren vertauschst? Wandern die Spannungen dann mit?

Viele Grüße.
Wolle

22.03.10 15:47
Uliresi 

250-499 Punkte

22.03.10 15:47
Uliresi 

250-499 Punkte

Re: Siemens Truhe TR2 schwächelt nach 2 Minuten

Hallo Wolle,
entschuldige die späte Antwort. Aber das gute Stück steht bei mir im Betrieb. So komme ich erst heute dazu. Hab nochmals gemessen. Warscheinlich war ich noch in der ersten Phase, in der das Teil ja noch geht. Da waren nun die Spannungen fast identisch.
Aber ich hab mich nochmals nach den Widerständen umgeschaut. Verfärbungen Fehlanzeige Aber:

Der 50µ Gitterkond.(er wurde noch nicht ausgetauschr, weil er ungünstig ganz am Boden montiert wurde) der einen ECL 82 sieht so aus, als wäre der ausgelaufen. Den werde ich tauschen und danach nochmals berichten.

-

Habe die 2 50µ getauscht. Guter Empfang - zunächst - dann wieder Schallplattenspieler probiert und sofort schlechte Verstärkung,
die Leistung fällt ab. Muß auch beim Plattenspieler sofort voll aufdrehen. Ich werde mir das Teil erst mal noch vornehmen.
Habe den Radio nun schon bestimmt 10 Minuten ohne Ph laufen und ist noch o.k. Vielleicht ist ein Kurzer in der Phono Zuleitung...

Gruß Uli

Zuletzt bearbeitet am 22.03.10 17:50

29.03.10 15:29
Uliresi 

250-499 Punkte

29.03.10 15:29
Uliresi 

250-499 Punkte

Re: Siemens Truhe TR2 schwächelt nach 2 Minuten

Hallo zusammen,

ich hoffe ich nerve nicht schon etwas mit dem Thema?

Ist aber seltsam mit meiner Truhe hier. Nun lief sie ein paar Tage ohne Probleme, nun fängts wieder an... Nach 5 Minuten wird sie schwächer und verzerrt beim Laut stellen.
Mache ich das Radio nicht aus, sondern nehm nur die beiden ECL82 für eine Zeitlang raus und stecke sie dann wieder ein hab ich sofort wieder gute Wiedergabe.

Deutet das evtl. darauf hin, das eine der beiden nicht mehr volle Leistung bringt?


Gruß vom Ul

19.05.10 17:38
Uliresi 

250-499 Punkte

19.05.10 17:38
Uliresi 

250-499 Punkte

Re: Siemens Truhe TR2 schwächelt nach 2 Minuten

Hallo zusammen,

es ist schon etwas her, dass ich über das Problem der Truhe geschrieben hatte. Um das Thema nicht ganz im Sande verlaufen zu lassen möchte ich nun den Abschluß berichten:
Wie sich herausgestellt hat, sassen in dem Gerät noch 3 alte 10n Kondensatoren und ein 0,05µf Kond. in dieser blauen Bonbonform...
Diese hab ich auch noch getauscht. Der Empfang wurde besser, aber der Effekt immer noch da. Nach ca. 3 Minuten Abfall der Wiedergabe in Leiser und Krächzen...
Da das kurzfristige Wechseln der ECH 81/EF 89/EF 80/ und der EABC80 nichts brachten hatte ich die Endverstärkerröhre (2Stück) im Verdacht. ECL 82.
Diese musste ich bestellen, da ich keine alte in einem anderen Gerät besass.
Ich kam dann leider auch noch aiuf die Schnapsidee die Röhren während des Radiobetriebs, nach dem Leistungsabfall probeweise zu kühlen. Das hätte ich nicht tun sollen. -> Blauer Blitz - Röhre in A..... Daher besser nicht so zu empfehlen.

Da ich nur eine Röhre erstehen konnte ist mir die Wahl, welche ich ersetzte so nicht so schwer gefallen! Und, was soll ich sagen?
Ich hatte Glück. Das Gerät läuft nun wieder seit Stunden. Kein Leistungsabfall, kein Krächzen mehr mehr. Ich werde, wenn ich ne zweite kriegen kann, diese auch noch ersetzen. Sollte aber am besten eine RFT sein...

Es lag also doch weitgehend an den Endverstärkerröhren.


Im Nachhinein nochmals Dank für Eure Mühe

Mit freundlichen Grüßen

vom Uli

 1 2
 1 2
schwächelt   Betriebszustand   Leistungsabfall   Plattenspieler   Endverstärkerröhre   Gegentaktverstärker   Minuten   Katodenkondensator   Schraubendreherheft   Schallplattenspieler   Siemens   Röhrenfernsehgeräten   Plattenwiedergabe   Katodenwiderstand   Betriebsspannungen   Koppelkondensatoren   Endverstärkerröhren   Zeilenendröhren   Leistungsröhren   Funkelspielchen