| Passwort vergessen?
Sie sind nicht angemeldet. |  Anmelden

Sprache auswählen:

Wumpus Gollum Forum von
Wumpus Welt der (alten) Radios
Sie sind nicht angemeldet.
 Anmelden

Loudness Schaltung modifizieren
  •  
 1
 1
17.10.13 21:02
radiouli 

500 und mehr Punkte

17.10.13 21:02
radiouli 

500 und mehr Punkte

Loudness Schaltung modifizieren

Hallo und guten Abend,

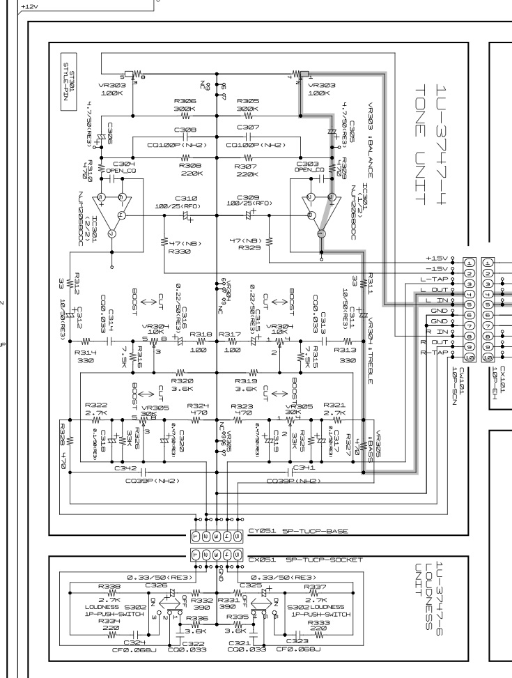
ich habe eine Denn PMA 710 Verstärker. Ich bin mit dem Teil ganz zufrieden. Eins stört mich sehr: Die Loudnessschaltung hebt Höher und Tiefen gleichermaßen an. Lieber wäre mir, die Schaltung würde nur die Bässe anheben und die Höhen linear lassen. Anbei der Laufplan, es kann doch nur ein Kondensator sein, der raus oder geändert werden muss - oder?

Grüße
Uli

Datei-Anhänge
Schaltbild.jpg Schaltbild.jpg (595x)

Mime-Type: image/jpeg, 201 kB

Noch gefällt der Beitrag keinem Nutzer.
!
!!! Fotos, Grafiken nur über die Upload-Option des Forums, KEINE FREMD-LINKS auf externe Fotos.    

!!! Keine Komplett-Schaltbilder, keine Fotos, keine Grafiken, auf denen Urheberrechte Anderer (auch WEB-Seiten oder Foren) liegen!
Solche Uploads werden wegen der Rechtslage kommentarlos gelöscht!

Keine Fotos, auf denen Personen erkennbar sind, ohne deren schriftliche Zustimmung.

Den Beitrag-Betreff bei Antworten auf Threads nicht verändern!
15.03.14 02:41
Mani

nicht registriert

15.03.14 02:41
Mani

nicht registriert

Re: Loudness Schaltung modifizieren

Am schnellsten gehts, wenn man wüßte, ob das ein Originalverhalten deines Verstärkers ist oder nicht.

Falls nicht, würde ich empfehlen, die Elektrolytkondensatoren C315/316,
C318/320,
C317/319,
und falls gar nichts mehr geht, die C321-324 zu tauschen.

Elkos sind immer ein Problem und die Haupursacher aller Veränderungen.

Herzliche Grüße

Mani

15.03.14 02:55
Mani

nicht registriert

15.03.14 02:55
Mani

nicht registriert

Re: Loudness Schaltung modifizieren

Hallo Radiouli !

Du könntest auch meiner meinung nach die Elkos C317/318 zuerst tauschen oder auf 0,15 u erhöhen.
Dann müßte mehr Bassverhältnis sein...

Liebe Grüsse

Mani

19.03.14 18:53
qw123 

500 und mehr Punkte

19.03.14 18:53
qw123 

500 und mehr Punkte

Re: Loudness Schaltung modifizieren

Hallo Uli,

radiouli:
Lieber wäre mir, die Schaltung würde nur die Bässe anheben und die Höhen linear lassen.

...es kann doch nur ein Kondensator sein, der raus oder geändert werden muss...
richtig.
genauer sind es zwei, je einer für R und L.

Für die Höhenanhebung sind die beiden Kondensatoren C323/324 zuständig. Entfernen oder Unterbrechung der Leiterbahn zu diesen Kondensatoren bewirkt, daß nur noch die Baßanhebung wirksam bleibt.
Von einem Tausch von Kondensatoren (gegen irgendwelche mit gleicher oder anderer Kapazität) würde ich absehen.

Ich nehme an, daß Dir als Profi schon klar ist, daß es sich hier nicht - wie im Schaltbild angegeben - um eine Loudness-Korrektur handelt. Und wie sie in anderen Fällen zur Kompensation der Ohrempfindlichkeit angewendet wird.
Es ist lediglich eine festeingestellte Höhen- und Bass-Anhebung, unabhängig von der eingestellten Lautstärke.

Gruß

Heinz

 1
 1
Elektrolytkondensatoren   Höhenanhebung   festeingestellte   Originalverhalten   modifizieren   Kondensator   eingestellten   Loudnessschaltung   Schaltung   Bassverhältnis   gleichermaßen   Unterbrechung   Haupursacher   Ohrempfindlichkeit   Veränderungen   Kondensatoren   Bass-Anhebung   Kompensation   Loudness-Korrektur   irgendwelche