| Passwort vergessen?
Sie sind nicht angemeldet. |  Anmelden

Sprache auswählen:

Wumpus Gollum Forum von
Wumpus Welt der (alten) Radios
Sie sind nicht angemeldet.
 Anmelden

Fernsehempfänger Telefunken FE VI
  •  
 1
 1
26.11.18 13:56
reinhard 

500 und mehr Punkte

26.11.18 13:56
reinhard 

500 und mehr Punkte

Fernsehempfänger Telefunken FE VI

Hallo zusammen,
ein "schwerwiegendes" Teil, dieses Fernsehstandgerät von Telefunken. Und "made in Germany", nix China:

Telefunken FE VI 1937
Fernsehstandgerät mit senkrecht eingebauter Bildröhre.
Bildbetrachtung über Umlenkspiegel. 441-Zeilen-Norm.

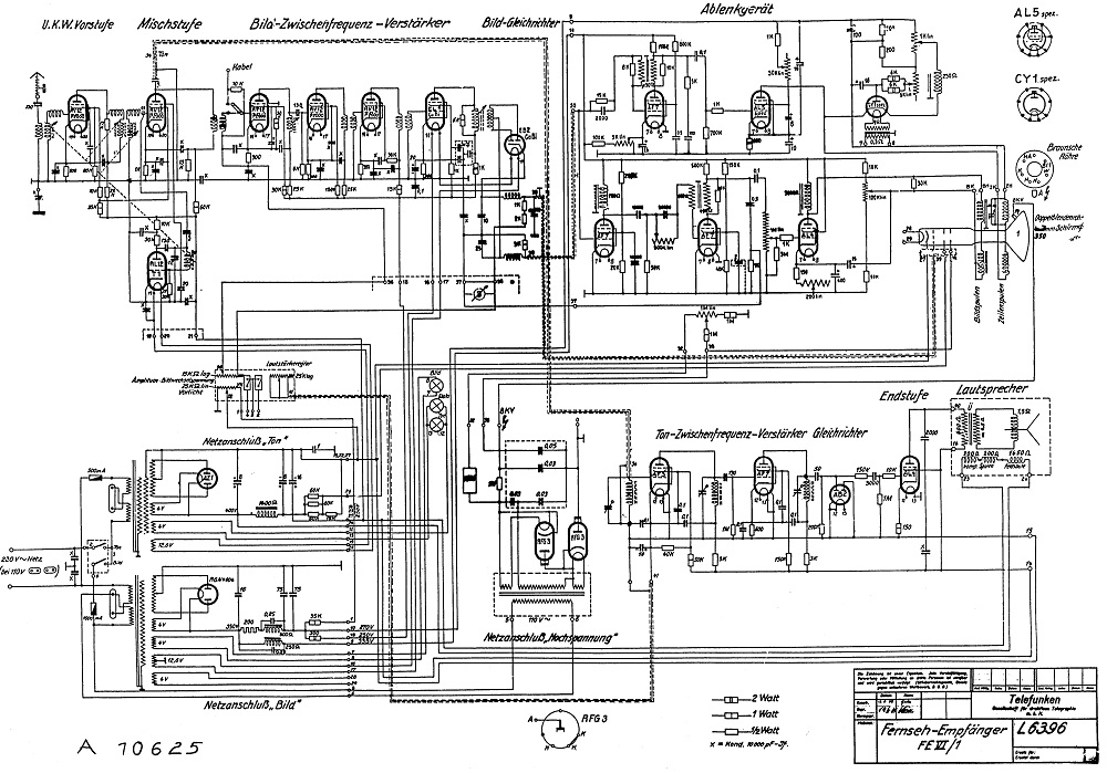
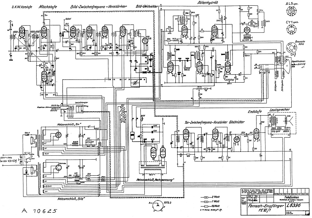
Technische Daten
Schaltung: Superhet, Parallelton
Röhren: 25 (5 x RV 12 P 2000, RL 12 T 1, 2 x EL 1, EZ 1, 4 x AF 7, AL 5 spez., 2 x AL 4, AF 3, AB 2,
AC 2, CY 1 spez., 2 x RFG 3, AZ 1, RGN 4004, Bildröhre)
Bildgröße: 21 x 26 cm
Zwischenfrequenz: Bild: 8,4 MHz, Ton: 5,6 MHz
Empfangsbereich: ca. 40-60 MHz, durchstimmbar
Lautsprecher: elektrodynamisch
Betriebsspannung: 110/220 Volt Wechselstrom
Abstimmung: induktiv, Seilantrieb
Gehäuse: Holz
Gewicht: 75 kg
Maße: Breite 65 cm
Höhe 102 cm (geschlossen)
Tiefe 47 cm

Seit dem 15. Juli 1937 galt als neue deutsche Fern-
seh-Norm: 441 Zeilen bei 25 Bw/sec, wobei nach
dem Zeilensprungverfahren 50 Halbbilder von
je 220 1/2 Zeilen übertragen werden. Der wohl
bekannteste Empfänger jener Zeit ist der FE VI von
Telefunken, dessen Braunsche Röhre wegen ihrer
beträchtlichen Ausmaße senkrecht eingebaut wurde.
Das Fernsehbild wird durch einen schräggestellten,
in der oberen Deckelinnenseite angebrachten Kristall-
spiegel nach vorne hin "umgelenkt", wobei je nach
Augenhöhe des Betrachters der Spiegel in vier Posi-
tionen eingestellt werden kann. „Dieser Empfänger
ist nach dem Überlagerungsprinzip aufgebaut und
setzt sich hinter der Vorstufe und der Überlagerungs-
stufe mit Oszillator - für Bild und Ton gemeinsam, um
die richtige Abstimmung zu gewährleisten - aus dem
Zwischenfrequenzverstärker, in dem das Bild vom
Ton getrennt wird, dem vier Röhren und den Gleich-
richter enthaltenden Bildverstärker für 4 MHz und
dem aus drei Röhren und dem Gleichrichter gebilde-
ten Tonempfänger für etwa 3 kHz zusammen. Fer-
ner sind vier Röhren und zwei Gleichrichter für das
Ablenkgerät, der Zeilen- und Bildbewegung des
Kathodenstrahls, sowie zwei Gleichrichterröhren für
den Hochspannungs- und Niederspannungsnetzteil
vorgesehen.



Bedient wird der Telefunken-Fernsehempfänger mit
zwei Doppelknöpfen, von denen der linke vorn zur
Abstimmung, hinten zur Tonlautstärke, der rechte
vorn zur Bildgrundhelligkeit, rückwärts zur Bildkon-
trasteinstellung dient. Über dem linken Doppelknopf
ist die in MHz geeíchte Skala angebracht und dane-
ben zwei Kippschalter, von denen der eine den Ton-
empfänger, der auch für sich allein betrieben werden
kann, betätigt, während der andere die Einschaltung
des Bildempfängers bewirkt. Durch zwei Leuchtfelder
wird angezeigt, ob nur Ton oder Bild bzw. Bild und
Ton gemeinsam eingeschaltet sind. Unter dem Emp-
fänger mit Zubehör ist die Schallwand mit Lautspre-
cher angeordnet." So Eugen Nesper in "DER
RADIOHÄNDLER" (H. 24, l937).










Grüße aus Berlin
Reinhard

... auch hier zu finden
http://www.welt-der-alten-radios.de/auss...detail-390.html



.

Datei-Anhänge
11278_gross.jpg 11278_gross.jpg (513x)

Mime-Type: image/jpeg, 161 kB

fe6innen1.jpg fe6innen1.jpg (478x)

Mime-Type: image/jpeg, 385 kB

11278_1.jpg 11278_1.jpg (506x)

Mime-Type: image/jpeg, 14 kB

schaltbild.jpg schaltbild.jpg (482x)

Mime-Type: image/jpeg, 286 kB

fe6innen2.jpg fe6innen2.jpg (468x)

Mime-Type: image/jpeg, 227 kB

MIRAG und Debo gefällt der Beitrag.
!
!!! Fotos, Grafiken nur über die Upload-Option des Forums, KEINE FREMD-LINKS auf externe Fotos.    

!!! Keine Komplett-Schaltbilder, keine Fotos, keine Grafiken, auf denen Urheberrechte Anderer (auch WEB-Seiten oder Foren) liegen!
Solche Uploads werden wegen der Rechtslage kommentarlos gelöscht!

Keine Fotos, auf denen Personen erkennbar sind, ohne deren schriftliche Zustimmung.

Den Beitrag-Betreff bei Antworten auf Threads nicht verändern!
26.11.18 14:09
Klarzeichner 

500 und mehr Punkte

26.11.18 14:09
Klarzeichner 

500 und mehr Punkte

Re: Fernsehempfänger Telefunken FE VI

Ein FE VI ist im electrum in Hamburg ausgestellt.

Gruß
Stefan

26.11.18 14:20
MIRAG 

500 und mehr Punkte

26.11.18 14:20
MIRAG 

500 und mehr Punkte

Re: Fernsehempfänger Telefunken FE VI

Ein weiterer im Berliner Technikmuseum.

Viele Grüße, Mark

Radioten aller Länder, vereinigt euch!

26.11.18 15:46
HB9 

500 und mehr Punkte

26.11.18 15:46
HB9 

500 und mehr Punkte

Re: Fernsehempfänger Telefunken FE VI

Hallo zusammen,

der geht nicht gerade sparsam mit Röhren um

Interessant finde ich die Hochspannungs-Kaskade mit den zwei Gleichrichterröhren, ziemlich aufwendig. Die Netztrafos mit der Schirmwicklung sind auch nicht so üblich.
Ein hübsches Gerät, garantiert diebstahlsicher...

Gruss HB9

08.12.18 22:58
Debo 

500 und mehr Punkte

08.12.18 22:58
Debo 

500 und mehr Punkte

Re: Fernsehempfänger Telefunken FE VI

Hallo Reinhard,


tolle Bilder der Innenaufnahmen !!!!!
Endlich mal den Bildteil offen zu sehen. Interessant auch die Spulenkonstruktion um den elektro-dynamischen Lautsprecher.
Genau das ist das Gerät welches auch im Technoseum steht.
Vielen Dank dafür!
Gruss
Debo

09.12.18 10:53
reinhard 

500 und mehr Punkte

09.12.18 10:53
reinhard 

500 und mehr Punkte

Re: Fernsehempfänger Telefunken FE VI

Hallo Debo, ja, das war auch der Sinn der Aktion. Man sieht ja nicht täglich TV-Geräte aus dieser Zeit von innen. Radios schon eher...
Hab ich doch "meinen" TV sofort wiedererkannt. Kleine Schadstellen verraten das.
Schönen 2. Advent und bis dann
Reinhard

 1
 1
schräggestellten   Fernsehempfänger   Niederspannungsnetzteil   Spulenkonstruktion   Deckelinnenseite   elektrodynamisch   Bildgrundhelligkeit   elektro-dynamischen   welt-der-alten-radios   Überlagerungsprinzip   Telefunken   Gleichrichterröhren   Zwischenfrequenz   Betriebsspannung   Zeilensprungverfahren   Telefunken-Fernsehempfänger   Fernsehstandgerät   trasteinstellung   Hochspannungs-Kaskade   Zwischenfrequenzverstärker