| Passwort vergessen?
Sie sind nicht angemeldet. |  Anmelden

Sprache auswählen:

Wumpus Gollum Forum von
Wumpus Welt der (alten) Radios
Sie sind nicht angemeldet.
 Anmelden

Selbstbau eines Röhrenprüfers; Fragen und Anregungen.
  •  
 1 2 3 4
 1 2 3 4
24.08.08 21:10
DC1MF 

500 und mehr Punkte

24.08.08 21:10
DC1MF 

500 und mehr Punkte

Re: Selbstbau eines Röhrenprüfers; Fragen und Anregungen.

Mini - RPG

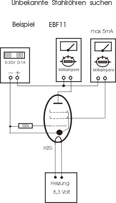
Dieser Röhrentester ist in 3 Stufen entstanden und für Anwender gedacht, die sich mit der Röhre beschäftigen.
Er setzt voraus, dass die Röhre im Prinzip verstanden wird.
1. Stufe
Hier handelt es sich um einen Kathodenprüfer, die einfachste Art eine Röhre zu prüfen.
Da ich dieses Teil auch dazu gebrauche, unbekannte Stahlröhren zu bestimmen, mit Hilfe der Sockelschaltung und des Tabellenbuches, hat das Teil mehr Buchsen, als für die Röhrenprüfung notwendig währen.
2. Stufe
Eine Weiterentwicklung mit mehr Sockel, den Spannungen laut Tabellenbuch und einer Strommessung für den Anodenstrom.
3. Stufe
Das fertige Mini - RPG
PS: Die angehängten Bilder sind von der ersten Stufe, die anderen folgen.
Viele Grüße aus Fraham
Helmut

Datei-Anhänge
RPG Kathodenpuefer.jpg RPG Kathodenpuefer.jpg (1203x)

Mime-Type: image/pjpeg, 34 kB

Stahlroehrentester 001.jpg Stahlroehrentester 001.jpg (1086x)

Mime-Type: image/pjpeg, 59 kB

Stahlroehrentester 003.jpg Stahlroehrentester 003.jpg (964x)

Mime-Type: image/pjpeg, 59 kB

Stahlroehrentester.jpg Stahlroehrentester.jpg (1057x)

Mime-Type: image/pjpeg, 37 kB

!
!!! Fotos, Grafiken nur über die Upload-Option des Forums, KEINE FREMD-LINKS auf externe Fotos.    

!!! Keine Komplett-Schaltbilder, keine Fotos, keine Grafiken, auf denen Urheberrechte Anderer (auch WEB-Seiten oder Foren) liegen!
Solche Uploads werden wegen der Rechtslage kommentarlos gelöscht!

Keine Fotos, auf denen Personen erkennbar sind, ohne deren schriftliche Zustimmung.

Den Beitrag-Betreff bei Antworten auf Threads nicht verändern!
24.08.08 22:06
DC1MF 

500 und mehr Punkte

24.08.08 22:06
DC1MF 

500 und mehr Punkte

Re: Selbstbau eines Röhrenprüfers; Fragen und Anregungen.

Zur Stufe 2
Die diente nur dem Testen, ob das Konzept brauchbar war.
Für mich stellte sich die Frage : Soll das RPG mit Prüfkarten arbeiten (wie Funke?) oder soll weiter die Sockelanschlüsse verkabelt werden?
Die Faulheit siegte, der Aufwand für die Kartenerstellung war mir zu hoch, habe nur ca. 800 Röhren, die in ca . 60 verschiedenen Arten sind.
Grüße aus Fraham
Helmut

Datei-Anhänge
RPG Mini.jpg RPG Mini.jpg (1114x)

Mime-Type: image/pjpeg, 78 kB

RPG -Mini- Stromlaufplan neu.jpg RPG -Mini- Stromlaufplan neu.jpg (1145x)

Mime-Type: image/pjpeg, 31 kB

Beate 009.jpg Beate 009.jpg (958x)

Mime-Type: image/pjpeg, 59 kB

Beate 010.jpg Beate 010.jpg (911x)

Mime-Type: image/pjpeg, 59 kB

25.08.08 16:52
DC1MF 

500 und mehr Punkte

25.08.08 16:52
DC1MF 

500 und mehr Punkte

Re: Selbstbau eines Röhrenprüfers; Fragen und Anregungen.

Stufe 3
Zum Aufbau habe ich eine Holzkiste aus dem Baumarkt genommen. Die Frontplatte stammt ebenfalls von dort (5mm Schalungstafel).
Das Messgerät hat 100µA Vollausschlag und wurde mit Scanner und Laserdrucker für den Zweck hergerichtet.

Grüße aus Fraham
Helmut

Datei-Anhänge
RPG-Mini-Neu01.jpg RPG-Mini-Neu01.jpg (1117x)

Mime-Type: image/pjpeg, 76 kB

RPG-Mini-Neu02.jpg RPG-Mini-Neu02.jpg (886x)

Mime-Type: image/pjpeg, 71 kB

RPG-Mini-Neu04.jpg RPG-Mini-Neu04.jpg (840x)

Mime-Type: image/pjpeg, 60 kB

RPG-Mini-Neu13.jpg RPG-Mini-Neu13.jpg (927x)

Mime-Type: image/pjpeg, 104 kB

25.08.08 20:30
wumpus 

Administrator

25.08.08 20:30
wumpus 

Administrator

Re: Selbstbau eines Röhrenprüfers; Fragen und Anregungen.

Hallo Helmut,
ich muss und will Dich loben. Das ist ein wirklich gutes Projekt und gefällt mir sehr !

MFG Rainer

Möge die Welle mit uns sein und kein Mögel-Dellinger-Effekt auftreten.

25.08.08 20:38
DC1MF 

500 und mehr Punkte

25.08.08 20:38
DC1MF 

500 und mehr Punkte

Re: Selbstbau eines Röhrenprüfers; Fragen und Anregungen.

Hallo Rainer,
vielen Dank für die Blumen.
Werde den "Rest" die nächsten Tage noch einstellen.
Hoffentlich gibt es einigen Bastlern anregungen.
Mit freundlichen Grüßen aus Fraham
Helmut

Editiert 25.08.08 20:55

25.08.08 20:55
roehrenfreak

nicht registriert

25.08.08 20:55
roehrenfreak

nicht registriert

Re: Selbstbau eines Röhrenprüfers; Fragen und Anregungen.

Guten Abend Helmut,

feine Arbeit, die Du uns hier vorstellst! Einen RPG in so kompakter (und leichter) Bauweise ist schon etwas Besonderes. Mein Funke W19S dürfte mit gut 15kg zu Mittel-Erde gezogen werden und ist nur deshalb tragbar weil ein Griff dranne ist! Hast Du eventuell auch an eine portable Version mit Batterie-Betrieb gedacht? Das wäre nämlich der Knüller für den Besuch auf Radiobörsen usw. Dafür schleppe ich mich momentan noch mit dem W19S plus DC/AC-Inverter mit 20Ah-Akku ab, was auch nochmal gut 18kg auf die Waage bringt. Besonders wichtig wäre noch, daß das Gerät sich messtechnisch wie ein "Funke" benimmt, um qualitativ vergleichbare Ergebnisse zu erhalten. Die Sache ist ja so, daß sehr viele Angebote für gebrauchte Röhren auf einen Funke RPG referenziert werden und dies fast allgemein schon als Massstab angesetzt wird (was nicht unbedingt auch richtig sein muss!).

MfG
Jürgen rf

Jeder Mensch kann irren, nur der Tor wird im Irrtum verharren (Cicero)

25.08.08 21:13
Klaus 

500 und mehr Punkte

25.08.08 21:13
Klaus 

500 und mehr Punkte

Re: Selbstbau eines Röhrenprüfers; Fragen und Anregungen.

Hallo Helmut,

auch von mir ein Kompliment zu deinem Eigenbau-RPG.
Ich habe das Funke W19 vor vielen Jahren kennengelernt und war von dessen Größe und Gewicht beeindruckt.

Ein kleines Gerät wie deines, womöglich noch netzunabhängig, stellt schon eine große Hilfe z.B. auf dem Flohmarkt oder auf Radiobörsen dar.
Sollte es dann noch vergleichbare Werte liefern wie das Funke - umso besser.

Viele Grüße
Klaus

Nachtrag: Man könnte auch überlegen, ob nicht zumindest ein Verweis hierher im Unterforum "Bastelobjekte" sinnvoll wäre.
Eben hat gerade das Layout die Farbe gewechselt, gefällt mir persönlich besser als das vorherige Braun.

Editiert 25.08.08 21:17

25.08.08 22:09
DC1MF 

500 und mehr Punkte

25.08.08 22:09
DC1MF 

500 und mehr Punkte

Re: Selbstbau eines Röhrenprüfers; Fragen und Anregungen.

Hallo Jürgen rf
Hallo Klaus
Vielen Dank für die Anregungen, aber portable Geräte gibt es schon in Massen, mit deren
Schaltungen konnte ich mich nicht anfreunden, vielleicht kennt ihr bessere?!
Habe das Gerät gebaut, da ich für meine Röhren einen Tester brauchte, der die Daten lt. Tabellenbuch messtechnisch nachweisen konnte.
Der Tester sollte nicht zu teuer sein und vorhandene Meßmittel nutzen.
Die Steilheit der Röhren muss gemessen werden können, wenn die Restlebensdauer bestimmt werden sollte.
Auch sollte eine Auffrischung der Röhren möglich sein, sowie die Erweiterung, Endstufenpaare über die gesamte Kennlinie zu vergleichen, da ich viel mit NF-Endstufen arbeite (repariere).

Was Funke betrifft, ich habe etliche Jahre mit verschiedenen Funke RPGs gearbeitet, die sind mir aber zu teuer, also musste eine Billiglösung her.
Meine Lösung ist in der Handhabung eindeutig dem Funke unterlegen, keine Karten, 5 Leitungen müssen gesteckt werden, dafür misst es die die Röhrendaten nach Tabellenbuch, dh. nach Herstellerangaben.

Übrigens das neue Layout gefällt mir sehr gut, ist irgendwie frischer....

Viele Grüße aus Fraham
Helmut


Editiert 25.08.08 22:14

26.08.08 16:29
Volker 

500 und mehr Punkte

26.08.08 16:29
Volker 

500 und mehr Punkte

Re: Selbstbau eines Röhrenprüfers; Fragen und Anregungen.

Hallo Helmut,

sehr schönes Projekt von dir, das mich daran erinnert, dass ich mein Röhrenprüfer-Projekt immer noch im Hinterkopf habe. Mir ist durch deine Bauweise auch klar geworden, dass von Anfang an Flexibilität und Erweiterungsmöglichkeiten einplant werden sollten. Das heißt nach meiner Meinung:


  • Bananenbuchsen und Strippen statt Drehschalter, was auch billiger ist.
  • Übergroßes Gehäuse für Erweiterungen, um z.B nachträglich Netzteile und Messinstrumente einbauen zu können.
  • Unterteilte Frontplattensegmente, um Änderungen vornehmen zu können.
  • Verwendung von Kupplungen und Steckerleisten für die leichte Montage und Demontage der einzelnen Segmente.


Den Aufwand mit Prfükarten halte ich nicht für gerechtfertigt, wenn man den Röhrenprüfer nur gelegentlich verwendet. Dieser Röhrenprüfer steht ja nicht in einer Werkstatt mit mehreren Angestellten, die jeden Tag viele Radios reparieren.

Viele Grüße Volker
vy 73 SM5ZBS

26.08.08 20:26
DC1MF 

500 und mehr Punkte

26.08.08 20:26
DC1MF 

500 und mehr Punkte

Re: Selbstbau eines Röhrenprüfers; Fragen und Anregungen.

Hallo Volker,
schön das ich dir einige Anregungen geben konnte, das war auch der Sinn und Zweck dieser Vorstellung.
Möchte heute das "Netzteil" vorstellen:
Habe überlegt, was ich alles da habe und eigendlich nicht viel gebaut.
Viele Grüße aus Fraham
Helmut

Datei-Anhänge
RPG TRENN-REGELTRAFO-ANODE.jpg RPG TRENN-REGELTRAFO-ANODE.jpg (1226x)

Mime-Type: image/pjpeg, 55 kB

 1 2 3 4
 1 2 3 4
Steuergitterspannungsquelle   Gitterspannungsquelle   Schwingschutzwiderstand   Keramik-3-Stufenschalter   LCD-Einbaumessinstrumente   Röhrenprüfer   NF-Endstufen-Schwingschutz   Schirmgitterspannungen   Erweiterungsmöglichkeiten   Röhrenprüferhersteller   Steuergitterspannungen   Roehren-Geschichtliches   Selbstbau   Haftungsinspruchnahme-Vermeidung   Anodenspannungsquelle   Elektrodenschluss-Prüfung   Anregungen   Röhrenprüfers   Mögel-Dellinger-Effekt   Kathodenmessverfahrens