| Passwort vergessen?
Sie sind nicht angemeldet. |  Anmelden

Sprache auswählen:

Wumpus Gollum Forum von
Wumpus Welt der (alten) Radios
Sie sind nicht angemeldet.
 Anmelden

Loewe 3nf mit dem Funke W 18 Rpg 4/3 prüfen
  •  
 1 2
 1 2
19.12.16 17:27
Stevo 

100-249 Punkte

19.12.16 17:27
Stevo 

100-249 Punkte

Loewe 3nf mit dem Funke W 18 Rpg 4/3 prüfen

Erst mal einen schönen guten Tage an alle hier im Forum, ich habe ein kleines Problem.
Habe einen Funke W 18 mit dem Zusatz, auch die richtige Prüfkarte ist vorhanden.
Der Sockel mit der Nummer 32 ist für die Loewe Röhren und ich habe auch einen Sockel für die 3nf.
Nun zu meiner eigentlichen Frage: Wie schließe ich die Röhre an ??
Die Bananenstecker an den 3nf Sockel zu machen ist ja nicht schwer nur wo stecke ich die in den Loewe Sockel mit der Nr. 32 rein??
Hat irgendwer Beispielbilder wie ich das richtig mache, anhand derer ich das dann nachvollziehen kann??

Vielen Dank schon mal im Voraus.




Gruß

Stefan

Datei-Anhänge
k-IMG_20161219_170337.jpg k-IMG_20161219_170337.jpg (627x)

Mime-Type: image/jpeg, 55 kB

Noch gefällt der Beitrag keinem Nutzer.
!
!!! Fotos, Grafiken nur über die Upload-Option des Forums, KEINE FREMD-LINKS auf externe Fotos.    

!!! Keine Komplett-Schaltbilder, keine Fotos, keine Grafiken, auf denen Urheberrechte Anderer (auch WEB-Seiten oder Foren) liegen!
Solche Uploads werden wegen der Rechtslage kommentarlos gelöscht!

Keine Fotos, auf denen Personen erkennbar sind, ohne deren schriftliche Zustimmung.

Den Beitrag-Betreff bei Antworten auf Threads nicht verändern!
21.12.16 12:18
WoHo 

500 und mehr Punkte

21.12.16 12:18
WoHo 

500 und mehr Punkte

Re: Loewe 3nf mit dem Funke W 18 Rpg 4/3 prüfen

Hallo Stefan

Eigentlich müssten alle Informationen auf der Prüfkarte (in Deinem Besitz) stehen. Bitte mach' auch noch ein Foto davon...

Es könnte sein, dass in Fassung 32 noch ein Adapter für die 3NF gesteckt werden muss? Eventuell sogar ein weiterer Zusatzkasten, wo noch mehr Loewe-Fassungen drauf sind?

So eine Fummelei mit losen Strippen ist unprofessionell....

MfG Wolfgang

Zuletzt bearbeitet am 21.12.16 13:49

21.12.16 16:23
Stevo 

100-249 Punkte

21.12.16 16:23
Stevo 

100-249 Punkte

Re: Loewe 3nf mit dem Funke W 18 Rpg 4/3 prüfen

Hallo Wolfgang,

den Zusatz für Militärröhren und für die 3nf habe ich, das Foto mit der Nr. 32 ist für Loewe Röhren und befindet sich in dem extra Kasten.
Ich habe keinen Adapter sondern muss mit Bananensteckern und einem Sockel für die 3nf Arbeiten, daher meine Frage.
Von dem Vorbesitzer habe ich definitiv gesagt bekommen, das die 32 für die Loewe Röhren ist und ich mir einen Adapter selbst machen muss.
Ich hatte vergessen ihn zu fragen wie man das anschließt. Komme an den guten Mann nicht mehr ran, aufgrund des alters.
So ganz unprofessionell finde ich die ganze Sache nicht, denn ich möchte die Kabel an der Fassung schon fest löten. Und was spricht dagegen wenn ich in den 32 Sockel dann die Enden reinstecke?? Ich möchte ja nicht mit Krokodilklemmen oder was auch immer arbeiten. Ich denke mal jetzt erscheint mein Vorhaben doch hoffentlich in einem anderen Licht.
Natürlich habe ich vor mir einen richtigen Adapter aus meinem Sockel zu bauen, den ich oben nur noch raufzustecken brauch, aber alles braucht seine Zeit.





Gruß Stefan

Datei-Anhänge
k-WP_20161221_16_16_58_Pro.jpg k-WP_20161221_16_16_58_Pro.jpg (596x)

Mime-Type: image/jpeg, 138 kB

k-WP_20161221_16_15_58_Pro.jpg k-WP_20161221_16_15_58_Pro.jpg (638x)

Mime-Type: image/jpeg, 169 kB

21.12.16 16:43
WoHo 

500 und mehr Punkte

21.12.16 16:43
WoHo 

500 und mehr Punkte

Re: Loewe 3nf mit dem Funke W 18 Rpg 4/3 prüfen

Lieber Stefan,

Um der Sache näher zu kommen, bräuchte ich zwei Fotos von der Karte zum Test des ersten Systems, und dann die andere Karte zum Test des dritten Systems. Bitte beide in voller Größe, damit alle Anweisungen zu lesen sind.

Ich selber habe den Funke W16. Dort wird auf einen Zusatzkasten mit verschiedenen Loewe-Fassungen verwiesen. Dieser wird in die Europafassung des W16 eingesteckt und dann gemäß den Anweisungen durchverbunden.

MfG Wolfgang

21.12.16 16:56
Stevo 

100-249 Punkte

21.12.16 16:56
Stevo 

100-249 Punkte

Re: Loewe 3nf mit dem Funke W 18 Rpg 4/3 prüfen

So Wolfgang ich habe jetzt mal ein paar Fotos gemacht von den Karten. Das 2. System ist nicht prüfbar.
Bild vom Zusatzkasten ist auch mit bei, und wie gesagt die Nr. 32 ist für Loewe und auch für die 3nf gedacht.
Der zusätzliche Adapter fehlt natürlich aber den möchte ich mir ja nun basteln.









Gruß

Stefan

Datei-Anhänge
k-WP_20161221_16_47_33_Pro.jpg k-WP_20161221_16_47_33_Pro.jpg (601x)

Mime-Type: image/jpeg, 137 kB

k-WP_20161221_16_47_41_Pro.jpg k-WP_20161221_16_47_41_Pro.jpg (587x)

Mime-Type: image/jpeg, 136 kB

k-WP_20161221_16_47_50_Pro.jpg k-WP_20161221_16_47_50_Pro.jpg (625x)

Mime-Type: image/jpeg, 145 kB

Zusatz.jpg Zusatz.jpg (632x)

Mime-Type: image/jpeg, 57 kB

21.12.16 19:34
WoHo 

500 und mehr Punkte

21.12.16 19:34
WoHo 

500 und mehr Punkte

Re: Loewe 3nf mit dem Funke W 18 Rpg 4/3 prüfen

Hallo Stefan,
ich denke, dass ich Dir helfen kann.

Wie gesagt, ich besitze den Zusatz für Loewe Röhren, aber zugeschnitten für den W16.
Dein RPG 4/3 ist anders, also muss ich das anpassen.

Bevor ich jetzt eine Skizze mache, brauch' ich noch die genaue Position der beiden Löcher -NUR in der obersten Reihe- von Karte 144 und 145.

Die oberste Reihe hat insgesamt 22 Löcher. Bitte zähle von links nach rechts.

MfG, Wolfgang

21.12.16 20:39
Stevo 

100-249 Punkte

21.12.16 20:39
Stevo 

100-249 Punkte

Re: Loewe 3nf mit dem Funke W 18 Rpg 4/3 prüfen

So ich habe jetzt mal ein paar Fotos gemacht wie die Nadeln gesteckt sind.
144.........14 und 16 von links nach rechts.
145...........7 und 14

Danke das du mir so prima hilfst, möchte nämlich gerne eine 3nf Bat testen. :-)



Datei-Anhänge
k-WP_20161221_20_27_39_Pro.jpg k-WP_20161221_20_27_39_Pro.jpg (583x)

Mime-Type: image/jpeg, 164 kB

k-WP_20161221_20_29_21_Pro.jpg k-WP_20161221_20_29_21_Pro.jpg (572x)

Mime-Type: image/jpeg, 153 kB

21.12.16 23:51
WoHo 

500 und mehr Punkte

21.12.16 23:51
WoHo 

500 und mehr Punkte

Re: Loewe 3nf mit dem Funke W 18 Rpg 4/3 prüfen

Guten Abend Stefan

Habe mir mal das Verdrahtungsschema der Hauptplatte angesehen.

Funke hat zur Vereinfachung die Typen 3NF, 3NF Bat und 3NF Net alle als elektrisch gleichwertig angesehen. Das ist falsch, weil es -wie schon heute angemerkt- größere Unterschiede in den Anodenströmen (durch später vorgenommenen Verbesserungen) gibt. Ich habe da so meine Zweifel, ob die GUT Anzeigen auf den Karten richtig sind. Man müsste das mal mit NOS Röhren überprüfen. Aber wer hat denn sowas zur Verfügung ???

Und weil ja alle drei Typen zu testen sind, darf man den Mittelkontakt nicht einbeziehen, hat ja die 3NF sowieso nicht.
Weiterhin fällt auf, dass der Ia des 1. Systems (Karte 144) weit unter 1 mA liegt. Das kommt dadurch, dass röhrenintern sehr hohe Außenwiderstände (M Bereich) eingefügt sind. Genaugenommen werden die Anodenströme von System 1 und System 2 gemessen.

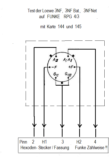
In der beigefügten Skizze sehen wir die Loewe-Bajonett Fassung von UNTEN gesehen.

Die Anoden von System 1 und 2, Karte 144, werden mit dem Hexodenstecker-Fassung Pinn 4 verbunden und führen dann zu A1.

Die Anode von System 3, Karte 145, wird mit der Hexodenstecker-Fassung Pinn 2 verbunden und führen dann zu A1.

Die beiden Gitteranschlüsse liegen parallel und werden mit der Hexodenstecker-Fassung Pinn 3 verbunden und führen dann zu G1.

Die Heizanschlüsse gehen ebenfalls an die entsprechenden Pinne der Hexodenstecker-Fassung.

Ich gehe davon aus, dass dein Zusatzkasten über die erwähnte Hexodenstecker-Fassung Verbindung läuft.
Ganz wichtig: Die Pinn-Bezeichnung ist laut Funke Dokumentation (!) und weicht ab von der normalen Zählweise! Sollte das unbekannt sein, bitte nachfragen.

Ein Problem bleibt unbeantwortet: Wo liegen die besagten Anschlüsse an der Sonderfassung 32 ?? Das musst Du bitte selber durchklingeln.
Zweites Problem: Was für ein Stecker gehört darein und hast Du sowas ....??

Hoffentlich habe ich das einigermaßen verständlich überbringen können? Wenn nicht, bitte nachfragen!

MfG, Wolfgang

Zuletzt bearbeitet am 21.12.16 23:52

Datei-Anhänge
B1-wgf.png B1-wgf.png (699x)

Mime-Type: image/png, 37 kB

B1-wgf.png B1-wgf.png (618x)

Mime-Type: image/png, 37 kB

22.12.16 08:40
wumpus 

Administrator

22.12.16 08:40
wumpus 

Administrator

Re: Loewe 3nf mit dem Funke W 18 Rpg 4/3 prüfen

Hallo zusammen,

selten gibt es über eine Röhre (oder besser Röhrenfamilie), wie über die 3NF-Varianten so viele zum Teil widersprüchliche Angaben, auch im WWW. Dazu kommen Varianzen durch Loewe selbst, die in den Produktions-Losen auch nicht immer konsequent waren. Gern wurden auch Sockelschaltbilder oben-unten-Betrachtungen verwechselt

Meine Lehre daraus: Vermeide Experimente, vermeide unnötige Röhrenprüfungen, misstraue Röhrenprüfern - auch mit Adapterschaltungen. Warum? Weil u.a. die Heizfäden sehr empfindlich gegen Überspannungen sind.

Die 3NF gehört sicher zur "Blaue Mauritius - Klasse": Vorsicht ist die "Mutter der Porzellan-Kiste".

Weitere Infos zu den 3NF-Varianten auch hier:
http://www.welt-der-alten-radios.de/tech...roehren-69.html

Gruß von Haus zu Haus
Rainer (Forumbetreiber)

"Vom Mund zum Ohr auf dem Strahle der elektrischen Kraft!"

22.12.16 10:09
WoHo 

500 und mehr Punkte

22.12.16 10:09
WoHo 

500 und mehr Punkte

Re: Loewe 3nf mit dem Funke W 18 Rpg 4/3 prüfen

Guten Morgen Rainer

Ich kann verstehen, dass Du Enttäuschungen vermeiden willst. Daher Deine Warnungen:

" Vermeide Experimente, vermeide unnötige Röhrenprüfungen, misstraue Röhrenprüfern - auch mit Adapterschaltungen. Warum? Weil u.a. die Heizfäden sehr empfindlich gegen Überspannungen sind.
Die 3NF gehört sicher zur "Blaue Mauritius - Klasse": Vorsicht ist die "Mutter der Porzellan-Kiste"."


Nun ist unser Stefan sicherlich ein "Altgedienter", er wird -bevor er seine 3NF in den Adapter steckt- mit dem Voltmeter die Spannungen an den entsprechenden Kontakten überprüfen!

MfG, Wolfgang

Zuletzt bearbeitet am 22.12.16 10:10

 1 2
 1 2
Verdrahtungsschema   Gedankenänderung   welt-der-alten-radios   unprofessionell   gut-brauchbar-schlecht   oben-unten-Betrachtungen   widersprüchliche   Loewe-Fassungen   Gitteranschlüsse   Pinn-Bezeichnung   reproduzierbaren   Zusatzkasten   Adapterschaltungen   Wolfgang   Außenwiderstände   Produktions-Losen   unterschiedlichen   Sockelschaltbilder   Porzellan-Kiste   Hexodenstecker-Fassung