| Passwort vergessen?
Sie sind nicht angemeldet. |  Anmelden

Sprache auswählen:

Wumpus Gollum Forum von
Wumpus Welt der (alten) Radios
Sie sind nicht angemeldet.
 Anmelden

ChatGPT beschreibt, erkennt, erklärt und berechnet Schaltungen aus Bilddateien
  •  
 1
 1
16.10.24 21:18
Volker 

500 und mehr Punkte

16.10.24 21:18
Volker 

500 und mehr Punkte

ChatGPT beschreibt, erkennt, erklärt und berechnet Schaltungen aus Bilddateien

Hallo zusammen,

was ChatGPT leistet ist schon unheimlich. Folgende Schaltungen habe ich ChatGPT als Bilddateien vorgelegt:



Das obige Beispiel stammt von mir. Die Zeichnung auch. ChatGPT hat die Schaltung richtig erkannt und mir auf Wunsch vollständig berechnet und die Berechnungswege aufgezeigt. Eingangs- und Ausgangsimpedanz hätte er sicherlich auch noch bestimmen können.

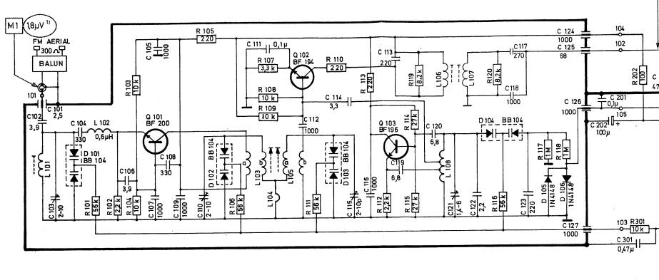
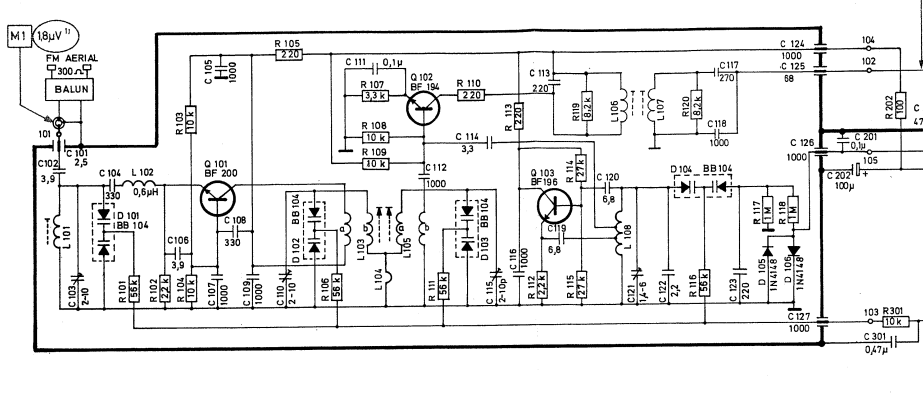
Das nächste Beispiel ist ein UKW-Tuner aus den 1970er Jahren aus dem TR-200 der Firma Tandberg:



ChatGPT hat die Schaltung erkannt, auch das ungefähre Baujahr, hat die meisten Widerstände berechnen können und auch die Induktivitäten der Spulen. Ersatztypen der Transistoren hat er auch noch vorgeschlagen. Bei der systematischen Fehlersuche war ChatGPT nicht so gut. Für die Berechnung musste ich ihm noch die Betriebsspannung von 25 Volt mitteilen, die aus dem Schaltbild nicht hervorgeht. Die Kapazitätswerte der Kondensatoren konnte er auch abschätzen.

Unter

https://elektronikbasteln.pl7.de/zeichnu...rstellen-lassen

ist die Berechnung des Emitterfolger dokumentiert. Leider gibt es keinen öffentlichen Link zur Erörterung des UKW-Tuners, da ChatGPT sich noch weigert öffentliche Links zur Verfügung zu stellen, wenn die Themen Bilder enthalten, die von den Nutzern zur Verfügung gestellt wurden. Aber jeder kann es ja selbst mit ChatGPT ausprobieren. Ich bin sicher, es wird Euch vom Stuhl hauen, wie leistungsfähig inzwischen ChatGPT geworden ist. Frei von Fehlern ist es allerdings nicht.

Es ist auf jeden Fall sehr hilfreich, wenn jemand lernen will wie Elektronik funktioniert und wie man Schaltungen versteht und berechnet. Langes Suchen bleibt einem erspart. Wenn man etwas nicht verstanden hat, kann man ganz einfach vertiefende Fragen stellen. Es ist fast wie bei einem Nachhilfelehrer. Ein Lehrer aus Fleisch und Blut hat allerdings nicht diese unendliche Geduld, die ChatGPT aufbringt und zudem zu jeder Tag- und Nachtzeit zur Verfügung steht. Dabei bleibt er immer nett und freundlich und fühlt sich nie genervt.

Viele Grüße Volker

Zuletzt bearbeitet am 16.10.24 21:31

Datei-Anhänge
Emitterschaltung.png Emitterschaltung.png (126x)

Mime-Type: image/png, 3 kB

Tandberg T2-200 UKW-Tuner.png Tandberg T2-200 UKW-Tuner.png (134x)

Mime-Type: image/png, 147 kB

Axel, Roehren-Lutz und joeberesf gefällt der Beitrag.
!
!!! Fotos, Grafiken nur über die Upload-Option des Forums, KEINE FREMD-LINKS auf externe Fotos.    

!!! Keine Komplett-Schaltbilder, keine Fotos, keine Grafiken, auf denen Urheberrechte Anderer (auch WEB-Seiten oder Foren) liegen!
Solche Uploads werden wegen der Rechtslage kommentarlos gelöscht!

Keine Fotos, auf denen Personen erkennbar sind, ohne deren schriftliche Zustimmung.

Den Beitrag-Betreff bei Antworten auf Threads nicht verändern!
17.10.24 11:40
Volker 

500 und mehr Punkte

17.10.24 11:40
Volker 

500 und mehr Punkte

Re: ChatGPT beschreibt, erkennt, erklärt und berechnet Schaltungen aus Bilddateien

Nachtrag: Jetzt habe ich noch mehr ChatGPT herauslocken können, um seine Grenzen zu erfahren und meiner Erfahrung ein eigenes Kapitel gewidmet:


ChatGPT liest, analysiert und berechnet Schaltbilder nach Deinen Anweisungen

17. Oktober 2024

Selbst die kostenlose Version von ChatGPT wird immer leistungsfähiger. Diese KI ist inzwischen in der Lage Schaltbilder, die in Form von Bilddateien vorliegen, zu lesen, zu analysieren und ihre Bauteilewerte zu berechnen. Selbstverständlich werden die Berechnungswege erklärt. Nicht immer liegt ChatGPT dabei richtig. Dennoch ist es ein mächtiges Werkzeug für die Ausbildung und die Reparatur. ChatGPT schlägt für die Instandsetzung sogar Ersatztypen von Halbleitern vor. ChatGPT gibt sogar Tipps für die systematische Fehlersuche. Schließlich wollte ich ein Berechnungsprogramm in Python erzeugt haben und eine Netzliste für eine Schaltungssimulation mit Spice. Alles kein Problem. Wohin wird die Entwicklung gehen?

https://elektronikbasteln.pl7.de/chatgpt...nen-anweisungen

Ich darf es gleich verraten: Bei der Erzeugung des Berechnungsprogramms mit Python hat sich ChatGPT verrechnet und den Fehler kapiert er nicht. Man muss also von Hand die Fehler beseitigen.

Ansonsten bin ich begeistert. Was die Berechnung von einfachen Transistorschaltungen angeht, bin ich einfach nur über allen Erwartungen positiv überrascht. Wer sich in die Elektronik einarbeiten will, soll sich ein paar didaktisch gut aufgebaute Lehrbücher herunterladen oder besorgen, um einen Überblick zu erhalten. In Verbindung damit nicht Zögern ChatGPT gezielte Fragen zu stellen, um einen Dialog aufzubauen, was motiviert und den Lernerfolg beschleunigt. Zusätzlich empfehle ich die Nutzung von kostenlosen Simulationsprogrammen wie LTSpice oder KiCad, um seine Überlegungen berechnen und überprüfen zu können.

Selbst Röhrenschaltungen kann ChatGPT analysieren. Und das ist erst der Anfang der Entwicklung.



Viele Grüße Volker

17.10.24 23:18
ingodergute 

Moderator

17.10.24 23:18
ingodergute 

Moderator

Re: ChatGPT beschreibt, erkennt, erklärt und berechnet Schaltungen aus Bilddateien

Hallo Volker,

das ist sicher eine interessante Leistung, die die KI da vollbringt.
Aber daß das geeignet ist, unkundigen Zeitgenossen das Verständnis von Elektronik zu vermitteln, bezweifle ich ein wenig, weil man das ja nicht braucht, solange man über die KI verfügt.
Wenn ich mich vom NAVI durch eine unbekannte Stadt navigieren lasse, kann ich mich ohne selbiges anschließend nicht allein in der Gegend zurechtfinden, selbst wenn ich mehrfach durchfahre. Navigiere ich selbst nach Kartenmaterial, dann kann ich das bald immer besser und habe Teile der Karte in meinem Kopf.
KI ist ein tolles Hilfsmittel aber aus meiner Sicht kein Lehrer.

Viele Grüße Ingo.


_____________
Analog bleiben!

18.10.24 06:35
Volker 

500 und mehr Punkte

18.10.24 06:35
Volker 

500 und mehr Punkte

Re: ChatGPT beschreibt, erkennt, erklärt und berechnet Schaltungen aus Bilddateien

Hallo Ingo,

deinen Gedanken kann ich nur zustimmen und habe auch diese Bedenken. Das Problem bei einer KI wie ChatGPT besteht meines Erachtens darin, dass sie nicht logisch denken kann, sondern vereinfacht erklärt nur auf extrem viele Texte zurückgreift und nach einem langen Training mit Hilfe einer Wahrscheinlichkeitsrechnung die Inhalte neu präsentieren kann. Bei sprachlich basierten Themen wie zum Beispiel aus der Geschichte, Literatur und Philosophie funktioniert ChatGPT erstaunlich überzeugend in der Wortwahl und in der Klarheit der Sprache.

Bei mathematisch-naturwissenschaftlichen Fächern versagt ChatGPT sehr oft, weil das logische Denken fehlt und Plausibilitätsprüfungen ebenfalls fehlen. ChatGPT wurde ebenfalls mit einer Unmenge von Fachbüchern aus der Elektronik trainiert und findet tatsächlich oft die richtigen Formeln für bestimmte Berechnungen. Allerdings fehlt das Verständnis und die logische Überprüfung der zum Einsatz kommenden Rechenwege. Und deshalb macht ChatGPT sehr oft fatale Fehler. ChatGPT benimmt sich wie jemand, der sehr viel auswendig gelernt hat und sein Wissen rezitieren kann ohne es verinnerlicht zu haben. Solchen Menschen fallen Widersprüche oder interessante Analogien nicht auf.

Und jetzt wird es meiner Meinung nach spannend. Wenn man das weiß, muss man alles noch einmal händisch überprüfen und selber nachdenken. Dadurch entdeckt man seine eigenen Wissenslücken und erhält ein tieferes Verständnis. Der kritische Dialog mit ChatGPT ist anregend und trägt so gesehen zu einer gesteigerten Lernmotivation bei. Für das Erlernen der Elektronik sind gute Fachbücher gerade deshalb unverzichtbar und ein Simulationsprogramm ist besonders hilfreich. ChatGPT ist nur als ein weiteres Werkzeug anzusehen.

Interessant ist auch ChatGPT beim Programmieren. Die von ChatGPT erzeugten Programme sind auch nicht fehlerfrei und durch die Fehlersuche lernt man dadurch entsprechend auch eine Menge. Ohne Grundkenntnisse der Programmierung kann ChatGPT einen allerdings auch nicht weiterhelfen. Man kann sich aber Übungsaufgaben nebst Lösungen geben lassen. Wenn ich eine Programmiersprache erlernen will, bringe ich mir die Grundkenntnisse auf Youtube bei. Bei einem speziellen Problem frage ich dann ChatGPT und recherchiere im Internet. Übrigens hat ChatGPT jetzt auch Zugriff auf das Internet und kann bei der Internetrecherche helfen. Das kann eine Menge Zeit ersparen.

Selbst Sprachen lassen sich mit ChatGPT trainieren. Die kostenlose App ChatGPT von OpenAI für Android ermöglicht sogar gesprochene Dialoge in sehr vielen Sprachen. Man spricht etwas in das Smartphone hinein und bekommt sogleich eine Antwort. Die Spracherkennung funktioniert wunderbar. Die Stimme von ChatGPT ist täuschend echt.

Künstliche Intelligenz steht erst am Anfang seiner Entwicklung und wird fast alle Lebensbereiche nach und nach verändern. Wie genau weiß niemand. Erinnern wir uns an die Anfänge des Internets vor etwa 25 Jahren mit den lahmen Modems und aus heutiger Sichtweise meist schlecht gemachten Webseiten. Viele dachten, das ist nur ein Hype, der sich in ein paar Jahren von selbst erledigen wird. Oder denken wir an das Aufkommen der Smartphones. Wer hätte gedacht, dass diese Dinger süchtig machen können? Ohne Smartphone ist man jedenfalls in Schweden in den meisten Alltagssituationen verloren. Bezahlt wird oft mit dem Smartphone. Bankfilialen gibt es fast nicht mehr und für Bankgeschäfte brauche ich auch ein Smartphone.

Übrigens habe ich diesen Text "nach alter Väter Sitte" ganz von Hand geschrieben.

Im Anhang ist eine txt-Datei. Sie stellt ein schönes Beispiel dar. Man kann sie herunterladen und dann die Endung txt durch html ersetzen. Diese HTML-Seite ruft man mit dem Browser auf und kann sich eine Emitterschaltung berechnen lassen. JavaScript muss der Browser verarbeiten dürfen. Die Seite ist das Ergebnis von ChatGPT mit eigenen Überlegungen und Überprüfungen. Sicherlich kann man das Programm noch verbessern. Ich habe erst mit Unterstützung von ChatGPT ein Python-Script geschrieben. Dann hat mir ChatGPT dieses Skript in JavaScript konvertiert. Dadurch habe ich mir sehr viele Stunden Arbeit erspart.


Viele Grüße Volker

Zuletzt bearbeitet am 18.10.24 06:47

Datei-Anhänge
Emitterschaltung_mit_Stromgegenkopplung.txt Emitterschaltung_mit_Stromgegenkopplung.txt (143x)

Mime-Type: text/plain, 5 kB

 1
 1
Alltagssituationen   Plausibilitätsprüfungen   Schaltungssimulation   Simulationsprogramm   Berechnungsprogramm   Simulationsprogrammen   elektronikbasteln   Berechnungsprogramms   Selbstverständlich   mathematisch-naturwissenschaftlichen   Transistorschaltungen   Betriebsspannung   Bilddateien   Internetrecherche   Programmiersprache   Röhrenschaltungen   Berechnungswege   Wahrscheinlichkeitsrechnung   ChatGPT   leistungsfähiger